Fórum témák

» Több friss téma
Fórum » Elektronikában kezdők kérdései
- Ez a felület kizárólag, az elektronikában kezdők kérdéseinek van fenntartva és nem elfelejtve, hogy hobbielektronika a fórumunk!
- Ami tehát azt jelenti, hogy a nagymama bevásárlását nem itt beszéljük meg, ill. ez nem üzenőfal!
- Kerülendő az olyan kérdés, amit egy másik meglévő (több mint 17000 van), témában kellene kitárgyalni!
- És végül büntetés terhe mellett kerülendő az MSN és egyéb szleng, a magyar helyesírás mellőzése, beleértve a mondateleji nagybetűket is!
Lapozás: OK   1726 / 4052
(#) qvasz2 válasza Peet19 hozzászólására (») Júl 13, 2012 /
 
Bővebben: Link
Bővebben: Link

(12V*1,41)-1,4V= kb.15V . Ez éppen hogy elég az LM317-nek a stabil 12V-hoz.
(#) zoltan0801 válasza Peet19 hozzászólására (») Júl 13, 2012 /
 
Szia.
Szerintem építsd nyugodtan meg 12V-os trafóval, mivel a puffer-en úgyis egy kicsit több fesz. lesz. Sajnos nem tudom pontosan, hogy kell kiszámolni mennyi, de nekem a 18V-os trafómon kb 20-21-V van.
(#) qvasz2 válasza zoltan0801 hozzászólására (») Júl 13, 2012 / 1
 
Idézet:
„Sajnos nem tudom pontosan, hogy kell kiszámolni mennyi”

Pedig százszor le lett már írva:
(AC fesz. * gyök 2 ) - diódákon eső fesz.
Diódahídnál egyszerre 2db dióda működik, ezért 2*0,7V=1,4V -tal lehet számolni.
Nagyobb áramoknál (több amper) a diódákon nagyobb feszültség is eshet, akár 1V-nál is több darabonként.
(#) zoltan0801 válasza qvasz2 hozzászólására (») Júl 13, 2012 /
 
Ja tényleg, lehet le lett írva, meg tanultam is, csak sajnos az ilyet gyorsan elfelejtem:S Meg mivel nekem nem is kellett csak 18V ezért nem is nagyon számított De most már megjegyzem...
(#) Peet19 válasza qvasz2 hozzászólására (») Júl 13, 2012 /
 
Elolvastam, köszi. Akkor vegyek inkább nagyobb trafót? Most indulok megvenni csak tutira akarok menni.
12V helyett vegyek pl: 18 vagy 21V -ost?

zoltan1801: puffernek egy 1000µF -os kondit vettem. Nem tudom mennyi fesz. lesz rajta, még nem csináltam ilyet, ez lesz az első .
(#) qvasz2 válasza Peet19 hozzászólására (») Júl 13, 2012 /
 
Nem kell nagyobb, csak többet fűtene. Az ilyen stabIC-knek 2,5-3V kell a működéshez.
Terheletlenül kb. 17 V-od lesz, terhelve kb. 15V körül kell lennie az 1000 µF-os kondival. Persze attól is függ milyen trafót veszel, mert a gyengébb minőségű trafónak jóval magasabb a terheletlen feszültsége, és többet esik vissza terheléskor.
(#) Peet19 válasza qvasz2 hozzászólására (») Júl 13, 2012 /
 
Ezt hogy kell érteni pontosan, mert ezt még nem tanultam?
Idézet:
„(AC fesz. * gyök 2 )”

Van egy régi kis trafóm amit egy magnóból szedtem ki, ez 230V ról 13.8V DC -t ad. AC viszont kb: ennek a duplája. Ez hogy lehet? ...vagy itt hogy kell kiszámolni azt amit leírtál?
(#) qvasz2 válasza Peet19 hozzászólására (») Júl 13, 2012 /
 
A gyök 2-t nem érted? Számolj 1,41-el.

Csal a műszered AC állásban, vagy az AC-t terheletlenül mérted, a DC-t pedig leterhelve, vagy más huncutság. A duplája picit soknak tűnik.
szerk: Az AC nem lehet több
(#) Peet19 válasza qvasz2 hozzászólására (») Júl 13, 2012 /
 
Most lemértem újból. Egyenirányítás előtt simán 13.2V AC van rajta. Egyenirányítás után pedig 11.7V DC és 25.0V AC.
Ez hogy lehet?
Az 1,41 -et értem. Ez a névleges feszültség, és szorozva 1.41 -el pedig a max. fesz. igaz?
(#) qvasz2 válasza Peet19 hozzászólására (») Júl 13, 2012 / 1
 
A váltakozó feszültség egy sinus hullám. Ennek az effektív értéke a 12V, amit ráírnak a trafóra. A csúcsértéke pedig az 1,41 * -ese, és ezt kapod meg, ha egyenirányítod és megfelelően puffereled.
Amit mértél butaság, vagy nem jól, vagy nem jó helyen, vagy rossz műszerrel mérsz. Egyenirányítás után hol van AC szerinted, főleg több, mint a bejövő feszültség??
A diódahíd után tegyél egy pufferkondit, mert anélkül mérhetsz esetleg ilyeneket. A hullámos egyenfesz becsapja a műszeredet, bár a dupláját akkor sem mérhetné.
(#) Peet19 válasza qvasz2 hozzászólására (») Júl 13, 2012 /
 
Lehet, ezen én is csodálkoztam. Valószínű a műszerrel lesz valami gubanc mert kici ócó kínai .
Tehát, A trafó szekunder oldalán 13.2V -ot mértem (AC).
0V DC.
Egyenirányítás után pedig (ahol csak egyenáramnak kellene lennie) 11.7V DC és 25.0 AC.
Itt gondolom az AC -nek 0 -nak kellene lennie, nem?
Akkor a műszerrel van gond?
Az egyenirányítást egy régi Graetz híddal csináltam, lehet annak is van valami kínja.
Du. -án megcsinálom rendesen 4db 1N4007 -el, aztán lemérem úgy mit mutat, most meg elmegyek veszek egy trafót. Ha azt mondod hogy elég a 12V -os akkor olyat veszek, csak nem 30VA -t hanem kisebbet.
(#) qvasz2 válasza Peet19 hozzászólására (») Júl 13, 2012 /
 
Tegyél a diódahíd után egy 10-20 µF -os kondit és megoldódik a varázslat, remélhetőleg.
(#) pucuka válasza Peet19 hozzászólására (») Júl 13, 2012 /
 
Minél kisebb teljesítményű a trafód, annál nagyobb lesz a belső ellenállása, annál inkább fog függeni a kimeneti feszültsége a terheléstől, így a méréseknél is körültekintőbben kell eljárni.
(#) Peet19 válasza qvasz2 hozzászólására (») Júl 13, 2012 /
 
Rendben, ha megvettem a trafót tesztelgetem ahogy írtad aztán jelentkezem mire jutottam.
Addig is köszi mindent.

pucuka: köszi, értem.
(#) pucuka válasza Peet19 hozzászólására (») Júl 13, 2012 / 1
 
Fontos tudni, hogy az egyszerű multiméterek az átlagteljesítményt mérik, és az ennek megfelelő feszültséget/áramot mutatják. Az egyenáram mérésénél nincs is különösebb gond, mert a két érték pontosan megegyezik. Váltóáram mérésénél több probléma is adódik. Mivel a váltóáram átlagteljesítmény nulla, így azt a mérés előtt egyenirányítani kell. Itt már lehetnek eltérések a mérőműben. A legegyszerűbb esetben (ez az általánosabb) egyutas egyenirányítás történik, és az egyenirányított feszültség átlagértékét mérjük, és a színuszhullám mérését feltételezve az effektív (RMS) értékét mutatjuk. Kissé komolyabb műszerekben az egyenirányított feszültség csúcsértékét mérjük, és szintén színuszhullám mérését feltételezve az effektív értékét mutatjuk.
Az ilyen műszerekkel különböző a színusztól jelentősen eltérő hullámformájú mennyiségek mérésénél (ilyen az egyenirányított színusz) az alaktényező ismeretének hiányában jelentős eltérések lehetnek. Bonyolultabb a helyzet, ha összetett jeleket mérünk, pl. az egyenirányított jelek esetén, ahol egyenszint mellett jelentős váltó komponens is jelen van, ti. az AC állásban a műszer az egyenfeszültséget os beleméri, mivel nincs a bemeneten a DC leválasztva.
Komolyabb, és drágább műszerekben igazi effektív érték mérése történik, valamint az egyenszint leválasztása is megtörténik. Ezekkel pontosabb mérés végezhető, és a mérési metódus kevesebb megfontolást igényel.
(#) kiskata hozzászólása Júl 13, 2012 /
 
Kedves Hozzáértők...
Tudna valaki javasolni egy jól bevált analóg hőmérsékletszenzort 1-300 C-fok -os méréstartománnyal?
(#) vicsys válasza kiskata hozzászólására (») Júl 13, 2012 /
 
(#) jani1987 válasza Attila86 hozzászólására (») Júl 13, 2012 /
 
Privibe veszekedjetek az istenit neki. És ezzel még finoman fejeztem ki magam. Egyetértek Frenky-vel, hogy szorítkozzunk a nyugisabb témákra.
(#) mate_x hozzászólása Júl 13, 2012 /
 
Sziasztok!

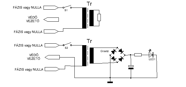
Tapasztaltam egy jelenséget, amit nem tudok felfogni, pedig már gondolkodok rajta egy ideje, hogy mitől lehet. Csatoltam a kapcsolást. Egy elosztóban van két egymás mellett lévő konnektor. Ha S1-et zárom, akkor még minden rendben. De ha S1-et kinyitom, akkor valahol olyan feszültség indukálódik, amitől a LED felvillan, hol erősebben hol gyengébben. Csak S1 nyitásánál tapasztaltam ezt. Pedig S2 végig nyitva van, tehát a második trafó semmiképp nem kaphat feszültséget. Ha a védőföldet lekötöm az egyenirányított feszültség gnd-jéről, akkor megszűnik a jelenség, tehát a védő földhöz van köze, pedig állítólag ha a gnd-re rá van téve a védőföld, akkor az zavarmentesebb lesz. Ennek ellenére egy teljesen független trafó is valahogy zavart vitt ebbe a másik rendszerbe. A villásdugók helyzetétől független a jelenség. Valaki el tudná magyarázni, hogy mégis mi történik? A választ előre is köszönöm.

Üdv, mate_x

kapcs.GIF
    
(#) pjg válasza mate_x hozzászólására (») Júl 13, 2012 /
 
Nem megoldás a dologra, de kettős szigetelés esetén és a trafó ezt a feltételt teljesíti, tilos a védőföld bekötése.
(#) mate_x válasza pjg hozzászólására (») Júl 13, 2012 /
 
Ez most egy kísérlet és érdekel mitől van. De amúgy mi van, akkor ha a doboz fémből van és a hálózati kábel kidörzsölődik a bevezető nyílásánál? Akkor azért kellene védőföldelés szerintem vagy ha nem, akkor miért nem?
(#) eyess válasza mate_x hozzászólására (») Júl 13, 2012 /
 
Az a védőföldelés , akkor nem megfelelő , és egyébként ez a kapcsolás így nem szabályos .Védőföldre nem szoktunk áramköri kapcsolásokat rákötni csakis a ház , vagy fém , vagy bármi olyan jellegű alkat elemnek a házát amitől az emberi életet kívánjuk óvni , ha véletlenül valami oknál fogva rákerülne magasfeszültség.Ha neked így jelzett a led , akkor , vagy a trafó , vagy bármi másnak a háza is rá van kötve a védőföldre , de akkor ebben az esetben szigetelési ellenállás mérővel meg kell nézni , vagy a trafókat , vagy a konnektor környékét stb , mert akkor valamelyiknek nem jó a szigetelése , és védőföldre vezet .
(#) mate_x válasza eyess hozzászólására (») Júl 13, 2012 /
 
Lefényképeztem egy könyv oldalát, abban is rá van kötve a gnd-re a védőföld, pedig van trafó. Valaki magyarázza már el hogy van ez az egész. Valahol ezt írják valahol azt, nem tudom már mi a jó.

könyvlap.JPG
    
(#) qvasz2 válasza mate_x hozzászólására (») Júl 13, 2012 /
 
Mert az egy 100 éves könyv, az akkori felfogással. Ma kettős szigeteltre készítik (készítjük) a legtöbb készüléket. Ez egy magasabb biztonsági fokozat a földeltnél. Ezért tilos kettős szigetelt készüléket földelni.
(#) eyess válasza mate_x hozzászólására (») Júl 13, 2012 /
 
Feltettem neked két képet a helyes szimbólumok miatt , és eldöntheted , hogy a rajz amit feltettél minek felel meg , védőföldnek , vagy közös GND nek.Gondolom a trafó primer oldalán lévő jelölésre gondoltál nos melyik hasonlít rá ?
(#) mate_x válasza qvasz2 hozzászólására (») Júl 13, 2012 /
 
Oké, tehát akkor ha fém doboz is van, de abba van egy normális trafó, akkor a védőföldet nem kell rá kötni a dobozra. De mi a helyzet a zavarvédelemmel? Proli007 ebben a hozzászólásában: Bővebben: Link leírta, hogy rá szokták kötni a gnd-t néha a védőföldre. De akkor már a gnd rá van kötve a dobozra is, hogy ne tudjanak egymáshoz képest statikusan feltöltődni. Szóval tényleg nem tudom, hogy a legtökéletesebb. Lehet kicsit nehéz eset vagyok
(#) mate_x válasza eyess hozzászólására (») Júl 13, 2012 /
 
Oda van írva, hogy védőföldelés, és az megy a fordított T betűre, ami az áramkör GND-je.
(#) eyess válasza mate_x hozzászólására (») Júl 13, 2012 /
 
Sosem megy a védőföldre egy az egybe rá a GND , ha ilyen készüléket látsz rakd fel ide a fotót róla.Viszont olyan lehet hogy egy gnd a ház védőföldelésre van kötve , ,mert úgy látszik .Persze ez nem igaz , mert valahol lennie kell egy nagy feszültségű kondinak a ház , és a GND között biztos , hogy van.Ez olyan 2,2 nf tól 1,5KV , vagy 2KV os szokott lenni általában .Igy eltudom képzelni , de egy az egyben nem.
(#) atiotezer hozzászólása Júl 13, 2012 /
 
Mi szerepe lehet a kondik fölé hajlított vezetéknek?
Ez egy akkumulátor töltő.

Névtelen.png
    
(#) proli007 válasza mate_x hozzászólására (») Júl 13, 2012 / 1
 
Hello!
Kicsit keverik az Urak, a szezont a fazonnal. Egy gyárilag kettős szigetelésre készült készülék házát tilos földelni. (Ezen a készüléken van rajta a kettős szigetelés jele.) De azért, mert ekkor sérül a kettős szigetelés elve, és már is nem tekinthető annak.
De azt hogy egy transzformátoros készülék szekunder oldalát, vagy ezzel kapcsolatos áramkör GND pontját ne lehetne az érintésvédelmi földre kapcsolni semmi nem tiltja. De ez ekkor már nem is kettős szigetelésű készülék, még ha a benne lévő trafóval ez meg is lehetne oldani.
Ezen az alapon nem lehetne gyártani egyáltalán olyan készüléket, aminek tápja, vagy kimenete földelve van..
üdv! proli007
Következő: »»   1726 / 4052
Bejelentkezés

Belépés

Hirdetés
XDT.hu
Az oldalon sütiket használunk a helyes működéshez. Bővebb információt az adatvédelmi szabályzatban olvashatsz. Megértettem