Fórum témák
» Több friss téma |
Sziasztok!
Nézegettem söntöt,de csak ilyet találtam.Ez jó nekem?Kell-e hűteni?Esetleg Proli007, hol vetted a rajzon szereplő alakút?
Még egy kérdés.A rajzon nem látszanak.a csomópontot jelző kék pöttyök.Meg tudom rajzolni így is,de akkor néznem kell a beültetési rajzot is.Ha állandóan rajta van a töltő az akkun.az nem baj?Közben megy róla a riasztó.És kell-e a start-stop gomb ilyenkor?A sárga led mit jelez?
Hello!
- Ez egy tökéletes Shunt ellenállás, aminek Kelvin kivezetése is van. (Hogy a nagyáramú csatlakozás átmeneti ellenállása, ne befolyásolja a mérés pontosságát.) Én egy mezei ruszki teljesítmény ellenállást raktam bele, csak a rajzon jelöltem, a helyes négyvezetékes bekötést. (Mint ahogy az általad választott ellenálláson is így van kialakítva) Hűteni akkor kell, ha a teljesítmény meghaladja a kb. 1W-t. De azért van pont így kialakítva az ellenállás, hogy hűteni lehessen. Avagy a melegedés ne befolyásolja az értékét. - A sárga Led jelzi, ha az aksi fordítva van a töltőn. A tranyó , meg nem engedi ilyenkor bekapcsolni. - A töltő rajta maradhat az aksin, csak éppen ez nem egy pufferüzemű töltő. Vagy is ráteszed, megnyomod a gombot, feltölti, és kikapcsolja a töltést. Visszakapcsolni nem fog.. - Sajnos a csomópontok nem látszanak, a kép felbontása miatt. De megpróbálom feltenni pdf-ben. - Ha elkészítenéd az általam készített nyákkal, akkor figyelj, a kötésekre, mert valahol készítettem hozzá egy huzalozási rajzot, ahol nem nézetre helyes a csatlakozási pontok sorrendje. Vagy is X0-X3 és X4 bekötés pontjai tükörképen annak rajzolva. Mindig az 1..5 és 1..3 csatlakozási sorrendet kell nézni. Mindig az 1-es láb a négyzet alakú. üdv! proli007
Köszönöm.Már kibogarásztam.És valami módon,ha nem nagy kérés,tudnál ebből nekemvaló automata visszakapcsolásút csinálni?
Hello!
Ahhoz azért át kell gondolni az egészet, és átvariálni, az logikai részt. Kettős komparátor, vagy hiszterézis kell, vagy is az analóg részt is át kellene dolgozni stb.. üdv! proli007
Szia!
Nem baj,akkor majd párnaponként megnyomom egyszer a start gombot.Jó,hogy küldted a pdf-et,mert lemaradt 2 pont.Köszönöm.
Hello!
Végül is ha lemondasz, a fordított feszültségű védelemről, (és az alacsony feszültségű, pld. 6V-os aksi töltésének védelméről), akkor az U2b komparátort fel lehet használni a töltés bekapcsolására feszültség csökkenés esetén, és az RS tárat a töltés-kisütés információ tárolására.. (Még ekkor is lehet védekezni fordított polaritással felhelyezett aksi ellen egy biztivel és diódával, ahol a bizti amúgy is ajánlott az aksi előtt.) üdv! proli007
Hmm,Rád bízom,nem akarok pofátlannak látszani(pedig az vagyok)Én nem értek hozzá,nem tudom áttervezni.Nem akarok alkatrészt spórolni,ha kell,állhat több alkatrészből.Én csak rajzból megcsinálom,és van hogy sikerül.Ha van időd,türelmed,kedved és megrajzolnád az jó lenne.Hátha másnak is kell,vagy lenne egy másik verzió is.
Hello!
Nos elkövettem, de hangsúlyozom, én csak kiagyaltam, és megrajzoltam. Megépíteni - kipróbálni (felmenőimet emlegetni) az fogja, aki elköveti majd. üdv! proli007
Hello!
Köszönöm!Ha lesz időm, (és pénzem)ígérem kipróbálom,de remélem mást is érdekel. Üdv:Lóri
Szia.
Nekem az eredeti rajz megépítése óta tökélletesen működik.A trafó és a 25x25-ös zártszelvény váz miatt majdnem kétemberes. ![]() Ezzel csak Proli munkáját akarom dicsérni. Proli007.: Jó ötlet ez a pdf.Köszönnyük.
Hello!Tudom,hogy Proli007 kiváló szakember, a régit is megépítem majd,csak felmerült egy újabb verzió.
Üdv mindenki!
Van nekem egy villany robogóm (illetve kettő is) 4x12volt-os, sima trafós töltőt szeretnék neki készíteni, ugyanis régiek az akksik és a hagyományos 48V-os töltő nem tudja már rendesen tölteni sorosan.Az előző hozzászólásokban olvasgattam, hogy 4 azonos szekundert igényel a dolog a trafótól, a kérdésem az lenne, hogy mi van akkor ha egyszer 12volt-os szekunderem van és 4 darab graetz hidat pakolok rá? Nagy hülyeséget kérdeztem? Köszönöm válaszotokat !
Kedves Zoli,
A négyszeres áram az rendben van, de nem szeretném külön szétkapcsolni az akkukat, csupán kivezetni 5 szálat az akkukról a töltéshez. 4 graetz +- kivezetések sorba kötve a DC vonalon. Így nem menne a dolog? Válaszod köszönöm.
Figyelmesen olvasom, rendben is van, 4 szekuval simán kivezetem és tölthető anélkül, hogy szétválasztanám az akkukat. Csak még az nem tiszta és nem kaptam választ, hogy mi ütközik és mi történik ha úgy kötöm ahogy irtam.
Köszi!
Kérlek ne érts félre, nem okoskodni szeretnék, csak megérteni, hogy mi történik akkor ha igy kötöm
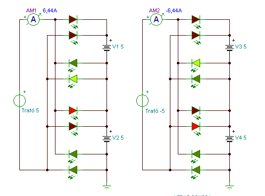
Hello!
Mi történik? Baromi nagy zárlat, füst korom.. De írás helyett leszimuláltam. Hogy lásd melyik diódák mennek tönkre, Led-eket raktam a Graetz-be. Annak ellenére, hogy az aksikban és a trafón ugyan úgy 5V feszültség van, tehát nem folyhatna töltőáram, 6,5A "csordogál" két-két diódán trafó feszültség polaritásától függően. (5V-ot azért írtam, mert a TINA-ban ennyit bír el egy Led. De a feszültségnek itt jelentősége nincs.) üdv! proli007
proli007
Nagyon köszönöm a modellezést, hagyományos (4x12volt szekunder) esetén rendben volt, hogy nem, zavarják egymást, igy sokkal érthetőbb, hogy mi is történik ha közös szekundertől jön az áram a graetz-ekre. Köszi!
Sziasztok!
Azt szeretném kérdezni, hogy megépítette-e valaki ezt a kapcsolást és lenne-e hozzá nyákterve? Előre is köszönöm.
proli007
Megépítettem az 5Amperes, "egyszerű" töltő panelt, most következnek a tirisztorok, a sönt, a trafó szekunder oldala. Mérőellenállásnak egy gyári söntöt szeretnék beépíteni, a paraméterei: 25Amper/60mV. Ez biztos, hogy nem melegedne, na meg ilyen volt a fiók mélyén. Azonban ezen csak kb. nyolcad akkora feszültség van, mint ami a te kapcsolásodban lévő 0,1 Ohm ellenálláson. A kérdésem az, hogy a PI szabályzó bemenetén lévő R20 ellenállás megfelelő csökkentésével lehet-e kompenzálni ekkora feszültségcsökkenést? A szabályozás paraméterei hogyan változnak, egyáltalán "üzemképes" marad-e a szabályzó? Megnéztem a 20Amperes töltőt (- a remekművet-) is, ott elegánsan egy műveleti erősítő megoldja a sönt illesztésének a problémáját, de ott rendelkezésre állt a plussz-minuszos tápegység. Üdv: rotomat
Hello!
Lehet az R20 csökkentésével növelni az erősítést, csak az LM324 nem egy precíziós erősítő, aminek offset hibája már sajnos egybevethető lesz a Shunt feszültségével. Így biztos, hogy 83-as erősítés mellett már pontatlanságok lesznek. Az alapjelet adó P3 potinál, inkább a C10-el párhuzamosan kötött 2,2kohm-os ellenállás alkalmazása a célszerű. esetleg R25 csökkentésére is szükség lehet. üdv! proli007
Sziasztok! Átterveztem egy feszültségfigyelőt 48v-ra. Ha valaki lát benne hibát szóljon legyen szíves!
Hello! Kicsit sok lesz a Led-áram 48V mellett. A2N3906-nak 40V a maximális feszültsége. Még 20ma (2,2kohm) mellet is rendesen fog izzadni.. üdv!
Köszönöm a választ! A led csak a "szimulátorvégett" van benn, egy optocsatolós-relé-mágneskapcsoló meghajtással szeretném bekapcsoltatni a töltőt. A 2N3906 tényleg nem jó, keresek valami megfelelőbb PNP-t.
Ha szilárdtest relére gondolsz, akkor annak is meg kell nézni a feszültségét.. (Mert amiket ismerek, ha jól emlékszem 24..30V-osak.) Egyébként talán felesleges ennyi cuci-muci. Egy tranyó is elég, ha söntölöd az SSR-t. Meg maximum egy zéner, hogy ne lépje túl az SSR villanyát. SSR-ben általában a bemeneten áramgenerátor van.
De előfordulhat, hogy az átmenetnél gond lesz. A Triac negatív gyújtásra érzékenyebb. Lehet ott félperiódusú jelet kap a mágneskapcsoló. Nem biztos hogy örül majd neki. De ezt csak mondom, mint hiba lehetőséget. Egyébként ha szimulátorban rajzolsz, miért nem szimulálod? Onnan gondolom, hogy amit rajzoltál, abban a generátor az nem kimondottan alkalmas erre. üdv! A hozzászólás módosítva: Jún 13, 2013
Ha lehetne kapni 48v-os mezei relét egyszerűbb lenne...(majd sorosan bekötök két 24v-ost
) Csak demo Tina van....Üdv.
Nekem is demo a TINA. Attól még lehet szimulálni..
Úgy szimuláltam, hogy a generátor feszültségét csökkentettem 56-ról és az ellenállásokat meg a zenert úgy választottam, hogy48V nál kapcsoljon a led. De optocsatolót nem enged szimulálni, nem tudom SSR van-e benn stb.
Generátornak az egyenáramú jobb, mint a váltó. SSR nincs benne, de talán nincs is szükség rá. Úgy sem tudod mit fog tenni a valóságban. Nem ismered a mágneskapcsoló paramétereit a szimulációhoz. De azt sem tudod, mennyire fog zúgni..
Kicserélgettem az alkatrészeket, amik talán jók lesznek és vannak is itthon.
|
Bejelentkezés
Hirdetés |















