Fórum témák
» Több friss téma |
Hello!
"Amit javasoltál bemeneti fokozatot, akkor azt használjam?" Érdekes kérdés. Most mondjam azt, hogy ne használd amit javasoltam? Teljesen leszoktatnak benneteket, a "józan paraszti gondolkodásról". Pedig azzal messzebbre lehet menni mint az integrálással.."Azon hogyan lehet állítani, hogy mennyit mutasson a kijelző?" Cseppet gondolj bele.. Ha ez befolyásolná, mit mutat a kijelző, akkor vagy itt kellene beállítani, vagy nagy gond lenne. A freki és fordulatmérők, egy időegység alatt beérkezett impulzus számot mutatják. Így a bementi fokozatnak annyi szerepe van, hogy vagy jön a jel, vagy nem. Esetleg beszed más zavart is, vagy nem. De a mérés pontosságát, tartományát, nem befolyásolhatja.. Nem a tápfeszültség abszolút értéke a fontos, hanem hogy a monostabil által képzett integrált jel feszültsége, és a Led-es kijelző bemeneti feszültség tartománya megegyezzen. Ezt számtalan módon el lehet érni, és ha jól emlékszem (ami nem igaz) leírtam tételesen hogyan kel ezt összehangolni kiszámolni. 6V-ból egy LowDrop szabályzóval lehet 5V-ot gyártani.. üdv! proli007
Igaz. Töltök fel képet, pls nem röhögni, kezdő vagyok. A forrasztások nem szépek (elég vacak a pákám, de ennyire futja), de nem látok benne hibát. 20-szoros nagyítóval is átkutattam.
HA valakinek van ötlete miért vagyok béna, várom a javaslatokat.Bővebben: Link - Bővebben: Link Jelenleg azt csinálja, hogy folyamatosan 4,3 V örül ad le, mintha menne éppen a számláló. Korábbi forrasztásos megoldásnál is ez volt a gond, de tesztpanelen nem (dugdosós) Ötlet? UI: a jobb alsó sarokban mintha összeérne.. de igaziból nem.. (már kijavítottam, hogy ne is nézzen ki úgy "mintha"..)
Akkor ez a bemeneti fokozat marad!
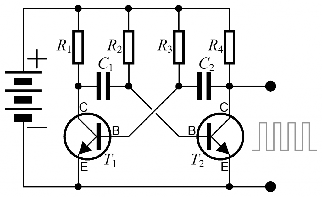
![]() Csak azt nem értem, hogy hogyan fogom beállítani, hogy mondjuk az 50Hz-es bemenő jelre 6db led világítson pontosan, ami ugye a 3000-es fordulat?
Hello!
A kapcsolást is feltehetted volna. Mert itt nem látszik sok dolog, (Úgy kellett volna lefotózni, hogy csak át fordítani a panelt, változatlan szögállás mellett. Ne legyen szükség még elfordítva is gondolkodni.) De nem látom, hogy a 2-es láb össze lenne kötve a 6-al, és a 4-es láb a 8-assal. Minek az a böszme kondi, az 5-ös lábra. De nem látható, hol megy a negatív pontja a 1-eshez. De ettől még működne valami. üdv! proli007
Hello!
Szerintem olvass vissza. (Lehet nem Neked írtam, de elég alaposan körbejártuk már, mi hogyan működik.) A monostabil kitöltésének olyannak kell lenni, ahol a maximális fordulaton nem érheti el a 100%-kitöltés közelébe. Aztán az így ksizámolt integrált átlagérték feszültséget kell a 6. Led-nek világítani. Vagy is ez szerint kell megválasztani a kijelző referencia feszültségét. Kb. ennyi.. üdv! proli007
Most próbából, a tesztpanelen összeraktam megint, csak úgy fejből.. és MŰKÖDIK. A forrasztásos meg nem... vesszek meg a ha értem. Pedig akárhogy nézem, ugyanaz...
És akkor az általad linkelt rajzon a 3-as lábra kell kötnöm az 1k 22k és a 22µF és 1µF kondikat? Amik az eredeti fordulatszámmérő rajzban szerepelnek ugye?
Hello!
Nem ártott volna, ha be is linkeled, az "általad linkelt rajzon".. Mert szerinted én emlékszem arra, mit írtam, mit linkeltem...? :no: Azért nagyon jók ezek a rajzok, mert pozíciószám elvétve sincs. Így hivatkozni valamire, csak körülírással lehet, tízszeres energiával. üdv! proli007
Itt a rajz, amit linkeltél. Rajz
Ennek a 3as számú kimenetére mi jön még? A bemeneti részt értem, az 1kohmra megy a gyújtótrafóról a jel. De a kimenetre mi kell? Úgy kellene, ahogy a csatolt képen van?
Hello!
Nem jó! Ez csak a bement jelformálója. Ez után jön még, az eredeti kapcsolás monostabil multija. A tranyó utáni kondival kezdődően... (Amúgy így zárásszöget tudnánk mérni, nem fordulatot.) üdv! proli007
Huhha, az kemény menet lesz...
Alig férek el a panelen
Üdvözlet mindenkinek! Egy kis segítséget szeretnék kérni, ha van itt olyan önzetlen szaki, aki megmentene minket. A kérdést feltettem már egy másik topicban is, de ott azt javasolták, továbbítsam ide.
Barátaimmal kerékpártolvajokra vadászunk egy GPS jeladókkal kiagyusztált biciklivel. Igen jól haladunk, már tíz bűnözőt juttattunk rendőrkézre, és lett volna több is, ha rajtunk múlik. Ez egy nonprofit magánkezdeményezés, a saját pénzünket és időnket öljük bele. Bár a csalikerékpár követése megoldott, és mindig meg is találjuk, a tolvajt sajnos nem mindig sikerül elkapnunk, mert rendkívüli gyorsasággal képesek elpirítani egy-egy madárnak az utcasarkon. (Akik ellen aztán eljárás indul orgazdaság miatt, és pislognak is rendesen, ők azt hitték, jól járnak, mikor ötezerért vesznek kétszázezres biciklit.) Ezért a csaligépre rejtett kamerát szeretnénk szerelni. A kamera már megvan, mindössze egy rendkívül egyszerű kis áramköröcske hiányzik, hogy úgy működjön, ahogyan mi szeretnénk. Itt azonban megáll a tudományunk, mert ugyan kitűnő szerelők vannak a csapatban, meg programozó is van pár, az elektronikához azonban egyikünk sem konyít annyit, hogy megoldjuk. Egy olyan kapcsolót kellene készíteni, ami 3-4 másodpercenként zár egy áramkört. Ez minden. Ezzel kiváltanánk az eBayről vásárolt kínai mikrokamera exponálógombját, és máris megoldott lenne a tolvaj lefényképezése. Úgy kellene megoldani, hogy legyen rajta egy gomb, amire elkezdi illetve leállítja az időzített kapcsolgatást, illetve egy másik, ami "rendes" gomb, vagyis a lekötött eredeti gomb funkcióját veszi át. A kamera 3,7V-ról megy, ez a tápfeszültség áll rendelkezésre. Ha volna köztetek olyan derék jómunkásember, aki megsegítene bennünket ennyivel, rendkívül hálásak lennénk, és minden egyes tolvaj után, akit fénykép alapján kaptunk el, hálálkodó e-maileket küldenénk. Egyebet sajnos nem tudunk, hiszen nekünk sem fizet senki.
Sziasztok!
Egy időzítő kapcsol8sra lenne szükségem,kis fogysztással lehetőleg. Paraméterek: Táp 12 V (autóakksi) 1-2 s kapcsolva marad kb 10-20 perc míg csöndben marad Egy pici kis szirénát kapcsolna,madárriasztás céljából. Egy programozható dugalj időzítővel pedig oldanám meg a tápellátás kapcsolását (pár százas Tescos) hogy éjjszaka csöndben maradjon. Jó lenne ha valaki véleményt és/vagy segítságet nyújtana ebben a kérdésben.. KÖSZÖNÖM!
Annyi biciklit gondolom úgysem csináltok meg így. A csali bringát meg úgy is fel kell szerelni mindennel , hogy ez múkodjon
, vagy nem jól gondolom?Vannak voltak Digitális kilométer óra meghajtások is pont úgyan olyan megoldással amit leírtam , jeladó a felnire egy vevőtekercs a villára , és a kerék forgása adta az adatokat .na most nektek ha jól értem ez nem jó , mert ez csak akkor működik ha forog a kerék nektek meg álló helyben is kellene , de miért is hisz ha ellopják , akkor már mozgásban a bringa forog a kerék.Egyébként egy két tranzisztoros áramkörrel is megoldható , és nem is kell nagyon bonyolítani astabil multivibrátor , és az intervallumot kondival állítható be.De ebből is sok kell ha sok bringára kell .És tényleg nem itt kellene erről írni.
Hello!
Megrajzoltam, remélem működni fog, mert nem tudom, hogy mennyi ideig kell "nyomni" az expozíciós gombot, és mekkora áram folyik ekkor... - S1 nyomógombbal lehet az expozíciót ki-be kapcsolni. Az első expozíció, kb. bekapcsolástól, 25..30 másodperc elteltével készül el. Ez után ciklikusan, 3..4 másodpercenként. - A "WHT" Led, egy fehér nagy fényerejű Led, ami az expozíció időzítés bekapcsolt állapotát mutatja. - Expozíció kikapcsolt állapota mellett, az áramkör fogyasztás, kb. 10uA, bekapcsolva, kisebb mint 2mA. Az áramkör szigorúan a 3,5..4,2V tartományra készült. - S2 nyomógombbal, kézi expozíció lehetséges, akár ki, akár be kapcsolt időzített expozíció mellett. De ha nem szerelitek ki a kamerából az eredeti gombot, csak az EXP+ és EXP- pontokat párhuzamosan teszitek vele, akkor működni fog, és a nyomógomb is használható. - Az expozíció idejét C4/R3-al, a gomb "nyomva tartási" idejét, C4/R4 értékeivel lehet megváltoztatni. - U1, egy CD40106 CMOS IC, amiben mind a hat inverter megtalálható, U2 egy optocsatoló (azért szükséges, mert nem ismerem a Camera nyomógomb feszültségét. (Ha nem működne az áramkör, de S2-vel lehet exponálni, akkor EXP+ és EXP- pontok felcserélendők. Vagy is nem jó a polaritás.) Bocs mindenkitől, hogy nem 555 lett.. Jó vadászatot! proli007 Mottóm: "A legjobb riasztó, a riasztó külső!"
Hello!
Raktam már fel ilyen kapcsolást itt. Ha a bekapcsolási időt, 1..2 másodperce szeretnéd csökkenteni, az "Off" pontot átteszed a 7-es lábra. üdv! proli007
Hello!
Hogy ne érjen bennünket az a vád, hogy "rossz topikban vagyunk", itt az 555-ös kapcsolás is. De a 3,7V miatt, szigorúan egy CMOS változat kell! Kikapcsolt állapotban kb. 120uA, míg bekapcsolt állapotban itt is átlag kb. 2mA-t fogyaszt. Ennek az időzítése valamivel korrektebb, így nem is kell bele akkora kondi. Funkcionálisan viszont ugyan az, mint elődje. üdv! proli007
Hello!
Korábban írtam, hogy a tesztpanelen működött a kapcsolásom, NYÁKon nem. A hibát nem találtam meg. Azóta összeraktam panelen 8szor, és összeforrasztottam (külön NYÁKon) 7szer, de ugyanaz a helyzet. DÖBBENET! Most másodszor szereltem össze légszereléssel, úgy is működik. Így a sokadik munkaóra után úgy gondoltam, akkor ez nem is kerül NYÁkra, marad így, ahogy működik. A kérdésem az lenne, hogy tegyem dobozba? Valamivel le kellene fúlni, hogy ne érjenek össze a vezetékek? Vagy hogy lehet ezt megoldani? (arra gondoltam, hogy beleteszem dobozba, aztán kifújom PUR habbal, vagy műgyantával kiöntöm (de ez utóbbi elég drága, és mivel a PUR hab egy használat után tuti beszárad, az is elég költséges lenne). Van valami ötlet, vagy tapasztalat ilyen esetre? Köszi.
Szia!
Sajnos készítettem egy 55s kapcsolást ami tesztpanelen működik, NYÁKon nem (többször is próbáltam 5-6szor). Légszereléssel összeraktam úgy rendben van. Így fog maradni, ah nem szereti a NYÁKot, hát nem szereti. Így szeretném dobozba tenni. MIt tegyek vele, hoyg jó legyen? Arra gondoltam hoyg lefújom valamivel (lakk iylesmi), hogy ne érjenek össze a forrasztások, és miután dobozba teszem, azt kitöltöm valamivel? Hogy szokták ezt csinálni? PUR hab? Műgyanta (olyan kellene amit be is tudok szerezni és nem méreg drága). Van valakinek ilyen tapasztalata?
Milyen kapcsolás ez, hogy nem szereti a nyákot?? 55s alatt mit értesz?
Ha ragaszkodsz a légszereléshez akkor zsugorcső a forrasztásokra és esetleg műgyantával kiöntöd.
Állj. Olyan nincs, hogy nem szereti a nyákot egy 555-s kapcsolás. Ez lehetetlen. Akkor valamit nagyon benéztél. Milyen kapcsolás? Lehet tudni?
Hello!
Bocsánat, 555-t akartam írni. Egy sima monostabil multivibrátor.egy 555, 2 kondi, egy ellenállás. Ennyi. Dugdosós tesztpanelen összeraktam, működött, Próbanyákon (ami csíkokra van szedve, pont olyan mint a tesztpanel szinte) pedig nem. Próbáltam ugyanazokkal az alkatrészekkel (hátha elégettem), újakkal. A lényeg, hogy panelen összeraktam kb 8-10szer, ment, NYÁKot csináltam 7szer, azon soha. Nem értem, de 5 napja ezt csinálom újra és újra.. kicsit unom. Az összes forrasztást ellenőriztem, nagyítóvan, multiméterrel, amit lehetett kimértem.. semmi. Olyan volt mintha folyamatosan összeérne az 1-2 láb (mintha nyomnám a gombot az indulásnál. De most föladtam, inkább gányolok a dobozolásnál valamit. ![]() Szóval műgyanta? Hol tudok olyat szerezni (és mennyiért)? Ez az a dolog, ami 2 komponensű, összeöntöm és elkezd habzani, majd megkeményedik? Az jó lenne... Nekem a PUR hab is szimpatikus öteletnek tűnik, de első használat után beszárad, mint mindig.. akkor meg nagyon drága lesz... Mellesleg egy fém cigisdobozba tervezem belerakni, mert a műszerdobozok irtó drágák...
Ha a vezetősávokat tisztességesen elvágod egy szikével akkor nem szabad, hogy baj legyen. Kezdőként napi szinten használtam 555 IC-t mind próbapanelen és próbanyákon. Soha nem volt gondom. Még AVR-t is tettem ezekre.
Küldj képet a kapcsolásról és a nyákról. Egyből kiderül mi a baj. Ha tényleg nem akarsz bajlódni akkor elég a zsugrcső kár kiönteni és fölösleges is.
Hát ezzel tisztában vagyok én is. De már nem vagyok biztos benne..
![]() Tettem fel két képet a 555 topikba is, belinkelem (nem túl jók, és azóta megint megcsináltam vagy 3szor). Az a legfurcsább nekem, hogy oké, elnézem, rosszul forrasztom, elbénázom, miegymás... de 7szer? 7 különböző NYÁKon? Közben (nem nagy érdem tudom) a tesztpanelen fejből 10 sec alatt összerakom... Szval itt a 2 kép. (a hátoldalon úgy néz ki mintha a jobb alsó részen a 7-8 láb össze lenne forrasztva, de a kép elkészítése után megnéztem és nem ért össze, meg javítottam is) Link1 Link2 ÉS ami adalék a misztikumhoz, mindig ugyanaz volt a hiba. Folyamatosan világított a led, mintha mindig nyomtam volna a gombot. És még valami: elkezdtem egyesével csinálni, szóval a 555-t tettem csak be, összekötve a 67 lábakat, kondik és ellenállás nélkül. Már akkor nem egyformán viselkedett a NYÁKos és a nem NYÁKos. Arra gondoltam, hogy az 555-t nem foglalatba tettem, hanem tüskesorból vágtam le 2x4-et és abba, esetleg az okoz hibát. Összeraktam anélkül is, közvetlenül az 555t beleforrasztva a NYÁKba és úgy sem működött (kiforrasztáskor azt az 555t már nem használhattam persze mert elégettem). Légszereléssel most is ilyen 2x4 tüskesorban van és megy. Döbbenetes, hogy nem jövök rá mi a hiba.
Olyan nincs, hogy egy 555 kapcsolás próbapanelen és légszerelve működik és próbanyákon meg nem. A kép elég homályos, de a kondit biztosan jól ülteted be? A kapcsoló nincs véletlenül zárlatban?
Legvégső esetben ilyen nyák: Bővebben: Link
Hidd el hogy minden t megpróbáltam, teszteltem, mértem. A kapcsolás is végtelen egyszerű (6-7 összeköt, 7-8 közé ellenállás, 1-6 közé a nagy kondi, 1-5 közé a kicsi. 1-2 kapcsoló, 1-3 kimenet. Ennyi). És direkt próbáltam többször is, hogy a kiforrasztott alkatrészekből raktam össze a tesztpanelen.
De igazából túltettem magam ezen (valamit elszúrok, nem kérdés... de hogy mit? És mindig ugyanúgy? És csak a NYÁKon...? Lényeg, hogy most itt van előttem és működik, légszerelve, ez most így marad. A doboz kiöntésére szeretnék tanácsot kérni. Műgyanta? Hol lehet venni, tud valaki ilyen helyet? Szegeden nem is láttam ilyet, marad a netről rendelés. Más ötlet esetleg?
Ha légszerelve működik, és nyákon nem, akkor a nyákon valahol zárlat van.
Nem egy ördöngösség ez a nyák dolog. Érdemes ráfordítani a zárlat megkeresésére az időt.
Mondom, igazából föladtam. Most komolyan: 7szer készítettem új nyákot, forrasztottam újra... Gondolhatjátok, hogy MINDENT megpróbáltam ami ki tudtam ötleni, próbálkozásra, tesztelésre, zárlat keresésre. Köszönöm az ötleteket, de hidjétek el, hoyg próbáltam...
(5 napja csak ezt csinálom... és szabin voltam közben.. szóval ráfordítottam némi időt...)Inkább arra szeretnék tanácsot kapni, hogyan töltsem ki a cigisdobozt, amibe bele akarom rakni....
Alapból jó a fóliarajz amit mindig kinyomtatsz?
Nincs fóliarajz. Csak a tesztnyák. 5soros, "csíkos" NYÁK, amit a chip alatt elvágok (lekaparok, stb). Ugyamígy állítom össze a tesztpanelen is (csak ott középen ugye alapból nincs összekötve)
Egy gyors rajz (fejből): Bővebben: Link Szóval annyira egyszerű... hogy csak na. De még egyszer: mivel nem tudjátok megnézni mit rontottam el és pedig amit csak lehet kipróbáltam (tényleg!), nem is akarok rá időt szánni. Reménytelennek találom a kutatást. Megpróbálom majd mart NYÁKon hátha ott a forrasztásokat könyebb kivitelezni, nagyobb helyet hagyhatok a forrasztásoknek, miegymás. (és köszönöm mindenkinek a segítő szándékot) Most kifejezetten a doboz és annak kitöltése érdekelne. Mivel lehetne azt kivitelezni? |
Bejelentkezés
Hirdetés |




Teljesen leszoktatnak benneteket, a "józan paraszti gondolkodásról". Pedig azzal messzebbre lehet menni mint az integrálással..










