Fórum témák
» Több friss téma |
Fórum » Sziréna
Idézet: „Gyárilag az eristonon a 2db 12Ohm-os hangszóró párhuzamosan van kötve? Vagy hogy kötik hivatalosan? 1 hangszóró direktben, 2 meg párhuzamosan? Vagy 2 sorba? Én sorba tenném. de úgy meg kicsi a kimenő gőz. Szerintem.” Gyárilag az eristonra 2db 12,5 Ohm-os hangszóró megy párhuzamosan. Sorban semmiképpen. Idézet: „...vagy az Eriston tetejére írt 14A sehogy nem jön ki nekem Nem tudok akkora áramot megetetni vele.” A 14A 3 hangszóróra vonatkozó maximális áramfelvétel,gyakorlatban 3 hangszóval sem vesz fel annyit. Ersitonra 2 hsz.-val 8A körüli érték normális.
Ráengedtem 1 hangszóróra, így 12V betápnál 3,6A a felvett árama.. Tegyük fel, hogy a FETek nem melegszenek (pedig de) akkor ez 43,2W, mondjuk 35-38W lehet. Lehet, az én fülem már kuka, de keveslem a hangerőt..
![]() Na mindegy, ezt tudja, és kész. Beleuntam a szirénázásba. Vagyis 1 elektronikára akaszthatok 3 hangszórót is? Akkor még kerítek párat.
Idézet: „Beleuntam a szirénázásba” Ne add fel! Idézet: „Vagyis 1 elektronikára akaszthatok 3 hangszórót is?” Elvileg igen. Ezért is hívják Eriston 150-nek. (3x50W)
Üdv emberek.
Lenne 1 olyan kérdésem hogy annak a nevezett "szirénának" mi a neve. Olyan hogy tekerni kell és morgó hangot ad ki mint a katasztrófavédelmi sziréna csak nem árrammal megy hanem tekerni kell.
Kézi működtetésű sziréna,tábori sziréna,de legtöbb (kép)találatot kézi működtetésű szirénára a "légvédelmi sziréna" kifejezés ad.
Sziasztok! Én szeretné építeni egy olyan elektromos kürtöt ami csak egy piezo hangszórót kellene hajtania. Gondoltam hogy egy NE555 -ös IC vel meg tudnám oldani! Csak még nem tudok tervezni, áram köröket. A hangnak nem kell gyorsnak lennie. És hangosnak sem kell nagyon lenni. A hang hosszát és a szünetet egyszer beállítom, és utána nem lenne piszkálva soha.
Sziasztok!
Olyan kereskedelmi forgalomban kapható szirénát keresek, aminek van vonali bemenete, és a hangereje 100dB feletti. 12v 24v vagy 230Vos is megteszi. Elég régen keresem google barátunkban, de vagy többhangú dallamszirénát látok, vagy mikrofon bemenetes hangosbeszélőt. adatlapot, meg csak nagyon ritkán mellékelnek hozzá... Köszönöm a segítséget!
Igen, a javascriptnek vannak hibái, lassú gépeknél és terhelt hálózatoknál. Köszönöm. Én azt sem láttam, hogy dupla lett volna.
Szia!
Szinte mindegyik rendes szirénaerősítőnek van egy mikrofon és egy vonali bemenete, például az Eriston 150 is ilyen, de a nyugati cuccokban is benne van, pl. Federal Signal AS 320. (PA mode). Ide a magnótól kezdve bármit lehet kötni, legyen az jégkrém szignál vagy máv dallam ![]() De zsebbe nyúlós történet, csak az erősítő 15-20eft használtan és még egyszer ennyi a szirénatölcsér. Máris nincsen szükséged rá, jól gondolom?
De továbbra is érdekel azért kérdeztem. Viszont profi terméket keresek, amin garancia is van. Ahogy látom ez a Federal Signal AS 320 nem kapható újonnan, csak használtan...
Nekem elsősorban nem arra lenne szükségem, hogy mentőautót, meg rendörséget utánozzon, hanem, hogy egy választott hangforrásból érkező jelet, megszólaltasson ipari zajos beltéri körülmények között jelzés céljából. Én ezt találtam, de nehéz megitélni milyen minőségű: szirénaerősítő Még nézek.
Szerintem nézz körül a megafon kategóriában, ezekből a 15W-os is már tudja a 120 dB/m-t, nem hiszem hogy egyértelműen a drágább a jobb. Van amelyik felvett hangot is tud, van amelyiknek vonalbemenete van.
megafonok
http://homasita.hu/
Tudom, nincs épp közel hozzád, de ha Bp-n jársz, érdemes lehet megnézni. Van sok féle, ki is próbálhatod. Van dupla hangszórós tölcsérük is, elég brutálisak. Egy dolgot kell megjegyezni, ha 300W van ráírva, felezni kell *Viszont számlás, garis. Szia! A hozzászólás módosítva: Márc 18, 2013
Nagyon köszönöm a segítségeket! Átnézem, még az is lehet, hogy kipróbálom.
AS-320 szerintem kapható, de horror áron, a Skorpió Kft-nél.
A Homasitás cuccok, háááát, lelked rajta, ha megdöglik, sehol nem javítja senki. A ráírt adatokat egy sem tudja. Ár érték arányban egy használt (akár szirénapanel nélküli) Eriston 150 talán a legmegfelelőbb, 10-15eft-ért, tölcsérestől vagy e nélkül. Kiforrott, javítása sem ördöngősség, bár a gyártó cég épp most szűnt meg. De mentőautók ezreiben van még. A számla viszont más téma ![]() Kérdés, mennyire zajos az üzem. A szokványos autós riasztó sziréna, amit az ember baromi hangosnak hall odahaza, a belvárosi forgalomban szinte meg sem hallatszik, a hangereje núdli
Udv!
Van egy szirenam, aminek a trafoja leegett. 12V-rol mukodik a kapcsolas. A traforol letekertem a primert, ami 133 menet volt, de a szekundert nem tudom letekerni, mert annyira vekony a drot, hogy elszakad, nem jon ki az egett lakkbol. Eppen ezert nem tudom megszamolni a szekunder menetszamat. Tudom, hogy tobb kel szekundernek, mint primernek, hisz felfele transzformal. Valakinek van otlete, hogy hany menet kellene?
Szia! Amennyi ráfér... Viccen kívül...
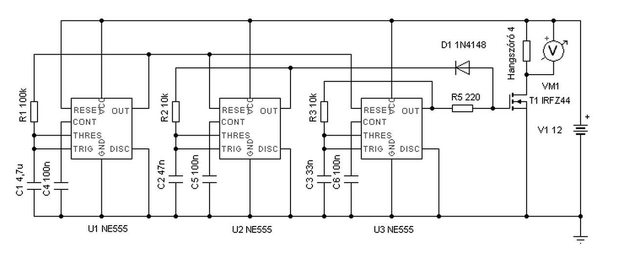
Szeretnék készíteni (minél kisebb alkatrészköltségből) egy katonai szirénát (mozgó alkatrészek nélkül). Ilyen hangúnak kéne lennie: sziréna
Hello! Én úgy hallom, hogy valami két disszonáns hang szól, szaggatottan. Valami ilyesmivel megoldható. Az R1-el az ütemet, az R2 és R3-al a hang magassága változtatható.
Sziasztok!
Megkértek, hogy szereljek be valakinek az autójába egy gyári kit szirénát. Nos ez meg is történt, működött. Beugrottam a lakásba valamiért, mire kiértem, már nem úgy működött, ahogy kellene. Sokkal gyengébben szól, de valami hangot ad ki. Végigmértem az egész dolgot, elvileg az ellenállások, diódák és a npn tranyók rendben vannak. A kürtön sincs szakadás, illetve mutatja az impedanciáját is. Néztem pár hasonló kapcsolást, amiben kimenti trafó volt, lehetséges, hogy a kürtben van benne és annak lett nyekk? Egy IC az egész lelke. CS2103CP. Nincs tippem, mi lehet a baj. Az akkumulátor természetesen nem merült le. És még annyit, közvetlen az akksira tettem, bár ha a gyújtásra kötöm, az ugyan az, mert akkor csak, akkor menne ha van gyújtás. Sajna kapcsolási rajzom sincs, gúúgli se segít Várok minden hasznos tippet, hátha valamelyikőtök jártasabb ilyen téren. Kellemes hétvégét mindenkinek, élvezzétek a jó időt! ;D Miklós A hozzászólás módosítva: Máj 24, 2014
Sziasztok !!
Még új vagyok itt és ez lenne a kérésem Nekem egy olyan kapcsolásra lenne szükségem ami a Rendőröknek van az a Bizonyos prüntyögö (brrr-brrr) hang ami igazoltatásra szoktak használni Nekem ez a hang kellene hordozható változatba,kicsi tölcséres hangszóróhoz Minden megoldást elfogadok Üdv:Tibor
Air horn a hang neve, ebben a fórumban páran már készítettek ilyent, ki lett tárgyalva, ha visszaolvasol.
Üdv!
Egy egyszerű szirénát szeretnék építeni, amiben egy potival tudom a hangszínt szabályozni. Ehhez kérnék segítséget. Előre is köszönöm!
Milyen hangszórót szeretnél vele meghajtani?
Nem baj ha tranzisztoros?
Nemis tudom...egy 8 ohmosat talán?! Mindegy. És nem baj ha tranzisztoros
Sziasztok
*** Ennek az Apróhirdetési rovatban a helye! A hozzászólás módosítva: Aug 10, 2015
Sziasztok.
Olyan kérdésem lenne mi van olyankor ha egy Signal kültéri egység nem villog ,pedig eddig üzemszerűen csinálta. Mai nap éppen fent voltam olyan magasan és egy kis kocogtatásra egy ti-di-di-di dallamot játszott. Elromlott ? Azt nem tudom mióta nem villog ,csak ma vettem észre.
Szia!
Legtöbb érdekes tünetet a döglődő akku okozza általában. Évekig rá se néz senki, aztán amint jönnek a hidegek, jönnek a fura tünetek... Ha új benne az akku, nem szóltam |
Bejelentkezés
Hirdetés |
















