Fórum témák
» Több friss téma |
Egy kis kiegészítés a párásító leírásához: A képen szereplő kapcsolás eléggé egyszerű, azt hiszem utánaépítése nem okoz gondot. Figyelem! A tranzisztor emitterkörében levő induktivitás a gyári készülékben (masszírozó) csak 10 mikroHenry lehetett, mert a felirat rajta 100, amit én vettem 100 uH, azon 101 van, tehát a 3. számjegy a nullák számát jelzi. Nem gond, a nagyobb tekercs erősebb jelet ad, a vele párhuzamos kondenzátor értéke 4,7 nanoFaradra csökkenthető, jól láthatóan több a pára ezekkel az értékekkel. A tekercs házilag is elkészíthető, akármilyen ferrit vasmagra 50 menet kell 0,5 milliméteres huzalból. Ugyanez a tekercs jó a kapcsolóüzemű táphoz is. A 1,5 Voltról működő kapcs. üz. tápegység trafója 2x 100 menet, az egyik a kollektor és a telep, a másik 470 ohmon keresztül a bázis és a telep között van. Az a cucc, ami a gázgyújtóban van, az lehet, hogy egy az egyben jó, mert körülbelül 24 voltot ad, de nem nagyon terhelhető. Azzal feltöltött 470 nanoFarados kondenzátort sütögeti rá egy tirisztor egy másik, nagyon nagy áttételezésű gyújtótrafóra, úgy jön létre a szikra. Ilyen alacsony tápfeszültségre még nem készítettem kapcsolóüzemű tápot, de azt hiszem megoldható. Esetleg több cellát tartalmazó telep alkalmazása nálad nem megoldható?
Vettem IRF 840-eket. Ha nem írok ez ügyben többet, akkor jó lett. Ha kigyulladt a házam, akkor majd sikítok. Esetleg majd akkor egy új topikban megkérdezem miért égnek le ebben a kapcsolásban a BU508-ak és 2508-ak is.
Még egy valami Zoli: A teljesítményt úgy tudod beállítani, hogy a tápfeszültséget megszaggatod. Akár egy kettő tranzisztoros astabil multivibrátorral. De ha neked jobban tetszik, lehet IC-vel és egy áteresztő tranzisztorral, vagy FET-tel. A kitöltési tényezőt kicsire kell állítani. Ezt legegyszerűbben a kondenzátorok arányával lehet beállítani. Ha nincsen folyadékszint érzékelőd, a piezo olyan 5 W felett veszélyesen felforrhat. Hidd el nekem, hogy ultrahangos párásítóba semmilyen más kapcsolás nem működik, csak az, amit én feltettem. Tehát először csinálsz a 3 Voltból 24-et kapcsolóüzemű táppal. Azután az általam közölt egyszerű kapcsolás annyi ködöt fúj, amennyit csak akarsz, feltétel, hogy a megfelelő tranzisztort építsd bele. Működik a dolog FET-tel is, csak ott gondoskodni kell arról, hogy a Gate elektródája nehogy 5 voltnál(esetleg 10V) többet kapjon. Emiatt ahhoz ennél bonyolultabb kapcsolás kell, a Gate elektróda feszültségét egy zéner diódás, vagy egy 7805 stabilizátorról osztod le, (A tranzisztorosnak a bázisosztója helyén 5,6k és2,4k) az értékét potenciométerrel be lehet játszani, A FET is nagyon jól ködösít, én IRF540-el csináltam, csak masszírozónak nem jó, mert nyomásra leáll. Nem túl sokféle tranzisztorral működik a dolog, nekem a BD 139 és 239 jött be, a nagyobbak nem gerjednek be. Hűteni mindegyiket egyformán kell, mert itt szinusz jel van, kapcsolóüzemről tehát itt szó sem lehet. Ha rám hallgatsz így építed meg, ahogy tanácsoltam. Sok sikert!
Sziasztok!
Átolvasván a topicot, ami szerencsére nem túl hosszú és lényegretörő, arra a döntésre jutottam, hogy szeretnék építeni magamnak egy ultrahangos diszpergálót. Ez egyszerűbben elmagyarázva: a víz kis elemekre való bontásával keveri össze az olajat a vízzel vagy fordítva. Utánajártam ezeknek a gépeknek a frekvenciájának és megegyezik a párásítókéval. Annyi különbség van bennük, hogy a teljesítményük 100W és egy titán rúd vezeti a rezonanciát a folyadékba. Kipróbáltam egy kozmetikai ultrahangot és valóban az is megmozgatta a vizet pedig az 1 MHz-en üzemelt és kb. 1W teljesítménnyel. Mivel ez a gép újonnan elég drágák, ezért nem probléma, ha esetleg drágább az áramkör. Ha valakinek volna kedve segíteni nekem azt meghálálnám. Nem csak szóban. "Semmi buz...s"
Sziasztok!
Az baj,hogyha egy 650mA (24V AC 16VAMAX)-os adapterről üzemeltetek egy 24 voltos, ultrahangos párásítót,ami 800-850 mA-t venne fel?
Hát jó eséllyel elszáll az adaptered, kivéve, ha teszel az adapter és a párásító közé egy áramgenerátor kellene, de mindenképp javasolnék egy nagyobb adaptert.
Hali!
Olvasgattam most rengeteget megint a piezókról, meg szétszedtem 2 UH párásítót és egy kozmi UH-ot. Minden esetben egyenirányítás van. Olvastam a hozzászólásodban, hogy szinusz jel kell. Te egyenirányított szinuszjelre gondolsz?
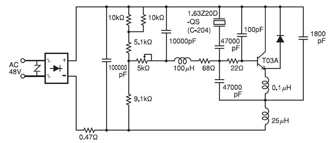
Bár kicsit későn, de ha a rajzon lévő kiegészítések szerint működik, akkor gáz.
Nem. a piezón mindig színuszt kell látni oszcilloszkóppal.
A rajz csak skicc. Azért, hogy én értsem a működését. A készülék gyári, és működik, annyi különbséggel, hogy a Bu tranzisztorok helyett IRF 840-eket tettem. Azokkal még csak nem is melegszik. Nem volt a gépre azóta több panasz, a Fet-ek beváltak. Természetesen ellen-ütemben működnek, felváltva nyitnak, nem egyszerre. A trafó bekötést a rajzon nem jelöltem, ugyanúgy, mint a vezérlést sem ismerem, mert az egy műgyantával kiöntött valami, de közönséges astabil multivibrátor lehet benne, mert 2 potenciométerrel állítható a frekvencia.
A készülék tehát működik, elrajzolás viszont nem kizárt, de jól megjavítottam.
Azóta már rájöttem, hogy hogyan csinálják. A kozmis UH-ban egyenárammal hajtják a piezot de 2 50% kitöltésű ic végzi a dolgot. Így alakul ki a szinusz jel.
Nem tudom, mert amiket én szétszedtem, azokban mindben vagy kondi, vagy trafó volt a piezóval sorban, ezért eleve nem juthat a piezóra egyenfeszültség.
Sziasztok!
Valaki tudna segíteni abban, hogy hogyan tudnám áthangolni ezt az oszcillátort 1,6MHz-ről 20kHz-re? Vagy esetleg van valakinek egy ultrahangos mosó oszcillátora? A hozzászólás módosítva: Aug 17, 2013
Sajnos ezekben a piezó határozza meg a frekvenciát. 20 kHz-re már nem gyártanak önrezgőt, teljesen át kell alakítanod mindent, a piezó sugárzó cseréjével kell kezdened, aztán, ha van, utána készíthetsz hozzá ahhoz hasonló gépet, mint ami az ultrahangos zsírbontó kozmetikai gépekben van. Milyen teljesítményre kell?
Nos sikerült szereznem egy 100W-os 230V-os piezzot. Akkor azt mondod, hogy állítsam elő a jelet egy sine wave generátorral, majd azt kössem rá egy audio erősítőre. Féltem, hogy így kellene, de ez sokkal nagyobb beruházás lesz.
Ékszertisztítóra gondolsz? mert olyat szedtem már szét, le is rajzoltam, mi van benne, önrezgő az is, és egy relé kapcsolgatja ki-be, de frekvenciát nem mértem abban, nem tudom, mennyin rezeg a piezo sugárzója.
Az én piezzom így néz ki. Ilyenek vannak az ultahangos mosókban, a nagyobbakban. A kapcsolgatós relé módszerrel már találkoztam mikrohullámú sütő elektronikában, de az meg 1400MHz-en fut.
A hozzászólás módosítva: Aug 17, 2013
Sőt kell egy transzformátor, ami neked a 230 voltot ezen a frekvencián tudja leadni. Esetleg meg lehet próbálkozni négyszögjellel, nem tudom, hogy az a piezo hogyan reagál rá, mert ha 20 kHz-es lenne, akkor ő önmaga színuszosítana is egyben.
Tudom hozzá ajánlani valamelyik régi képcsöves televízió hálózati transzformátorát, a 12 voltos oldalon megszaggatod az áramát egy FET-tel, és egy 220 voltos izzóval megkeresed rajta a neked megfelelő feszültségű tekercset, amiről majd hajtod a piezo rezgő fejet.
Hát a négyszög jel nem jó, mert egyet már megsütöttem vele és nem olcsó. Ilyen teljesítménynél 1mp-alatt leég, ha nem jó a jel. Akkor inkább úgy csinálom, hogy előállítom a sinuszjelet, majd azt kapcsolom az erősítőre. Ezt úgy gondoltam, hogy a számítógép hangkarijával megoldom a szinusz jelet, amit átküldök egy audió erősítőn és, ha nem tudok építeni 230V-os végerősítőt, akkor egy kisebb feszültségű után, de nagyobb teljesítményű után teszek egy trafót.
Igaz is! Abban pont olyan trafó van ami nekem kell. Van egy mikrohullámú trafóm, de azon egy kicsit nagy a secunder feszültség. A szaggatást fázishasítással gondoltad?
A hozzászólás módosítva: Aug 17, 2013
Rendben, akkor próbáld ki úgy. Utólag is egy rezgőkörrel lehetne színuszosítani a jelet, azért volna jobb, mert nem melegedne az erősítőd, viszont azt nem tudom hogy kell kiszámolni.
Köszi a segítséget. Majd, ha nagyon melegszik, akkor kitalálok naki valamit. "Teszek az erősítőre egy bazi nagy ventillátort
"
Nem, törpefeszültségre gondoltam, de ha nálad érintésvédelmi szempontból rá lehet szabadítani a 220volt hálózati feszültséget, akkor is egyenirányítani kell, ha pedig le kell választani a hálózatról, mert megérinthető helyen van, akkor is kell hozzá1:1 leválasztó transzformátor.
A hozzászólás módosítva: Aug 17, 2013
Ha inverter kapcsolást keresel, megnézheted ezeket: inverterek Az a gond, hogy mindegyik négyszögjelet állít elő. Már a kozmetikai gépek piezójánál nem volt ez gond, a lényeg ott a 40 kHz volt, és a piezo önmaga színuszosította a jelet. Azok a kínaiak túl vannak bonyolítva, törpefesz.-ről a te életed is jobban biztonságban van, amíg kísérletezel. Építettem generátort 555-tel, de annak még egy kicsit formázni kell a jelét, hogy szép négyszög legyen. Lehet építeni multivibrátort hagyományos tranzisztorokkal, és kapni erre a célra FET-ek meghajtására cél IC-t. Választhatsz, hogyan szeretnéd előállítani a vezérlő jelet. Színuszjelet fázistolós R-C, vagy L-C oszcillátorokkal lehet előállítani (Vagy kvarccal, amit erre a frekire nem találsz.) Színuszjeles vezérlésnél hátrány, hogy ott iszonyú mennyiségű energia fog hővé alakulni, gondoskodni kell a nagyon intenzív hűtésről. Inverterekben ezért sehol nincs színuszjel. Esetleg a legvégén színuszosítanak.
Először nekem is az volt az ötletem, hogy egy L-C oszcillátorral állítom elő a jelet, majd az erősítem meg, de ez ott vetettem el, hogy nagyon nehéz 20-25 kHz felett jelet erősíteni. Szimulátorban próbálkoztam az általam említett kapcsolással és egész jó eredményt kaptam. Majd este felteszem a kapcsolást, mert az előzőről lemaradt. Bár találtam a cikkek között egy invertert, de annál nem jöttem rá, hogy hogyan lehetne a frekvenciát megnövelni. Elvileg az az IC is elmegy 250 kHz-ig.
Egyébként hogyan tetted tönkre négyszögjellel azt a fejet, ha még géped sincs? Ha egy kicsit visszaolvasol, megtalálod a kínai Cavi-Star kozmetikai zsírbontó általam, egy gépről kirajzolt kapcsolási rajzát. Olyasmit építettem én is, de jóval egyszerűbben. A kínaiban is négyszögjel a vezérlés, van a kezelőfej előtt egy fojtó, a sorkapcson van egy lehetőség, hogy azon át is lehet a jelet a kezelőfejre adni, onnan tudom, hogy oda szánták volna, de azt sosem kötik be, én az enyémet nem működtetem 310 voltról, kínaiban egyébként 1:1 a trafójuk áttétele, ellenben nálam csak 12-24 volt DC, akkor az a triacos szabályzás sem kell, a teljesítmény egyszerűen állítható a tápfesz. változtatásával. Mindjárt teszek fel egy fényképet, milyen egyszerűen megoldható az egész. Az izzó helyére egyszerűen bekötöd a piezo fejet, cseppentesz rá vizet, és megkeresed annak a rezonanciáját, ahol a legerősebben pezsegteti, ott hagyod a frekvenciát, ennyi. Az egyik trimmer poti a frekvencia, 15-55 khz között, a másik a szimmetria.
Én először egy sima PWM-el próbálkoztam 50%-os kitöltéssel és úgy sikerült megsütni a piezot. Az én piezzom csak 230 V-ról üzemelt ezért ennyivel hajtottam meg. Azaz 230 DC-vel.
Én valahogy így képzeltem el a kapcsolást, de találtam már jóval egyszerűbbeket is. Tényleg a piezo szinuszosítja a négyszög jelet, mert ugye a piezonak kapacitása van és csak minimális ellenállása. Tehát, ha csak nagyon rövid ideig tart a jel azaz kb. T=0,01s akkor a csúcsok között a piezo fogja leadni a feszültséget. Ha nem nagy kérés akkor feltennél Te is egy rajzot, mert néztem a zsírbontó rajzát, de abból nem sokra jutottam. |
Bejelentkezés
Hirdetés |

















