Fórum témák
» Több friss téma |
- Ez a felület kizárólag, az elektronikában kezdők kérdéseinek van fenntartva és nem elfelejtve, hogy hobbielektronika a fórumunk!
- Ami tehát azt jelenti, hogy a nagymama bevásárlását nem itt beszéljük meg, ill. ez nem üzenőfal! - Kerülendő az olyan kérdés, amit egy másik meglévő (több mint 17000 van), témában kellene kitárgyalni! - És végül büntetés terhe mellett kerülendő az MSN és egyéb szleng, a magyar helyesírás mellőzése, beleértve a mondateleji nagybetűket is!
Üdv !
Be lehet egy 100r ellenállást, egy 100r/2w -ossal helyettesíteni ? köszönöm
Üdv,
van egy 22 V-os DC motorom. 12 V-os akksiról működtetem, így üresen 1400-at fordul. Közepes terheléssel használom így 1A-t vesz fel. Ha a teheren nem változtatok, és állóhelyből fokozatosan kapcsolom rá a feszültséget, 1V-nál már hallom, hogy zúg, de még nem forog. Ha ilyen állapotban marad leéghet?
Hello!
Sehogy. Egy végfok adott ellenállású terhelésre és teljesítményre van tervezve. Tápfesz, tápáram, túláramvédelem, végtranyók, hűtés, stb-stb... Nem multiméter dolog. üdv! proli007
Hello!
Ha közben a motoráram, vagy a teljesítmény nem lépi túl a névleges értékét, nem. Csak éppen sok értelme nincs a dolognak. üdv! proli007
Sziasztok!
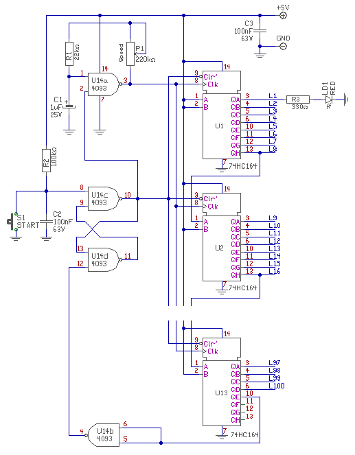
Segítséget szretnék kérni egy ledsor vezérléséhez.100db ledet kellene felgyújtanom, változtatható sebességgel, ezt egy 555 megoldja.10db 4017 összefűzésére gondoltam, de nem tudom hogy kellene, és ráadásul a 100.led begyújtása után az egésznek ki kellene aludni, és az 1. impulzusra újra indulni. Úgy emlékszem, proli007 mester már megrajzolta, de sajnos nem találom. Köszönöm a segítséget. Üdv: Csupasz
Ha az összeset ki akarod gyújtani akkor a 4017 nem lesz jó. Az csak számláló. Egy sift regiszterrel meg lehetne oldani. Pl.: 74hc595. A legelső DS-t felhúzod egy ellenállással magas szintre. Az órajelet vezérli az 555-ös. Az órajel közös. Az első Q7' kimenetét kötöd a következő DS bemenetre. Az utolsó Q7' kimenettel egy tranzisztoron keresztül alacsonyra húzod az MR (reset) lábat. A resetet előzőleg magas szintre kell húzni egy ellenállással.
Bocsi. Az általam javasolt típus nem jó. olyat kell keresni amiben csak 1db regiszter van!
Sziasztok,
Rendszerhűtő ventillátor-nak nagyon otromba megoldás, egy 9voltos trafó és egy diódahíd kombója? Működhet így huzamosabb ideig vagy ez így nem maradhat? Köszönöm
Hi
Teljesen jó egy puffer gondival, de a táp már nem bírná el??
Egy motorlámpát szeretnék kiváltani LED-ekkel.
Mennyi mcd felel meg 1w izzó teljesítménynek? Köszönöm!
Köszönöm, rakok is egy kondit oda.
A táp elbírná, de nem nagyon akarok az erősítő tápjába belerondítani.
Eddig azt hittük, hogy számítógépről van szó.
Elnézést, írni akartam.. Azt hittem írtam is de elfelejtettem.
12voltos ventiillátor erősítőbe. Elnézést még egyszer.
Üdv
Egy kérdésem lenne. Egy LCD Tv-nek (divx-es, usb-s) az usb csatija kb. milyen terhelést képes leadni? Van egy Raspberry PI-m, amit ide szeretnék kötni, hogy a tv bekapcsolásakor a raspi is bekapcsoljon, és ne kelljen neki külön "fali"táp. A raspi-nek 5V, min 700mA -es táp kell, most is egy ilyen telefon töltőt használok hozzá. Köszi
1W LED kb 5W izzó.
De! Az 5W-os LED nem 25W izzó. Jó ha 20W. Olyan modul kell ami pl. 10x1W LEDből áll.
Szerintem a normál a ledek- amikre gondolsz- nem elég fényesek. Power ledet lenne célszerű használnod, aminek a teljesítményét watt-ban a fényerejét pedig lumen-ben adják meg és nem mcd-ben.
Sziasztok!
Van (volt) egy DT838 típusú multiméterem. Hőmérséklet mérésére használtam huzamosabb ideig, és nem akartam elemeket cserélgetni, ezért rákötöttem egy tápegységre, amit még régebben készítettem. Szépen beállítottam rajta a 9V-t, rádugtam multimétert, és működött is elég sokáig. Egyszer csak elszállt. Külsőleg semmi égésnyom nem látszik az áramkörön. Elkezdtem méricskélni egy másik műszerrel, amit tudtam, de igazából még én sem tudom, milyen hibát keresek. Van benne néhány ellenállás, egy dióda, egy tranzisztor, egy 8 lábú IC (vagy valami bigyó: XRA 10358), és egy 40 lábú IC, ami azzal a klasszikus fekete pöttyel van lesütve. Valamint egy kijelző, néhány kondi, 3 potméter, egy hangszóró, és egy biztosíték. Azt hiszem, mindent felsoroltam. Ha nem az IC-k vannak elszállva, azt hiszem, meg tudnám javítani. Valaki tudna segíteni, hogyan tudnám kideríteni, hogy hol a hiba? A táplálást ellenőriztem, és rámegy a kapcsokra a 9V, és a műszer kattogós kapcsolója is működik. Előre is köszönöm a segítséget!.
Ezek nagy fényerejű LED-ek, ilyenből vannak a kocsik pótféklámpái is...
Pl:Bővebben: Link
Ha rám halhatsz, akkor nem 17 fokosat veszel hozzá hanem 60 fokosat. És nem víztiszta foncsorosat, hanem vöröset.
Most csináltam táblát, nekem elhiheted. Mi a Perceptől rendeltünk, de a Lomexban is van hasonló paraméterű Kinbright led.
Üdv az lenne a kérdésem hogy egy mikró hullámú sütő trafóból lehet-e újra tekercseléssel "normál" trafót készíteni ? Illetve hogy a szétszedés miatt el kellet vágnom a hegesztés mentén az oldalát kb 0.5 cm vastagon ez befolyásolja-e a működést ?
Hello!
Amire gondolsz, azt pld. reklám file néven találod. De megrajzoltam úgy ahogy talán szeretted volna. üdv! proli007
Jogos!
Ne hagyd, magad, mert ezen az oldalon nagyon sok túl okos ember van! Amúgy van ilyen elektronika, valahol én is találkoztam vele, azt keresem éppen.
Halihó!
Fényorgonával van problémám, bekapcsoláskor felvillan aztán nem csinál semmit, és nem reagál semmire. Ötletem az, hogy a kapcsolóval lehet gond. Valami megoldás?! * *
Köszönöm a segítségedet,erre gondoltam.
Üdv: Csupasz
Sziasztok!
Teljesen kezdő vagyok, így egy elég gyerekes kérdésem van: Honnan tudom meg, hogy az egyes SMD illetve furatszerelt elemeknek, melyik az 1-es lába, anódja katódja stb. Azt tudom például, hogy az SMD LED-en van egy zöld pötty de azt nem, hogy az most éppen az anódot vagy a katódot jelenti. Diódán van egy csík arról sem tudom, hogy melyik végét jelöli. Van erre valami törvényszerűség, vagy logika? Köszönöm a választ! Üdv: Ádám
Hello!
Ez segít: Mindenamielektronika.mp.eu Legalul megtalálod. Szerintem nincsen nagyon logika a gyártók így határozták meg
Törvényszerűség: Megnézed az adott alkatrész adatlapját.
De pl. LED eseteén az anód a hosszabb láb. Dióda esetén a gyűrű a katód felé van. SMD jelölés ugyan így. Elkó kodik jelölése is egységes. IC-k esetén mindig kell az adatlap.
Kedves davidroyal, ha segítséget akarsz, a fóruom írj, linkelj be egy kapcsolást, és megnézzük, hogy rossz e, de ajánlom figyelmedbe EZT a topicot!
Üdv!
Szia,
És ha egy 22V-os DC motort 25,5V-ról működtetek folyamatosan, de sem a teljesítmény, sem az áramerősség nem lépi túl a névleges értéket (esetleg talán indításnál egy kicsit) az gond lehet a motornak? Vagy használjak inkább fesz.szabályozót, vagy egy előtétellenállást? |
Bejelentkezés
Hirdetés |





Legalul megtalálod. Szerintem nincsen nagyon logika a gyártók így határozták meg 




