Fórum témák
» Több friss téma |
Fórum » Csöves erősítő készítése
Ne feledd betartani a fórum viselkedési szabályait, és a topik megmaradásának feltételeit. [link]
A téma átmenetileg fagyasztva lett, hozzászólni nem tudsz!
Nekem az új csövekkel led nélkül is majdnem ilyen, a segédrács az első pár tíz üzemórában gyönyörű lilás ködben pompázik. Amit a kék led sajnos elnyom, szóval én ezért is nem tettem alá.
De ez csak az első pár 10 óra, de mi van ezen pár 10 óra eltelte után ????
Nem tudom, nem hallgatom sokat, nekem még mindig így világít. Mondjuk a 6P3Sz-nél mindig megmarad, ez is érdekes.
Mert mocskos az anyag
Ez semmi. Nekem az egyik 807-es kékes lilán világít, illetve nagy kivezérlésnél a zene ütemére villog...
Szerintem ez a jelenség a sugártetródáknál van így, mert a 6P3Sz is azt csinálja. Szinte az egész burát megvilágítja, nagyon kicsit lilás, kék fénnyel.
Csöves és csöves erősítő közt van-e bármilyen hangzásbeli különbség?
Az attól függ, hogyan sikerült beállítanod. Ahogy mindent, ezt is be lehet állítani, így is, úgy is. De egyáltalán mit értesz "csöves hangzáson"? Csak nem a rosszul beállított (tervezett) erősítő enyhe másodfokú jelleggörbéből adódó torzításaira gondolsz?
Ahogy a tranzisztorosok közt van, természetesen itt is! SE, PP, OTL közt, a csövek gyártói közt, trióda és tetróda közt, az alkatrészek minősége közt, de a kimenők közt meg pláne!
És a másik nagyon fontos dolgot kihagytam, maga a kapcsolástechnika!
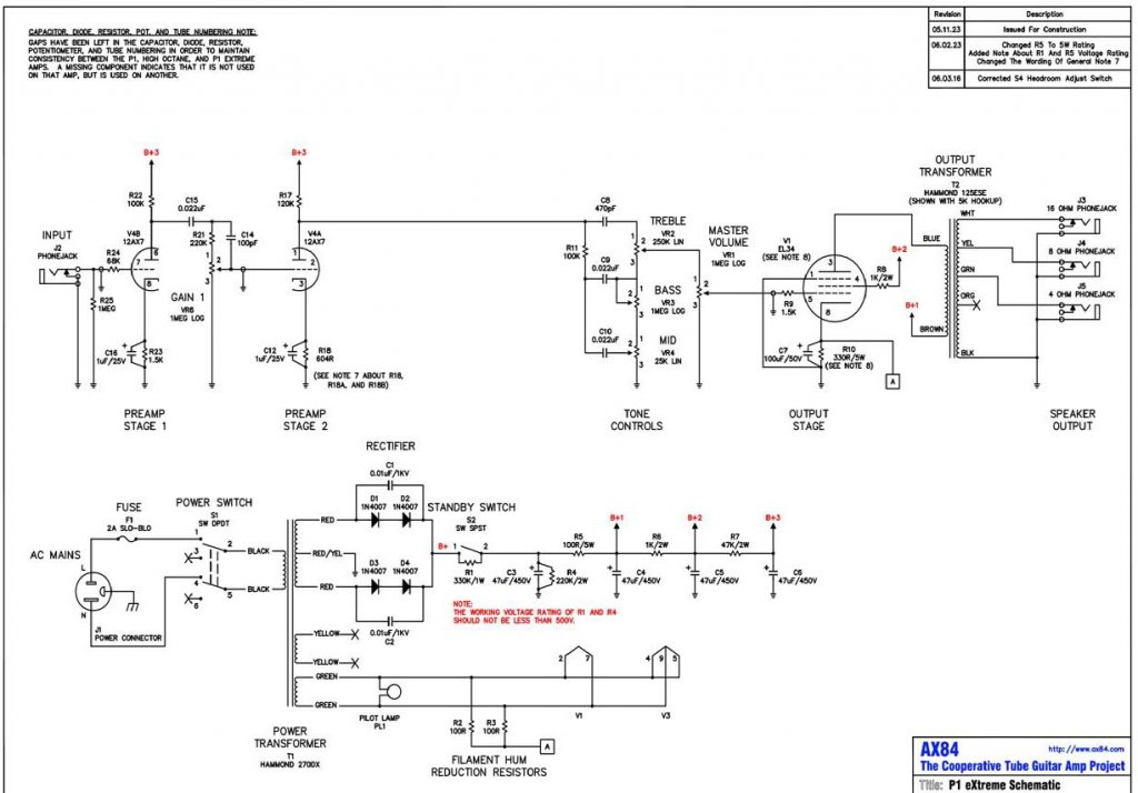
Értem, a kapcsolás át lett tervezve el34-re(csatoltam).
Esetleg valaki megnézné, hogy jó-e így? Bár van 6p3s is raktáron
Szia!
Mivel külön előfeszültségel állítod be a végcső munkapontját, a hangerőpoti leszedőjével sorosan be kell építeni egy párszáz nF csatolókondit :yes: Az előfeszültség is úgylátom, alacsony, de gondolom szabályozható lesz...
Ez volt a terv, de eszembe jutott, hogy van itthon egy 6p3s is. Az viszont tetróda, szóval inkább azzal építem meg.Az eredeti rajzban is tetróda van, ott nincs negatív előfesz. Lehet maradnom kéne inkább az eredeti rajznál csak 6p3s-el megépítve.
Egyébként az El34 adatlapja -13.5V-ot ír és úgy 2k az illesztés, akkor kiad 11W-ot. Ha nincs negatív előfesz az nem teszi tönkre a csövet?
Előfeszültség nélkül nagyon megnő az anódáram, felizzik az anód, és pillanatokon belül tönkremegy a cső
Az eredeti rajzban ezt a katódkomplexum állítja elő...Idézet: Ez így igaz, de a Te kapcsolásodban 380V az anód és a segédrácsfeszültség is közel ekkora értéket vesz fel, az adatlapi ajánlás pedig 250V-ra vonatkozik... „Egyébként az El34 adatlapja -13.5V-ot ír és úgy 2k az illesztés, akkor kiad 11W-ot.”
Mélyen tisztelt Hölgyek Urak!
2 db. EL41-es végcsőhöz készült kimenő trafóra lenne szükségem! Ha valaki tud ilyet kérem keressen meg. Tisztelettel.: kolbika
A 470R+100µF-ra gondolsz? A forrlécen rajta van a biztonság kedvéért, mert még nem döntöttem el milyen cső menjen bele, de azt hiszem maradok az eredeti rajznál 6p3s-el megépítve. Egyébként anódfesz nálam 300V körül van. Ehhez kell valamit módosítanom?
Keresd meg fleta nevű fórumozónkat , ó tud neked tekerni.
Uraim!
Tanácsra lenne szükségem, mivel kezdő gitáros vagyok ezért szerintem felesleges egy profi cucc. Annyi megkötésem van csak, hogy csöves legyen. Kipróbáltam már pár erősítőt, de nem ment mindegyik. Mivel az elektronikához semmi köze sincs a szakmámnak, ezért valami egyszerű után néztem. Valóban kevés alkatrészből áll a kapcsolás, de szeretném azért egy kicsit komolyabbá tenni. leginkább a kimenő teljesítmény szempontjából. Az elgondolásom az, hogy fogok 2 db El34-et és ezeket párhuzamosan kötöm. Pár dolog viszont nem egész világos. Ilyenkor az illesztendő ellenállás feleződik tudomásom szerint. De a nyugalmi áramot hogy célszerű megoldani? Előfeszültséggel vagy úgy ahogy a rajzon is van, katódkomplexummal? Csatolom az eredeti rajzot, valamint az én elképzelésemet. Azt mondják, hogy ennek nem lesz nagy gainje, inkább csak egy enyhe overdrive. Mit gondoltok, az előfok elé betéve egy booster fokozat javítana a helyzeten? Anód fesz max 270V lesz. Esetleg, ha valami hiba van alkatrész értékekben vagy bármi nem stimmel kérem jelezzétek.
Szerk:
Sajnos az előző hsz-t már nem tudom módosítani, a kérdést egyszerűbben tenném fel. Átlehet-e úgy alakítani ezt a kapcsolást, hogy 2 db El34 legyen benne?
Helló !
Nem tudná valaki elmagyarázni hogy mi a szerepe az anódellenállással párhuzamosan kötött kondenzátornak ? Mert néha lehet találkozni ilyennel, és oda van írva melló, hogy milyen fajta (kerámia, stb.) oldják ezt meg. Ezek szerint beleszól a hangba ?
Felső határfrekvencia beállítására szolgál, kapcsolástól függően vagy az egész erősítőnek, vagy csak az adott fokozatnak. Beleszól a hangba. Mezei kerámiát kerülném.
A hangba nem tud beleszólni, mert nincs hangja.
Az anódellenállás kialakítása különböző lehet, annak érdekében, hogy egy erősítőfokozat frekvencia, és fázismenetét befolyásoljuk. Ezért különböző impedanciákat tehetünk az erősítőkbe. Az anódellenállással párhuzamos kondenzátor pl. csökkenti az átvihető sávszélességet, ami előnyös lehet egy olyan esetben, ha a csővel igen kis frekvenciákat kell erősíteni. Ez az eset nemigen fordul elő, mert az erősítőknél általában a sok párhuzamos kapacitás okoz gondot, csőkapacitások, szerelési szórt kapacitások, amik mind csökkentik az átvitt frekvencia sávot, és magasabb frekvenciák felé növelik a fázistolást. A fázistolás (futásidő) következményei pedig már valóban torzíthatják az eredeti hangképet, mert ha ez az erősítendő frekvencia sávba esik, akár zavaró is lehet. De bizonyos esetekben ez lehet cél is. A másik hatása a nagy fázistorzításnak, hogy növeli a gerjedésveszélyt, különösen, ha már van a kapcsolásban más visszacsatolás is.
Nekem is úgy tűnik logikusnak, hogy nem szólhat bele a hangba.
De lehet hogy amikor egy kapcsolást visszarajzolnak lelkes amatőrök, akkor odaírják hogy milyen típusú alkatrész az, mert nem tudják van-e jelentősége ? A gyártó meg lehet azért használta, mert abból volt neki tonnaszám ? De ezek szerint ezt is ki kell próbálni, aztán amit hallok, az van.
Ha jó a hangzása , akkor jó! Egy csöves erősítőnél szerintem felesleges elvárni , hogy már 10Hz től vigye a hangokat, azt már úgysem haljuk (máraki)
Ebből az is látszik, (pontosabban nem látszik ugyan, mert a fázisforgatás nincs ábrázolva) hogy kb. 2,5 kHz -en a fázisforgatása már 45 fok. Ezzel pedig a stabilitásnál (gerjedés) már számolni kell.
Regényeket lehet írni, de a fizika hála működik. Igenis van különbség alkatrészek hangminősége között, de ez nem akkora, amit sokan kihasználnak.
Idézet: „Az anódellenállással párhuzamos kondenzátor pl. csökkenti az átvihető sávszélességet, ami előnyös lehet egy olyan esetben, ha a csővel igen kis frekvenciákat kell erősíteni.” Ugyanezt írtam, csak másként
Ez így van, de mire elküldtem hozzászólásom, a tied már ott volt. Az alkatrészeknek van hatása az erősítők átvitelére több kevesebb, de egy alkatrésznek hangot tulajdonítani nem lehet. A hang az akusztikus fogalom, az alkatrészeknek meg csak elektronikus hatása van
|
Bejelentkezés
Hirdetés |



Az eredeti rajzban ezt a katódkomplexum állítja elő...
