Fórum témák
» Több friss téma |
- Ez a felület kizárólag, az elektronikában kezdők kérdéseinek van fenntartva és nem elfelejtve, hogy hobbielektronika a fórumunk!
- Ami tehát azt jelenti, hogy a nagymama bevásárlását nem itt beszéljük meg, ill. ez nem üzenőfal! - Kerülendő az olyan kérdés, amit egy másik meglévő (több mint 17000 van), témában kellene kitárgyalni! - És végül büntetés terhe mellett kerülendő az MSN és egyéb szleng, a magyar helyesírás mellőzése, beleértve a mondateleji nagybetűket is!
Használd a "Keresés"-t, erről a témáról hetekig olvashatsz jobbnál-jobbakat!
Hello!
Ez tényleg nem egy igényes kapcsolás, de az illendőség kedvéért, (hogy az IC bementi áramok keltette hibafeszültség azonos legyen) R15 - R17 - (R5+R6) párhuzamos eredőjét lehet a neminvertáló bemenettel sorba kötni. Vagy is kb. 4,7kohm-ot. üdv! proli007
Hello!
Örülök, ha segíthettem. Szép, és igényes lett. (kivétel azt az egyetlen átforrasztást) üdv! proli007
Ha esetleg valakit érdekel gyári IGBT kit...
Amit tartalmaz: 4db G30N60 igbt, 2db RURP 1560 dióda, 4db 18V zener, 1db impulzustrafó. 6000Ft. http://kepfeltoltes.hu/120827/003_www.kepfeltoltes.hu_.jpg
Sziasztok!
Van egy 150wattos Marshall AVT 150 előfokcsöves gitárerősítő fejem, amihez szeretnék készíteni egy 212-es ládát. A fej 4 vagy 8 ohmos. Van 2db Fender egyenként 50 wattos 16 ohmos hangszóró. Ebből a két hangszóróból csinálhatok/csináltathatok-e olyan ládát ami használható és nem sül meg? Idézet: „Milyen forrasztópáka ajánlotok smd forrasztáshoz. Fontos hogy vékony legyen a hegye meg,....” Ezt gondolt át mégegyszer. Az SMD tág fogalom. Az a vékony hegy itt bizonyos esetekben pont, hogy nem jó.[off] De ennek a témának van saját topic.
Szia!
Köszönöm szépen! Sajnos a táprésznél vétettem egy kis hibát, de viszonylag tűrhetően sikerült orvosolni.
Ha ráér kb. 1, 1.5 hónapot nekem lesz több darab.
Párhuzamosan kapcsolva a két hangszórót használható lesz, de nem tudod kihasználni az erősítőt csak max . fél teljesítményig. Jobb lenne ha 4 db ilyen hangszóród lenne, lényeg, hogy jobb lenne 200-250W-nyi hangszóró.
Sziasztok!
Egyik ismerősöm már 2 éve a laptopját egy kis gitárerősítőn hallgatja. (Csak ez van neki.) És nemrégiben észrevette, hogy nagy lett az alapzaja. Szerintem nem az erősítőnek lett baja, mert a kábellel elég hangos mondhatni rádióhullámokat hallani, de azt kihúzva szinte hangtalan. (Elmondása szerint az a kábel megtört és édesapja forrasztgatta, lehet rosszul...) A 6.3-as mono gitárjackre egy 3,5-ös sztereó átalakítót rak, hogy bemenjen a gépbe. Elhoztam a kombót, de a madzag ott maradt, azt ma hozza el. (Nem vagyok benne biztos, de lehet, hogy az egyik 6.3-as jack sztereó amire az átalakító kerül.) Hogy kell bekötnöm? Simán a jelvezetékeket kössem össze vagy kell bele valahova, valamekkora ellenállás is?
Elég valószínű, hogy a jel GND szakadt. Simán össze kell kötni. Ring-Ring, Tip-Tip, nem kell bele semmi.
Üdvözletem!
Lenne egy kérdésem. Van egy akkumulátoros fúrom. Annak van két akkuja. A fúró egyébként egy Einhell. Sokat használom mostanában és tölteni csak este tudom. Kaptam egy Hitachi UC14YF2 töltőt. Ez egy multifunkcionális töltő ami 14,4 ig jó. Nekem 12v os aksim van. A töltőn 4 érintkező van +,-,T és S. Érdekelne, hogy mi is az a T és S jelölés. Illetve hogyan tudnám úgy bekötni, hogy a szabvány akut (+ és - érintkezőst) tudjam vele tölteni?
Sziasztok,
Egy relé tekercsének visszarúgását szeretném kiszámolni. A következőket tudom: 1, Amíg a relé meg van húzva, addig U=24V 2, A behúzó tekercsre mérve: R=25 Ohm, L=115mH, C=1.5uF 3, Kikapcsolásra 200V/us van megadva, ebből gondolom(?) következik, hogy 150nS zajlik le a kikapcsolás, de ez már inkább kérdés Nyilván a végeredmény a fontos, de nagyon jó lenne látni a levezetést is. Kondi nélkül ki tudtam számolni a dolgokat (tau = 4.6ms, visszarúgás 720kV ), de nem érek vele sokat mert a kapacitást már nem tudtam belekombinálni, pedig az nyílván ezeket az értékeket teljesen megváltoztatja.Előre is köszönöm.
Esetleg valami képpel ha tudnál szolgálni,akkor még valami kisülne belőle. Amúgy a T és S feltételezem,azok a szálak amin keresztül figyeli a töltő az akkuk cellafeszültségét és hőmérsékletét.
Az a gond, hogy nincsen most nálam a kapott töltő, mert próbálja más is megoldani, de ő nem jut semmire. Az a gond, hogy a T és az S szálakat ki kellene kötnöm, hogy beinduljon a töltő szerintem.
Azon filozok, hogy mennyire lehet megnövelni egy nagyfrekis fázis detektor érzékelési sebességét (mondjuk 500mhz és környéke). Pld arasznyi közelségben két antenna, az egyik sugároz, a másik a vevő, és ha érzékeli a vivő frekit, négyszögjelet billentetni vele (opencollector, bármi). Le lehet ilyen időt csökkenteni száz mikroseces nagyságrendig?
Egy kissé zavaros az elképzelésed. Mit is akarsz csinálni a két szembefordított antennával, és milyen fázis detektorról beszélsz? Egyébként ilyen helyzetű antennáknál nem probléma az 500 MHz es vivő érzékelése, de a kapott jel meglehetősen kevéske lesz, mindenképpen erősíteni kell. Ha a vivőt modulálod egy négyszög jellel, melynek max frekvenciája kb. 50 MHz lehet, egy ilyen jel felfutási ideje néhányszor 10 ns lehet.
Sziasztok!
Már régóta keresek egy egyszerű kapcsolást amivel hordozható (külső) akkut lehetne az USB-ről tölthető telefonokhoz csinálni. Úgy néz ki találtam egyet. A kérdésem egy része így igazából egy kérés, egy hozzáértő megerősítene abban, hogy biztonsággal használható a dolog? Azaz nyugodtan csatlakoztatható rá a telefon? A másik, hogy mekkora töltőáram fog ezen keresztül folyni? Mintha azt olvasnám (google fordító) az egyik kommentben, hogy ez a "7805" max 1ampert visel el (enged át?). Tehát ha egy bazinagy akkut kötök rá, akkor a max töltőáram 1A lesz, vagy az akku teljes kivehető kapacitása "ráömlik" a telefonra? Az egy amper pont megfelelne, a saját töltője is nagyjából ennyivel tölt. Köszönöm, és a végére marad a link
Igazából csak a dolgok sebessége érdekelne, és most nincs felszerelésem ellenőrizni a dolgokat.
Olyasmi passzív eszközön filozok, ami széles spektrumban veszi egy külső adó jelét, abból gyűjt tápfeszültséget magának, és bekeveri azt a jelet valami saját rezgőkörrel. Pld 500 mhz a külső jel, és az eszköz még rákever pld 25 mhz-et (frekvencia moduláció), és azt visszasugározza (475 és 525 mhz-et mindkettőt). A külső adó melletti vevő érzékelhetné, hogy bárki is jár ott, a zsebében van egy 25 mhz-es összeadó / kivonó, és ilyesmiből azonosíthatná az illetőt. Léteznek ilyen eszközök?
Szia!
Gondolom hallottál már az RFID tecnológiáról.
Hello!
Egy 7805 névleges maximális terhelése az 1A. Ebben egy áramkorlát, és hőfokvédelem is van. Az áramkorlát viszonylag egyszerű, így biztos nem pontos, tehát valahol 1,5..2,2A között van. A hővédelemre azt írják, hogy rövidzár mellett, max 750mA folyik. Persze 25fok környezeti hőmérséklet mellett, és egyik paraméterrel sem lehet nyulat lőni. A linken az IC-nek nincs hűtése, sőt esőkabátja van. Így biztos hamarabb fog a hőkorlát belépni. Arról sem beszéltél, mekkora az aksi feszültsége amit rá szeretnél kötni. Mert egy mezei 7805-nek, 2..3V többletfeszültség kell, mint a kimenő feszültsége. Ha nincs annyi, akkor LowDrop típust kell használni, de ahhoz is kell kb. 0,5..1V feszültség. Tehát egy 6V-os aksi, csak neccesen felel meg számára. Ha 12V-os aksit kapcsolsz rá a stabira, és 1A a terhelés, akkor (12,6V-5V)*1A=7,6W lesz a termelt hő. Ahhoz már szép hűtőborda kell. (kb. 4K/W-os bordára van szükség) Telefonról nem nyilatkoznék.. üdv! proli007
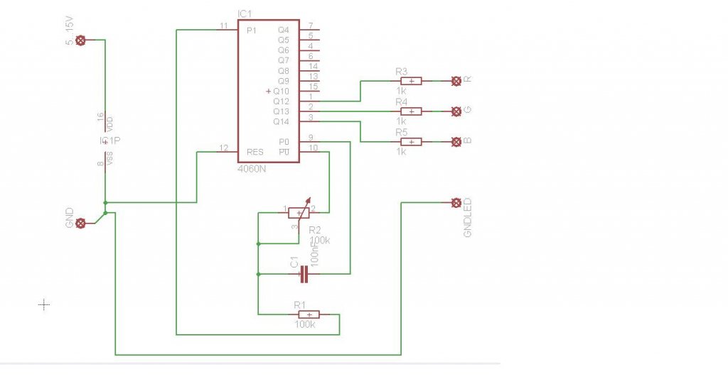
Sziasztok!
Ebben a kapcsolásban ezekkel az értékekkel elbírnak a CD4060 kimeneti 2-2 nagyfényerejű Led-et? R,G,B-re csatlakozna egy-egy Led pár és a negatívjaik pedig közösen GND-t kapnának. Köszi
Sziasztok,
remélem jó helyen kérdezem mert elég kezdő kérdés... A cikkekben is látható shematic rajzokat milyen progival csináljátok ? Használtam eddig Circuit Makert , Tina stb... De ezekben nincsenek benne a friss IC-k és tokozások pl. most egy gyorsulásmérőt akarok MMA7260QT amit itt az oldalon láttam. A baj hogy a tokozása LGA14 és ez nincs benne a fent említettekben viszont amit ti használtok úgy látom valami friss. szóval HELP ![]() Bővebben: Link
Szia. Én az (Ealge 6.2.0)-t használom. És ebben millió egy tokozás van,és nagyon egyszerű és elegáns nyáktervező. Bővebben: Link
Szia. Én is nagyon szeretem az Eagle-t de amit csinálok most áramkört annak pont nincs benne a tokozása. (LGA14) végülis nem annyira nagy baj mert rajzoltam neki pad-eket , de ha lenne lehetőség frissülő adatbázisra , akkor áttérnék
820$? Nem semmi.
Sziasztok!
Egy Technics SA-AX730 erősítővel akadtak problémáim. A gond az lenne, hogy az "A" és a "B" hangszórókimeneteken kívül egy kimenet sem akar megszólalni. Igazából a mélynyomókimenet miatt zavar a dolog, azt szeretném használni. Próbáltam az összes bememetre dugni/kapcsolni, de valamiért nem működött egyikkel sem. Amúgy sztereó bemenő jelet kap az erősítő. Van esetleg valakinek valami ötlete? Nem lehet, hogy az a gond, hogy a sztereó bemenő csak a frontsugárzóknak elég? Azért ide írtam, mert nagyon kezdő vagyok ebben a témában.
Sziasztok!
Szeretnék egy kis segítséget kérni. Van egy Manbo nevezetű fm rádióm, és ezt szeretném csatlakoztatni 2.0 -ás számítógép hangszóróhoz. Rákötve egy stereo headsetet van adás, de számítógép hangszóróra kötve semmi, fehér zaj sincs. Tudnátok segíteni hogy az antenna melyik szálon futhat? Vagy valami össze kellene zárni? fotóztam pár képet róla Köszi előre is
A demo gratisz. Csak ket oldal, 100x160 mm panelmeret, ket PCB reteg, nincs autoruter. Ez egy kezdonek szerintem boven eleg. Majd amikor mar PC alaplapot akar tervezni, majd megveszi. A sok letoltheto LIB nagy ertek. Nagyon jo kis program, nem kell kulon kinlodni a SCH<->BRD valtoztatasoknal, automatikusan csinalja. Persze a piros-kek ceruzas tervezes olcsobb, de nagyon maceras.
|
Bejelentkezés
Hirdetés |




) 








