Fórum témák
» Több friss téma |
Fórum » LED-es clip áramkör
Hello!
Az ellenállás hiánya miatt, nem melegedhet az IC, csak a munkapontja vándorolhat. A 680ohm-vagy 610, az teljesen mindegy. De nem írtad, hogy a TUNER kimenet, és a Clip egyébként működik, vagy sem. Ha az IC melegszik, akkor nyilván ott túlfogyasztás van. Gyakorlatban ez csak akkor lehet, ha a kimenete a GND-n van, és a bement el van billentve, mint a Clip esetében. Vagy valamelyik táp nincs meg, és a kimeneten zárlat van. Vagy a kimenet zárlatos a táphoz. "..csak ugye a fentebb mellékelt rajz az eredeti kapcsolás és elfelejtettem ezt megemlíteni" Ezzel azt akarod mondani, hogy a rajz jó? Nem jó! Hibát mindenki véthet. (Még én is, pedig én iparkodom..:laugh ![]() üdv! proli007
Szia!
Az IC-t nem néztem, hogy melegszik-e. Ellenőrzöm. Az "eredeti kapcsolással" arra akartam utalni, hogy az alapján a rajz alapján csináltam lényegében az előfokot, de van benne néhány módosítás már. Többek között az a 220k ellenállás van betéve pluszban az említett helyre, melyet nem jelöl az eredeti kapcsolás,de szükséges.
Nem melegszik -vagy csak nagyon csekély mértékben- a TL072 IC. Még egyszer ellenőriztem a 7815-t illetve a 7915-t, de egyik sem mutat túlzott melegedést a hiba beállta után.
Hello!
Ha nem melegszik senki, akkor nyilván nem túláram van, hanem valahol átmeneti ellenállás van a tápkörben, vagy nem jó valaminek a bekötése. Esetleg maga a stabik előtti táp fogy el. Minden esetre valami triviális hiba van, nem szabad komoly dologra gondolni. üdv! proli007
Már csak azért is triviális dologra kell gondolnunk, mert ha nincs bent az IC, akkor jól működik minden.
Szia! A 7815 kimenetén is -1,2V van?
Rosszul fogalmaztam az előbb. Tehát a 7815 kimenetén is -1,2V van, de a 7915 kimenetén megvan a -15V.
A hozzászólás módosítva: Szept 21, 2012
Amikor a 7815 kimenetén -1,2V van mekkora bemenőfeszültséget kap? A lábai forrasztása rendben?
A bemenő feszültsége 27V akkor. A forrasztás rendben.
Annak bérelt helye van a kukában
Meghalt volna ?
Csak akkor az hogy van, hogy ha nincs bent az IC, akkor viszont (jól) működik ?(Nem köszöntem az előbb, mert hirtelen azt hittem proli írt, bocsi és szia! ) A hozzászólás módosítva: Szept 21, 2012
Hello!
Egyáltalán +- a tápja az egésznek, mert szerintem Te csak féltápot adsz, azért billen el. üdv! proli007
Nem nem. Szimmetrikusan van megtáplálva mindkét TL072.
Hello!
Nem a TL Jóember! A stabilizátorok tápja.. üdv! proli007 A hozzászólás módosítva: Szept 21, 2012
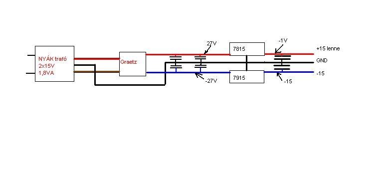
A mellékelt rajz szerint vannak kötve a feszstabok.
Hello!
Oké, de hogy van megtáplálva? Rajzold le kérlek a trafót egyenirányítót vagy mit hozzá. Hol van az ominózus 27V? üdv! proli007
Az a kevés áram még átszivárog rajta ezek szerint. Ha mindhárom láb jól csatlakozik az áramkörhöz és helyesen mérted a feszültségeket, akkor azaz IC halott.
Hello!
Az a sejtésem, nincs is GND, és amikor a Clip bekerül, félrehúzza a közepét. Mert a töbi IC nem fogyaszt a GND-ből.. üdv! proli007
Készítem a rajzot, mindjárt megvagyok, egy pillanat...
Mellékeltem a rajzot.
A hozzászólás módosítva: Szept 21, 2012
Hello!
Így jónak kellene lenni. Ha a negatív oldal elhúzza a +15V-ot -1,2V-ra, akkor ott a plusz stabinak már füstölnie kéne. Ellenőrizd, hogy a +12V és a -12V terhelhető-e a stabi kimenetén mondjuk egy 220ohm-al. üdv! proli007
Kicseréltem közben a régi 7815-öt egy újra, de nem szűnt meg a probléma. :/
Fotózd le. Eddig megvannak a képek.
Már lehet, hogy írtam korábban, hogy azért az is különös, hogy amikor a problémás állapotból lekapcsolom az erősítőt, akkor a +15V-os tápon a feszültség -0,97V-ról leesik -1,2V-ra, majd gyorsan felfut 13,5V-ra és onnan csökken nullára.
Számomra ez kicsit olyan, minthogyha valamilyen kapacitás töltődne rossz polaritással. Ezért is fordult meg a fejemben az, hogy lehet, hogy kellene a feszstabok elé pár 10kOhm, hogy kisüljön minden időben. Nem lehet, hogy ez a gond ?
Ez csak azért van, mert táplefutáskor átbillen clip-áramkör.
Én is várom mi történik ha helyben terheled a 7815-öt. IC2-t akár ki is veheted erre az időre.
Rendben. Mindjárt megvagyok, csak most fejeztem be a képkészítést. Kicsit körülményes volt, mert nem tudok már fényképezőhöz hozzájutni, így telón keresztül kell feltöltenem.
Mellékeltem a képet az előfok számunkra fontos részéről.
Bekötöttem a 220Ohmot a +15 és -15 közé. Az ellenálláson mérhető fesz. 14V kb. és pillanatok alatt felmelegszik (izzik).
Ha a +15V és a GND közé kötöm, akkor 14,8V mérhető az ellenálláson. Ha a -15V és a GND közé kötöm, akkor -14,9V mérhető az ellenálláson. A hozzászólás módosítva: Szept 21, 2012
Pontosítsunk. Egy ellenállás a +15V és a test között, másik ellenállás a -15V és a test között. Rajtuk testhez képest +/-14V-ot mértél?
A trafó szekunderei a NYÁK-on vannak összekötve? Az egyik sorkapocs fele üres. A hozzászólás módosítva: Szept 21, 2012
Hello!
Ezek szerint a táprésznél, minden rendben van. Próbáld meg a terhelést, a Clip toknál, ugyan így a két tápfesszel. üdv! proli007 |
Bejelentkezés
Hirdetés |





Csak akkor az hogy van, hogy ha nincs bent az IC, akkor viszont (jól) működik ?







