Fórum témák
» Több friss téma |
Üdv mindenkinek!
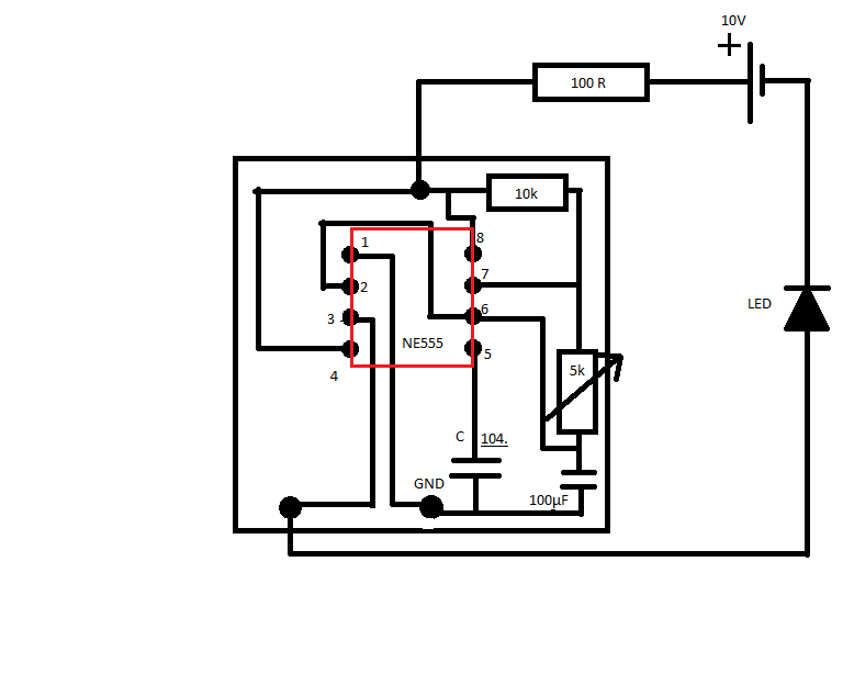
Adott egy műkörmözős UV lámpa, amihez kellene egy időzítő. A kapcsolás lényege egy nyomógombbal indítható időzítő, amit egy 3 állású kapcsolóval kiválasztott 90/120 secundum ideig behúzva marad, majd nyomógombot megnyomva újra indulhat a folyamat. 230V 9W csövet kell kapcsolnia (UV-9W-l 365 nm) (Nem biztos, hogy a lámpába lesz beleépítve, a garancia miatt, csak egy kötődobozba) Segítségeteket előre is köszönöm! A hozzászólás módosítva: Szept 11, 2012
Hello!
Ha erre gondoltál. Az 555 kimenetére teszed a12V-os relét, az kapcsolhatja a lámpát. Dugasztápról adsz neki 12V tápot. Háromállású kapcsoló nem kell, hiszen vagy 90, vagy 120sec lesz a késleltetés. Ha kikapcsolod 120, ha be, 90 másodperc lesz míg világít a lámpa. üdv! proli007
Hali!
Nem tudnátok valamilyen forrást ahonnan megtanulhatnám az 555-ös IC használatát? Akad itthon 3 is de azt hallottam hogy hasznos dolog csak sajnos nem tudom hogy kell használni ![]() Vagy ezt is programozni kell mint egy PIC-t? Ui.:A wikipédia nem segített sem a google.
Hali!
Itt lejjebb, az Orbán József hozzászólásában találsz egy linket, és azon az oldalon bemutatja az 555 minden alkalmazási lehetőségét. Üdv: Csupasz
Üdv!
Köszönöm a segítséget! minicooper
Ajjaj !
Jó vagyok angolból de ennyire azért mégsem a google fordító meg egy kupac sz@rt ír ki
Pedig a rajzok sokat segítenek
Olvasd el a bemutatkozásomat
![]() Ja és eddig még nem tanultunk az elektronikáról semmit de már alap áramköröket tudok szerkeszteni. ....nemrég építtettem egy napelemes mp3 töltőt és hozzá feszültség stabilizátort ![]() Nagyon büszke vagyok ám rá.
Sziasztok!
Megépítettem a csatolt kapcsolást, működik, de egy olyat szeretnék, ami a nyomógomb elengedése után kezd visszaszámolni, ez viszont a megnyomástól számol. Keresgéltem már kapcsolásokat, de én azokból nem tudom megállapítani, hogy tudja-e, csak ha megépítem. Ha esetleg a csatolt kapcsolás így átalakítható, az is jó, legalább megmaradna a szabályozhatósága. Ebben kérnék segítséget. Köszönöm!
Hello!
Kösd a 4-es (Reset) lábat a 2-es (Trigger) lábhoz, és már kész is vagy.. üdv! proli007
Köszönöm! Működik!
A hozzászólás módosítva: Szept 16, 2012
Bocsánat, rosszul fogalmaztam. Most már majdnem jó, csak azt szeretném, hogy a nyomva tartott nyomógombnál a relé be legyen húzva, majd ha elengedem a nyomógombot, onnan kezdjen visszaszámolni. Ez utóbbi már megvalósult.
Hello!
![]() Akkor két lehetőség van. Vagy a 2-es lábat a 6-os mellé kötöd, (10kohm-ot kiveszed) és a nyomógombbal kisütöd a kondit, vagy a 2-esről a hatos felé egy diódát teszel (Katód a 2-es felé). üdv! proli007
Üdv mindenkinek!
Eddig sikerült megépítenem egy sima IC nélküli astabil multivibrátort, viszont ezzel az NE555-ös IC-vel meg vagyok lőve. Készítettem hozzá egy nyákrajzot amit mellékeltem. Májusban kezdtem el játszogatni az elektronikával, úgyhogy ne lepődjetek meg ha valami orbitális baromságot csináltam. ![]() A lényeg az hogy folyik rajta az áram, csak éppen folyamatosan. Legutoljára két percig vártam míg kialszik a led, de semmi. Megnézitek nekem mi lehet a probléma? Előre is köszönöm A hozzászólás módosítva: Szept 16, 2012
Szia!
Miért nem csináltad meg egy működő kapcsolás alapján? A GND hová van kötve? A többiről meg ne is beszéljünk.
A hozzá való adatlap alapján rendeztem el a nyákot, hogy passzoljanak a lábak sorszámai.
Meg tudod mondani hova kössem a GND-t, és hogy mi egyéb problémák vannak ezzel? Kezdő vagyok és nem nagyon ismerek senkit aki el tudná magyarázni. Szerk: Kéne melléje egy másik tranzisztor amit vezérelne? A hozzászólás módosítva: Szept 16, 2012
Építsd meg ezt az áramkört. Az IC lábszámozását felülnézetből (felirat felől) kell értelmezni, ez fontos! Másik villogó: Bővebben: Link
A hozzászólás módosítva: Szept 16, 2012
Esetleg adhatnál tápfeszültséget az IC-nek.
Hello!
- A tápfeszültség pozitív pontját a 8-as lábra kell adni. - A tápfeszültség negatív pontját, pedig az 1-es lábra. (Ez maga a GND.) - A Led sorba van kötve a 100ohm ellenállással. Ellenállás a 3-as lábra, Led katód a GND-re megy. üdv! proli007 A hozzászólás módosítva: Szept 16, 2012
Átvariáltam a kábeleket ahogy mondtátok, de továbbra is csak világít, úgyhogy lehet már rég kinyírtam az IC-t. R.I.P.
De legközelebb már tudni fogom mit és mire kössek. Köszönöm a segítséget! ![]()
Hello!
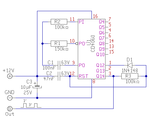
Ez egy olyan kapcsolás, ami a lámpa fényerejét folyamatosan változtatja, növeli-csökkenti a fényerőnek megfelelően. A lámpa vagy Led-ek meghajtását PWM-el végzi. )Led-ekhez a szokásos módon előtété ellenálst kel méretezni. A külső ellenállás és CDS felcserélésével változik a működés módja. A "SUN-SET" napfelkeltére növeli a fényerőt, a "SUN-RISE" napnyugtára növeli a fényerőt. Az ellenállás értékének változtatásával lehet befolyásolni az érzékenységét, vagy is hogy milyen fényerő mellett kezdje el a működését. (Persze ez azért, nem egy precíziós áramkör.) Természetesen a szokásomhoz híven én csak megterveztem az áramkört.. üdv! proli007
Kéne csinálnom egy olyan kapcsolást, aminél a bekapcsolási idő kb 60-120s, a kikapcsolt állapot kb 120-240s közt állítható lenne.
A fő problémám az, hogy a ciklusnál a bekapcsolt állapot > kikapcsolt állapot. Ezt hogyan lehet valahogyan megfordítani? Igazából ha nem állítható, akkor a 60s be/180s ki fix is megfelelne.
Szia szóval ha jól értem 555 - ös IC - t szeretnél használni astabil módban. A kimenetet egyszerűen egy tranzisztorral meg lehet fordítani, de akár az egyik ellenállásal párhuzamosan kötött diódával is.
A hozzászólás módosítva: Szept 21, 2012
Hello!
Ilyen hosszú időket, 555-el márt nem lehet korrekt módon késleltetni. Ha a fix is megfelel, akkor inkább építsd meg ezt a kapcsolást. R1 és C1 alkatrészekkel lehet az időt állítani, de az 1:3 arány megmarad. üdv! proli007 A hozzászólás módosítva: Szept 21, 2012
Sziasztok!
Egy astabil multivibrátort szerettem volna készíteni. Pontosan úgy csináltam ahogy a segédprogramoknál lévő rajzon van 2 problémám van vele. Az egyik ha a 2 lábra csatlakozó indító vezetéket ha lóbálom vagy épp hozzáér akár az asztalhoz elindul az áramkör ha beteszek egy kb. 100K ellenállást a tápra kötve akkor megoldódna a helyzet ugyan, de a másik probléma még fennáll: ha a 2. lábra csatlakozó vezetéket hozzákötöm a földponthoz akkor addig égve marad a led amíg le nem veszem. Próbapanelen raktam össze a kapcsolást. Mi lehet vele a probléma próbáltam különféle kondikkal és ellenállásokkal is. Ezt.
Akkor mégsem astabilt hanem monostsbilt építettél ! A 2 lábat a 6 -ossal össze kell kötni !
nézd meg a belinkelt rajzot .
Szia!
Ha mindent a rajz szerint kötsz, akkor mi van? Mert arról még nem esett szó. LED-villogó A hozzászólás módosítva: Szept 22, 2012
Na ez szépen elírtam elnézést, én is csak most vettem észre, szóval javítok: monostabil multivibrátort akartam építeni és a rajz szerint csináltam. Szóval az nem akar működni.
A hozzászólás módosítva: Szept 22, 2012
|
Bejelentkezés
Hirdetés |

















