Fórum témák
» Több friss téma |
Számomra nem is az a kérdés hogy balanceres vagy sem, ha nem az hogy nem tölti ez túl gyorsan a feljebb linkelt aksit ?
Az 5C töltés 5x1400mA. A töltő árama 1A. Valószínűleg nem tölti túl gyorsan.
Köszönöm
Sziasztok,
szabad AA méretű (14500-as) li-ion akkumulátort AA-nál hosszabb akksi töltőjével tölteni? Nagyobb kapacitású akksit lehet kisebb kapacitású akksi töltőjével tölteni, ill. fordítva? Köszönöm.
Ez a töltő áramától és a cella specifikációjától függ.
0.5C általában elmegy.
Egy másik megoldás: van új 700mAh-s Sony Ericsson BST-22 Li-polymer akksim, hozzá telefon és töltő. Létezik ehhez foglalat, vagy házilag kell összeeszkábálni csatlakozókat? Illetve a középső pólus mire szolgál? Ennek az akksinak az üresjárati feszültsége 4,13V, ha a két LED-del 22mA-rel terhelem, ugyanúgy 3,7-tel számoljak?
Én ilyesmiből gyártottam készüléket. (A Nokia akkuk jobban elterjedtek) ennek a töltőnek az elektronikáját kidobtam, de elemtartónak és készülékdoboznak megfelelt a maradék. A középső csatlakozó tudtommal az akku hőmérséklet visszajelzése. Az áramkorlátozó ellenállást az akku legnagyobb feszültségére kell méretezni, főleg kis teljesítmény esetén.
A hozzászólás módosítva: Okt 3, 2012
Kollégák, tanácsot szeretnék kérni, ha Li-Ion akkupakkot készitek, és töltök, az IMAX B6-nál hogy kell bekötni a balance kábelt? A két vastag meg a két "szélére" az akkupakknak, az világos. A balance kábelt hová kötöm ? Ha pl. 2 cellám van sorosan kötve? akkor csak a "középsőt" kötöm be?
Igy már világos ! Amúgy van valakinek tapasztalata az IMAX B6-al? Esetleg valami alternativa ? Szerszámgépet akarok "ujracellázni" , tehát a metál-hibrid cellákat helyettesiteni 18650-el. Először beépitettem egy egyszerű kinai töltöt, a cellák mellé, hogy sima 12 voltos tápról lehessen tölteni, azonban valami oknál fogva az egyik ágon 200mA áram visszafolyik, szóval lesz 4 csati az akksin és úgy tervezem tölteni.
Én tavasz ota használom az IMAX B6-st, eddig azt teszi amit elvártam töle.....
Igaz, hogy eddig nem igen töltöttem balance stekkerrel ellátott cellákat. De a 7.2V-11Ah-s LiIon akkukat remekül tölti (nincs rajtuk balance kivezetés, és lusta voltam öket szétszedni). Amig mennek töltöm, s majd meglátom mi lesz.
Helló! Van itthon egy 10.8v, 5,7Ah akkumlátorom. (Li-Ion)
Milyen töltővel töltsem, és mennyi ideig? Mert azt hallottam ha nem jól választok hozzá töltőt akkor könnyen robban. De gondolom annak lennének előjeleim int pl. a melegedés ugye?
Szia!
Csak lítiumos akkumulátorhoz való töltőt használj. A Li-Ion akkumulátorokat cellánként 4.2V feszültség eléréséig kell tölteni, gyártótól függően legfeljebb 0.7-1C árammal. Ha sorba vannak kötve, akkor is. Soros akkupakkot balanszer töltővel kell tölteni, ehhez minden cellát ki kell vezetni. A robbanás/égés valós veszély, ha nem megfelelő töltőt használsz. Feltételezem, egy laptop akkupakkja van nálad, a kérdés az, mire akarod használni.
igen laptop akksi. Amikor megkaptam akkor nem tudom, hogy fel volt-e töltve vagy sem, de a ledeket 3 napig folyamatosan vitte, és ezért arra gondoltam, hogy ezt használnám világításra, egy kis faházban ahol nincs áram. De a válaszod felét nem is értettem sajnos. Nem tudom mi az az 1C áram. A balanszer töltőről pedig még nem is hallottam. Szóval akkor milyen áramerősségű és feszültségű töltővel töltsem, és mennyi ideig?
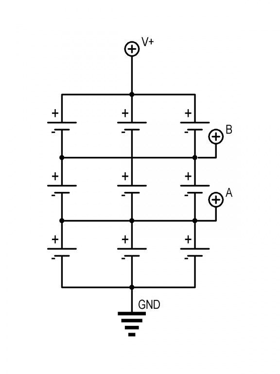
Az akkupakk 3x3 akkumulátorcellából van összerakva. 3-3 darab párhuzamosan, és ezek sorba vannak kötve, ahogyan a képen látható. A csatlakozóra mindegyik akkumulátorhármast ki kell vezetni, tehát föld (GND, negatív pólus, 0V), A (az első akkumulátor pozitív és a második akku negatív pólusa (3.7V), B a második akkumulátor pozitív és a harmadik akku negatív pólusa (7.4V), V+ a harmadik akkumulátor pozitív pólusa(11.1V).
A balanszer töltő több sorbakötött akkumulátorcella töltésére alkalmas, mindegyik cellát külön kezeli. (A 3-3 párhuzamosan kötött cellát egy cellának lehet nevezni.) Mivel tökéletesen egyforma cella nincs, ezért az egyik jobban lemerül, mint a másik, ez a különbség több töltés-kisütés során egyre nő. 1C áram megfelel az akkumulátor amperóra kapacitásával megegyező árammal. Például egy 2200 mAh akkumulátor esetén ez 2200 mA. A kisebb töltőáram nem baj, csak tovább tart a töltés. Akkumulátorokat nem időre kell tölteni, hanem a teljes töltöttség eléréséig. A legolcsóbb, az akkumulátorokat tönkretevő töltőkre szoktak töltési időt írni, mivel sok embernek nincs műszere, amivel ellenőrizni tudja az akkumulátort töltöttségét. Mivel a kiindulási állapot bizonytalan, az időre való töltés tönkreteszi az akkumulátort. A közepes, és drága töltők már figyelik a töltöttséget, és abbahagyják a töltést. Ez többszörösére növeli az akkumulátorok élettartamát a legolcsóbb töltőkhöz képest. Ez egy olcsó balanszer töltő.
Sziasztok!
Van egy ASUS PDA-m, amiben az aksi (3,7V 1200mAh) már szinte teljesen meghalt. Kihoztam a +/- ágat és ráraktam egy 18650-es aksit tartóval együtt. Így rendesen működik is. Annyi a gondom, hogy ha rádugom a mini USB csatis töltőt a PDA-ra, akkor nem tölti az aksit csak a PDA jelzi rögtön, hogy 100%-ra van töltve. Az eredeti aksinak (és a PDA-nak is) 4 érintkezője van. Ebből az 1. és a 3. a +/-. A 2.-on megjelenik a töltő 5V-ja. Az aksi típusa: SBP-09. Azt szeretném megtudni, hogy megoldható-e a 4 érintkezővel és kevés alkatrésszel, hogy töltse az aksit. A 18650-es aksi alapból védett, tehát védő áramkörre nincs külön szükség. A 4 kivezetésről sajnos nincs leírásom, hogy melyik mi, a fent leírtakon kívül. Hátha valaki foglalkozott már köztetek ilyennel. Köszönöm előre is a segítséget!
Szerintetek ez a kapcsolási rajz működő képes érdemes megépíteni? Kép a beültetésről.
A hozzászólás módosítva: Okt 28, 2012
Hello!
Működhet, de vannak neuralgikus pontjai. - A kapcsolásban, a LED1 a referencia feszültségforrás. Vagy is a töltés végfeszültsége, ennek a Led-nek a nyitófeszültségétől függ, ami Led típusától függően változhat, a végfeszültségre meg kényes az aksi. Vagy is R4 értékét, mindenképpen potival kellene beállítani, a szokásos 4,2V-ra. - Az áramkörben a töltőáramot nem korlátozza semmi, pontosabban az USB port maximális töltőárama. Én azért tennék bele áramkorlátozást. - A végtranyó típusát nem látni (szörnyű ez a sas), de szerintem a tranyó bázisosztója el van számolva. A töltés végén, a tranyónak le kel zárni. vagy is a 220ohm-on ekkor 600mV alá kell menjen a feszültség. 0,6V/220ohm=2,7mA. Ez folyik át, a 680ohm-on is. 2,7mA*680ohm=1,85V. A kettő együtt, 0,6+1,85=2,45V. Ha ezt kivonjuk a tápfeszből, akkor megkapjuk az IC kimeneti feszültségét, a töltés végén. 5V-2,45V=2,55V. Ha a Led3 nyitófeszültsége 2,2V, akkor az 1kohm-ra 2,55-2,2=0,35V jut, vagy is a Led árama ekkor 0,35mA lesz. Világítani fog ezzel? üdv! proli007
Nettó 130Ft egy LiIon töltő áramkör a ChipCadnél (MCP73812). Olcsóbb, mint egy jobb trimmerpoti. Ehhez kell még egy ellenállás a töltőáram beállítására, és két kondenzátor szűrésre. Érdemes keresni alternatív megoldást?
A hozzászólás módosítva: Okt 29, 2012
Szia! köszönöm hogy megnézted, segítettél a döntésben.
Szia!
Én is nézegetem ezt a töltőt, de rengetegen árulják. Mennyiért tudtad megvenni? (Gondolom e-bay) Meg tudod adni az eladó elérhetőségét? Ha tőle rendelem meg, jót kapok.
Valamelyik kinai boltban vettem, végül is nem lett annyival olcsobb, mint kinézett, mert ök kizárolag egy bizonyos futárszolgálattal dolgoznak - ami lényegében többe került, mint maga a kütyü.
Igy valamivel kevesebb mint 50 Euro lett az egész - az itteni boltokban 60 Euro felett kezdödnek az árak. (Több más dolgot is rendeltem tölük, de azt hiszem ilyen formában utoljára ezektöl - nagyon kommunativak stb. minden rendben volt, csak túl körülményesek. Vannak más források, akik sokkal profibbak, pl. a hobbyking).
Hello! Lenin azt mondta "Jó a bizalom, de a kontroll még jobb!"
üdv! proli007
Sziasztok!
Van egy RC repülőm. Li-po akkumulátor van benne. Szerintem idén , már nem fogom használni. De nem tudom , hogy lesz -e valami baja az akkumulátornak ha nem töltök rá. Hogyan célszerű el raknom? Teljesen feltöltve, vagy kisütve? A választ köszönöm!
60%-os töltöttséggel valami hűvös esetleg hideg helyre. Én hűtőbe raknám.
Száraz, hideg (~0-15C), állandó hőmérsékletű helyen, 40%-os töltöttség mellett.
Állítólag ilyen körülmények köztt öregszik legkevésbé.
Szervusztok!
Nemrég vásároltam egy ilyen 9 V-os Li-ion aksit, és meglepődve tapasztaltam, hogy az Ansmann Energy4 töltőm nem tudja tölteni. Fel vagyok háborodva. Most akkor vegyek újabb töltőt több tízezerért, amikor a meglévő is kb. 15k ft-ba került anno? A hozzászólás módosítva: Nov 14, 2012
Hello!
Nem felháborodni kell, hanem megnézni milyen típusú aksikat tud tölteni egy töltő, ha veszed.. ![]() üdv! proli007 |
Bejelentkezés
Hirdetés |







üdv! proli007 





