Fórum témák
» Több friss téma |
Fórum » Tina
Sziasztok!
Tudna valaki ajánlani egy működő linket ahonnan letudnám tölteni a Tina programot?
Hello!
Ez a táp "lebeg", vagy is nem tud terhelés nélkül működni, Te meg nem tettél a kimenetre semmit.. üdv! proli007
Köszönöm. Most így belegondolva a szervízdoksiban szerepel, hogy forrasszunk műterhelést a kimenetekre, de ezen elegánsan átléptem eddig.
Sziasztok!
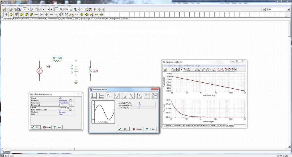
A képen látható kapcsolást elemeztem. Megépítettem a programban és a feladat megoldása is a kezemben van de amit én mérek a programmal az valahogy nem akkora értékű de nem tudom,hogy miért nem. Tudtok nekem ebben segíteni,hogy mit állítok be rosszul? Az amplitúdót 1V-ra kellett állítani az impulzusidőt pedig 1nS-ra. Tranziens karakterisztika /Dirack impulzus alapján kellene ellenőrizni a tag viselkedését.
Ha a rajzon szereplő RC tagra egy 1V 1ns-os impulzust kapcsolsz az a gyakorlatban is nagyjából így viselkedne (attól eltekintve, hogy a nV-os feszültségű jel nagyjából elvész a zajban). Amúgy szerintem nem csak én nem értem mit akarsz ezzel (és talán ezért is nem kaptál túl sok választ eddig). Szóval talán ha érthetőbben megfogalmaznád, hogy mit is szeretnél.....
A feladat így szól : Készítse el az áramkörszerkesztő segítségével a megadott kapcsolást!
Vizsgálja meg a bemeneti és kimeneti jelek viszonyát! Elemezzük a tag viselkedését az alábbi karakterisztika alapján! a, Tranziens karakterisztika Dirack impulzus bemeneti jel (amplitúdó=1V impulzusidő=1ns) Többet én sem tudok. Egyedül csak azt nem értem,hogy a megoldásban miért 450nV megy kb. nálam pedig olyan 230nV meg csak. Hogy jöhetett annyi ki a megoldásban?
Biztos jók az elemek értékei, és a paraméterek? Az 1 ns impulzus nagyon keskeny ám, és csoda, hogy ebből egyáltalán valamit is mérni lehet az 1 µF -os kondin. Ha az 1ns jel négyszög lenne, akkor az 500 MHz lenne, úgyhogy ez a számítás egyáltalán nem életszerű. Ezért jöhetnek ki matematikailag számolva nV -os értékek, amik már bőven zajban vannak. Lehet az eltérés oka, hogy ebben a tartományban az átviteli görbe nagyon meredek, és pontatlan számítás (n -dik tizedes elhanyagolása) nagy hibát okoz.
Igen mert megvan a kapcsolás is. 5k és 1uF. Egyébként én sem értem miért csinálunk ilyet.
Átnézem még egyszer kétszer aztán majd lesz valami. Azért köszönöm a segítségedet.
Valami hibádzik vagy a megadott értékekkel, vagy az eredménnyel, ugyanis ha utánaszámolunk (szimulátor nélkül) józan paraszti ésszel:
1V/5k -> 200uA töltőáram a kondin. Ez 1ns alatt 1µF-ot 200nV-ra töltene fel. Azonban a valós érték hangyányit kevesebb lesz mert a kondi feszültsége változik. - Tehát 400uV körüli nem jöhet ki! - A 230nV is hibás érték, valószimuleg kerekítési számítási hiba - A valós értéknek egészen kicsivel 200nV alattinak kellene lennie, ha a termikus zajtól eltekintünk. Mellesleg nekem a TINA6 kereken 200nV-ot ad......
Ezt jó hallani. Ekkora nem nekem rosszak az eredményeim.
(Tina 8-al csináltam.)köszi. Lenne még egy kérdésem ha nem haragszotok. Ugyan az a kapcsolás csak más értékekkel és BODE diagrammról szól. Itt is elemezni kell a tag viselkedését. Bemeneti jel szinuszos görbe(amplitúdó=1V felfutás=50Hz)Bode diagram (amplitúdó,fázis görbe). Grafikusan határozzuk meg (mérőjelek elhelyezésével) a -45 fokos fázistoláshoz tartozó frekvenciaértéket. Hát én bárhogyan akarom nem tudom elhelyezni a mérőjelet mert nem látom a -45 fokot. -70 fokig van csak.
Elméletileg a soros RC bekapcsolási tranziensekor:
T időállandó = R*C Uc(t) = 1- e^(-t/T) 5k-ra és 1µF-ra szépen jön a 200 nV. Tényleg nagyon abszurd számítási feladat..
Nem lehetne még egy dekádot lejjebb menni, ahol már látszik a töréspont?
Igazad van,így már tökéletes. Köszi.
Hali.
Engem az erdekelne, hogy a tina ismeri e valamilyen neven a 7805 stb.. stab ic-ket? Tovabba az is, hogyan tudok benne 230v-os halozati betapot letrehozni. Esetleg letoltheto alkatreszkeszlet hozza?
Tina 8 legális Magyar nyelvű verziója van meg. Van hozzá kezelési kézikönyvem is, és mégsem tudok alkatrészeket felvenni az adatbázisba.Van valaki Szegeden aki ezt élőben meg tudná nekem mutatni?Előre is köszönöm, ha valaki hajlandó lenne velem foglalkozni.
Sziasztok!
Egy egyszerű kapcsolásban hogy lehet megoldani egy dióda nyitó irányú karakterisztikájának ábrázolását? Tehát, hogy X-tengelyen a dióda feszültsége, Y-tengelyen a dióda árama legyen, mindez a bemeneti feszültség függvényében. File csatolva (Tina 9).
Hello!
Ha csak a dióda nyitóirányú karakterisztikáját szeretnéd ábrázolni, nem kellenek "ingyom-bingyomok" hozzá. Csak a feszültség generátor, ez lesz az X tengelyen. Az árammérés lesz az Y tengelyen. Ha előtét ellenállást alkalmazol, akkor is ábrázolható, de a DC analízisnél, mindenképpen a tápfeszültséget (feszültség generátor) kell változónak megadni. Mert X tengelyen mindig a független változó van. üdv! proli007
Szóval túlbonyolítottam... köszi
Sziasztok.
Nekem is lenne egy kis problémám. Amikor az előző gépemre telepítettem a Tina 7-et, megcrackeltem, és tökéletesen működött. Azóta van egy új gépem, és a Tina 7-ben, és a 8-ban sem megy a crackelés, mert valami adminisztrációi jogok kellenek hozzá, pedig ez ugyanaz a program, ugyanazzal a crackkel, és egyszerűen nem megy. ![]() A Tina 9 most is fel van telepítve, az még működik, de alig vannak benne alkatrészek, és a crackelés is máshogy működik. Ezt inkább most békén hagyom, még ismerkedek vele. De a 7-8-cal mit lehetne kezdeni, mert én amúgy is rendszergazda vagyok, csak a program nem érti meg. Valaki tudna segíteni?
Szia!
Gondolom win7. Nagyon sokszor elfelejtik az emberek, hogy a normál, duplakattos megoldással indított programok nem kapnak root jogot csak abból kiindulva, hogy egy rendszergazda kattintott. Jobb gombos menüből válaszd ki: Futtatás rendszergazdaként A hozzászólás módosítva: Szept 29, 2012
Ha cseresznyét mész lopni, bosszankodsz azon, hogy nem hagyták nyitva a kiskapu? "Képzeld át kellet másznom a kerítésen!"
A hozzászólás módosítva: Szept 29, 2012
Nekem a 8 van, kíváncsiságból átvittem egyik ismerőshöz mert neki 64 bites W7 van a laptopján hogy vajon azon működik-e. Simán megy, a crack is működik. Azt mondjuk a mai napig nem értem, hogy minek használ valaki ilyen rendszert ha egyébként 32 bites alkalmazásokat futtat. Szerintem az Xp-vel simán el lehet dolgozni még évekig.
A konkrét problémádon felül a jogtisztaságról: miért nem a TI által terjesztett, crack nélkül is működőképes, legális verziót használod? Nem tud mindent, amit a normál, de valószínűleg ez is pont elég lesz.
A TI-n kívül más gyártók alkatrészeit viszont valóban importálnod kell.
Sziasztok!
Nem vagyok szaki, csak unaloműzés képen próbálkozom lefoglalni magam. A Tina 9-es verzióját próbálom használni, de a régi 7-es verzió szimulációs gombját nem találom. Másik topicban azt jelezték, hogy itt már nincs ilyen, mert ez Analizál... A kérdésem az, hogy van doksitok, hogy hogyan is kéne használnom akkor? Nekem bejött, hogy láttam futási időben a "műveket". Illetve kiírta a feszkókat, meg mindent. Vissza kell térnam a 7esre, hogy így legyen?
sziasztok!
nem igazan vagyok jaratos a temaban, meg kozepsulis eveim alatt hasznaltam a tinat, illetve az electronics workbench programot aramkorok szimulalasara, meregetesere, hasonlora volna szuksegem mac osx-re, esetleg tudnatok ajanlani valamit? (hangfrekvencias szurok meresere/tervezesere hasznalnam) elore is koszi a segitseget!
Szerintem Mac-re is van virtuális gép, amin bármilyen windows-os program képes futni.
A Tina6 pl. a linux windows emulátorával (wine) is jól ment, és talán más rendszerre is létezik ilyesmi
Hali!
Tudnátok segíteni nekem abban hogy a Tina Industrial 8-ban a jelgenerátort hogyan tudom bekötni? A generátornál az "output"-nál nem enged betenni semmit. Köszönöm a segítséget! Üdv: István |
Bejelentkezés
Hirdetés |














