Fórum témák
» Több friss téma |
Azért mert itt éppen külső tápról ment.
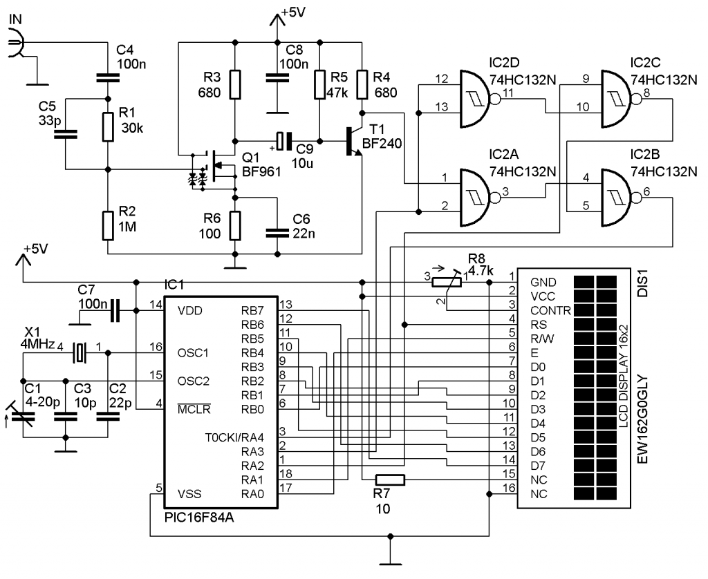
Van még egy integrált áramkör a jobb felső sarokban, az is hiányzik a panelodról, az miért nincs rajta?. Be kereteztem pirossal!.
A hozzászólás módosítva: Nov 24, 2012
Ki emlékszik már arra? De gondolom az valamelyik osztó. Ebből én is kihagytam, mert ez nekem is a függvénygenerátorhoz készült, oda meg elég az 1MHz.
Úgy nézem hogy ha nekem csak 100Khz-ig kell mérjen a freki mérő, akkor az 1MHz-es részt kell használjam, és ebben az esetben nem kell hogy be ültessem az IC1, IC2-es IC-et?. Ha jól szűrtem le a hozászolásodból, hogy a T2-ö helyére kerül a T3-as az ellenállásaival együtt, a C4-essel is, vagy marad a C3-as(10uF)?. A BF 961-es source ellenállását pedig le cserélem 330-470ohm-ra.
Van a kapcsolásban egy quarc kristály kondenzátor is, elégé ritka értékkel rendelkezik, azt te honnan szerezted be?.
Hello!
A 32768 nem véletlen, mert a kettő hatványa, így nem ritka jószág. Ha a kvarcórádat földhöz vágod, abból is ez fog kihullani.. üdv! proli007
Hali!, akkor megyek és földhöz vágom!, meg lásuk mi potyog ki belőle.
Így van, ilyet szinte bárhol kapsz, nem is drágán. Viszont a CD4060-asra kényes, nem mindegyikkel hajlandó normálisan berezegni. Illetve berezeg némi eltéréssel, aztán amikor a forgókondival próbálod pontosan behúzni, akkor meg leáll.
Sziasztok! Én meg ezt építettem meg: Bővebben: Link
Bár van gyári frekimérőm is, ez annyira magával ragadott, és lehetőséget látok benne a további elképzeléseimnek, hogy én is megcsináltam. Érdemes az előzményeket is végigolvasni. Többféle bemeneti egységet írt le hozzá a szerző(amik még finomíthatóak, de jól működnek), de a tényleges számlálómű az fantasztikus. Túlzás nélkül állíthatom, hogy ennél jobbat és egyszerűbbet, nehéz lenne elképzelni! A zsenialitása abban áll, hogy a számlálósor első tagjai, a PIC-en kívüli külső TTL elemek. Ezért nekem pl. 74lvc109-el DC-420MHz-ig 0.3-0.8V-os érzékenységgel működik!!! Azaz előosztó nélkül, 1sec-os mérési idővel 420MHz-ig kapok 1Hz felbontású eredményt valóban 1sec-onként, miközben jelszint indikálást is tud! A stabilitás és pontosság elérése érdekében egy 20MHz-es gyári TCXO-t használtam, mivel a PIC órajeléből képződik a kapuidő is. A hozzászólás módosítva: Nov 25, 2012
Sziasztok
Az lenne a kérdésem hogy a 74S196-ot mivel lehetne helyettesíteni, ugyanis már nem nagyon lehet kapni. Üdv Szia!Itt van: 74S196 SN74S196N (TID) program decade counter DIP16 Bruttó kiskereskedelmi eladási ár: 146.05 Bővebben: Link Üdv: PP Idézet: „Márcsak két kérdés maradt, a számlálóm a főprogramban fut, tehát minden elhúzhatja, vagy nem mérek amíg lekezelem az lcd kijelzőt. Hogyan lehetne tehermentesíteni a főprogramtól? Másik, mit csináljak ezzel az 1Hz-es jellel?” A CCP modul capture módja pont arra szolgál, hogy egy felfutó / lefutó élre tárolja a TMR1 vagy TMR3 timer regisztereinek értékét... Ha az kapujel képzését és a mérési eredmény tárolását is a hardware végzi, mi az amit nem tud megcsinálni a kontroller közben. (Nem tilthatja a megszakítást.). Egy megszakításos soros vonal kezelése sem okoz gontot. A mérés megszakításait kiszolgáló rutinokat a magas, a soros vonalét az alacsony szintűre tettem.. A hozzászólás módosítva: Nov 25, 2012
Szia!
Én assembly -ben követtem el... De attól még mehetek... A hozzászólás módosítva: Nov 25, 2012
Sziasztok, a lenti kapcsoláshoz egyszerűen nem tudom el dönteni melyik LCD kijelző felelne meg, nem tudna nekem segíteni valaki hogy melyik lenne jó nekem ehhez a kapcsoláshoz?. EZEN AZ OLDALON
Az RC1602 nevűek szerintem jók.
Szia!, ERRE gondoltál?.
Ha meg építeném EZT a kapcsolást a freki mérő bemenetelét hová javaslod hogy kössem, a jelgenerátor vég erősítőnek a bemenetelére, vagy köthetem a kimenetelére is?.
Szia!
A válasz egyszerű és bonyolult egyszerre! A végfokra lenne logikusabb, mert ott nem ront a jelalakon, de mivel azt megelőzi egy potencióméter amit ha leveszel nullára eltünne a kijelzés, így mehet a bemenetre! Mivel a frekimérő nagyon érzékeny egy több megás ellenálláson keresztül is rá lehet akasztani, és így nem cseszi el a jelalakot! Bár az XR-nek nincs is olyan gyönyörű! Megjegyezném a MAX038 3000Ft-be jön ki az ebay-ről és az egy más világ! Leiszt Jani
Szevasz!, akkor te melyik kapcsolást ajánlod ami MAX038-al van?. Nem adnál nekem egy kapcsolási rajzot, ami szerinted megfelelő volna?. Köszönöm!.
A Deguss féle (ott van a kapcsolások között) igen jó, de van egy hiba a kapcsolási rajzon és nincs fent nyákterv! De mivel Dani segítőkész kérd meg tud-e segíteni!
Leiszt Jani
Oké köszi, meg próbálom fel venni vele a kapcsolatot akkor.
Sziasztok!
Megépíteném a Vicsys féle frekvenciamérőt 16f628a PIC-el (ilyet tudtam szerezni). Az eredeti kapcsolási rajzon kell valamilyen alkatrészt módosítani vagy azok változtatás nélkül jók ehhez a PIC-hez is? Üdv Laslie
Nem kell semmit változtatni! A PIC-be viszont a 628.hex fájlt kell tenned! Azzal kiválóan
működik! A hozzászólás módosítva: Dec 22, 2012
Üdv, valakai tud-e valami egyszerű rajzot 1Mhz ig?
Itt a rajzok között van régi RT-s, elég egyszerű.
Helo.Azt szeretném megkérdezni,hogy van egy PIC 16C54C.Lehetne-e frekimérőt késziteni vele?Köszi.
Lehet vele...
Szerinted kapok hozzá kapcs.rajzot?és hol?kösz.
Üdv! Tudna valaki segíteni ( ötlet szintjén ) digitális kvarcóra frekvenciáját szeretném megmérni házi eszközökkel, ( 32.768 kHz ). Elképzelésem: frekimérő és valami elő fokozat.
Úgy szereném hogy az órába ne keljen becsatlakozni a méréshez hanem csak mellé tenni és kész. Lehetetlen lenne az elképzelésem? Bármilyen ötletet szivesen fogadok, akár privátban is. E-mail: ********* Köszi. Kellemes Ünnepeket ! Üdv! ha7juq Laci Ui: HOROMETER-t nem akarok venni. Soha ne írj ki e-mail címet. Arra ott van az adatlapod. --moderátor A hozzászólás módosítva: Dec 26, 2012
|
Bejelentkezés
Hirdetés |













