Fórum témák
» Több friss téma |
Fórum » Csöves erősítő készítése
Ne feledd betartani a fórum viselkedési szabályait, és a topik megmaradásának feltételeit. [link]
A téma átmenetileg fagyasztva lett, hozzászólni nem tudsz!
Hehh, van annak, aki meg nem issza...Nagyon szép! Azér' meglesném én azt a tákolmányt...
Szigorú technológiai titok
De veszel egy ablaktörlő motort, egy elektromechanikus számlálót és csak össze kell rakni. A hozzászólás módosítva: Nov 27, 2012
Visítva=határeset, bizonyos kompomisszumokkal még megengedhető. Pl. kis nyugalmi árammal, B osztály felé. EL84-nek a sugártetróda ekvivalense minden szempontból, csak más előfeszültség kell neki. http://frank.pocnet.net/short/054/2/221.pdf
Azért a fogalmazás nem egyértelmű. Gondolom, nem egy napod megy rá egy sor tekerésére.
Az már a másik véglet lenne... A hozzászólás módosítva: Nov 27, 2012
Nem egy sorra, hanem egy kimenőre, persze meg lehetne csinálni rövidebb idő alatt is, de mivel nincsenek kötélből az idegeim, közben pihenőket kell tartani, mint ahogy a monitor előtti munkáknál.
Már mindenem megvan a tekercselő géphez, motor, számláló, szabályozó. Egy kis állványt tervezek a cséve előtt, amin egy középen rovátkolt gumigörgő tud oldalirányba is csúszkálni és rángatásmentessé teszi a huzalvezetést, ami kézi.
Ettől tartok, ettől mennyire lesz drót mellett a drót... A sorok fizikai kiegyenlítettsége is tanítani való, ahogy látom.
Én is kézzel vezetem a huzalt, így legalább az ember a saját bőrnén érzi a huzal feszességét. Egyesek szerint sokkal "pöpecebben" meg lehet tekerni egy trafót mint valami automata géppel.
Azt élénken el tudom képzelni magam is, hogy jó, ha egy nap egy kimenőt meg lehet csinálni, aztán kimegy egy kicsit ámokot futni az ember kikapcsolódásként...
Bejött a hideg idő. Látom elkezdted a 4K/8ohm M102/a vashoz való tekercseket tekerni nekem. OK.
A hozzászólás módosítva: Nov 27, 2012
Még azokat se próbáltad ki a csöves erősítőidben amiket küldtem.
lehet hogy egész más hangzásvilág ami bejön nekem és ami Neked. A hozzászólás módosítva: Nov 27, 2012
Csak a primert.
Meg nem olyan nagy trafó lesz. (pedig még azt hittem lassan csinálom) Annyira nem adok arra hogy olyan szabályos legyen, gitárhoz lesz.
Csak a primert? Ezek szerint a szekunder egy teljesen külső tekercs lesz ?
A nagyobbat M85 sima szilíciumos vason próbáltam. M102 x 115, tízes osztású gyári helyébe lett betéve. Legalább olyan jól szólt.
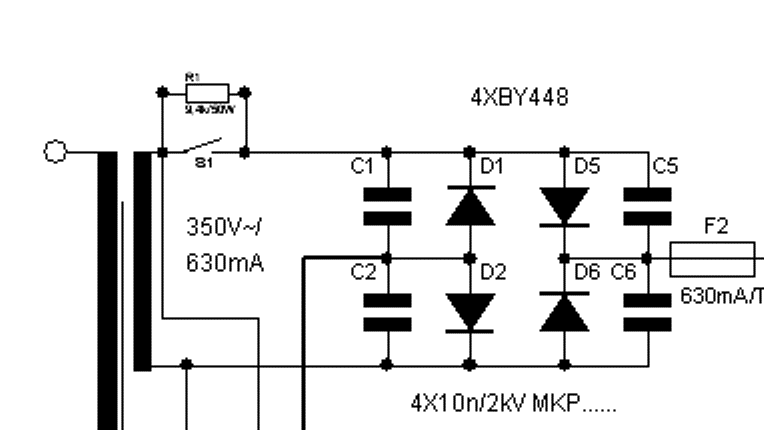
Volna egy találós kérdésem. A mellékelt csöves táp szekunder oldalán van egy kapcsoló, ami át van hidalva egy - olvasatomban, hogy kijöjjön az 50W - 2.4 kOhm.
Így, ha a primer áram alá kerül, folyhatna rajta ca. 145mA, de szinte biztos, hogy nem folyik annyi, de az se baj. Amúgy a vég és meghajtó csövek üzemi árama összesen ca. 500mA. Ez a szekunder kapcsoló afféle anódkímélő? A fűtések a primerrel együtt kezdenek dolgozni egyébként.
Igen. De mint írtam gitárhoz lesz. Ott teljesen más dolgok a jók. Én úgy vettem észre, hogy ami gyakran hifihez jobb, az gitárhoz rosszabb.
Szóval nem feltétel hogy ne torzítson a kimenő, stb. Persze ott sem a sz@r a jó, csak más a cél.
Pontosan! Ezt kitalálhattam volna magam is, wááááá...
Zenekari csöves gitár erősítőkben is szokták alkalmazni mint "standby" kapcsoló.
Szünetben kimegy a rokker sörözni - lekapcsolja (csöveket, kultúrház villanyszámlát kímélendő), mikor visszajön csak ezt a kapcsit löki fel és kattanás nélkül indul a buli tovább
Üdvözlet mindenkinek!
Szeretnék egy csöves erősítőt, de mivel nincs nagy tapasztalatom erősítő építésben arra gondoltam, talán egy régi rádiót használhatnék eme célra. A kérdésem az lenne hogy sok munkával jár-e tiszta hangot előcsalni a régi vasakból? Nálam a kellemes, tiszta hangzás lenne a fő cél (ezért is szeretnék csöves erősítőt), nem a teljesítmény. Esetleg tudtok ajánlani néhány tipust, ami beszerezhető és megfelelő lenne erre a célra? Vagy magamfajta amatőrök inkább vegyenek készen egy újat nem kevés pénzért? ![]() Köszönöm a válaszokat!
Szia.Van már némi tapasztalatod erősítő építésben (ic -s,tranzisztoros)?
Nincs. Alkatrészeket át tudok forrasztani, de sajnos nem rendelkezem szakmai tudással.
Akkor talán kezdhetnél valami egyszerűbb ic-sel,Meg olvasgathatnál a csövekről.Kezdésnek megteszi ez.
Köszönöm a dokumentumokat!
Nincs mit.Itt is van némi információ.
Szóval akkor nem javaslod régi rádió használatát?
Nem is tudom.Ha kiváló állapotban van, biztos,hogy nem.Meg milyen rádió?Az sem mindegy.Nekem volt olyan szerencsém,hogy kaptam a kimenőket és a hálózati trafókat,a többi elektronikai alkatrész jobb,ha új.Nem beszélve arról,hogy ha sztereót szeretnél,akkor mindjárt kettő kell belőle.Semmilyen elektronikai tudás nélkül nagy bátorság belefogni.Itt azért szaladgálnak a (jóval nagyobb) feszültségek.Ez nem olyan,hogy szerzek egy rádiót és lesz belőle valami.Valami biztos,de mi és milyen?Ezért javasoltam,hogy olvass utána.Ha tényleg szeretnél építeni csöves erősítőt,megéri.
Köszönöm az információkat! Elmerülök a dokumentumokban hogy világosabb legyen a dolog! Elvégre tanulni, és kérdezni sosem szégyen!
Ezzel én is ugyanígy vagyok.
Ne beszéld már le szegényt, én is kezdőként álltam neki, én is régi rádióból építkeztem, aztán csak összejött. Mondjuk nekem jó mentorom volt.
Én nem beszélek le senkit,de egy kis előtanulmány nem árt,inkább használ.
Szerintem egy pacsirta rádió kibelzésével elindulhatsz. Az állítólag jól szól. Nyilván saját felelősségre cselekszel, de azért nem kell túlmisztifikálni a dolgot. Én közgazdászként estem neki a dolognak és akkor is csak annyit tudtam, hogy ha bedugod az ujjad a konnektorba, akkor meghalsz és már megesett és mégis élek... Az is igaz, hogy nekem pákaállomás és JLH voltak az első próbálkozások. De ha a kondik polaritására figyelsz és nem nyúlsz bele, akkor nagy bajod nem lehet.
|
Bejelentkezés
Hirdetés |


De veszel egy ablaktörlő motort, egy elektromechanikus számlálót és csak össze kell rakni.
Az már a másik véglet lenne...
lehet hogy egész más hangzásvilág ami bejön nekem és ami Neked. 
