Fórum témák
» Több friss téma |
Én is jártam igy de nem lett semmi baj csak melegedtek az ellenálások amiket tettem a tápfesz és az erősitő kőzé.Igy célszerű éleszteni meg égőt sorban a primerel a trafónál(habár ez elhanyagolható ha van ellenálás). Nekem csak nem ment fel a feszűltség a végfokra,megcseréltem és ment
Helló!
Műkődik az elképzelésed.Én mondjuk nem szoktam,csak a trafó primerbe tenni bisztositékot.Bővebben: Link .Szerintem sztereóban 5A/6A tápoldalanként 2 modulnak.Jobb lenne kűlőn bisztositékot használni minden végfokhoz 3A-eset tápoldalanként.Azért jó tenni a trafó primerbe mert ha pl. a diódahid zárlatol le akkor megvédi a trafót is.
Sziasztok! Olvastam nem ártana rakni kondit a kapcsolóval párhuzamba, nos 2 TDA hídhoz mekkora kondi kell? Megj. A fázist s a nullát is megszakítja a kapcsoló, akkor gondolom 2 kell?
Köszönöm a tanácsot. Ha mondjuk a primerbe teszem a biztosítékot oda milyen érték kell? Amúgy elég csak a primerhez biztosítékot tenni?
Nincsen mit.Milyen trafód van(hány W,VA)?Szerintem elég csak a primerbe.Ha nagyon akarod védeni a kitteket meg a trafót is akkor teszel a primerbe is meg a kitteknek is kűlőn-kűlőn.
Sziasztok! Egy kérdésem lenne, hidalt TDA erősítőnél el kell e szigetelni a hűtőbordától a két IC-t külön külön vagy nem fontos csak a háztól? Előre is köszi!
egy beag aet 250-es erősítő egyész tápegysége meg van (trafó+greatz+pufferek) +-37V de nem tudom pontosan hány wattos. Reloop azt írta nekem hogy ez megfelel nekem.
Nemtudom milyen erős lehet a trafó szerintem 1.5-2A tehetel.
Én ugy szereltem rá hogy nem szigeteltem el az ic-ket egymástól.Ajánlott lenne elszigetelni egymástól hogy ne keletkezzen hurok a negativ ágban.Nekem műkődik jól.
Sziasztok! Ezt szeretném megépíteni hídba, ha 4 ohmmal terhelném mekkora hűtés elég (mármint kevesebb kell mint a sima hídnál)? Bővebben: Link
Szia! Ha nagyobb teljesítményt veszel ki belőle, akkor a fejlődő hő is növekszik. A tranzisztorok beépítésével nem változik számottevően a hatásfok.
Akkor ha 4 ohmon menne hűtésnek kb. annyit számoljak mint egy hídra 170w 8 ohmon(a táp ennyire van tervezve)
A hozzászólás módosítva: Dec 18, 2012
Azonos tápfeszültség esetén úgy számolhatsz, hogy egy 4 ohm-os híd energiaigénye és disszipációja megfelel két 8 ohm-osénak.
Szóval ha én 4 ohmon hajtanám 2x akkora tápegység kell 2x akkora teljesítményre?
Melyik jobb borda TDA 7294 hídhoz? a felső 160x31x51mm az alsó 20x10x2,5cm A bordát 2 db. 80X80 mm es venti hűtené.
A hozzászólás módosítva: Dec 19, 2012
szia. Egy ventillátor rengeteget jelent. Nekem egy darab híd egy 100x100as bordán van amin egy 80x80as venti van. Több óra erős hajtás után is csak langyos a borda.
Szerintem a felső is jó.
2 ventillátor hűtené, mivel buliba volna tervezve ezért a nagyobb bordát rakom be. Jah és kell hűtőtönk? (Most először lesz a dobozon GND)
A hozzászólás módosítva: Dec 19, 2012
Ha 4 Ohm-on használod akkor tegyél,jobb hűtése lesz.A kisebb borda is megteszi 2 ventivel,a nagyobb persze jobb.Milyen tápfeszed van 4 ohm-ra?
Ha olyan tervet használsz, ahol elfér egy leszorító kengyel, akkor elhagyhatod a hűtőtönköt. Nálam jól bevált, nagyon hatékonyan tud szorítani is, és hűteni is.
A borda és a ventilátor önmagában nem garancia. "Jól" kell hűteni a rendszert. Lehetőleg ideális mennyiségű levegőt, ideális útvonalon kell mozgatni, célszerűen elhelyezett bordák között. Kiegészítés, mert most olvasom: 4R-ról szó sem lehet! Az 2-2 ohm-al terhelné a híd erősítőit, amit az nem fog tolerálni. A hozzászólás módosítva: Dec 19, 2012
Azért kérdeztem a tápfeszt.+-40V-al nekem is belép a védelem 4 Ohm-on a hidnál.+- 25V....+-30V az még jó 4 Ohm-nak.+-33-al ment 2Ohm-on(nem hid) (2x4Ohm Hangfal).Persze nem volt szigetelve a bordától az Ic máskép belép a védelem.Bocs hogy a szavadba vágtam
Ez most sima 8 ohmos híd lesz. Lehet, majd fogok venni 1kVA os trafót amit majd 2 TDA hidra+tranyókkal kötök s majd 4 ohmal terhelek.(Már a PCB,egyenirányító kocka, kondik megvannak)
Tápegység megfelelő lesz tda 7294-hez hídkapcsolásban.. ?
Rövidre zárt biztosíték!!??. Nagy ötlet! Így legalább nem kell cserélgetni.
Így minek a biztosíték? A GND-t megvastagítottam.
Kicsit benéztem..
Köszönöm a segítséget.. Pufferelés mennyire lesz elegendő??
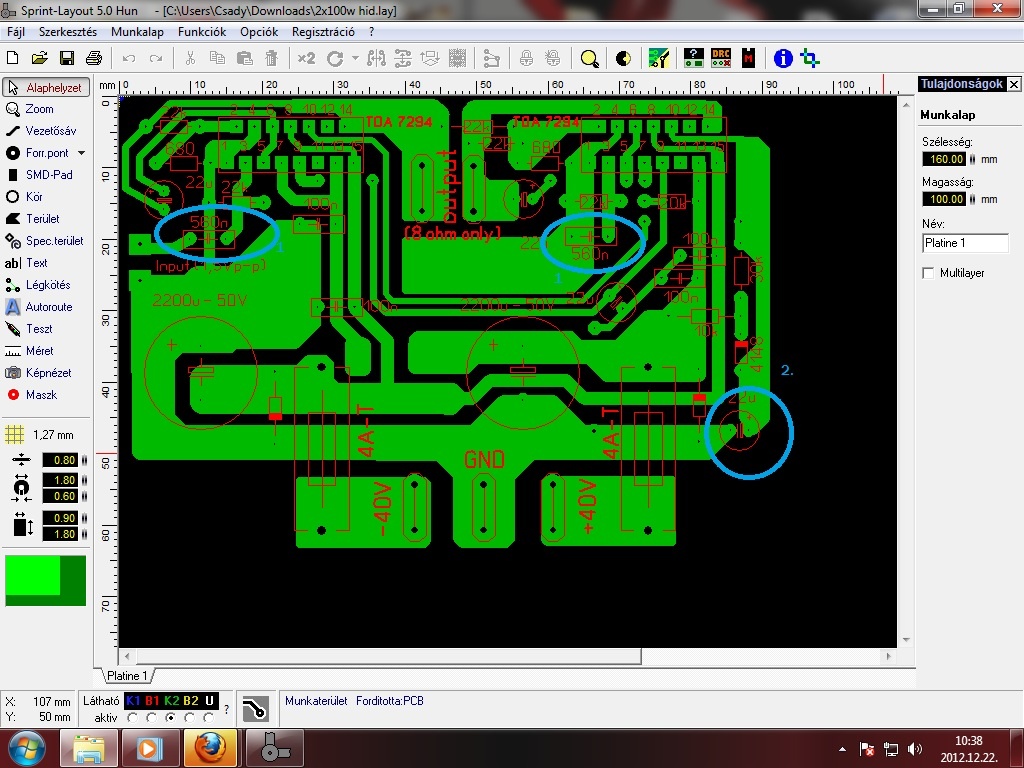
Annyit szeretnék még megtudni hogy az 1 számmal jelölt kondik 560nF helyére 470nF kondit tennék mit befolyásolna ez? megoldható-e?
|
Bejelentkezés
Hirdetés |











