Fórum témák
» Több friss téma |
Sziasztok!
Valakinek nics meg, vagy esetleg nem tudja a lelőhelyét a Line6 Uber Metal torzítópedál kapcsolási rajzának?
Helló! Építettem egy torzítót konkrétan a JHDST1 névre hallgat. Összerkatam és aza lényeg hogy csak a sima gitárjel megy tovább erősítve szóval nem torzít semmit se hiába tekergetem a potikat. Mellékelem a kapcsolását erről elhagytam a hangszínszabályzó részt mert az erősítőmön már van szóval az 1k-s ellenállás után jön a 2,2µF-os kondi és a poti a kimenetre. Nem tudom mi lehet a baja.. a diódáim 1N4148ak ez lehet gond? és van benne egy 2,2µF nem elkó kondi na ott nekem elkó van az lehet gond?? Remélem tudtok segíteni, előre is köszönöm!!!
Szeva! 2 megoldás van, hogy jobban torzítson:
1. A visszacsatoló ellenállást (220k) megnöveled 470k-1M körülire 2. A kimenet felé található 4 dióda közül csak kettőt használsz (kettőt párhuzamosan, egymással fordítva) A második megoldás szerintem jobb, mert így a kimenő 1,4V körüli négyszögjeled csak 0,7V lesz, és nincs annyira túlvezérelve az IC
Sziasztok!
Lenne egy elég fontos kérdésem. Naszóval vettem itt az apróhirdetésből egy Regent 30-as csöves gitárerősítőt (max 40W/8ohm), de mint kiderült érdekes módon egy gitár nem tudja meghajtani, mert teljes kivezérléshez 1,5V kéne, a gitár meg ugye x mV-os jelet ad ki magából... sajnos. És mivel a lényeg az volt, hogy megőrizzem a "legendásan gyönyörű" csöves hangot, ezért beszereztem egy ECC81-es csövecskét előfoknak. Van is egy kapcsolási rajzom hozzá, csak nem tudom, hogy jó lenne-e hozzá... Nem tudom, hogy eleget erősít-e a jelen? A gitár típusa egy Fender Stratocaster-rel egy az egyben megegyező, annak egy olcsóbb "koppintott" mása, egy Keytone.Esetleg ha vkinek van ehhez a csőhöz egy másik kapcsolása, azt is szívesen venném! Huhh, bocs, hogy ilyen hosszúra sikeredett, de mint említettem ez nagyon fontos lenne! Előre is köszönöm mindenkinek! Üdv: Peti
Hello!
tedd fel ide a kérdésedet. Egyébknt szerintem jobban járnál valami komolyabb kapcsolással, nem kellett volna elhamarkodottan megvenni azt a csövet, é na helyedbenm körbenéztem volna kapcs. rajz ügyben. De természertesen biztos, hogy erre is van olyan kapcsolás amivel a mélyet közepet magasat külön tudod szabályozni csak keresni kell, az meg idő De amúgy biztos, hogy megfelelő lesz a kivezérlése, mert egyébként sz*rt se ér rajz.
Szia!
Szóval azt mondod, hogy jó lesz a rajz? Ja amúgy ennél a kapcsolásnál nem kéne neki szabályozni a hangszínt, arra van egy másik kapcsolásom... Előre is köszi! Üdv: Peti
Hello!
Hát én ezt igazából nem tudom megmondani neked. Ha előerősítő néven találtad valahol akkor nagy valószínűséggel jó rajz. Azért még tedd fel oda ahová ajánlottam, mert nem akarok hülyeséget modnani neked
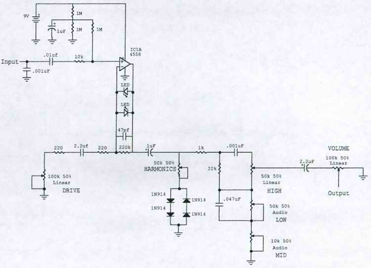
Üdv!
Ez a kapcsi szerintetek működne?Ha igen, milyen lágyab torzítást eredményező diódát javasoltok (a Fet-ek hez)?
sztem ezt neked kell ki kísérletezned!
Ez meglessz! Elémletileg műkszik, csak nem szeretem volna, hogyha a pofámbarobbannak a kondik
. Nemrég olvastam egy 7 oldalas leírásban, hogy hogyan lehet torzítót tervezni. Ez lessz az első. A gain 250-1 között állítható, 50Hz-25kHz között visz át. Egy lágytorzító és egy bluesos 'Shaka braddah' torzító van benne. Meghát egy Big Muff. Majd írok, ha lesz fejlemény.
Működni sztem működik, mert elég sok ilyen opampos torzító kapcsolás van.
Próbálkozz különböző nyitófeszültségű diódákkal, más más hangzása lesz, de egyébként mivel a fetek is "diódaként" vannak bekötve így sztem elég lájtos lesz a hangzás. "A puding próbája az evés"
A cikk szerint ez volt az eredeti 'shaka braddah clipping', IRF540 és a két dióda 1N34. Úgy is sokmindent kipróbálok majd. De azért kössz, majd megnézem a külömböző diódákat.
Arra a cikkre kíváncsi lennék.. Felrakod valahová?
Így van! Nemrég találtam meg a vinyómon. Elolvastam és úgy véltem egy próbát megér.
És esetleg valami normális fordítóprogramra tippet tudsz adni?
Annyira nem vagyok jó angolból, hogy le is fordítsam úgy cakkpakk.. Az online fordító meg enyhén szar
Előbb utóbb le fogom fordítani a héten (kell a honlapomra). Ha készleszek elküldöm!
Sziasztok!
Megtudná nekem valaki mondani, hogy milyen torzítót használ az AC/DC ? köszi üdv. cooler
Hát nem tudom, hogy te kire gondolsz pontosan az Ac/Dc -ből, de amúgy Angus Young (szóló gitáros): ő olyanokat használ, ami alapból benne van az erősítőbe.
De utánzatot tudsz csinálni pl.: Distortion és Overdrive keveréséből, bár amit ő játszik abba több az overdrive. Most találtam: fat gain vagyis "zsíros torzítás"
Az első. Bár a másodiknak is vannak olyan részletei ami hasonló "Angus hangjával", de az első mindenképp. Szerintem. Ja igen bocs, nemsokára küldöm a Hobby Elektronika számból a hangológépet, csak 73 mega a file és csak azt a pár oldalt akaorm neked kivágni belőle.
Helloo!
Jah igen azt már néztem, éppen akartam írni PM-et, hogy elküldted e már... mer nekem nem jött meg... de akkor világos.. ráér ne siess.. :yes: Amúgy a második torzító már készen van.. és nagyon hasonló azis... köszi üdv. heloo
Hello! Megépítettem tavaly a Big Daddy pedált.... de szerintem nem jó! Annyira torz, hogy az már rengeteg, nem hi-gain inkább olyan túlnyomórész mélyebb és elég tompa a hangja, legalábbis élőben, nálam ( a hangmintához képest ).
sziasztok lenne hozzátok egy nagyon nobb kérdésem!!
![]() ha megcsinálok egy Effektet és azt Felkötöm Pc-hangszoróra ugyanolyan lesz mint gitárerősitőn vagy meg se mukkan? és a 3 Legged Dog-effekt kb menyibe fájna megcsinálni? ![]()
1. Nem nobb, hanem noob, de mind1
2. Nem fog megmukkanni, mert azt a jelet még kell erősíteni! Tehát kell hozzá egy jó kis erősítőt építeni 3. "3 Legged Dog" ez meg milyen effekt? üdv
Hali
Simán megfog szólalni! Nyugodtan rákötheted! Csak az a baj, hogy PC-hangszóró hangja lesz, szóval nem a legjobb és nem a leghangosabb... |
Bejelentkezés
Hirdetés |





csöves hangot, ezért beszereztem egy ECC81-es csövecskét előfoknak. Van is egy kapcsolási rajzom hozzá, csak nem tudom, hogy jó lenne-e hozzá... Nem tudom, hogy eleget erősít-e a jelen? A gitár típusa egy Fender Stratocaster-rel egy az egyben megegyező, annak egy olcsóbb "koppintott" mása, egy Keytone.


Annyira nem vagyok jó angolból, hogy le is fordítsam úgy cakkpakk.. Az online fordító meg enyhén szar




