Fórum témák
» Több friss téma |
Fórum » Csöves erősítő készítése
Ne feledd betartani a fórum viselkedési szabályait, és a topik megmaradásának feltételeit. [link]
A téma átmenetileg fagyasztva lett, hozzászólni nem tudsz!
Pedig R646U. Kipróbálom majd kondik nélkül. Az egyik hiányzik is róla egyébként.
20-25 W, mint HIFI erősítő, hangosításra vagy hangszererősítőnek (basszgitár kivételével) 50 W körül tud a vasmag.
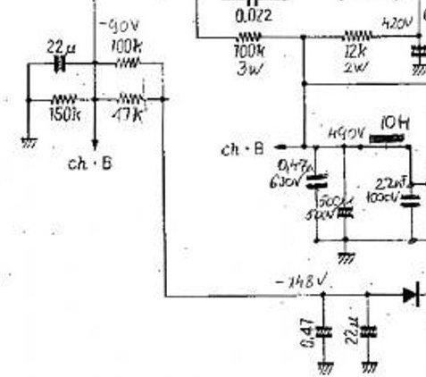
Köszönöm a tippeket, itt a rajz (olyan, amilyen, de szerintem érthető).
Sziasztok!
Múltkor írtam ide a készülő EL84 Se erősítőm miatt, hogy a hangerőszabályzó két végállását kivéve van némi zúgó alapzaja neki... Nos, az a potméter egy kb. 45 éves rádióból származó, 1.5 MOhmos darab volt... most kicseréltem egy 100k-s logaritmikus potméterre (jóval újabb), és ezzel egyrészt teljesen megszűnt a zúgás, másrészt szerintem valamivel a max. hangerő is megnőtt. Nem tudom, a rádióban mi lehetett az oka a nagy ellenállású potméter használatának, de itt úgy tűnik, nem vált be, hiába csöves az erősítő...
Szervusz!
Szerintem egyszerű a válasz. A rádió többi csöves részét nem lehet úgy terhelni, mint amivel most hallgatod az erősítőt, azok pl. CD, hangkártya néhányszor 10kOhm-mal vígan elvannak a rádió hangfrekvenciás része pedig nem terhelhető, csak a jelzett 1.5 MOhm-mal.
Sziasztok!
Kezembe került egy APT100 kimenő (TK222A), és az juttott eszembe, esetleg meg lehetne hajtani valami GU50 vagy hasoló izmosabb darabbal áttekercselés nélkül. Vagy ha nem eggyel , kettővel párhuzamosan, hogy az illesztés közelítsen az ideálishoz. Természetesen SE-re gondoltam. Lenne valami javaslatotok?
100Volt -os illesztő trafó erre a célra nem alkalmas!
Mondjuk az anódfeszek értéke és a 100V engem is kicsit szkeptikussá tett.
Nem ismered esetleg ennek a trafónak a tekercsadatait? Mert nem sok mindent találtam a neten róla.
A légrést ne feledd , ezért is alkalmatlan , ha meg szét kell szedni akkor máris lehet áttekerni az adott célra !
Ránázásre M magos, reménykedtem volna hogy ott akad valami légrés
Ok, meggyőztél, akkor majd szükség esetén egy PP-nek áttekerem.
Köszi !
No, azért turkáltam még picit, és találtam is valamit, majd holnap ráméregetek.
Ha igaz amit írnak erről a TK222A-ról : karakterhibákat ékezetesként kéretik értelmezni akkor az "ezek közül az egyik középen kivezetve B-re" tartalmú sor nekem még ad némi bizakodnivalót egy PP-ben való felhasználásra az eredeti kivitelben. A hozzászólás módosítva: Dec 14, 2013
Most látom, nem a 100V-os-ról jön a B közép kivezetés, hanem a primerről
azaz a kisOhmosról.
Szerintetek melyik jobb hangkimenőnek?
- Hagyományos EI lemezelt vasmag - Vagy toroid Az utóbbit hogyan kell méretezni hangkimenőnek?
Nem a vasmag alakja, hanem annak anyagminősége, és lemezvastagsága számít. A toroid magok tudtommal csak hálózati frekvenciára készülnek, EI magokat viszont gyártanak (gyártottak) kifejezetten hangátviteli célra is.
A toroid csak PP-hez alkalmas (nincs légrés), vagy nagyon(nagyon) kis SE-hez, ahol jelentéktelen az egyenáramú összetevő. Általában a toroidok már jobb minőségűek, ezért nagyobb gerjesztés engedhető meg (kisebb méret), továbbá vékonyabb (0.1mm, vagy még vékonyabb) szalagból tekercselik, részletgazdagabb a hangjuk, jobb az átvitelük, szinte sosem telítenek be. Csak nagyon macerás a tekercselésük. Méretezni ugyanúgy kell, csak nagyobb gerjesztés engedhető meg, torzítás nélkül. Biztos láttál már (legalább itt a képgyűjteményben) lánc/mag típusú kimenő trafót, az tkp. toroidként is értelmezhető (oroszok alkalmazták előszeretettel). EI-ből is az igazi, a 0.35-0.2 lemezvastagságú (minél vékonyabb, spéci).De hát örülünk, ha 0.5-ünk van, és a tekercselés osztásával 'gépészkedünk' a jobb hangminőségért.
Köszönöm! Igen PP-hez kell. Egy GU50 400V anódfesz, és kb olyan 40W-os kimenő teljesítményre. Akkor vajon toroidból mekkora mag kell, ~120W körül?
Akkor nem vetem el, hanem tervbe veszem a lehetőséget. Nem én tekercselném egyiket sem. A hálózati fronton már a toroid a biztos. EI-ből nagy és súlyos darab lenne ami kellene.
Kösz Zoli.
Hát szerencsém van, mert az Ő elérhetőségeit kaptam meg mástól. Hangkimenőn még gondolkodok, meg beszélek róla a csöves ismerősökkel, hogy mit mondanak rá.
Sziasztok!
Nos djhans, Gafly, FordPerfect, kb. ok. amit írtatok a melléklet szerinti vasra? A hozzászólás módosítva: Dec 15, 2013
Uraim! Én a végletekig laikus nem értem a mellékelt kapcsolást.
Az ECC83 körülött található feszültségek nekem értelmezhetetlenek. Ha rossz a rajz, én nyertem, ha nem, akkor még annál is zöldebb a fülem, mint gondoltam. Ez utóbbi elgogadott részemről, csak kérnék indokot, ha azok a feszültségek igazak, mit nem értek vajon...
Miért lennének értelmezhetetlenek? Csak nagyjából számoltam utána, de jónak tűnnek a feszültségek.
A katód egy feszültség osztóra van kötve, ami durván 1:3 arányban osztja a -148 V feszültséget, ehhez jó lehet az osztásponton mért -90 V. A katódellenálláson durván 90 V esik, ez 0,6 mA katódáramot ígér, ha az anódellenálláson eső feszültségből számított anódáram 0,3 mA, ez ugyebár kétszer adja a katódáramot. Az más kérdés, hogy a -0,6 V rácselőfeszültség mire jó, de ettől még működőképes. A hozzászólás módosítva: Dec 15, 2013
A katódellenállás osztói vége masszívan kap 490V-ot!!!
Ezt nem értem! Ott semmiféle osztás nem érvényesülhet, ha a rajz valamennyire is korrekt. Ugyanis pár mm-el arrébb meg -90V van írva. Ha el van rajzolva azt értem, de így nem. Arról nem beszélve, hogy az ECC81 rács+anód kötését utólag radírozták ki. Innéttől azt se hiszem el a rajznak, amit kérdez... A rajz szerint a katódellenállás végén +490V van, anódellenállásán meg +160V??? A hozzászólás módosítva: Dec 15, 2013
Az a nyíl a Ch+B oda-vissza, na az csinálja a fesztivált...
Könnyű nektek, szakembereknek, nem vagytok hajlandók, csak jól látni, amin én fennakadok... ![]() Gondolom, azért trükköztek a cső tápfeszével, hogy kiküszöböljék a komolyabb csatolókondi szükségességét. A hozzászólás módosítva: Dec 15, 2013
Meglehet elnézted. Ha jól látom, a katód osztó -148 V ot kap. A 490 V, a nyers anódtápfeszültség. Ebből a 700 k / 68 k osztóról kapja az ECC83 a feszültséget, durván 170 V -ot számoltam, ami jó a 160 -nak.
Valóban, azért van "belógatva" a differenciál erősítő a + és a - táp közé, hogy a rácsok földön lehessenek. A katód osztó árama elég nagy, hogy a két oldali 0,6 mA -es terhelést elbírja. Pontosan nem számoltam, csak úgy nagyjából. A hozzászólás módosítva: Dec 15, 2013
Engem nem ez aggasztott, mert nézhetjük jól is.
Hanem ott van egy nyíl az osztóból lefelé és odaírva Ch+B. Aztán egy kicsit tőle jobbra ott a nyers anódfesz (+490V) és egy nyíl, odaírva Ch+B. Én a Ch+B-t egyenlőnek gondolom Ch+B-vel. ...és máris faramuci az egész. A hozzászólás módosítva: Dec 15, 2013
Persze, mind a kettőnek külön külön át kell mennie a másik oldalra. Persze lehetett volna precízebb is a rajz, de azért értelmetlen lett volna kétfajta tápfezültség funkció nélküli összekötése.
CH-B -k szerintem nem kapcsolatot jelölnek, mert akkor összekötötték volna, hanem a Channel B jelölése, és a B oldalt kéne csak odakötni... az a két CH-B nem érintkezik egymással közvetlenül.
Igen, így már érthető a dolog... Mindazonáltal lehetne azért jobb rajz. Én a tetejére írtam volna ch * A.
Az ECC 81-eseknél is megtévesztő a radírozás, egyik kollégánk ismeri az eredeti rajzot, amiből ezt a csonkoltat látjuk.
Szerintem a "B" csatornát akarja jelenteni mivel ch a csatorna rövidítése, és annak is nyilván kellenek ezek a feszek.
|
Bejelentkezés
Hirdetés |


Hát szerencsém van, mert az Ő elérhetőségeit kaptam meg mástól. 

