Fórum témák
» Több friss téma |
Hello!
Szerinted ez a Delfi jósda? Mert még a típusát sem írtad le, hogy tudja valaki mid is van.. ![]() Viszont neked is kellemes ünnepeket! üdv! proli007 A hozzászólás módosítva: Dec 26, 2012
Üdv. hogy én is kukacoskodjak.... honnan veszed a 6,25 és a 8,4 ohmos ellenállásokat?
Kiméred őket? Nem hiszem. Ahogy a sorokból láttam nem vagy kellően felszerelve erre. No de miért nem használsz az E12-es sorozatból, tehát 6,8 és 8,2 ohmost? De ha 1100mAh-t aksid van akkor 110mA a nyerő nem? Abban sem vagyok biztos, hogy a 7812-es bír-e adni 320mA-t 10 órán keresztül. Főleg ha nincs jól hűtve. Habár 1A-ra van deklarálva, de annyit nem tud adni, oda is LM317T-re lenne szükség szerintem. Azonkívül ez már begrágott tészta. Csak el kellene olvasni többet. Sok Szerencsét!
Üdv!
Tudom, hogy működik, meg minden... De légy szíves értsd meg az NiCd/NiMH akku töltés lényegét. Bővebben: Link A te esetedben nyugodt szívvel eldobhatod a kapcsolásból a 7812-őt minden alkatrészével együtt, azért nincs rá szükséged, mert nem konstans feszültséggel, hanem konstans árammal kell töltened az akkupakkot. Ilyen esetben az üresjárati feszültség teljesen lényegtelen (lehetne, akár 50V-is, ha bírná az IC), amint ráhelyezed az akkupakkot, le fog csökkenni a mért feszültség a akkupakk feszültségére. A kimeneten lévő C2-es kondit is vedd ki, az sem kell, mert ott nincs semmilyen áramkorlát és amint ráhelyezed az akkut, akár tönkre is teheti azt a hirtelen áramlökés miatt. Az LM317 ellenállásai sem igazán jó értékűek... Nem tudom te hogyan számoltál, de nálam a képlet Iout=Vref/R. A Vref az 1.25V, ebből adódóan az általad megadott ellenállásokkal az Iout= 200mA /6,25 Ohm/ és 148mA /8,4 Ohm/. A kisebb töltőáramot vehetjük akár jónak is. Végszóként még annyit, hogy a TINA szimuláló programot nagyon gyorsan felejtsd el, sok mindenre nem tudod használni. Ajánlom helyette a National Instruments - Multisim-et.
Helló! Mindent mérlegelve, rövidre veszem a szót. Szerintem igen is fontos a töltőfeszültség is. Az aksi hőmérsékletéről nem is beszélve. Én neked ezt a linket ajánlom!
Sok szerencsét! Sokat kísérletezz! http://www.solorb.com/elect/tmpchrg/ http://batteries.com.ne.kr/Charge/Temperature%20Controlled%20Consta...er.htm A hozzászólás módosítva: Dec 27, 2012
Sziasztok!
Lenne pár kerdesem....van kettő darab nimh ceruza akksim, 2700 mah, es ezeket szeretném tölteni. Azt olvastam hogy ki sütni nem nagyon kell őket mert allasukba is merulnek....tehát akkor 270 mah-val kell hogy toltsem oket 3v feszultsegen ha sorba van kotve...és ehez egy lm317es ic megfelel meg par ellenállás? Esetleg hogyan lehet megoldani hogy ne töltse túl? Idokorlattal? A tapegyseg mindegy milyen csak legalább 3voltot adjon ? Köszönöm a segitseget előre is
A töltésre megfelel az LM317 meg pár ellenállás, de honnan tudod, hogy mikor vannak feltöltve?
A NiMH cellák töltésének végét feszültségugrás, majd csökkenés jelzi.Bővebben: Link A hozzászólás módosítva: Jan 4, 2013
Hello!
Ha 317-el szeretnéd tölteni, akkor nem 3V kell, hanem a cellák töltési végfeszültségénél még legalább plusz 3+1,25V-al magasabb feszültség, a 317 miatt. Valóban "egyszerű áramgenerátoros töltésnél" csak időkorlátot tudsz alkalmazni. üdv! proli007
Értem....esetleg akkor mi van ami ilyen egyszerűen megvalosithato es mondjuk nem lm317 kell hozza? De mindenkepp nem koltseges
Hello!
Örülök, hogy érted, csak én nem így gondolom.. A kezdőknek mindig ez a vesszőparipájuk: "Egyszerű-olcsó" de azt még nem teszik hozzá elsőre, hogy "és mindent tudjon". Nos, ilyent még feleségben sem találsz. Ha egy cseppet logikusan gondolkodnátok, egyből rájönnétek hogy nem azért bonyolítanak egy áramkört, mert nem volt hol tárolni a felesleges alkatrészeket!.. De olvashattad volna cseppet a NiMh topikot. Nem az askik töltése a gond, hanem a feltöltöttségi szint megállapítása. Mivel azt alapból három módon lehetne megvalósítani. 1. a hőmérséklet emelkedésének tendenciáját figyelni 2. a cellanyomás növekedés tendenciáját figyelni 3. a töltési feszültség tendenciáját figyelni. Mivel a 3. lenne a legkézenfekvőbb, fizikailag megvalósíthatóbb általában ezt választják. De mivel a feszültség változást kell az idő függvényébe figyelni, ami ráadásuk néhányszor 10mV értékű, a vizsgálati idő relatív hosszú, így egyszerű analóg módszerekkel ez nem kivitelezhető, vagy is mikrokontrollert használnak erre a célra. Ami egyéb biztonsági funkciót is ellát. Ráadásul a feszültség figyelt jellege csak jelentős töltőáramnál érzékelhető, így komoly melegedés is előállhat, ami tönkre teheti a cellát. A nagy töltőáram alapból jó is lenne mert csökkenti a töltési időt, csak éppen számtalan hátránya is van. Nos erre kell gombot varrni, nem az LM317-re.. üdv! proli007
Oké...és ha bele kotok egy idomerot ami adott idő utan le kapcsol ahoz mik szuksegesek? Vegig olvastamar de egy csomo régi linket nem lehet megnyitni
Köszönöm
Kerhetem esetleg a segitsegedet abban hogy össze allitasz nekem egy kapcsolasi rajzot? Van egy halozati adapterem, 230 voltbol 0-12 v ig állítható a kimenet, és 800ma a teljesítmény
No, de fiúk! Olvas valaki visszafelé is? Ez már megjelent egyszer kétszer....
Amit most be linkeltel arra nem hoz elo semmit...rossz a link
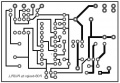
megtudtam nézni ezt a kapcsolási rajzot... de ez nekem elsőre bonyolult...12 voltról nem lehetne működtetni ? mert a tápegységem csak 1,2- 12 voltig lehet szabályozni
meg esetleg egy lista nincs hozzá amin fel vannak sorolva az alkatrészek ? mert párat igy nem tudok azonositani : / A hozzászólás módosítva: Jan 4, 2013
Hello!
Ha elsőre komplikáltnak tűnik, akkor építsd meg először ezt az egyszerűbb változatot. (Mondatokat pedig nagybetűvel kezd, mint eddig tetted.) üdv! proli007
Helló! A linkek jók! Nekem működtek ebben a percben...
Helló! Újból ismétlem: valamennyit innen (hobbielektronika.hu) töltöttem le. Tehát ITT van!
Csak többet kellene olvasni.
Köszönöm szépen a segitseget! Ez a rajz egyszerűnek nez ki, nem is kell hozzá sok minden...ez akkor egyszerre egy akkut tolt 270 mah-val ? És egy villogo led is van benne? Nagyon szépen koszonom
Üdvözlettel: Dávid
Hello!
Mivel áramgenerátorral tölt, (vagy is a töltőáram állandó, akárhány cella is van rákapcsolva sorban) ténylegesen a tápfesztől függ, hogy hány cellát lehet egyszerre maximálisan sorban tölteni. (De ugye arról, hogy mit szeretnél tölteni eddig nem emlékszem, hogy szó lett volna, feltételeztem, hogy valami aksipakkot szeretnél tölteni.) A töltőáramot it az R6 határozza meg, ami kb. It=0,65V/R6 értékű. Azaz 270..290mA között lesz. A Led-ek és velük soros ellenállások akár el is hagyhatók. De valami jelzés nem árthat. (Az R5 természetesen nem maradhat el, mert az a bázisellenállás. Az impulzusok jelzéséhez mindenképpen fehér Led ajánlott, mert azok általában nagy fényerejűek. A 10kohm-ot meg nem érdemes csökkenteni, mert az már befolyásolja az ütemadó működését is. üdv! proli007
Sziasztok
Ven egy bosch psr 9.6 ves-2 tipusú fúró,behajtó gépem. Sajnos az akkuja már nagyon gyenge így arra gondoltam hogy újracellázom. Szeretnék a Ni-Cd cellák helyett Ni-Mh cellákat használni. A nagy kérdés hogy az akkutöltő jó-e hozzá? Tipusa: AL 60 DV ,képet csatoltam róla. Nekem anno azt mondták hogy lekapcsolja a töltést ha feltöltött az akksi vagy csak valami csepptöltés megy vagy ilyesmi. ![]() A gyári akku Ni-Cd 9.6V 1.4Ah-s és amit szeretnék az Ni-Mh 9.6V 2.9Ah-s akksi. A hozzászólás módosítva: Jan 5, 2013
A korábbiakban irtam mar hogy ket darab 2700 mah-s ceruza akkut szeretnek tolteni, akkor mindkettot rá kothetem egyszerre?
Biztos vagy benne, hogy jól jársz a cserével?
Nemrég hozzámvágtak egy Makita akkusfúrót, mondván hogy teljesen kukák az akkui, ha gondolom csináljak vele valamit.
Gondoltam körülnézek a neten, mit javasolnak. Mivel a töltője elég profinak néz ki belülről is, és a név is kötelez, sajnáltam volna kidobni, de mégjobban sajnáltam volna a két telepbe 12 darab akkut venni, vagy 16 ezerért újakat rendelni. Egy német oldalon találtam egy kapcsolást, amivel a még nem menthetetlen , de nullára lemerült akkukat fel tudjták jó eredménnyel éleszteni. Valami hasonlót itt is olvastam, de konkrétumra nem nagyon emlékszem. Tehát mindenk előtt a kibontott pack akkuit (ez 7,2-es tehát hat darabos volt) nem szedtem darabokra, csak a ponthegesztett lemezekre forrasztottam 3 cm-es merev vezetékeket. Majd - hogy álmukból felébresszem őket, és az esetleges lerakódott zárlatot okozó masszát leveressem belülről, feltöltöttem egy 10000mikró 50V-os elkót 15V-ra. Ezt minden egyes cellára rásütöttem háromszor. Azért volt erre szükség, mert a később leírt procedurára máskülönben nem reagáltak normálisan a cellák. A procedura pedig ezután annyi, hogy a +-tól haladva a - felé, minden egyes akku cellára egy párhuzamos 10 Ohm+1N40001(nyitó irányban) dióda párost kötöttem. Erre adtam a labortápról áramkorláttal 700mA-t kb. 2 órán keresztül. A második óra vége felé kezdett langyosodni a csomag, ezért leállítottam. Hozzáteszem ha van hőelem vagy klixon a pakkon, azt érdemes sorba kötni a töltő árammal. Ezzel a módszerrel mindkét akkucsoportot sikerült visszahozni az életbe, pedig a feszültségük abszolút 0 volt, és totális rövidzárnak mutatkozott előtte minden cella. Ez volt kb. 3 hete, azóta nyúzogattam, de nagyon bikának bizonyul. Valószínű szerencsém is lehetett, és nem azért tették félre mert már gyenge volt valamelyik cella, hanem simán önkisült az egész az évek során amíg elfeküdt valahol. Ha valakinek ilyen nullás aksi kerül a kezébe, azért ennyit még megpróbálhat mielőtt kidobja. A hozzászólás módosítva: Jan 5, 2013
Szia
Nem vagyok nagy akksi szakértő csak az olvasottak alapján mintha előnyösebb lenne a ni-mh akku. Neked van negatív tapasztalatod vagy gyakorlatod ezzel kapcsolatban?Szivesen fogadom a tanácsokat vagy ötleteket. Nem utolsó sorban faternak van itthon 1.2V 2900mAh-s forrfüles akku cella. ![]()
Rendben,de ha nem lenne?
![]() Egyébként a töltő jó hozzá szerinted? A hozzászólás módosítva: Jan 5, 2013
Hát - ez az eljárás eléggé érdekes. De ha valóban működik, akkor jó!
Nekem 2 ilyen akksi pack-om van a kézifúró-géphez, amelyekben - feltételezem, hogy többnyire sorbakötötten vannak - elég, ha az egyik akksi rosszalkodik a sorában. Máris megszakad a feszültséglánc és oda a kicsikarhatóan hatásos teljesítmény. Majd megpróbálom ezzel a módszerrel. ... hátha? Ezeddig csaknem minden használat előtt tölteni kellett, de sokáig nem is bírta. A hozzászólás módosítva: Jan 6, 2013
Tehát akkor 2db nimh 1,2 voltos ceruza akkut sorba kotok akkor 6voltal tolthetem oket ?
Hello!
Természetesen. írtam is, a rajzra, hogy 1..7celláig használható. Természetesen ha kevesebb a cella, akkor a tápfesz is csökkenthető. A szükséges feszültség, a (cellák száma +1)*1,5V körül van. Így két cella esetén, már 4,5V tápfesz is megfelelő lehet. (Természetesen az IC miatt, a 15V-os tápfeszültséget nem érdemes átlépni.) üdv! proli007 |
Bejelentkezés
Hirdetés |






















