Fórum témák
» Több friss téma |
Mellékeltem egy képet a szerintem helyes gate meghajtó trafó bekötésről.
A nyák huzalozásán viszont kellene még optimalizálni, hogy a gate trafó és a FET-ek között ne legyenek ilyen hosszú huzalok. A gate ellenállások gate-hez minél közelebbi elhelyezését is jó lenne megtartani a nyák áttervezése közben.
Az kizárt dolog, mert nem tudom. Te nagyobb forward szakértő vagy
![]() Azzal egyetértek hogy ferritnél az 50 fok nem meleg, és nem csak a rossz ferritnél. Ajobb ferritek is 50-100C között telejsítenek optimálisan.
Remélem, ezt a ferritek is tudják, ugyanis, most kellene csinálni egy 150 W-os tápot 100 fok környezeti hőmérsékletre. Egyenlőre a csévetesttel vagyok gondba, a többi még beszerezhető.
Az igazság hogy 2 szinte egyforma panelem van a 2 között annyi különbséggel hogy a képen levő a szekunderben 2 shootkyt használ FET nélkül a másik (1 shootky 1 FET), a primerben minden ugyanaz de az első (nem a képen látható) konstrukció meg beiktat egy STIL04-T5 limitert is, igazából azon is gondolkodom hogy a 2 közül melyik a jobbik konstrukció, valószínűnek tartom hogy a shootky+FET. A trafó 200W terhelésnél hűtés nélkül olyan 65-70 fokos, hűtéssel 55 fok körül van. Amúgy tervezek venni egy kézi műszert ami mér frekvenciát és induktivitást gondolom az segíthet valamelyest, a régi kici Kínai ép tönkrement bár az új sem Nemet gyártmányú lesz.
A hozzászólás módosítva: Jan 8, 2013
Lehet hogy rosszul emlékeztem és csak generátor van benne három fázisú, nem tudom.
Nem mindegyik reset tekercses, nekem is van egy olyan roncsom amiben RCD van meg egy supressor dióda. Nem akartak tökölni a plusz tekerccsel.
szia. nem hajtja az n es Fet et. csak a negatívhoz képest mérek rajta mármint a kimeneten plusz jelet. A tápom 24 v hozzá. egyszer beindult kb pár percre azt azota semmi,de akkormár kinomban mindent kötözgettem.
Pluszt nyilván csak a negatívhoz képest lehet mérni. Az IC kimenetén vagy van jel (és akkor hajtja a fetet) vagy nincs (ez látszik egy szkópon). Nincs harmadik lehetőség. Csatolj egy rajzot, mert ez így teljesen érthetetlen.
A hozzászólás módosítva: Jan 8, 2013
lorylaci: az új excel tábládba az IRS27951 lapon a B77-es cella jól számol? Mert a B75-ben a csúcsáramot 2-vel osztja, itt meg 1,41-el.
Igen jól, az első lapon írja, hogy a két szekunder különböző egyenirányításokra van tervezve. Emiatt van a különbség.
A hétvégén beszámoltam a nagyteljesítményű (>1kW) LLC konverterem éleszgetéseiről.
Már teszteltem terheléssel is. Azt tapasztaltam, hogy 100W és 200W terhelés között mindössze 0,4V-ot esett (170V teljes tápfesz), de üresjáratban nagyon megemelkedik a fesz. Kb 20W üresjárati terhelésnél az üresjártai 330kHz-ről 160kHz-re (utóbbi a rezonanciafrekvencia) esett a fesz, jelezve, hogy itt már oké neki. (20W végülis a tervezett csúcstelejsítmény 1%-a). Persze tudtam én hogy ezt a trafó szót kapacitásai okozzák, de eddig nem gondoltam mennyire, míg el nem kezdtem méricsékélni és zimulálni. A trafóm telejs primer induktivitása 51uH, szórt induktivitása 4uH, vagyis a mágnesező 47uH. mivel a szórt induktivitás kevés volt (laza a csatolás), ezért kiegészítettem Coilcraft tekercsel, ami lapos huzallal van tekerve, telítési árama 20A és induktivitása 3uH (és kevés helyet is foglal). Megmértem a trafóm szórt induktivitását, ami 4,8nF-ra adódott. Mivel vannak szekunder oldali diódák is, ezért azokkal együtt ez kb 5nF lesz. Be is adtam a dolgot a Multisimnek, mellékelve az eredmény. Az átviteli tényező minimuma 0,936 mégpedig 250kHz-nél, de 330kHz-nél ez 0,952. Vagyis ha a maximális frekvenciát lejjebb viszem akkor jobb lesz a helyzet. Ennek függvényében meg fogom nézni a cikkben lévő kis tápot is. Ott nem volt gond rárakni 2W üresjárati terhelést, de leeht hgoy egy kis optimalizálással 1W is elég lenne oda. Ahogy látjátok a 5nF-ot érdekes módon oszottam el, mivel egy részét a primer okozza (ami a trafó szórt induktivitását is átíveli) és egy részét a szekunder (ami csak a mágnesezőt íveli át). Nem tudom jó -e az elgondolásom.
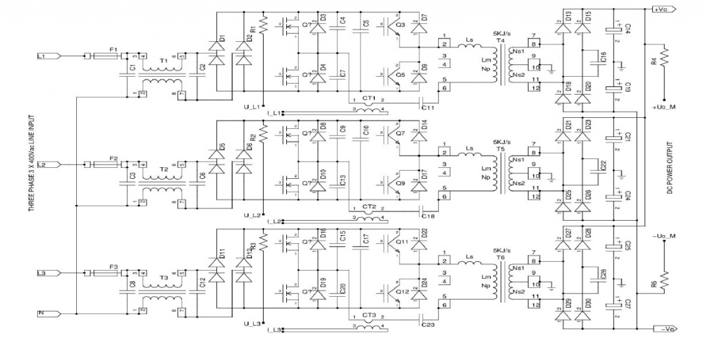
Nem hiszem el! Ezek a magyar mérnökök mit meg nem csinálnak! 1 u magas erősítő, 3 fázis összteljesítmény: 40.000W létezik? Milyen séma alapján épül fel vajon egy 3 fázisú kapcsolóüzemű táp? Főleg ekkora teljesítménynél. Ez érdekes. Mert ha létezik márpedig létezik akkor van megoldás a problémámra. 3fázisú kapcsolóüzemű tápot kéne készítsek, 3db egyforma maggal, így azok méretbeni kivitelezése jóval alacsonyabb is lehetne mint a jelenlegi, talán még kevesebbet is disszipálnának, ha osztódna a terhelés. Vagy merészeljek inkább nyitni egy új témát: Kapcsolóüzemű táp 400V-ról?
Bővebben: Link A hozzászólás módosítva: Jan 10, 2013
PKNC az nem kismiska. De A 40kW, a tápnak átlagosan (disszipáció szempontjából) nem kell ennyit tudnia.
Előszis van egy egyeniránsító híd nélküli három fázisú PFC, ami természetesen valamilyen lágykapcsoló trükkel megy (hogy milyennel...). Aztán ilyen teljesítménynél szinte biztosan egy többfázisú LLC konverterről van szó (sőt írják is hogy resonant switching, de ez akár jelenthet egy ZVS fázistolásos teljeshidat). Szinte biztos több fázis, mert a szekunder oldali puffer menyniséget csak úgy tudják lecsökkenteni. A konverter tuti úgy van kitalálva, hogy nagyon széels bemenő (mondjuk 360-440V) megy, hogy a primer kondi mérete lecsökkenjen. A végfokban meg PKNC szinte mindig ZVT egészhidas D-osztályú erősítőket használ. Erről van doksijuk is. A ZVT miatt a kapcsolási vesztségek nagyon lecsökkennek, így tundak sok és durva FETet használni párhuzamban. Maximálsian kihasználjáka az ARM procik előnyeit, a vezérlésnek minden része azzal megy. A hozzászólás módosítva: Jan 10, 2013
Most már csak azt kellene tudni, hogyan mérik ezt a teljesítményt...
Kis esti olvasnivaló
Persze ahogy nézem nem is egyenirányító híd nélküli. És nem is LLC, hanem LLCC konverter. (mivel ekkro a trafó parazita kapacitásai, a szekunder oldali diódák kapacitásai nem nagyon tennék lehetővé az LLC-t). Meg van pár érdekes dolog.
Ha jól nézem a primer oldalon nincs puffer (kondi az van, de nem elko). Így lényegében nem feltétlenül kell PFC, a szekunder oldalon meg olyan lesz az egyenirányított feszültség mintha eleve 3 fázisú egyenirányítóból jönne.
Régebben egy Telefunken berendezésben láttam olyan megoldást, hogy 2db 40kW körüli 3 fázisú (50Hz-es) hálózati trafója volt, azonban ez egyik trafó primer oldala csillagba, a másik deltába volt kapcsolva. A szekunder oldali, 2 külön háromfázisú egyenirányítás után, a DC feszültségek lényegében sorba voltak kötve. A trafók eltérő fázisviszonyai miatt az DC oldal 6/12 fázisú egyenirányított jelnek felelt meg. (a hullámosság ilyenkor kicsi, a frekenciája 600Hz ha jól emlékszem). PFC nem volt beépítve: valószínűleg az egyenirányítás módja, és az 50Hz-es trafók miatt nem volt feltétlenül szükséges.
A primer oldalon valóban kicsi, ám annál spécibb kondenzátorpark van. Ott nem tárol különösebb energiát csak nagyfrekvenciás szűrést biztosít. Elko nincs a primér oldalon. A lényeg a soros-párhuzamos rezgőkör azon tulajdonságában rejlik, hogy egyaránt képes a feszültség növelésére vagy csökkentésére a transzformátorok kimenetén a frekvenciától/terheléstől/PWM éréktől és fázis-eltolástől függően...
Vannak ilyesmi tápok régóta már rakétákban meg műholdakon de erősítőben jó eséllyel ez lesz az első ![]() Nyilván ehhez a megoldáshoz kontroller nemigazán akad, a vezérlés CPLD/DSP implementációja pedig szintén komplikált, viszont megvan az az előnye, hogy maga a tépegység akár nagyon kis méretű is lehet ráadásul eléggé jó hatásfokkal és teljesítménytényezővel. A hozzászólás módosítva: Jan 12, 2013
Kedves Péter!
Nagyon örülök, hogy itt láthatlak ebben a fórumban. Az előbb említett tápegység tervezése brilliáns. Én speciel nagy rezonáns párti vagyok, ezért jó látni egy ZVS+ZCS tápot, ami a vezérlés eszméletlen nehéz volta ellenére is ezt megvalósítja, a hatásfok és a méret eléréséhez. Ahogy azonban én észreveszem, lényegében itt a PF-t úgy garantálja, hogy a konverter bemneti feszültségtartománya nagyon szélesre van tervezve, így képes kb 100-500V között is menni (ez sacc). Szóval végülis sosem lesz 1 a PF, de nagy terheléseknél elég közel lesz hozzá (ahogy írtátok >0,92 x kW-nál). Egy kérdésem lenne. Mivel a szekunder terhelés nagy mértékben ingadozó (végfok), ezért a legtöbb PFC-ben az áram fel és lefutási ideje korlátozva van (a visszacstolásban szűrő köre úgy van kitalálva). Ehhez igazítják a primer kondikat, a konverter bemeneti fezstartományát, hogy a hold-up meglegyen, de ez így garantálja hogy a hálózat nem lát egy baromira ingadozó terhelést. Én láttam már aggregátor vezérlést tönkremenni élőben ingadozó terheléstől, így felmerülne a kérdés, hogy ez nálatok a digitális vezérlésben implementálva van -e? A másik kérdésem pedig az, hogy nem gondolkoztatok -e integrált rezonáns kör alkalmazásában a planár trafónál? Van a neten több 1 MHz-es LLC kovenrterről szóló szakdoga, tézis, ahol a planár trafóval a tekercsrétegek közé dielektrikumot raktak, így a rezonáns kondenzátorokat is beleintegráláták a rendszerbe. Gondolom az LLCC konverterből adódó szekunder kapacitást maga az egyenirányító dióda (és a trafó szórt kapacitásai) adja, így külön kondira ott nem volt szükség.
Bizonyos tartományban és feltételek teljesülése esetén a rezgőkörön átfolyó áram egész szépen arányos a forrásfeszültséggel, tehát a terhelés rezisztíven viselkedik.
Nálunk nagyon komoly (és költséges) energiatároló elektrolit-kondenzátorpakk van a szekunderen ahonnét a végfok kellő ennergiát húzhat ki tranziensek idejére. A tápegységnek nem szükséges nagyon gyorsan reagálnia mert a kondenzátorpakknak szép nagy a tehetlensége, ráadásul annyival magasabbra van méretezve a buszfeszültség hogy 10-15V-os esés nem is számít. Másrészt a 3 fázisú táplálásnak azért megvan az az előnye, hogy nincs egyszerre mindegyik fázison "nullátmenet" ezáltal jelentősen gyorsabban is be (tudna) avatkozni a táp ha szükséges járulékos primér oldali energiatárolás nélkül. A passzív elemek, így a rezonáns köri kondenzátorok is részben integráltak a transzformátorban. Sem a félvezetők sem a tekercselés parazita kapacitása önmagában nem elegendő a szükséges kapacitásértékek elérésére, ezért sok kiegészítő kondenzátor van a paneleken.
Nagyon profi ez a táp. Látszik, hogy nagyon hosszú fejlesztési munka áll mögötte. Én arra lennék kíváncsi, hogy így a 3 f-ú betápról, folyamatosan, mekkora teljesítményt képes leadni? ( nem csak végfokokhoz lehet ilyet használni... )
Értem, lényegében azzal, hogy háromfázist használtok a holdupnál nincs szükség 10ms-ra, hanem elég 3.3ms. Bár a táp leírásában szerepel, hogy működik egy fázisról, gondolom akkor ezeket a paramétereket már nem garantáljátok (jogosan).
Lényegében a holdupról a szekunder oldali bank gondoskodik. Bár nem tudom mennyi a szekunder oldali feszültség, de gondolom 200V alatt van, így felmerül bennem a kérdés, hogy esetleg szinkronegyenirányítás alkalmazása nem járt -e volna előnyökkel? Ha már digitális vezérlés van, akkor a TO247-es fetek parazita induktivitása is kikorrigálható a vezérlésnél. Vagy a várt hatásfokjavulás elenyésző lett volna a komplikációkhoz képest? A hűtőbrodán a szekudner diódák vannak leghátul, és gondolom a hűtés ellenáramú, így ott van a legmelegebb. Katt: írják a leírásban a folyamatos teljesítményt is. Nyílván azt már a hűtőteljesítmény és a környezeti hőmérséklet is befolyásolja. A hozzászólás módosítva: Jan 12, 2013
Kifejezetten audió célokra lett fejlesztve ez a táp, a végfok igényeihez igazodik. Szélsőségesen változó terhelést is kezel probléma nélkül valamint szépen kordában tarható vele a hálózati áramfelvétel ami ezeknél a nagy erősítőknél rendkívül fontos. Mivel a kimeneti karakterisztika a végfok igényeihez van beállítva így nem bizos, hogy változtatás nélkül más célra is jó lenne, de maga a topológia a vezérlés átírásával természetesen működhet.
Egyfázisú táplálással is megy viszont ha nagyon terhelve van a végfok és magas kitöltésű a zenei anyag akkor azért illik a 3x 400V. A szekunder oldali feszültség jócskán 200V felett van.. majdnem 600V a +/- buszok között, máskülönben nem is jönne ki a névleges teljesítmény.
Igen, azt értem, hogy ez egy végfok igényeihez van alakítva, de mégis kíváncsi lettem volna, hogy ebben a méretben, - mondjuk csak egy akkutöltőnek használva, - egy ilyen táp, ebben a méretben, ezzel a hűtéssel, ezzel a felépítésben, mekkora teljesítményt lenne képes szolgáltatni. ( nyilván, egy csomó mindent meg kell változtatni, de gondolom, nagyobb darabszámnál ez nem okozna problémát )
Ma kipróbáltam az SMBT2222A/SMBT2907A párost. Az eredmény 120-160ns felfutás 100-120ns lefutás. A szimulációkkal ellentétben nem sokkal jobb. Valószínűleg arról van szó, hogy maga az IRS27951 nem képes gyorsabb le/fel futásokra. Persze bevallom ez már a szkópom határán van (200 MHz az analóg sávszélessége, és ekkor 20ns-onként vesz mintát)
Mindenesetre ez 22nF-ba kiválló szerintem, és 10 ft-os pici tranyókról van szó. Van Zetex speciális integrált NPN+PNP párom is, de az már 100 ft, és nehezen beszerezhető, így azokról lemondtam. Közben módosítottam a maximális frekvenciát 270kHz-re és a következőket mértem műterhelésekkel: 7W 2x93,5V 22W 2x88,5V 52W 2x88V 182W 2x88V 360W 2x87,5V Ha lenne egy rendes kontakthőmérőm akkor tudnék melegedéseket is mérni, így most a langyi (ca 30C), meleg (ca 50C) forró (ca 70C) fokozatokat tudom csak az ujjammal megállapítani. A trafó üresjáraton is már meleg, a primer FETek még langyik sem.
22KW körüli átlagos kimeneti teljesítmény elérhető ha 3x 32A (400V) rendelkezésre áll.
Nem szabad elfelejteni, hogy az effajta konstrukciójú tápnál viszonylag nagy a kimenti hullámosság ami miatt sok alkalmazásban nem felelne meg viszont akkutöltőnek eszményi!
Lorylaci, Gee Lee. A Múltkor segítettetek. Csütörtökön jött meg az új IC és az új fetek (IRF730-at vettem). Most mérem a trafó induktivitását.
Rövidre zárt szekunderrel (a két végét zártam rövidre, a középkivezetést békén hagytam), 100 mikroHenry a primer induktivitása. Ha leveszek a szekunderről a rövidzárat, akkor 9,6mH. Ez lehetséges? Egy oszcillátorral mérem, 100nF kondi, és Thomson képlettel számolom a mért frekvenciából és a kondiból.
Sziasztok!
Kicsit megkavarodtam a szórási induktivitással kapcsolatban. A mini rezonáns tápegységet szemeltem ki, de nekem kisebb teljesítményre kellene. Megtekerem a trafót amennyire csak tudom nagy szórásúra (pl legyen 40-50uH), akkor ehhez mérten kiválasztom a megfelelő kondit és frekvenciát, ezzel készen is lennék? Csak mert néztem, hogy ha ugyanezt a teljesítményű tápot a stabilizált kapcsolás alapján építeném meg, ott a kis kimeneti teljesítmény miatt 200-300uH szórásit ad meg. Itt akkor sorba kellene kötnöm akkora tekercset, vagy kisebb szórással is dolgozhatnék, de nagyobb rezonáns kondival? Persze figyelve az átviteli tényezőre, hogy a szabályzás jó legyen. Vagy ez nem így van ahogy gondolom és az első esetben is egy számolt értékhez kellene igazítanom a trafó szórt induktivitását, nem pedig a frekit és a kondit kellene igazgatnom. |
Bejelentkezés
Hirdetés |
















