Fórum témák
» Több friss téma |
mas forumokon is erdeklodven e temaban - bar 100%san biztos valaszt nem kaptam meg, javasoltak, hogy a leglogikusabb ertelmezes szerint a piros az A, a fekete a C es az also barna a B.
hasonlo szeru triak, de megsem ez itt a drotok parositasa is masmilyen es az aluminium lapra nyomtatott bekotesi rajz is ABC sorrendet jelol. a fene erti. bezzeg van eset ahol erthetoen be tudtak jelolni a vezetekek azonositasat is egyertelmu jeloles tehat a kezdeti kerdesem tovabbra is aktualis: milyen szinu vezetek felel meg az A a B es a C-nek? (figyelembe veve, hogy a bekotesi rajzon mar ACB egymasutanisag szerepel)
Szerintem azért nem egyszerű a válasz, mert nem teljesen azonos működési elvű a két lágyindító. Az egyiknél valószínűleg van külső indító ellenállás, a másiknál nincs(az eredetinél szerintem van). Tehát először azt kell tisztázni, hogy a régi lágyindító esetében a motor 2 db kivezetésén kívül van-e még valamilyen vezeték ahova a lágyindítóból elmegy a vezeték, illetve a bejövő 2 db vezeték ből van-e, amelyik a lágyindítót kikerülve megy valahova-leggyakoribb esetben az indítóellenálláshoz. Ha van indítóellenállás, akkor a motor oldalról 4db vezeték van, ha nincs,akkor csak 2 db. Ha csak 2 db vezeték van a motor felé, akkor egyszerű a bekötés. Javaslom, nézd meg tüzetesen az új lágyindítót,hogy a tokozáson valahol, vagy a vezetéken nincs-e a betűjelöléseknek megfelelő címke?
Ha nincs, akkor izgulva ugyan, de a fedőlapon szereplő sorrend szerint bekötheted. Bár amikor megvásároltad, kellett volna hozzá kapnod egy bekötési rajzot,amelyiken a betűk a színekkel össze vannak rendelve.
Köszönöm szépen a választ.
Az eredetivel kapcsolatosan annyit sikerült megtudnom, hogy így néz ki a belseje: (lásd ezt az orosz nyelvű fórumra kitett képet: 3rst16v belseje Egy neten talált *.lay formátum az alábbi információkat árulta el a régi, elromlott szabályzó milyenségéről.(csatolt jpg) Sajnos az új 3RG16A rol ilyen kapcsolási rajzot nem találtam, csak annyit, hogy talán XS-16/D3 megnevezés alatt is ezt forgalmazzák (ebben azonban nem vagyok tulságosan biztos) A sarokcsiszoló immár tőlem délre 300kmre található, szétszedve és csak arra várva, hogy a helyes bekötési sorrendet megsúgjam. Az új alkatrészt, hosszas keresgélés után innen 150kmre északra sikerült megvásárolnom egy alkalmi, piacon kapcsolókat, hasonló szabályzókat forgalmazó illetőtől. Sajnos akkor nem kérdeztem rá, hogy melyik vezeték minek felel meg, most meg reménytelen kapcsolatban lépnem vele. Annyit tudok, hogy a régi szabályzó szétszedésekor, ahogyan azt a rajta található bekötési rajz is mutatja, egy vezeték, a fekete, ment a motor fele, a piros a kapcsoló egyik lábához, a kék pedig Yszerű leágazással a kapcsoló másik lábához, illetve a motor fele. Hamarosan telefonálok, hogy megtudjam található e a motor mellett elrejtve olyan alkatrész - pl. inditóellenállás - vagy sem, de szinte biztos, hogy NEM. Az új lágyindító tokozásán semmilyen más jelzés nem található. Csak az, ami az fedőlapján is látható, a többi fekete öntött műanyag. Egy másik fórumon azt a bizonytalan javaslatot kaptam, hogy talán a piros vezeték lenne az A, ezt kötnék a 220V fázisához, a fekete menne a nullhoz, vagyis a C lenne és a maradék, alsó barna (B) lenne talán a vezérelt kijövet, mely direkt kötődne a motorhoz. Tehát eleve ACB sorrendben jönne ki a kis dobozból a 3 db. vezeték (és nem ABC sorrendben, ahogy laikusként gondoltam volna). Ehhez szeretnék megerősítést, vagy cáfolatot kapni. Előre is köszönöm.
Szia! Annyit kell tudni róla, hogy a "fekete" és a "piros" a triakhoz megy, tehát azon keresztül soros kört képez a motorral, a "kék" szál pedig az elektronika "nullája".
Igen, egy így van, pontosabban így volt ez a régi, kiégett alkatrésznél, a 3rst kódnevűnél. Hiszen a dobozán levő bekötési rajz is ezt tudatta. (amint mar említettem, ennél az alkatrésznél a dobozon nemcsak a bekötési rajz volt megtalálható, hanem a BK, BL es RD rövidítésekkel a vezetékek szinére való utalás is volt. Tehát egyszerű volt a beazonosításuk.
Na de hogy van ez az új alkatrésznél? ennek a kérdésnek a megválaszolására fordultam e fórumhoz. Az új alkatrésznél piros, fekete és barna színű drótokról beszélhetünk. Ezek esetében kellene kitalálni, hogy melyik az A. melyik a B es melyik a helyes bekötés szerinti C. Bocsánat, ha ismétlem magam.
.... akkor a két egymáshoz közel eső vezeték a triakhoz megy, mert ott van a szegecselés a hűtőbordához, a különálló pedig az elektronika "nullája". Minden oda kerül ahová az "eredetin", csak a bekötés van fordítva nyomtatva a hűtőlemezre. Remélhetőleg van még egy szigetelő borítás is ehhez a panelhez, mert így elég "rázós" lesz.
A panel az úgy néz ki mint az első hozzászolásomban linkelt jobb oldali kép.
http://www.hobbielektronika.hu/forum/getfile.php?id=186920 Tehát úgy gondolod, hogy a piros az A, a fekete a B es az alsó, különálló - barna vezeték - lenne a C?
Segítőkész javaslatok alapján érdemes lenne elvégezni a két égős bekötés-próbat, mely három lehetséges módon történhet. (állítólag e mód nem eredményezheti az eszköz kiégését)
az 1.es jpgn a mindkét égő 1/2ed intenzítással égne -ez lenne a jó bekötés a másik kettőn meg vagy nem égne egyik sem (2.jpg), vagy csak az egyik égő égne 100%os fényerővel. Azt hiszem nem marad más hátra, mint elindulni ezen az úton.
Mindegy, hogy milyen rajz van a dobozon és milyen színűek a vezetékek, a két egymás melletti a szabályzó félvezetőtől jön, a külön álló szál pedig az elektronika "0" pontja (nullája).
Értem VIM és köszönöm a választ. Amint kipróbáltuk, jelzem a bekötés sikerességét.
Megoldódott a rejtély: a szóban forgó lágyindító bekötésekor tudni kell, hogy a vezetékek az alábbi módon azonosítandók: piros-A, fekete-C és barna-B.
Így bekötve tökéletesen működik a sarokcsiszoló. Köszönöm a segítséget.
Sziasztok. Tud valaki konkrét bekötésről egy 2000W körüli sarokcsiszoló lágyindítójáról? Megvan a régi, és ebbe tuti nincs előtét ellenállás sem semmi relé. Konkrétan 1995-ös NAREX flexről van szó. profi gép. 10 évesen került hozzám, azóta nyúzom. nyűhetetlen. a lágyindító nélkül is működik, mégis hiányolom kicsit. Ezért ha tud valaki segíteni egy rajzzal, azt nagyon megköszönném!
Sziasztok. Adott egy sarokcsiszoló aminek szétszedéskor ezek a vezetékei szabadon voltak.
Nem láttam, hogy hol lehettek ezek a vezetékek. Ígykötöttem vissza: Kapcsolásija Továbbra is lecsapja az autómatát. Esetleg valami tipp? A hozzászólás módosítva: Jún 19, 2013
lehet, hogy rossz a lágyindító és azért volt lekötve. Próbáld ki egy nagyobb automatáról lágyindító nélkül, hogy egyébként a motor jó-e.
Az azt jelenti, hogy így ahogy le van kötve ugye? Bekötésem amúgy jó?
Amennyire a kép alapján megtudom ítélni jó a bekötés. Lekötve akkor lesz, ha a motor közvetlenül kapja az áramot a kapcsolóról.
De ha a piros illetve fekete vezeték nincs bekötve sehova akkor direktbe kell, hogy kapja mert nem megy keresztül ezen a láindítón. Vagy? Bár én azt se értem hogy ez a kütyü hogyan is működhet, mert fixen is megy a kapcsolóról a kettő fekete szál...
A hozzászólás módosítva: Jún 19, 2013
Megkerestem a helyieket, azt mondják csak háztartásigépekkel foglalkoznak.
Sziasztok bosch kis flex nem veszi fel a fordulatot szerintetek mi lehet a baja.
Sziasztok!
Segítséget szeretnék kérni, GWS 850 C BOSCH ipari (kék) sarokcsiszoló nem pörög fel teljesen a motor, midha ki-be kapcsolgatnám úgy müködik, de így akár huzamosabb ideig is. Le szereltem a szénkefe felőli részt, hátha a kapcsolója romlott el, de hiába hidaltam át a jelenség maradt.A kollektor és a szénkefék erősen szikráznak müködés közben, nem tudom ez normális-e? Van benne lágy indító(1 607 233 139) és egy kondi(2 609 120 008) gyanítom ezek közűl lehet valamelyik a hibás. Hogyan tudom házilag kiszürni a hibát? Köszi Üdv.
Üdv!
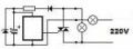
Megépítettem ezt a kapcsolást Lágyindító , de az istennek nem akar megmozdulni. nem kapcsol a triak, pedig a jel megvolna neki. Milyen jellel hajtja meg az IC? (jelalak, feszültség?) Valaki tud valamilyen használható információt erről az áramkörről? Egy 100W-os izzóval terhelném próbaképp, hogy ne zörögjek míg próbálgatom.
Hello! Ne légy lusta! Rajzold vissza az áramkört, és akkor talán megtudod..
Köszönöm a reagálást. Visszarajzoltam az áramkört. Sikerült elbambulnom és jól megrázatni magam, amellett még el is füstöltettem az egészet.
![]() A héten hozatok új alkatrészeket és csinálok új NYÁK-ot is. Eddig amit hirtelen láttam, hogy 41V-ot kapott a triak és hát a jelalakot nem tudtam eldönteni, hogy mi is lehet. Kicsit négyszög és háromszög jel keveréke, de érdekesen nézett ki. Álló helyzetbe most szépen lefüstölt a szkópom is, hagyom máról az egészet és iszok egy sört, mert ez nem az én napom!
Hello! Én már tudom, hogy működik.
Ügyes kapcsolás, de az nem igazán tetszik, hogy nincs a tápban egy árva zéner sem.. A hozzászólás módosítva: Szept 25, 2014
Helló!
Én most rajzoltam még vissza abból a NYÁK-tervből amit mondtam. A zénert kerestem az elején még én is, aztán láttam nincs is benne. Az táp készítése is elég primitív szerintem, én gondoltam még egy diódát a pozitív ágba a simább tápfesz. érdekében meg egy zénert akkor már, hogy biztos ne legyen túllövés. Még mostanában fogom aggyal felfogni a működését, mert hát szűkös az időm rá, hiába kellene már az áramkör. Jelentkezem, ha sikerült felfognom a működést.
Hello! A pozitív ágba nem tehetsz semmit, mert ott van a tirisztor MT1-es elektródája. (Pont ezért van a "minusz táp"..)
Sziasztok
Van egy Hyundai HYD93554 gyorsdarablolóm. Dokumentáció szerint 2200 wattos, üzemi áram kb 10 amper. Régi építésű házban lakom, egy fázis, 16 amperes betápom van. Az a gondom hogy a gép indításakor mindig leold a 16 amperes kismegszakitó. Idővel tervezem kérni a bővítést de addig is szeretném használni a gépet úgyhogy ehez szeretnék segítséget kérni lágyinditoval kapcsolatban. Félvezetős megoldás érdekelne ha lehetséges. Ha a fórumon van már ilyen kapcsolás, kérlek adjatok egy megfelelő linket. Előre is köszönöm a segítséget.
Az "Áramlökés hatóroló lágy indító" témában találsz képeket; kiválasztod a megfelelőt.
Sziasztok! Ezt az áramkört megépítette valaki és jól működik? http://elwo.ru/publ/ehlektrotekhnika/plavnyj_pusk_ehlektrodvigatelj...-0-547 Előre is köszi.
|
Bejelentkezés
Hirdetés |













Ügyes kapcsolás, de az nem igazán tetszik, hogy nincs a tápban egy árva zéner sem.. 





