Fórum témák

» Több friss téma
Fórum » Csöves erősítő készítése
 
Témaindító: seedz, idő: Márc 31, 2006
Témakörök:
Ne feledd betartani a fórum viselkedési szabályait, és a topik megmaradásának feltételeit. [link]
A téma átmenetileg fagyasztva lett, hozzászólni nem tudsz!
Lapozás: OK   1479 / 2208
(#) Fész hozzászólása Jan 9, 2013
Köszönöm a válaszokat,köbzolinak a rajzot,tulképp ennyi már elég,hogy látom,hogy milyen alkatrész értékek mellett dolgozik pl. a fent közölt rajzon egy ecc82,fázisfordító szerepben.
Nos igen,annyi nem világos még,hogy mi az ideális meghajtás a 6l6-nak.Mekkora Vpp illetve áram kell AB osztályban,hogy szépen kifussák magukat.Erre olvasom,hogy gityóerősítőben jó az ecc83,máshol olvasom,hogy nem jó mert alacsony lesz a sávszél,másik rajzon ecc82,ecc81,6sn7 a driver....Tudom,hogy jobban belemásznék az adatlapokba,csak kimazsoláznám,hogy mi kell nekem,de először is azért írtam a fórumb,hátha valaki pont hasonló cipőben jár(t)és kapcsiból rávgja,hogy hé,hát ez kell neked...persze ez is szubjektív,hogy kinek mi jó...csak jó lenne,ha elsőre(jelen projektben)normálisan megszólalna a cájg,és utána indulhatna a véget nem érő kísérletezés
(#) pisti89 hozzászólása Jan 9, 2013
Sziasztok, szükségem lenne egy kis segítségre
-Találtam egy régi kimenőtrafót(régen csöves TV-ből bontottam), hogyan tudom meghatározni mekkora impedanciát illeszt és mire?
-BEAG AE 233a kimenőjéhez(havertól tudnék 2-t szerezni) lehet valami egyszerűen olcsón összeállítható kapcsolást találni, mármint olyat amihez olcsó, könnyen beszerezhető cső felhasználható?
Bármilyen ötletet és kapcsolást szívesen várok
Előre is köszönöm
(#) mofesa válasza pisti89 hozzászólására (») Jan 9, 2013
Szia.Az elképzelhető,hogy PCL86 lesz.Az illesztés meghatározását ITT már elmesélték.
(#) pisti89 válasza mofesa hozzászólására (») Jan 9, 2013
Mármint a bontott trafó lenne PCL86-hoz?
Köszönöm a segítséget
AE233A trafóhoz valami kapcsolást tudsz-e esetleg?
(#) sturbi válasza pisti89 hozzászólására (») Jan 9, 2013
Pl. az AE233-rajza megvan az elektroncso.hu-n, az jó hozzá.http://www.elektroncso.hu/cikkek/ae233.pdf
(#) granpa válasza sturbi hozzászólására (») Jan 9, 2013
Csak úgy kíváncsiságból: hogy lehet ide bejutni, illetve megnézni a linkedet. Pont van néhány PCL86-om, de még nem vadultam bele a csövezésbe.
(#) mofesa válasza granpa hozzászólására (») Jan 9, 2013
Beírod,hogy: elektroncso.hu ,rákattintasz az OK gombra és már nézheted is.
(#) granpa válasza mofesa hozzászólására (») Jan 9, 2013
Köszönöm!
(#) mofesa válasza granpa hozzászólására (») Jan 9, 2013
Nincs mit.Szívesen.
(#) justice válasza Zenner hozzászólására (») Jan 10, 2013
Igen, jól saccolod.
Triódánként 3-4W kimenő teljesítménnyel számolhatsz.
Jobban belegondolva az ötleted nem rossz, 2 csővel kivitelezhetsz egy sztereo SE erősitőt.
Nézd át a hasonló SE konstrukciók rajzait, hogy utána jól tudd méretezni a dolgokat.
(#) puffed hozzászólása Jan 10, 2013
Sziasztok!
Megnézné valaki nekem ,hogy jó-e így ez a kapcsolás?
(#) mofesa válasza puffed hozzászólására (») Jan 10, 2013
Szia.Ajánlottam valamit az előző oldalon.Gondolom nem tetszett.Itt a visszacsatolás vélhetően kioltja azt,amit szeretnél hallani a hangszóróból.
(#) puffed válasza mofesa hozzászólására (») Jan 10, 2013
Nincs semmi bajom a kapcsolással amit ajánlottál csak az hogy nincs ecc83 csövem. Valahogyan az ecc85-öst akarnám fölhasználni ha van értelme.
(#) akos70 válasza puffed hozzászólására (») Jan 10, 2013
500 ft körül vehetsz új 6N2P-t, ami az ECC83 orosz megfelelője. Ezek alkalmasabbak a célra.
(#) CIROKL válasza akos70 hozzászólására (») Jan 11, 2013
Mindig elmondjuk hogy a megfelelője de ez így nem helyes!
Tehát nem megfelelője csak közel azonos paraméterekkel rendelkező cső !
(#) mofesa válasza CIROKL hozzászólására (») Jan 11, 2013
Még akkor is,ha ugyan azon gyártó,ugyan azon elektroncső típusáról beszélünk.
(#) pisti89 válasza pisti89 hozzászólására (») Jan 11, 2013
Bontott trafó lehet, hogy PL500-hoz való mert most találtam meg a csövek között 1 kupacban a trafóval.
PL500 SE erősítőről valami vélemény?
Csak azért mert ahhoz minden megvan itthon
(#) crapgame hozzászólása Jan 11, 2013
Üdv Mindenkinek.
Lenne egy gyakorlati kérdeésem. Az eddig szépen muzsikáló deszkamodellemet bedobozoltam, és sajnos egyáltalán nem azt kaptam amire számítottam, csak egy fülsértően magas sípolást, ahogy felfűt az egyencső.
Második ránézésre is jól vannak összekötve az elemek, van valami ötlete valakinek?
(#) Orbán József válasza crapgame hozzászólására (») Jan 11, 2013
A kimenő trafóról a visszacsatolás nincs felcserélve? Ha van...
(#) crapgame válasza Orbán József hozzászólására (») Jan 11, 2013
Próbálkoztam pár dologgal, a visszacsatolást kiiktattam, de nem segített
A hozzászólás módosítva: Jan 11, 2013
(#) Orbán József válasza crapgame hozzászólására (») Jan 11, 2013
Biztos, hogy ki lehet? A deszkán is csináltál ilyet, amikor még ott volt a cucc?
(#) akos70 válasza crapgame hozzászólására (») Jan 11, 2013
Én akkor tapasztaltam ilyet, amikor a kimenő szekunderének 2 vége fel lett cserélve.
(#) Orbán József válasza akos70 hozzászólására (») Jan 11, 2013
Erre céloztam az első hsz-ben.
(#) crapgame válasza Orbán József hozzászólására (») Jan 11, 2013
Persze, deszkán egyszerűen szenzációsan szólt, dobozolva vcs.-vel építettem először, de most elkezdtem visszabontani.
(#) crapgame válasza akos70 hozzászólására (») Jan 11, 2013
Mindjárt megnézem.
Megnéztem, jól van bekötve.
Arra gondoltam, hogy esetleg valamelyik kondenzátort kinyírtam a pákával. Az adhat ilyen hibát?
A hozzászólás módosítva: Jan 11, 2013
(#) Orbán József válasza crapgame hozzászólására (») Jan 11, 2013
Azt hiszem, nem minden erősítőben szabad felbontani a visszacsatolást/erősítés szabályozást. Ha nálad most nem is emiatt, de ez egy potenciális lehetőség a túlvezérlődésre, gerjedésre, instabil lehet az áramkör.
(#) crapgame válasza Orbán József hozzászólására (») Jan 11, 2013
Hát nem sikerül rájönnöm mi lehet a baj.
Azthiszem lebontom, és újra összerakom. Földelési hiba lehet kiváltó ok? Mert most az is kusza egy kicsit.
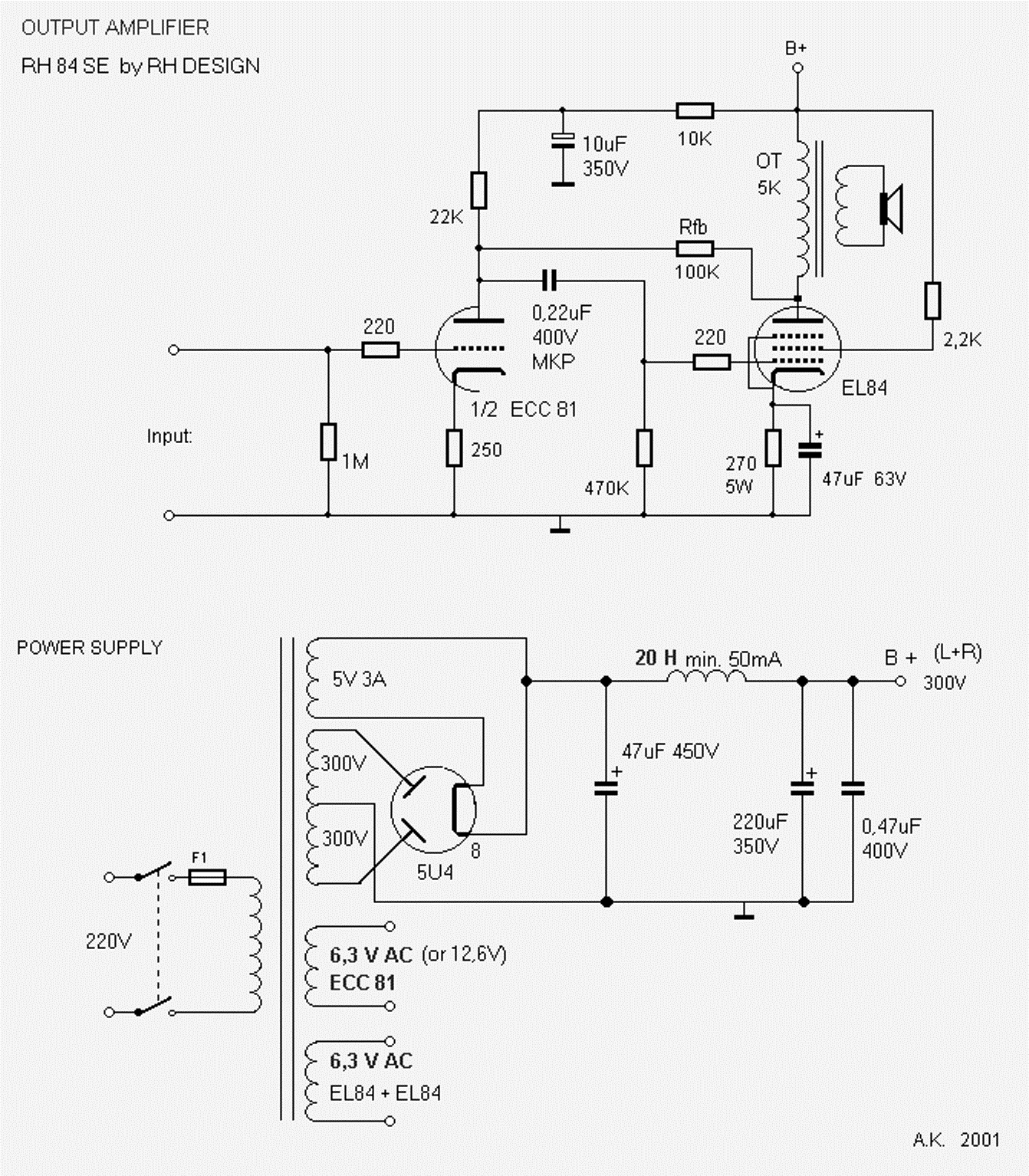
Itt a kapcsolás
A hozzászólás módosítva: Jan 11, 2013

el84se.gif
    
(#) Orbán József válasza crapgame hozzászólására (») Jan 11, 2013
Mivel véglegesnek szánod, szerintem érdemes szépen, körültekintően végigvinni a vezetékelést. A kuszaságban, sietségben nehéz áttekinteni aztán. Lassan járj...
Egy nagyon hasonló kapcsolás megépítésére készülök magam is, ott másként van a visszacsatolás. A tiéd jobban tetszik
A hozzászólás módosítva: Jan 11, 2013
(#) crapgame válasza Orbán József hozzászólására (») Jan 11, 2013
Na akkor most nekirugaszkodom, és ha kész, teszek fel képet, meg valami videót is, az hátha segít a döntésben.
(#) Orbán József válasza crapgame hozzászólására (») Jan 11, 2013
Kíváncsi vagyok a paraméterekre, nyugalmi anódáram, feszültség.
Van 2 db UL84-em, ami kisebb feszültségről, nagyobb árammal próbál ugyanakkora teljesítményt kiadni magából. Ezeknek 45V a fűtőfeszültsége, ez nem tudom, miért volt jó, de oka lehetett, hogy ilyenre csinálták.
A kettőnk sémája közti különbségen elmélkedve látom, hogy a te kapcsolásodban a visszacsatolás már a szekunderről történik, míg az én rajzomon a végcső anódjáról. Melyik előnyösebb, vajh? - A kérdés a szakikhoz szól, mi, legalább is én zöldpenészes fülű vagyok...
A hozzászólás módosítva: Jan 11, 2013
Következő: »»   1479 / 2208
Bejelentkezés

Belépés

Hirdetés
XDT.hu
Az oldalon sütiket használunk a helyes működéshez. Bővebb információt az adatvédelmi szabályzatban olvashatsz. Megértettem