Fórum témák

» Több friss téma
Fórum » Analóg oszcilloszkóp javítása
Ha szkóp-képet teszel fel, legyen látható a kezelőszervek beállítása, vagy add meg a beállításokat!
Lapozás: OK   100 / 250
(#) blasz válasza Doncso hozzászólására (») Jan 27, 2013 /
 
Szó szerint,én is, igaz én tök amatőr módon,de megvan.peterpan nélkül,és a többiek nélkül, csak ülnék és nézném felülröl a szkópot.
Köszönet mindenkinek,és természetesen Doncso kollégának is.

Nekem már az is öröm hogy "látom" a zenét szólni
A hozzászólás módosítva: Jan 27, 2013
(#) peterpan válasza blasz hozzászólására (») Jan 27, 2013 /
 
Lassúbb eltérítéssel még "jobban látod".
Bővebben: Link
A hozzászólás módosítva: Jan 27, 2013
(#) blasz válasza peterpan hozzászólására (») Jan 27, 2013 /
 
Köszi átkapcsoltam már,ez a teszt üzem
(#) Doncso válasza blasz hozzászólására (») Jan 27, 2013 /
 
Na, végre, látod, nem is volt olyan nehéz. Ahogy olvastam , nem is a javítás volt bonyolult, inkább, hogy nehezen értetted mit és hol kellene mérni amit a kollégák javasoltak, de a végére csak kikerekedett. Olvasd a könyvet amit adtam, próbálkozz és hamar megtanulod a használatát is. Jó segítőtárs.
(#) pucuka válasza Doncso hozzászólására (») Jan 27, 2013 /
 
Persze. A javítás nem bonyolult, csak tudnod kell hova ütni a kalapáccsal.
(#) blasz válasza Doncso hozzászólására (») Jan 27, 2013 /
 
A könyvet bújom,az a szerencse hogy türelmes kollégák vannak itt,de ebből tanulok.Az erősítőket is igy tanultam meg készíteni, javítani.Ha találok rendes szerviz könyvet a másikhoz PM 3234,akkor neki esek az már ráérősebb lesz.Abból egy poti,vagy 20 tranzisztor,de foglalatban vannak,és egy főkapcsoló.Ennyit láttam rajta hirtelen.
Ha megvan valakinek,a szerviz dokumentáció,megköszönném
(#) Doncso válasza pucuka hozzászólására (») Jan 27, 2013 /
 
Ezt nagyon jól mondod. Így igaz. Nem a hegy magas, hanem a körülötte keringő szerpentin hosszú.
(#) Doncso válasza blasz hozzászólására (») Jan 27, 2013 /
 
A tanyáról való ami van?
(#) blasz válasza Doncso hozzászólására (») Jan 27, 2013 /
 
Az meg van, de nagyon hiányos darab
(#) blasz hozzászólása Jan 29, 2013 /
 
Sziasztok,keressek hibát?A négyszögjelnek ilyennek kell lennie?
(#) Doncso válasza blasz hozzászólására (») Jan 29, 2013 /
 
Na, milyen szép képe van, normális négyszög és háromszög jelek, a négyszög nem teljesen tökéletes, nyilván a generátor nem profi amiről hajtod. De ez nem a szkóp hibája.
(#) blasz válasza Doncso hozzászólására (») Jan 29, 2013 /
 
Ez van megcsinálva
(#) pucuka válasza blasz hozzászólására (») Jan 29, 2013 /
 
Ettől az áramkörtől ne is várj nagyobb sebességet, és ezzel együtt felfutást. Köss utánna egy Schmitt trigger bemenetű invertert, mindjárt jobb lesz a felfutás, lefutás.
(#) Doncso válasza blasz hozzászólására (») Jan 29, 2013 /
 
Jaa. ettől ne várj sokat. Pucuka jól mondja.
(#) blasz válasza Doncso hozzászólására (») Jan 29, 2013 /
 
Azért kérdeztem 1000ft volt, a célnak akkor megfelel ugye?
(#) peterpan válasza blasz hozzászólására (») Jan 29, 2013 /
 
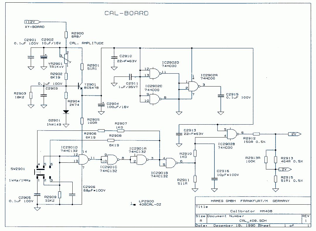
Szerintem jobban jártál volna, ha megcsinálod a 4049el működő kis generátort, az legalább korrekt. Más: itt egy kalibráló generátor 74HC132 és 74HC00 kell hozzá, 1kHZ és 1MHz négyszöget szolgáltat átkapcsolhatóan, és 200mv és 2V feszültséggel. Mérőfej kompenzáció beállítására szolgál. Más is hasznát veheti.
(#) blasz válasza peterpan hozzászólására (») Jan 29, 2013 /
 
Köszönöm,de én mindig a nyák készítésnél állok meg,ha valaki meg is csinálja 3-4 hétig várok , így elmegy a kedvem bármi készítésétől.
(#) peterpan válasza blasz hozzászólására (») Jan 29, 2013 /
 
Hát én úgy látom kicsit már bementél az erdőbe, majd meglátod milyen könnyű még beljebb menni, aztán meg majd ki sem akarsz jönni.... Mind így vagyunk ezzel.
(#) sector99 válasza peterpan hozzászólására (») Jan 30, 2013 /
 
Én leszek az egyik aki hasznát veszi....Nagyon jó kis kapcsolás, Köszi !
(#) blasz válasza peterpan hozzászólására (») Jan 30, 2013 /
 
Ne rémisztgess,hogy érted?
(#) BarnaPili válasza blasz hozzászólására (») Jan 31, 2013 /
 
Idézet:
„Az erősítőket is igy tanultam meg készíteni, javítani.Ha találok rendes szerviz könyvet a másikhoz PM 3234,akkor neki esek az már ráérősebb lesz.”

Szerintem erre gondolt
(#) blasz válasza BarnaPili hozzászólására (») Jan 31, 2013 /
 
Ja értem köszi,sajnos az én nem túl gyakorlott szememnek kevés az információ a szervizkönyvben,nincs alkatrész lista kevesek a rajzok ábrák,és rengeteg tranzisztor hiányzik belőle/foglalatban vannak/a trigger kettős potija is hiányzik a bekacsológomb sincs benne.
A másik szkópnak a gépkönyve teljesen rendben van azon eligazodok.
(#) BarnaPili válasza blasz hozzászólására (») Jan 31, 2013 /
 
Ilyenkor kell eltenni,és hadd járja a műhelyszag.Előbb utóbb föltűnik egy szervizdoksi,és akkor újra lehet nekiállani.
(#) blasz válasza BarnaPili hozzászólására (») Jan 31, 2013 /
 
Pontosan ez lesz vele
(#) meslac válasza totgabi hozzászólására (») Jan 31, 2013 /
 
Nem tudom megoldódott e a gondod, de a BF468-as tranzisztorok hibája is okozhat ilyen gondot.
(#) dobanandras hozzászólása Feb 1, 2013 /
 
Sziasztok,segitseget szeretnek kapni egy C1-94-es tipusu oszciloszkop javitasaban,valakitol kaptam es beinditas utan a kovetkezoket eszleltem,a kapcsolasi rajzan ahhol a nyillal megjeloltem nagyon melegszik a T9,T10, es a R44,R45,R46,R47,az ellenalasokot 5 perc utan nem lehet megerinteni anyira kiforosodnak .A 9 es 10 pontokban megvan a -12V ami a kapcsolasi rajzon is lathato es ez stabil marad ,valamikor valaki a T9 es T10-es tranzisztorokat kicserelte ,most olyanok vannak mint a BD 140-es tranzisztorok de nem ir rajtik semmit,mind a ket tranzisztornal a kovetkezoket mertem:bazis=1.6V a kolektor=10V es az emitter=1V a gyari eloiras szerint a B=0.21-1.2V , K=6.5-7.8V , E=0-0.7V kenne legyen ,milyen modon tudnam orvosolni hogy ne melegedjenek ezzek a komponensek ,koszonom !!

scan0001.jpg
    
(#) peterpan válasza dobanandras hozzászólására (») Feb 1, 2013 /
 
A BD 140-es tranzisztorok PNP tipusúak és semmilyen jellemzőjében sem felelne meg még ha npn is lenne. A KT325B NPN és ráadásul elég körülményes helyettesíteni, mivel igen kifinomult eszköz. A linkek adnak infót, miről is van szó. Valaki biztosan ad konkrét tippet, nekem most még nincs válaszom, illetve a második linkből kikeresheted a neked megfelelőt.

Bővebben: Link - Bővebben: Link Üdv. : PP
A hozzászólás módosítva: Feb 2, 2013
(#) nagym6 válasza dobanandras hozzászólására (») Feb 2, 2013 /
 
A többi tápfeszt is nézd meg. +12V, +100V rendben van-e.
A képernyőn a vonal középen van-e, függőleges pozíció kb. középállásában, és az erősítés mértéke jó? Azaz vonal függőleges elmozdulás mértéke a beadott feszültségre.
Több ötletem nincs.
(#) blasz hozzászólása Feb 2, 2013 /
 
Sziasztok ha valakit érdekel elküldöm neki a Bicska nevű progit ott lehet csemegézni sok mindenből,és vannak tranyó helyettesítők is
(#) peterpan válasza dobanandras hozzászólására (») Feb 2, 2013 /
 
Egy javaslat:
Bővebben: Link HE Store
Következő: »»   100 / 250
Bejelentkezés

Belépés

Hirdetés
XDT.hu
Az oldalon sütiket használunk a helyes működéshez. Bővebb információt az adatvédelmi szabályzatban olvashatsz. Megértettem