Fórum témák
» Több friss téma |
Hali!
A mechanikai részét vágom. Ezzel nincs problémám. Az elektronikával van gondom. Nem lehet ilyen vezérlést valahol venni vagy ilyesmi? Sosem csináltam még áramkört meg az az igazság, hogy nem értek az elektronikához és inkább nem babrálok az árammal mert a végén valami gond lesz belőle.
Mekkora teljesítményű motorról van szó?
Üdv mindenkinek!
Nem tudom, jó helyen teszem-e fel a kérdést... Egy rádiós magnóban kell motort cserélni, de a megfelelő forgásirányú és feszültségű típus nem rendelhető. Találtam egy bontott, működőképes darabot megfelelő forgásiránnyal, de 9 helyett 12 voltos a rajta levő címke szerint. Kipróbáltam, ennyit simán korrigál a beépített szabályzója, de ha tartósan így használom, annak lehet valamilyen káros hatása a fordulatszám-szabályzójára?
Hello!
Nem.. mi gond lehetne abból, ha kisebb a feszültség, de megfelelő a fordulat? üdv! proli007
Sziasztok! Adott egy 12V-os motor. Azt szeretném,hogy egy kapcsoló segítségével tudjam működtetni mindkét irányba. A polaritások változtatására milyen megoldások vannak? Szeretnék építeni egy vezérlőt, amivel mindkét irányba tudnám működtetni a motort. Valakinek lenne ötlete esetleg?
Gondolom a motor 12V egyenáramúról van szó. Lényeg, hogy a forgórész mágneses iránya az állórészhez képest megváltozzon. Kérdés még, hogy állandó mágneses az állórész vagy tekercselt? Ha állandó mágneses akkor a forgórész(szénkefék) bekötéseit fel kell cserélni, vagyis a tápvezeték két pólusát kell megcserélni. Következő kérdés, hogy milyen kapcsoló áll rendelkezésre mert ha kétpólusú váltó van akkor azzal egyszerüen megvalósítható, más esetben kiegészítő relékkel lehet megoldani az irányváltást esetleg tranzisztoros kapcsolással.
Sziasztok! Egy éjszakai boyler kapcsolóóra/ganz/ elektronikája döglött be. Nekem gyakorlatilag a mehanikája kellene a motor meghajtásával. Ha jól tudom szakaszosan működött a motorja, az elektronika vezérelte. Tudna valaki elektronika rajzot hozzá? Az sem baj ha folyamatosan hajt. Előre is köszönöm a segítséget.
Sziasztok!
Tudnátok nekem segíteni, hogy hogy működhet, hogy lehet bekötni a következő motor vezérlését? Ez egy enkóderes motor az enkóder két oldalán van még 4-4 kivezetés, deebből 2-2 közös, tehát úgy is írthattam volna, hogy 3-3 kivezetés, illetve a motor alján még van kettő. Hogy lehetne ezt használni? Nem találok semmilyen adatlapot se a motorról se a vezérlőről. Tudna valaki ebben segíteni? Adatok a képeken) *A két semmi' linket kivettem. A hozzászólás módosítva: Jan 24, 2013
Elöször is ne olyan ponyvaoldalakra tedd a fel képet mint a facebook meg az indafoto. Egyiken sem lehet elérni.
Igen, csak üzenetbe elküldtem valakinek utána meg már csak a kép címét linkeltem be. De most akkor feltöltöttem ide is.
A hozzászólás módosítva: Jan 24, 2013
Ez egy harangarmaturáju sima kollektoros DC precizios motor. Valoszinü, hogy kétfázisu tachoval.
Azaz, ha a motor kolektorára sima egyenáramot adsz (kék-fekete huzal) - probáld 5-6 Volttól, és akkor mérheted, hogy mi jön ki a másik 4 kivezetésböl.. Lehet, hogy azokon némi áramnak kell folyni, hogy indukciot kapj. De szerintem a Maxxon oldalon is kapsz erre informáciot - ha nem speciális feladatokra lett kifejlesztve a motor.
Sziasztok! Van egy Unimax Mini esztergám,potméteres fordulat szabályozós. Az utóbbi időkben olyant csinál,hogyha 0-ra állítom az irány váltó kapcsolót majd leveszem a szabályozót és újra kapcsolom a forg.ir. váltót a motor(tokmány) fordul vagy 10-et. A poti kikapcsolós,mégis ha vele állítom le a gépet az tovább forog(de nagyon lassan) mi hibásodhatott meg? Doxa
Sziasztok.Csatlakozom yulo5310-hez a kérdéssel.Nekem ERBA tipusu kisesztergám van, s szintén a vezérlésével van gondom, vége.Amit vezérel az elektronika, motor DC 230V 300W.Kétvezetékes, szénkefés motor, mágnes állórésszel.A puszta feszültségszabályozás nyomatékvesztéssel jár kis fordulaton, az eredeti elektronika valahogy kompenzálta.
Meglehet rendelni potom 70000Ft.Minden segitséget szivesen veszünk, és köszönünk.
Hello! (Ernest-nek is.)
A kérdésre érdemben akkor lehet valamit válaszolni, ha valaki vagy ismeri a gépet, vagy meg van a kapcsolási rajza. A mágneses állórészű motor olyan mint a párhuzamos állandó gerjesztés. Lehet a fordulatát feszültséggel szabályozni. De ha változó nyomatékra állandó fordulatot szeretnénk, akkor a fordulatszámot kel visszamérni és azzal kompenzálni a vezérlő feszültséget. Vagy is egy szabályzó van benne, ami összehasonlítja a fordulatszám alapjelet a fordulatszámmal, és eltérés esetén változtatja a motorfeszültséget. Ha a szabályzó pld. Offset hibás, előfordulhat, hogy nullára tekert fordulat esetén is lassan forog a motor. Leállított szabályzónál, általában rövidrezárják a szabályzó integráló tagját, és ezt bontják, mikor bekapcsol a szabályzó. Így ha bekapcsoláskor egyből lenne is alapjel, lassan fut fel a fordulat, nem lökésszerűen. De ezeket csak a "levegőből" mondom, mert nem ismerem a gépet, és a szabályozás műszaki megoldását. Mert a szabályzó lehet akár egyből digitális vezérlésű ma már. Végfokozat tirisztoros vezérlésű, PWM vezérlésű, vagy kapcsolóüzemű táp vezérlésű is. üdv! proli007
Sziasztok! Nekem a nyomaték megmarad. Az a gondom,hogy a potival letudtam állítani a gépet, most nem.Szép lassan forog tovább. Ha azt akarom,hogy megálljon,nullára kell állítani az irányváltó kapcsolót. Menet vágásnál ez nem a legjobb! Felakarok tenni egy állítható végállás kapcsolót a hossz-szánra,előre és hátra,de ha ilyet művel akkor túlfuthat menet vágásakor és törik a kés(jobb esetben csak az). Valami elektronikai bibi lehet.Nem nagyon értek már ezekhez a mai vezérlésekhez(mechanikai műszerész vagyok,órás, abból is az öregebbje).Kacorm(Gábor) hozzászólásában említett egy kapcsolási rajzot,sztem az lesz az! További szép napot mindenkinek! Doxa
Sziasztok!
Keresgéltem, de nem találtam választ, így gondoltam itt megkérdezem. Egy kefés DC motor (24V) 2 vezetéken kapja a tápellátását. Ezen a két vezetéken a polaritás felcserélődhet, mert mindkét irányban foroghat a motor. Egy külső végálláskapcsoló lekapcsolhatja a motorról a feszültséget. Van-e rá mód, hogy a két vezetéket figyelve, megállapítsam, hogy a motor működik-e vagy elérte a végállását és lekapcsolta a végálláskapcsoló? Ebből szeretnék egy logikai információt adni egy AVR-nek. Kinek milyen ötlete lenne erre?
Pontosítani kellene a szituációt. Csak egyik irányba van végállás, mert a hozzászólásdban egyről írsz. A motor távol van és csak a két tápláló vezeték áll rendelkezésre a "komunikációra"? Nem akarsz további ereket kihúzni, használni?
Nos, igen. Mindkét irányban van végálláskapcsoló, és csak a két tápvezeték áll rendelkezésemre. Sajnos ez a kikötés. Gyorsan összedobok egy skiccet arról, hogy eddig hogyan volt megoldva a dolog, de sajnos ez előfordult, hogy nem működött. Ezért szeretnék egy stabilabb megoldást.
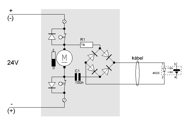
A képen a motortól az optocsatolóig látható az eddigi megoldás, de ez nem az igazi.
Hello!
Ez vagy nem így volt, vagy nem működött. Mert a motorin Te egyenfeszültséget jelöltél, az optocsatoló áramkörében meg kondi van. Az csak váltóval tud működni. (Egyébként az egyenirányító híd is rosszul van felrajzolva.) Én egyébként áramérzékeléssel próbálkoznék, valami hall kapcsolóval. Vagy mezei egyszerűséggel, áram relével. üdv! proli007
Először is köszönöm a segítséget. Magam is a Hall szenzorok felé hajlok, bár megfordult egy komparátoros megoldás is a fejemben. A rajz pedig így van a valóságban, mert tegnap másoltam le a nyákról. Az, hogy eddig miért működött nagyrészt, nem tudom, mert nem én terveztem. Aki csinálta, azt állította, hogy a motor zaját érzékeli. Nos, ez már nem is lényeg, egy új, jobb megoldást szeretnék erre a dologra, ez a lényeg.
Sima relékkel dolgoztam eddig, áram relével még nem volt dolgom. Azoknak a működése miben más, mint egy sima relé működése?
Hello!
Az egyenirányító hídnak akkor sem jó a bekötése. Ez a "zaj" kicsit mitikusnak tűnik, mert egyenáram van. A kommutátorok zaját a tápláló egység söntöli. Ahhoz minimum soros induktivitás kellene. De 100nF mellet, maximum motor bekapcsolásakor jelezne az opto. Az áram relé is olyan állat mint a többi. Hiszen minden relé áramra húz be. Pontosabban a gerjesztésre, a mi a menetszám és az áram szorzata. Ha "feszültség" a relé, akkor egy adott gerjesztéshez sok menet és kis áram tartozik (ahol a tekercs ohm-os ellenállás adja a relé ellenállását, vagy is az "korlátozza" az áramot a körben), "áram" relénél a menetszám kevés, és az áram nagy (és természetesen a huzal vastag, hogy elbírja az áramot és kicsi legyen az az ellenállása a körben). De a kettő szorzata ugyan az. Vagy is annál az áramnál húz meg, ahol ugyan akkora a gerjesztés értéke. Egyébként az egész motoráramkört lerajzolhatnád. Mert lehet egy tápfesz van, amit váltogatnak a motor forgásirányához, így a tápnál érzékelhető az áram, és az nem vált polaritást. Nincs macera, könnyebben megoldható, jöhet a komparátor.. üdv! proli007 A hozzászólás módosítva: Feb 4, 2013
yohnsee!
Lehet, hogy ilyen a bekötés és az elrendezés?
Elnézést, tényleg rosszul rajzoltam. Igen, úgy néz ki, ahogy Te lerajzoltad.
Ez a kapcsolás honnan van, ha szabad megkérdezzem?
Saját szerkesztésű rajz. (SPlannal rajzolva)
Tehát a motor megtáplálása "ellentétes" irányban van a megfigyelési ponttal(optocsatoló)? Tehát így jelen esetben azt tudja indikálni, hogy a forgórészen van-e feszültség. Továbbá kiváncsi vagy arra is, hogy azért nincs-e feszültség a motoron mert a végállás már kioldott?
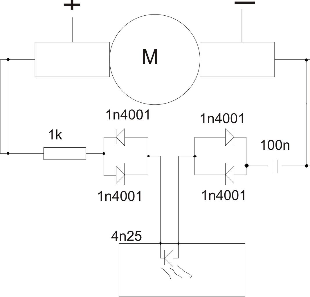
Köszönöm, az áramreléket ezidáig nem ismertem. Viszont egyik kedves ismerősöm ajánlott egy kapcsolást, és úgy tűnik, hogy nagyon beválik (eddig). Itt a rajz is róla.
Itt a motor még csak szimbolikus, mert ugye előtte történik az irányváltás, és a végálláskapcsolás. A tranyó kollektorán tápfeszültség mérhető nyugalmi állapotban, működés közben pedig kinyit a tranzisztor, és 0V közeli érték van a lábon. (~0,05V), de ezt még finomítom az ellenállások értékeinek állításával. Így megvan a visszajelzés, hogy éppen forog-e a motor, vagy áll (végállás). elektroton: Neked is köszönöm a segítséget, a rajzod annyival egészíteném ki, hogy az 1k-s ellenállás és a 100nF kondi közvetlenül a tápvezetékekre csatlakozik, még a végállások előtt.
Hello!
Ez jó lehet, de azt tudni kell, hogy a diódának el kell viselnie a motoráramot. Valamint egy ellenállás sem árt, ha párhuzamosan van a diódával (100ohm..1kohm). Mert így amikor nem folyik áram a tranyó bázisa a "levegőben van". Valamint a tranyó kollektor-ellenállásának nem szükséges a motortápról táplálkozni, az megkaphatja a PIC 5V-ját is, és akkor egyből logikai jelet ad. Valamint a PIC GND-nek a motortáp negatív pontjával közösnek kell lenni. Ez néha nem túl jó módszer, mert zavarhatja a motor a PIC-et. Ha megengedhető még feszültség veszteség, három soros diódával, akár egy optocsatolót is lehet működtetni, és akkor a galvanikus elválasztás is megoldott. Nem kel közösíteni a PIC tápját a motoréval. stb.. üdv! proli007
Igazad van, arra nem gondoltam, hogy bezavar a motor a mikrovezérlőnek.
Hogy teljes legyen a kép, egy olyan univerzális elektronikát szeretnék összerakni, ami 12VDC-től 48VDC-ig kaphat bemenetet, ezt 2 relével irányváltja gombnyomásra, és közben figyeli, hogy megy-e a motor. És mindezt szeretném megfejelni egy olyan megoldással, hogy a pic és a relék mind a motor tápjáról kapják a szükséges feszültséget. Eddig külön trafóról volt megoldva a pic és a relék megtáplálása, de ezt szeretném kiváltani. Remélem meg tudom oldani, hogy ne nagyon zavarjon be a motor. És ha már erről esett szó: létezik- e olyan step-down konverter, ami ebben a feszültségtartományban működik, és elvisz nekem 2 relét és egy mikrovezérlőt?
Hello!
Általában a teljesítmény elektronikától célszerű leválasztani a PIC-et. Mert a nagyáramok, kapcsolgatós relék, indukció, mindig zavarokat hoz be. Ha a motorfeszről szeretnéd táplálni, akkor is olyan kapcsolóüzemű táp kell, ami galvanikusan elválaszt, a ki és bementetek célszerű optocsatolóval megoldani. Relé működhet a motortáprólis, nem célszerű a PIC körébe tenni. Még ekkor is lehet gond, egymás mellett futó vezetékek hálózati zavar és egyéb területen. Ha elfogadsz egy tanácsot, azt javaslom, hogy elsőként próbálj működő kapcsolást építeni, azt kiismerni zavarszűrés szempontjából. Ha ez már működik, akkor kell a tol-ig határokat növelni de nem megalomán módon. Mert ellenkező esetben úgy belezavarodsz mint macsek a gombolyagba.. üdv! proli007
Köszi!
A tanácsod megfogadom, sőt, már eleve így kezdtem, ha mondhatom. Lassan kész lesz egy prototípus, és igen, én is próbálom a határokat kitolni, amennyire lehet. Ha minden jól megy, hétvégén/jövő hét elején főpróba, aztán megosztom a tapasztalataimat veletek. Ha érdekel valakit, majd a kész kapcsolási és nyákrajzot is közzé teszem. Ja, és visszatérve a korábbi hozzászólásodra: iszonyú hülyének éreztem magam, hogy nem jutott eszembe a 3 soros diódás megoldás. Pedig egyszerű, mint a faék, és még ha 10-15 amperes diódákat is használok, elég olcsón kijön. Úgyhogy utólagos engedelmeddel felhasználom a kész projektben.
Hello!
"Ha érdekel valakit, majd a kész kapcsolási és nyákrajzot is közzé teszem." Csak éppen még azt sem árultad el, mi is lesz ez.. ![]() "..utólagos engedelmeddel.." Miért lenne? A diódák soros kapcsolását, és a meleg vizet nem én találtam ki.. üdv! proli007 |
Bejelentkezés
Hirdetés |










