Fórum témák
» Több friss téma |
Fórum » Kapcsolási rajzot keresek
Témaindító: Kallai Csaba, idő: Márc 11, 2006
Témakörök:
Szia.Köszönetem..
Elméletileg ő lesz az,ennek a készüléknek lenne szükség a kapcs rajzára:Teleton TFS 70
SZIASZTOK "MESTEREK" !!
ORION HT 333 motorvezérlési IC bekötési rajzot keresek. Sajnos sikerűlt kiforrasztani a AMtek AM5868BSl/f icét, jött a nyomtatott áramkörrel, de valamenyi azért megmenekült. Azóta beszresztem, egy kissebb hőfoku pákát. legközelebb jobban vigyázok, tanúltam a hibámból. Kőszönöm : üdv. JIMMY47 / Fényképet majd a nyákról nemsokára./ A hozzászólás módosítva: Feb 13, 2013
Ha jól értem amit irtál , te bekötési rajzot keresel az ichez vagyis adatlapot. Ezt itt találod:Bővebben: Link De a teljes szervizkönyvet is letöltheted innen.Bővebben: Link. Üdv.
Köszönöm, de ezeket megnéztem, de konkrét kapcsolási rajzot keresek. Ezek olyan átlagosak. Az Elektrótanyán van, de ahoz nincs hozzáférésem sajnos. Nagyon köszönöm, azért, hogy válaszoltál.
ÜDV :JIMMY47
Szia!
Regisztráció és külön hozzáférés nélkül is letölthetsz onnan, ha kivárod, míg mgjelenik alul a "Get Manual" felirat, amire rá kell kattintani.
Nekem azt írja ki, hogy a böngészőm valamelyik kiegészítője nem engedi onnan a letöltést.
Tudnak ott a regisztrációhoz olyan hülye kérdéseket feltenni, hogy eddig még mindig megbuktam.(2x próbálkoztam) A legutóbb például sortrafóról fűtött katódsugárcsövön milyen műszerrel mérnék fűtőfeszültséget? A digitális multiméter, persze hogy nem volt jó válasz, de volt még a felsorolásban reflexiós turbulenciaméter is.
A regisztráció önmagában nem biztosít többlet letöltési lehetőséget, mert az extra lehetőségek eléréséhez aktivitást kell mutatni az oldalon. Tehát a napi kettő letöltéshez nem kell semmit sem sem tenni, csak kattintani.
HALLI !!!
Ezt nemtudtam, de köszönöm, kipróbálom majd. Ha már szlengben köszönsz, nem két ll a Hali ..és nem csupa nagybetű, mert az kiabálás. A hozzászólás módosítva: Feb 15, 2013
Helló.Én egy compaq armada 1750 drive caddy átalakítónak a sémáját keresném mert megvenni drága de a laptop még tökéletes külömböző vezérlési feladatokra.A csatlakozóit be tudom szerezni csak a séma hiányzik hozzá,de a google-ban semmit nem találtam.A válaszokat előre is köszönöm.
Sziasztok!
Ziphona combo 823 típusú lemezjátszó kapcsolási rajzát keresem, ha valakinek meglenne és feltenné, megköszönném.
Sziasztok,
keresek olyan blocking oscillatoros rajzot, ami 1,5V-ból közel 3V-ot állít elő (+-10%), a pontosság nem számít. Tranzisztoros kapcsolások előnyben. Köszönöm!
Sziasztok !
Siemens Euroset 805 vonalas telefonhoz keresek kapcsolási rajzot. Megköszönném, ha valakinek meglenne, vagy adna egy linket ahol fellelhető. Köszönöm
Egy tranzisztoros kapcsolás Bővebben: Link
A hozzászólás módosítva: Feb 16, 2013
És egy IC.-vel működő kapcsolás Bővebben: Link
A hozzászólás módosítva: Feb 16, 2013
Szeretnék érdeklődni, hogy nincs e meg valakinek a fent említett hifi kapcsolási rajza és feltöltené e?, illetve a hangfalak szétszedésére valami tipp.
Sziasztok!
Kapcsolási rajzot keresek. Tipus: LG ffh969 hifi Örleteket is elfogadnék, már ha van, mivel rengeteg oldalt megnéztem már a neten. Előre is köszönöm a segítséget!
Szia!
Itt kattints alul a "processing..." helyén megjelenő "Get Manual"-ra. Nem kell regisztrálás a letöltéshez.
Szia!
Ha nem megy e letöltés csatolom. Egyébként a "google a barátod", nem rosszból, de nem bűn utána nézni a dolgoknak.
Hello !
Wharfedale Topaz SW-10 Subwooferhez keresek kapcsolási rajzot. Köszönöm
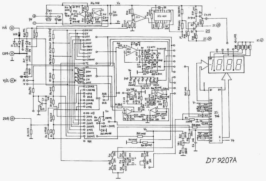
Sziasztok, keresem a DT9208A típusú Digitális Multiméter rajzát!, leltem is egy hozzá illő rajzot, csak sajnos ha ki nagyítom el mosódik minden, és nem lehet a rajzból ki venni semmit hogy éppen milyen értékű alkatrészek szerepelnek a rajzon. Aki tud azt kérem segítsen. Köszönöm!.
Hello!
Lehet nem leszel elégedett vele, de végül is nem olyan szörnyű ez és ezen a kínai oldalon a fontos részek látszanak. üdv!
Esetleg amit mellékeltem segíthet.
Most látom több ilyen típusszámú multimétert gyártottak. Bővebben: Link A hozzászólás módosítva: Feb 22, 2013
Nagyon szépen köszönöm a segítségeteket!. Örök hálám!
Sziasztok!
Rajzot keresek orion-T2835-STX Silver. Nem találok benne sasszi számot pedig szedtem már szét egy párat... Olyan mintha Grundig bele lenne.
Lehet csak olyan béna vagyok hogy nem bírom letölteni...
Meghajolok előtted megtaláltam a sasszit valóban pt 90.
|
Bejelentkezés
Hirdetés |




Kőszönöm : üdv. JIMMY47 / Fényképet majd a nyákról nemsokára./ 

