Fórum témák
» Több friss téma |
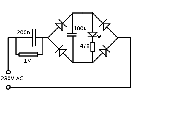
Így képzelted? (ld. melléklet)
Ennek hatalmas előnye, hogy a 100µF-os puffer csak kb. fél voltra tölt egy félhullám alatt, a köv, félhullám alatt vesz fel még egy fél voltot... És így első osztályon ki van védve az indításkor jelentkező túláram okozta túlfeszültség. ![]() ![]() Van fölös adapter, amivel megoldható, csak egyszerűen kedvem támadt építeni. ![]() amint eljutok mikrovill-be kipróbálom! ![]()
Igen, de még egy korlátozó ellenállást betennék a 230v ágba, hogy bekapcskor a 200n és 100u ne csináljon pillanatnyi "rövidzárat". Ha bolondbiztost is akarsz, akkor a 100u-val paralell lehet zénert, hogy a led esetleges mgszakadásakor ne füstöljön el a kondi (ha kisfesz elkó)
Nem. Annak csak egy soros ellenállás kell.
Használhatnád a válasz gombot, hogy ne kelljen keresgélni
Bocsánat!
És milyen ellenállást kellene be raknom? Milyen értékűt?
Ott van a linkben amit a válaszban írtam. Mégegyszer.
220k 1/4W A hozzászólás módosítva: Jan 28, 2013
Igen-igen, nem láttam a fától az erdőt. De azért köszönöm!
Beszámoló következik:
Voltam boltban, és úgy döntöttem (szimpla kíváncsiságból), hogy a saját verzióból építek egy tesztdarabot. Összeraktam, csatlakoztattam, és gyönyörűen működött, majd kikapcsoltam, majd megint be, aztán hallotam a ki-be kapcsoláskor jelentkező 50Hz-es pattogást, és én hülye fejjel ezt elkezdtem "részletesebben tanulmányozni", aminek az lett az eredménye, hogy a zener folyamatosan kapta a bekapcsoláskor jelentkező sokszoros túláramokat, és (kb.) zárlatos is lett. (Tudom, miért nem raktam be védő ellenállást, azért, mert minimális disszipációt szerettem volna.) A zárlatos zener meg kisöntöli a ledet, tehát nincs fény ![]() Tapasztalat: A kapcsolás működik, de határozott ki illetve bekapcsolást igényel. A vibrálásmentességet a készülék időelőtti meghibásodásából kifolyólag nem tudtam tesztelni.
Hali!
Teljesen egyetértek veled, sőt mi több, figyelembe véve saját szaktudásom kezdetlegességét, számomra általában hasznos is az olvasgatás. A most sokadszorra linkelt hozzászólásodat is nem egyszer olvastam el mielőtt építeni kezdtem volna, viszont számomra nem világos, hogy ez a tartalom milyen töbletinformációval rendelkezik, amelyet ha figyelembe vettem volna, eredményesebb berendezést hozhatttam volna létre? De gond egy szál se, amint tudok szerzek egy új zenert, (Most inkább 3,6v-osat), majd kultúrmódon be kapcsolom, és gyönyörködni fogok a gyönyörűszép hidegfehér fényáradatban. ![]() B terv: a zenert kiváltom egy sima nyomógombbal, és úgy kell elvégezni a bekapcsolást, hogy a nyomógombot arra a rövid időre működtetem, és amikor már beállt a kondenzátor árama szép szinuszosra, akkor már nyugodtan fel lehet engedni a nyomógombot. Ennek hátránya, hogy így a védettség egy esetleges áramkimaradás esetén csak a 100µF-os elkó kondenzátor (Vagy elég lesz, vagy nem) (Egyelőre nem szándékozok ilyesmihez folyamodni.) A hozzászólás módosítva: Jan 29, 2013
Szia! Ha a témát alaposabban ( esetleg teljesen elölről, többször is ) átolvasod, akkor kevesebb alkatrész adja vissza a lelkét az alkotójának. ( Pl. Én is gyakorlati méréseket végeztem azzal kapcsolatban, hogy hol van az arany közép út a soros ellenállás értékénél... De ez, áramkörönként változó. )
Másik dolog az az, hogy egy zener diódának ILLIK soros ellenállást bekötni. ( Vagy olyan teljesítményű zénert kell választani, ami illeszkedik az Xc látszólagos teljesítményéhez. ) A zéner nyitófeszültségét megéri úgy méretezni, hogy a LED-eknek legyen elég feszültség. Ha közel van a zéner nyitófeszültsége a LED-ek nyitófeszültségéhez, akkor a zéner nyitó árama hozzá adódik a LED-ek áramához. Ezért az Xc-t erre az ösz-eredő áramra kell méretezni. Extrém esetekben ez akár duplája is lehet a szükséges kapacitásnak. Ez egy ördögi kör... A jól méretezett soros kondenzátoros áramkörben nincs szükség zénerre. A LED-ek nyitófeszültsége "beáll" a rajta átfolyó áramhoz, LED áramgenerátoros tulajdonsága miatt. Véleményem szerint az alkalmazása ezeknél az áramköröknél inkább védelmi jellegű. Ha például megszakad a LED áramköre, akkor a zénert veszi át a LED-ek fogyasztását és tartja biztonságos szinten a feszültséget, ezzel megvédve a kisfeszültségű egyéb alkatrészeket ( PL puffer kondenzátort, egyenirányító hidat, stb... ) a túlfeszültségtől. Gyári, kis ( SMD-vel szerelt ) LED-es jelzőlámpákban is ez a feladata a zénernek. Drága, nagy-teljesítményű LED-eknél, tirisztoros áramkört alkalmaznak a túlfeszültségű csúcsok ellen. Skori weblapján is találkozhattál vele. Szóval megéri kicsit utána olvasni a dolgoknak, mert mások is leírták az építési tapasztalataikat. De köszönjük, hogy te megosztottad velünk. Hátha más is tanulni fog belőle. ( Hibázni nem szégyen. Scak itt közvetlen hálózati feszültségről működik az áramkör!!! )
Sziasztok!
Olyan kérdésem volna, hogy ezek a ledeknek szánt "tápegységek" alkalmasak-e arra, hogy egy mikrovezérlőt üzemeltessek róla? 25-30 mA-nél több nem kellene neki, 5.1V mellett. A hozzászólás módosítva: Feb 7, 2013
microchip keresőbe: Transformerless
pl: Bővebben: Link Bővebben: Link De szerintem ilyen kis teljesitméníű trafó aprópénz...
Igazad lesz. Ha már normálisabb fóliakondit teszek bele, majdnem ott vagyok, mint egy trafóval.
És a trafónak megvan az a jó tulajdonsága, hogy galvanikusan le van választva a hálózatról. Köszönöm a doksikat, nagyon sok jó dolog van bennük.
Szia ! Én most rendeltem kínából távirányító szettet. Kicsit rácsodálkoztam a tápjára: 86-240V és 12V-os relék mennek róla 4db +az 5V-os elektronika , 120-170mA: LNK304PN . Ja és mindez egy 8 lábú tokban!
A hozzászólás módosítva: Feb 8, 2013
Az LNK304PN adatlapjában: Link a hálózati feszültséget egyutas egyenirányítóval viszi az puffer kondenzátorokra. ( Figure 1. Második oldal. ) Jó "kis" tápegységnek néz ki.
![]()
Köszönöm!
Nem tűnik rossznak, főleg, hogy nekem is 2db 12v-os relét kellene tudnia elvinni plusz a mikrovezérlőt, lehet, hogy megér egy kísérletet. Azt még hadd kérdezzem meg, hogy a te tápod (gondolom készre forrasztva élesztve érkezett) az adatlap szerinti alapkapcsolás szerint van megépítve, vagy van valami módosítás rajta? Amúgy én a LNK306-os típuson gondolkodom, kicsivel kerül többe és 250mA felett teljesít. Viszont még mindig megvan az a hátránya, hogy nincs a hálózatról leválasztva, így különös körültekintést igényel a szerelése. A tieden van valami fizikai/mechanikai védelem, hogy ne tudj hozzányúlni a nagyfesz részekhez?
Hali!
Továbbgondoltam ezt: Bővebben: Link És a következő az elgondolásom: a leddel sorosan kötök egy induktivitást, ami kiváltja azt az ellenállást, ami a bekapcsolási áramtüskét hivatott korlátozni. És hogy ne kezdjen el rezegni a kondival, rakok egy sima diódát párhuzamossan ellenirányban. A zenert pedig elhagyom. Ez járható út? Ha igen valaki tud esetleg irányértéket adni induktivitásra. (Sőt ha valaki leírná, illetve belinkelné LRC kör áram-feszültségkarakterisztikájának számítását egyenáram esetén azt még jobban megköszönném.)
Hali! Szerintem ezzel az lesz a gond, hogy az induktivitasban tarolt energia a vele parhuzamosan levo diodan fog eldisszipalodni.
Inkabb a LEDet kozvetlenul egy graetz hid kimenetere kapcsold, mig a hid bemenetevel sorban az induktivitast es igy semmit sem kell a tekerccsel parhuzamosan kotni. En azert egy biztositekot is tennek a 230-ra. A hozzászólás módosítva: Márc 1, 2013
Sziasztok! Szerintem kár ennyit görcsölni. A kínaiak megoldották a tápot egy nyolclábú tokban, 85-265V-ig megeszik mindent és 60mA-ig ellát bármit. Az majdnem 15W... Kici, kínai occó.
![]()
Nyilvan nem kell. En nem is ezt a megoldast valasztanam, hanem a graetz hidast, annyi kiegeszitessel, hogy nem pusztan soros kondirol hasznalnam, hanem kapacitiv osztot is kialakitanek.
Ha egy LED-et szeretnel csak visszajelzes miatt, akkor nem eri meg azzal az IC-vel szenvedni, arrol nem is beszelve, hogy valoszinuleg annak lesz a legrovidebb az elettartama. Idézet: Azt majd az idő megmondja, én vettem olyan panelt, amin ez a chip van - igaz távirányítót lát el táppal 12V-on, de ez indiferens az ügy szempontjából. 1ledre meg nem kell ekkora cécó. 1 diódás egyutas egyenirányítás, ellenállás, led sorban. Az egyutas egyenirányítás után már eleve féltáp lesz csak. Picit vibrál, de van amihez elég. Nem magamtól találtam ki, Ezermesterből építettem meg 25 éve. Azóta világít egy LED-em a falban így. Igaz az mindössze 5mA -ről megy. Ugyanígy lett megoldva egy bypass átkapcsoló fázis visszajelzése - az is megy 4-5 éve. Annyi csak a változás a 25 évvel ezelőtti állapothoz, hogy jobb hatásfokúak lettek a led-ek és nagyobb a fényerejük. „nem eri meg azzal az IC-vel szenvedni, arrol nem is beszelve, hogy valoszinuleg annak lesz a legrovidebb az elettartama”
A graetznel is 324V lesz. Mondjuk en az ellenallasos megoldasokat nem szeretem a nagy fogyasztas miatt, nomeg a vibralo fenyt sem tartom elonyosnek, bar van akit nem zavar.
Be kell vallani, az LNK30x csalad nagyon impressziv es tetszik nekem, de erre nem hasznalnam. Idézet: - Mi a baj vele? Nálam működik. „Be kell vallani, az LNK30x csalad nagyon impressziv es tetszik nekem, de erre nem hasznalnam.”
Feleslegesen dragitja az egeszet, csak passziv alkatreszekbol megoldva kb. 100...150 Ft.
A hozzászólás módosítva: Márc 1, 2013
Nem tudom maga a chip mennyibe fáj - bevallom itthon nem néztem utána, de az egész panel amit vettem nem volt 3000Ft távirányítóval együtt, amiben benne van.
A hozzászólás módosítva: Márc 1, 2013
Hali!
Először is köszönet, hogy újraélesztetted a témát, másodszor az induktivitáson bekapcsoláskor a D6 felőli kivezetése lesz pozitív, és a dióda ebben az irányban zár, viszont a kikapcsoláskor megjelenő áramlöketet kisöntöli, mivel ott fordítva jelenik meg a feszültség. Amúgy 330uH-m van négy db, gondoltam egyet berakok ebből. De most van egy kis időm, ki is próbálom...
Összedobtam, leteszteltem, és a led a sokadik bekapcsolás után is éppségben van. A pufferkondinak 1000µF-ossat választottam, mert ennek a feszültéghullámzása már a D5 nyitófeszültsége alatti. (És ez olyan lágy, kb. 1/4 sec alatt felépülő fényerőt jelent, igaz kikapcsoláskor még sokáig fénylik.) Induktivitásképpen pedig kisáramú 330uH tökéletesnek tűnt. Költségvetés: 220nF HV kondi: 150Ft; 1Mohm-os ellenállás: 3Ft; 330uH-s induktivitás: 12Ft; led: én anno 10Ft-ért végkiárusításon vettem, nagytételbe most lehet olyan 15Ft; 3db IN4007-es dióda:3x15Ft = (150+3+12+15+3x15)Ft = 225Ft. Lehet, hogy egy ledre kissé horibilisnek hangzik, de nem lenne jelentőssen drágább egy hasonló 50 ledet meghajtó áramkör sem (természetesen a ledeket nem számolva).
![]()
Igaz. Viszont azt meg javaslom, hogy a bemenetre rakjal egy 100 Ohmos ellenallast, hogy a C1 kondi indulo arama ne legyen nagyon nagy bekapcsolaskor, mert azert az roviditi a kondit eletet.
Ha azt szeretned, hogy ne vilagitson sokaig, akkor a C3-mal is parhuzamosan kell kotni egy ellenallast, mondjuk 30...100kOhm -ot. A graetzes kapcsolast, hiszen csak egy diodaval kene tobb, mint amit most hasznalsz, viszont oda nem kell induktivitas. Az osszeg nem horribilis, viszont 480 Ft-ert mar kapni C(kalap) sinre szerelheto modularis LED-es jelzofenyt ![]() A hozzászólás módosítva: Márc 1, 2013
|
Bejelentkezés
Hirdetés |