Fórum témák

» Több friss téma
Fórum » Elektronikában kezdők kérdései
- Ez a felület kizárólag, az elektronikában kezdők kérdéseinek van fenntartva és nem elfelejtve, hogy hobbielektronika a fórumunk!
- Ami tehát azt jelenti, hogy a nagymama bevásárlását nem itt beszéljük meg, ill. ez nem üzenőfal!
- Kerülendő az olyan kérdés, amit egy másik meglévő (több mint 17000 van), témában kellene kitárgyalni!
- És végül büntetés terhe mellett kerülendő az MSN és egyéb szleng, a magyar helyesírás mellőzése, beleértve a mondateleji nagybetűket is!
Lapozás: OK   1938 / 4060
(#) danydosster válasza kadarist hozzászólására (») Márc 6, 2013 /
 
(#) bancsi15 hozzászólása Márc 6, 2013 /
 
Sziasztok!

Valaki tudna segíteni abban, hogy a mellékelt ventilátor késleltető kapcsolásban a bejelölt ellenállás mekkora értékű illetve, hogy elegek-e 0,25W-os ellenállások?
Köszönöm
A hozzászólás módosítva: Márc 6, 2013

késl.JPG
    
(#) danydosster hozzászólása Márc 7, 2013 /
 
Hallo!
A h-híddal Bővebben: Link kapcsolatban lenne problémán. Mint kiderült egy tranyó kinyiffant és ezért nem működött megfelelően.
De most újabb gond van. Nincs áram :S
Kipróbáltam egy 4.5 V telepről. A motor 250MA áramot vesz fel. De ha rákötöm a h-hídra akkor nincs csak 0.01A. Valami nagyon nem jó. :S
Mindenhová 1k ellenállásokat tettem.

Kipróbáltam egy 12V adapterrel ami 1A ig terhelhető de a motor meg se nyikkan.
Léci segítsetek, mit csináljak???
(#) kadarist válasza bancsi15 hozzászólására (») Márc 7, 2013 /
 
Szia!
Honnan szerezted ezt a kapcsolást?
(#) blackdog válasza bancsi15 hozzászólására (») Márc 7, 2013 /
 
És ez a kapcsolás működőképes? Nem akarom elhinni.
(#) bancsi15 válasza kadarist hozzászólására (») Márc 7, 2013 /
 
Ezermesterben volt a neten.
(#) kadarist válasza bancsi15 hozzászólására (») Márc 7, 2013 /
 
A link meg van hozzá?
(#) bancsi15 válasza kadarist hozzászólására (») Márc 7, 2013 /
 
Tessék: Bővebben: Link
(#) kadarist válasza bancsi15 hozzászólására (») Márc 7, 2013 /
 
Építs be oda egy 1Mohm-ot, aztán meglátod. Az ellenállások legalább fél wattosak legyenek, mert fő a békesség.
(#) bancsi15 válasza kadarist hozzászólására (») Márc 7, 2013 /
 
Rendben köszönöm! Amúgy elnézve a válaszokat lehet, hogy nincs minden rendben ezzel a kapcsolással?
(#) djadji hozzászólása Márc 7, 2013 /
 
Segítsetek pls. Szeretnék egy olyan kapcsolást, ahol 50 és 300 ohm között tudom állítani az ellenállást.
Jól gondolom, hogy ez az lesz? Ha a potit 0ra tekerem akkor 50 ohm alatt lesz valamivel, ha pedig feltekerem jó magasra (10K pl) akkor meg nagyjából 300 ohm fölött lesz egy picivel az eredő ellenállás.
Ugye?
(#) blackdog válasza bancsi15 hozzászólására (») Márc 7, 2013 /
 
Az én véleményem:
Érintés védelmi szempontból talán a lehető legrosszabb megoldás.
Nem tudod állítani az időt. Egy kondira van bízva minden.
Motorzárlat esetén nem is tudom hogyan viselkedne ez a kapcsolás.

Egy 4060 IC-vel sokkal jobbat alkothatnál.
A többit majd talán a nálam okosabbak elmondják.
A hozzászólás módosítva: Márc 7, 2013
(#) kadarist válasza djadji hozzászólására (») Márc 7, 2013 /
 
Szia!
300 ohm felett semmi esetre sem lehet nagyobb az eredő ellenállás.
(#) blackdog válasza djadji hozzászólására (») Márc 7, 2013 /
 
Ha teljesen letekerd akkor kb. 43 ohm
Ha teljesen fel pl. 10k potik akkor: 300 x 10050 = 291 ohm.
Párhuzamos kapcsolás esetén az eredő mindig kisebb lesz mint a legkisebb párhuzamos tag.
(#) mps válasza blackdog hozzászólására (») Márc 7, 2013 /
 
Szerintem a kapcsplás lényege az hogy a lámpa lekapcsolása után még megy a ventilátor, tehát a kapcsoló után téve értelmét veszti.
Motorzárlat vagy megszorulás esetére kellene egy bizti, mondjuk a fetet, hidat nem fogja megvédeni, legfeljebb kis százalékban
Egy iylen célra való kapcsolást nem régen rakott fel Proli007, arra lehet fényérzékelőt is tenni, ha ég a lámpa akkor bekapcsol, nem kell vezetékezni annyit, persze ha van ablak akkor ez a része bukta.
(#) horvathzsolt13 hozzászólása Márc 7, 2013 /
 
Halli mindenkinek
szeretnek valami egyszerut es nagyszerut csinalni csak nincs ottletem!!!
A hozzászólás módosítva: Márc 7, 2013
(#) djadji válasza kadarist hozzászólására (») Márc 7, 2013 /
 
Igen.. azt akartam írni, hogy 300 alatt valamivel...
Köszönöm a megerősítést
(#) zolika60 válasza horvathzsolt13 hozzászólására (») Márc 7, 2013 /
 
Építs villogót, mindenki azzal kezdi manapság.
(#) horvathzsolt13 hozzászólása Márc 7, 2013 /
 
koszonom
de ebol a rajzbol nem ertek semmit!!!
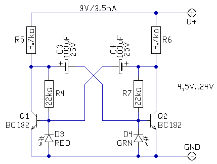
(#) zolika60 válasza horvathzsolt13 hozzászólására (») Márc 7, 2013 /
 
Akkor meg kell tanulnod a rajz jeleket, mert anélkül nehéz lesz bármit építeni. Így néz ki képen. Bár amikor először építettem ilyet, NYÁK-ot sem csináltam, csak az alkatrészek lábát forrasztottam egymáshoz.
(#) horvathzsolt13 hozzászólása Márc 7, 2013 /
 
Igy mar ertem!!!
(#) Marko Ramiusz válasza horvathzsolt13 hozzászólására (») Márc 7, 2013 1 /
 
horvathzsolt13! Javaslom, hogy előbb tanulj meg helyesen írni magyarul. Amennyiben ez sikerült, kérdezz a "Kezdő kérdések" topicban, ott biztosan találsz magadnak valamit. Üdv. : Yoe
(#) vipera1997 hozzászólása Márc 7, 2013 /
 
Hello!Folytasd egy egyszerű TDA2030a-s erősítővel!
Azzal kezdtem en is!Sokat lehet tanulni belőle!

Segítek ha kell bármikor!
(#) horvathzsolt13 hozzászólása Márc 7, 2013 /
 
Köszönom szépen majd
proálgatom
(#) kameleon2 válasza horvathzsolt13 hozzászólására (») Márc 7, 2013 /
 
Szerintem ha a rajzjelek gondot okoznak, elsőként érdemes pár diódával, leddel kezdeni. Az érdekes és látványos. Veszel egy CR2032-es 3V-os elemet és cellux-szal rögzíted rajta a LED-et. A 3V-os elemre pedig teszel egy kis mágnest és már meg is csináltad amit a táncos című filmben lehetett látni. Egy kis dobálható fényforrás, ami elég sokáig világít. Többféle színes leddel, sőt villogó leddel is megcsinálhatod. Utána majd jöhetnek a bonyolultabbak. Figyelj rá, hogy nem mindegy melyik lábát kötöd a lednek a plusszra. csak egyféleképpen fog világítani, hiszen dióda, azaz félvezető.
(#) horvathzsolt13 hozzászólása Márc 7, 2013 /
 
Köszönom szépen
(#) horvathzsolt13 hozzászólása Márc 7, 2013 /
 
más ötleteket is szivesen varok
(#) Rainbow15 hozzászólása Márc 7, 2013 /
 
Sziasztok
A "P6KE 27CA" nevű "feszültségvédő?" diódát mivel tudom helyettesíteni? Mert ilyet itthon nem hiszem, hogy árulnak, google nem dobta ki.
Köszi!
(#) proli007 válasza djadji hozzászólására (») Márc 7, 2013 /
 
Hello!
Talán célszerűbb lett volna egy 51ohm-os ellenállást, és egy 250ohm-os potit sorba kötni nem? A 10kohm-al a karakterisztika (szögelforduláshoz tartozó ellenállás változás) igen torz lesz..
üdv!
(#) zolika60 válasza horvathzsolt13 hozzászólására (») Márc 7, 2013 /
 
Például tanulmányozd ezt. Aztán nézz szét itt. szerintem találsz kedvedre valót.
Következő: »»   1938 / 4060
Bejelentkezés

Belépés

Hirdetés
XDT.hu
Az oldalon sütiket használunk a helyes működéshez. Bővebb információt az adatvédelmi szabályzatban olvashatsz. Megértettem