Fórum témák
» Több friss téma |
Fórum » Kapcsolóüzemű (PWM) végfok építése
Ha megpróbálnád több pontban ábrázoltatni az áram jelet és azt széthúzni, akkor mindjárt látni lehetne, hogy a tranyók bekapcsolásakor szép nagy áramtüskék vannak... Ne 1 kHz-en szimuláltasd, hanem mondjuk 5-ön. Mindjárt jobban látszanak a rövid részletek és a szimulációs idő is gyorsabb.
( De az az igazság, hogy ha értenéd a működést, akkor egyáltalán nem lennének kételyeid a Qrr hatása , mibenléte és valóságtartalma miatt.... ) A hozzászólás módosítva: Márc 10, 2013
"Persze, nincs ebben semmi különleges, egy dupla emmitterkövetős fokozat van kissé egyszerűsítve"
Ez a gate driver, nem egy dupla emitter követő. Ez jelformáló, ( erősít nem kicsit, pontosabban meredekséget növel) ezen kívül ez csinálja a holtidőt... Bocs, ne haragudj, de én azt hiszem, hogy te egyáltalán nem tudod, hogy mi az a Qrr és milyen hatása van.. Én viszont úgy látom, hogy te nem tudod, a múltkori kapcsolást sem láttad át. Majd te leírod, az én magyarázataim sértően egyszerűek és erősen redukálják a "felnézési faktort".
..ne 1 kHz-en szimuláltasd, hanem mondjuk 5-ön.
Attól tartok, hogy te rosszul olvastad le a szkópról az időállandót. Én ugyanis 10kHz-n szimuláltam természetesen... De már töltöm le a multisim-et, mert elegem van ebből, hogy a Tina rosszul szimulál. Most majd kiderül...
Jó, ha így gondolod, a te dolgod.
" Én viszont úgy látom, hogy te nem tudod, a múltkori kapcsolást sem láttad át. Majd te leírod, az én magyarázataim sértően egyszerűek és erősen redukálják a "felnézési faktort". " Egyszer már leírtam, még meg is köszönted.
Amit megköszöntem, az az volt, hogy észrevetted, nem tud elindulni.
Az kapcsolás RR csökkentő hatásáról szó szerint azt írtad, "én ezt nem értem, de ti tudjátok". Amíg jön a multisim, feltennéd azt a szimulációt amin széthúzva látszanak a 20A-es áramtüskék? Mert kissé hihetetlen, hogy az általatok istenített Bruno féle kapcsolás ennyire rossz lenne. Azt sem hiszem, hogy ami a Tinában tökéletesen RR mentes, az multisimben ekkora különbséget mutatna.
Lehetséges, talán rosszul fogalmaztam. Az igaz, hogy az időalap 10 us, de szerinted, mennyire látható 10 us-os időalapnál egy 100 ns-os tüske? Ha kicsi felbontást allítasz be, akkor ez egyszerűen elvész!!!
Nem a TINA-val van baj, hanem a használatával! Ezért próbáltam segíteni, de nem értetted meg. Ez is a te dolgod. A Multisim ugyanilyen, nem hinném, hogy nagy különbség lenne közöttük, legfeljebb az egyikben így kell csinálni, a másikban meg úgy. Egy dolog viszont közös bennük! Hozzáértést igényelnek...
Tessék, itt az 1us kép. A rajta látható RR tüske 200-300mA. Pont nullát számít, úgy csúcsértékben, mint effektívben pláne nullát. Ennyi a Philips kapcsolásban is van. Szeretnék látni egy olyan kapcsolást, amiben ennyi sincsen és 90% feletti a hatásfoka.
Tedd már fel a szimulációs képet, amit te látsz, mert nem tudom elképzelni, hogy a másik szimulátor ugyanerre a kapcsolásra 100x nagyobb tüskét számol ki. Ez lehetetlen.
Holnap... csinálok egyet. Milyen tranyót akarsz bele? Túl nagy különbségek nem lesznek...
Nem egészen. 2013. 02.11-én írtam arról, hogy mi a Qrr. Elég hosszan. Vagy nem olvastad el, vagy nem értetted meg. De rögtön utánna megköszönted az irományomat...
Azt hittem már előtted a te szimulációd és abból beszélsz, nem pedig látatlanban.
Elbeszéltünk egymás mellett megint, másra reagáltam, az az írás jó volt, hasznos. Viszont nem kell a dolgot túlmisztifikálni sem. Elegendően nagy holtidő mellett nem lesz egymásra nyitás. Amúgy pedig, ha valaki komolyan akarja venni ezt a dolgot, az betesz egy méretezett párhuzamos rezgőkört ami az adott holtidő mellett mutatkozó RR-re van méretezve ( pont ezen dolgozok két hete) és megint nincsen egymásra nyitás, mert az összetevőket transzformálja. Némi Laplace transzformáció alkalmazás, de ez itt OFF. Kb. 50 éve kitalálták a parametrikus erősítőknél, csak akkoriban még nem volt divat a misztifikálás... A hozzászólás módosítva: Márc 10, 2013
Van kb 100 db szimulációm D-classról. Meg kellene találnom azt..holnap...de ha szimulálsz egy boost, vagy buck konvertert, akkor magad is látni fogod.
" Elbeszéltünk egymás mellett megint, másra reagáltam, az az írás jó volt, hasznos. Viszont nem kell a dolgot túlmisztifikálni sem. " Te azt írtad, hogy nem köszönted meg, sugallva azt, hogy nem írtam ilyet. Én erre reagáltam, hogy igenis megköszönted. Ebből következik az is, hogy elolvastad. Hogy nem ( akartad ) megérteni, azon én nem tudok segíteni. Legfeljebb sajnálkozni... Nincs itt semmi sem túlmisztifikálva, hiszen ez alapvető dolog. " Elegendően nagy holtidő mellett nem lesz egymásra nyitás." Ez igaz. De próbáld átgondolni, hogy mindez mivel jár. Egyébként, nem rég erről is írtam. Sub-ra jó, másra nem. És egyáltalán nem egyszerű. " Amúgy pedig, ha valaki komolyan akarja venni ezt a dolgot, az betesz egy méretezett párhuzamos rezgőkört ami az adott holtidő mellett mutatkozó RR-re van méretezve ( pont ezen dolgozok két hete) és megint nincsen egymásra nyitás, mert az összetevőket transzformálja. Némi Laplace transzformáció alkalmazás, de ez itt OFF." Miért lenne off? Gondolom, te értesz ehhez olyan szinten, hogy meg tudod ezt csinálni... A Laplace transzformáció mindig is a kedvencem volt. Tehát: várjuk tőled az elképzelésed...! " Kb. 50 éve kitalálták a parametrikus erősítőknél, csak akkoriban még nem volt divat a misztifikálás..." Ezt a megoldást is nagyon várom, különösen azért, mert nem tudok szinte semmit a parametrikus erősítőkről. Tehát, lesz dolgod, hogy az általad említett példákat manifesztáld! Várom és gondolom nem csak én.
Valóban egyszerűsítettem, de a többi biztosan nem módosít rajta semmit. Hiszen az elején révő rész nem csinál mást, mint meghajtó jelet (0-12V között, negatívba nem megy, 12V-nál meg a zéner korlátoz), meg holtidőt (most itt pl 50ns van beállítva).
A PNP tranyó dióda, satöbbi egyszerűsíthető a 27 ohm ellenállássá és a diódává és egy ideális feszforrássá. (bár az helyettesítő érték nem 27 ohm lenne, kicsit ekvesebb, mert 40V-ról hajt, de ez most annyira nem érdekes, most így 27 + dióda ad még egy kis holtidőt). Ha elég a holtidő és jól van belőve, akkor üresjáratban elkerülhető az RR (de ez mindig igaz). 50 illetve 100ns holtidővel ez történik (lásd mellékelve). Ha kihagyom a diódát, akkor még 100ns holtidőkkel is lesz RR, és jó 30A. (ha kinagyítom a grafot,a kkro üresjáratban jól látszik, hogy a FET kikapcsolása után lassan kúszik lefele a tekercs árama, ha van rá idő hogy teljesen lekúszzon, akkor nem lesz RR). Ellenben ha tullibbenünk a két crossover ponton (tekercs árama nem vált irányt), akkor biztosan lesz egy diódavezetésünk és így egy RR-ünk. Mellékelve a graf. Ha msot azt mondod, hgoy az rész okozza amit te mondasz, amit leegyszerűsítettem, akkor megeszem a kalapomat, mivel teljesen kizárt. u.i.: miután posztoltam vetem észre, hogy ahogy a HE megjeleníti az ábrát, úgy lehet nem látszik a lényeg, ezért csináltam egy nagyítást. (ha a képeket nagyban nyitjátok meg, úgy látszania kell) A hozzászólás módosítva: Márc 11, 2013
Ez milyen verzióval készült? TINA8-al nem tudom megnyitni. Mindegy, este talán lesz időm rajzolni.
Itt van két szimuláció. A kapcsolási rajz alapján nyomonkövethető, hogy melyik sugár mit ábrázol. Az egyik az az állapot, amikor a moduláció olyan, hogy a kimeneti fesz egy maximumról a nullán keresztül átmegy a negatív maximumba. A másik egy kinagyított részlet egy dióda, tranzisztor kommutációról. Pont, mint a Lacié.
Na én is megcsináltam a szimulációt multisim-ben. A két szimulátor tökéletesen egyforma eredményt adott, így mostantól ezt a Tina-ban ne szimulálj, mert csak a multisim a jó kérdést lezárhatjuk.
Szóval pont ugyanakkora tüskéket jelenít meg a multisim is a kapcsolásra, mint a Tina, tehát a működés szempontjából elhanyagolhatóakat. Tehát bátran használható a Tina is, a D osztály szimulálására is, az urbán legend ellenére... Azért a felvetésed alapján a melegedő driver tranzisztorról mindjárt leveszem a teljesítményt. A jó öreg Quad405-ben pont van egy erre alkalmas megoldás, amit pont ugyanerre használtak benne.
Ezek csak ilyen grafikus formátumok, mint a pdf, meg a jpeg. Ezt nem nyitja meg egyik szimulátorprogi sem. De ezt azért nem olyan sok berajzolni.
Igen egyszerűsítettél rajta. Ahogyan múltkor is, most is a holtidőt egyszerűsítetted ki. Holtidő nélkül persze hogy van tüske...
Válts át trapezoidalból Gear módba, mert jól látszanak a számolási hiba okozta fals berezgések.
Egy kérdés: Mekkora a beállított holtidő? Ahogy modntam üresjáratban lehet ZVS, elegendő holtidőnél, na de menj el széppen valamelyik corssoveor pont alá/fölé a kitöltési tényezőben A hozzászólás módosítva: Márc 11, 2013
Ezzel csak az a baj, hogy nincs benne moduláció. Így úgy működik, mint egy félhidas táp és abban nincs olyan vezetési állapot, hogy pl. a felső tranyó diódájától az alsó tranyó tranzisztora veszi át az áramot. Ez egész más, nagyjából semmi köze nincs a D osztályhoz. Tegyél bele egy kis modulációt és mindjárt megérted, hogy miért olyan kínos ez a dolog.
Az előbb becsatolt eredményeimen láthatod, hogy ott a moduláció és ez a lényege.
9-es Tina-val készült. Természetesen nem grafikus fájl, hanem komplett szimulációs fájl, de nem kell törődni vele...
A Tina-ban még máshol is találsz ilyen szimulációs fájlokat, pl a az Exemples könyvtárban. Mindjárt felteszem Tina 7 formátumban, azt talán meg tudod nyitni.
kb 130ns a beállított holtidő, de ez a meghajtó nem csak holtidőt csinál, hanem jelformáló is, a lassabban nyitó tranzisztort baromira meglöki. Nagyon elmés Bruno találmány. Nem fogod tudni más megoldással helyettesíteni.
A 130ns az baromni nagy, esetleg 100kHz kapcsolásnál elfogadható. Az effektív holtidő meg nagyobb (FET lassú bekapcsolása, gyors kikapcsolása).
Egy normális 200-250kHz kapcsolásnál érdemes úgy 50ns-ra levinni
Elnézést, elnéztem, azt hittem a felette levőket kérdezed...
Mivel 0,1% körül van az eredő torzítás 250kHz körüli frekvenciával, szerintem tökéletesen megfelel D osztályú erősítőnek ilyen nagy holtidővel is.
Más kérdés, hogy ekkora holtidővel a hatásfok soha el nem éri a 90%-ot, megreked 85% körül, de ez kis ár a kapcsolás egyszerűségéért és azért, hogy furatszerelten használható. Szerintem.
Azért a 0,1% torzítás necces lesz ekkroa holtidővel. Lehet nagy kivezérléseknél leszilyen alacsony, de üresjáraton szép kis zajt fog okozni ez a nagy holtidő (lásd IRF doksik).
A holtidőnek mi köze a hatásfok megrekedéséhez? Ponthogy nagy holtidővel a hatásfok javítható (kevesebb RR, kevesebb S(UI))), természetesen a minőség rovására.
Beszállok énis!
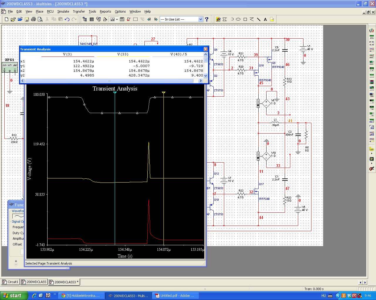
Most eléggé átállítgattam mindent hogy értelmes idő alatt eredményt kapjak, nem is lett a legjobb ui: Most elbizonytalanodtam hogy a nagy tüskék RR vagy összenyitás, segítsetek! A hozzászólás módosítva: Márc 11, 2013
Én ezek szerint mást nevezek hatásfoknak, mint te. Ha nagyobb a holtidő, kisebb a görbe alatti terület, tehát kisebb a kivehető jel, viszont a maradék veszteségek ugyanakkorák ( a nem végtelen felfutási meredekségből adódó veszteség, a nem nulla RDSon-ból adódó veszteség, stb). Tehát romlik a hatásfok.
De, nagyon jó. Még azt is lehet látni, hogy egy tranyó kikapcsolásának a végén is van áramtüske. Ez ugye azért van, mert kicsi a holtidő két tranyó gatejele között. ( 3. kép ) Az elsőn ez nemlátszik, vagy én nem látom jól.
Most csinálj belőle egy olyat, hogy nem szinusz van a bemeneten, hanem egyenfesz és mondjuk legyen 80 %-os a kitöltés. Utánna meg egy olyat, amikor 50%-os a kitöltés, vagyis a bemeneti fesz. zérus. Ha elég kicsi a fojtó a kimeneten, vagy leviszed a frekit, akkor egy háromszögáramot fogsz látni. ( Vagy valami exponenciális felfutásos jelleggel, de mindenképpen induktív terhelés lesz a félhíd számára. ) Vagyis, csináltál belőle egy félhidas tápot. Ami ugye úgy működik, hogy egy tranyó a mellette levő diódától, - vagyis a saját substrat diódájától veszi át az áramot. Ebben különbözik a modulált kiviteltől. Ami tüske áram így is látható, az azért van, mert kicsi a holtidő és egyébként is egy bekapcsolás alatt levő tranyónak fel kell töltenie a másik tranyó kapacitását.
A holtidő növelésével a kapcsolási veszteségek csökkennek.
Az oké, hogy a vezetési veszteségek nőnek, de a legtöbb tervzeésnél fel akarjuk vinni a frekit modern fetekkel, és akkor a kapcsolási veszteségeket kell leküzdenünk. Persze nálad a gagyi FETek miatt a vezetési veszteségek is számottevőek. |
Bejelentkezés
Hirdetés |

















