Fórum témák
» Több friss téma |
Fórum » Kapunyitás gombnyomásra olcsón! - avagy automata kapu házilag
Témaindító: szabi83, idő: Feb 2, 2006
Tőlem vagy az e-bay-ről. Made in China 315MHz 2-4 csatorna. Betonstabil. Remote . Én vettem már ilyet. Gyakorlatilag annyit tud, mint az olaszok 433MHz-es távirányítói, csak abból 4 csatorna sokkal többre jön ki... Ráadásul ez átkódolható, hogy ne vesszen össze a szomszédéval.
Sziasztok!
Azt hiszem innen szedtem le ezt a rajzot. Abban szeretnék segítséget kérni hogy a 4011-es mindkét "felét" használnám, és hogy lehetne megoldani a legegyszerűbben azt, hogy ha az egyik oldal aktív, a másik oldalt ne tudjam véletlenül sem bekapcsolni? Bocsánat a szakszavakért, csak egy lelkes amatőr vagyok...
Hello!
Mondjuk, ha az egyik első kapu bemenetét hozzá kötöd a másik első kapu kimenetéhez. Ha az egyik aktív, akkor az első kapu kimenete L szintű. Így a másik egység első kapujának kimenete, már csak H szintű lehet. Végül is az első kapuk "RS tárolót is" fognak alkotni, ami vagy ide, vagy oda van billentve. üdv!
Szia!
Kipróbáltam, tehát az 1-es lábat a 10 lábbal kötöttem össze. Ez már félsiker, viszont azért nem jó, mert vagy az egyik kimenet aktív, vagy a másik. Nem tudok olyan állapotot elérni, hogy az egyik se legyen aktív. Tehát ahogy írtad, vagy ide, vagy oda billen.
Hello! Akkor valamit félreértettél, vagy nem jól kötötted össze. üdv!
Szia!
Igen, kicsit elsiklottam a részletek felett. A rajzod alapján eszközölt változtatásokkal már azt csinálja amit szerettem volna. ![]() Hálás köszönet!!!
Sziasztok!
Èpíteni szeretnék egy távirányítással mükodtethetö "parkolóört", (lehajható kaput) A mechanikus része már meg van. Az egészet egy 12V akku és egy ablaktörlö motort müködtetne. Azért lenne 12Voltos a rendszer, mert a közelben nincs 220V rácsatlakozhatóság. Ha pedig lemerül az akku kiveszem feltöltöm és vissza teszem.(Számításaim szerint havonta egyszer kell majd tölteni) Segítségeteket szeretném kérni abban, hogy milyen úton oldható meg az egész elektromos része (motor be-ki kapocsolása ill. irányváltása távirányító segítségével). Hátótávolság max 10 méter. (Megállók a parkoló elött, megnyomom a távirányíton a gombot a kapu lecsukodik, rátudok járni a parkolóra. Kijáráskor ugyan ez, lejárok a parkoloról, megnyomom a gombot a kapu felnyilik) Az égész azért kellene mert saját (megvásárolt) parkolóm és folyton elfoglalják. (Tudom hogy vannak fel-le hajtható parkoló örök, de autómatikusat, pontosabban távvezéreltet szeretnék. Azt is tudom hogy létezik készen kapható is. De gondoltam így jóval olcsobban ki lehet hozni) Elképzelés: Van a kocsiban egy távirányító amivel tudom kapcsolgatni a "parkoló-vasat", hogy lehajoljon vagy épp felnyiljon. Milyen ezközök szükségesek a távezérléshez. (távirányító, vevö, végálláskapcsoló, esetleg irányváltó) Ha tudtok a dolgokrol linkeket is küldjetek. Ès ha kérhetem szájbarágós módon irjátok le elképzelésetek,ill ötleteteket, hogy én mint laikus megértsem. Segítségeteket elöre is köszönöm.
Arra a megoldásra is gondoltam, h nem feltétlen kell végállás kapcsoló, ha úgy is megoldható hogy addig megy ameddig nyomom a gombot a távirányíton. Amelyik egyszerübb megoldás az érdekelne jobban. Persze nem zárkozom el más alternatíváktól sem.
"Kapunyitás gombnyomásra, házilag" topic, számtalan lehetőséget találsz.
Üdv
Köszönöm!
Hát 66 oldalt nem biztos hogy lesz idöm átolvasni, és kicsipegetni belöle azt ami nekem megfelelö lenne. Tudnátok egy konkrét kapcsolási rajzot csinálni(rajzolni), relékkel, adó/vevöegységgel , kapcsolókkal, stb. (minden ami szükséges)? Egy müködö rajzra gondoltam? Ami adott egy 12V-os ablaktörlö motor és az akku, valamint a mechanikus szerkezet. (már csak az elektromos vezérlés ami fejtörést okoz)
Szia! A távirányító része a legegyszerűbb. veszel egy kici, occó, kínai távirányítót. 2 adóval 3000Ft. Az akkut akár napelemről is töltheted - ha nem lopják el, bár ez inkább az akkut fenyegeti, azt könnyebben mozdítják. Az autód és az utas védelmét hogyan oldod meg az már más kérdés, mert általában nem a kapu a drága, ezért használnak eltörhető műanyag sorompót inkább felnyílónál. Jobbak a földből kibújó megoldások, ráadásul alapban nem foglalnak semmi helyet a felszínen. AMi egyszerű és praktikus lenne számodra szerintem, az a leeresztőláncos megoldás. Amíg nem állsz bent, ki van feszítve 2 kapu közé, amikor be akarsz állni, leenged a földre és áthajtasz rajta. Ennél egyszerűbb mechanikát nem tudok. Lehet, hogy használtan is találsz valahol készet.Például ilyen
Köszönöm az ötletet. Az nem áll teljesen össze a fejembe, hogy milyen elektronikai alkatrészekre van szükségem, és mit mivel kell összekötnöm. (Igazából van némi lövésem hogy mire lenne szükségem - vevő/adó egység, végálláskapcsoló, irányváltó, esetleg valami biztonsági leoldó - csak azt nem tudom hogy melyik típus a megfelelő és melyik felel meg arra célra amire nekem kell,ill. mi mivel passzol össze.Lehet valakivel meg kell csináltatnom az elektronikai részét ha nem találok konkrét leírást ill. rajzot pontos alkatrész megadásokkal (típusszámokkal, stb.) Magam szeretném megépíteni az elektromos részét is. Nagyon műszaki beállítottságú vagyok, szeretem magam csinálni a dolgokat. (Régen nagyon érdekelt az elektronika, még forrasztgattam is össze ezt azt, de annak már vagy 15 éve és azóta fejlődött a technika és nem követtem így per pillanat kicsit mély vízben érzem magam)
Utas és autóvédelemre nincs szükség, csak azért kell ez a "parkoló őr" mert folyton elfoglalják a SAJÁT megvásárolt parkolómat. Az egész elektronika egy vízmentes zárt dobozba kerül bele. A napelem töltés eddig nem jutott eszembe de most, hogy említed akár ezt is beleépíteném. A láncos leeresztős megoldás azért nem jöhet szóba ,mert mellettem mindkét oldalról további Privát parkolók találhatók (kézzel lehajtható parkőrrel, na én pont ezt a kézzel lehajthatót szeretném távvezérlésre megcsinálni) és nem jó ötlet két oszlopot felállítani...esetleg neki hajtanak, stb. Mindenesetre nekiállok átolvasni mind a 66 oldalt és megpróbálok kiszűrni az általam leírtaknak megfelelő rendszert és össze állítani. Ha valaki szeretne megkímélni a 66 oldal átolvasástól (ami nem kevés idő lesz és van esély hogy teljesen belekeveredek ) és lenne oly rendes és tenne fel egy konkrét kapcsolási rajzot a leírtak alapján azt nagyon-nagyon megköszönném. (Gondolom egy profi műszerésznek ez a rajz kb. 5 percet vesz igénybe) Köszönöm!
Szia! Nem biztos, hogy kell még műszerész sem hozzá, mert vannak úgynevezett léptetőrelék is, amit villanyszerelési boltban is megkapsz. Például a Finder 26.xx sorozata. Ezekkel például egy 4 lépésessel simán össze tudsz rakni egy fel-le vezérlést. Az a lényeg, hogy vagy egyenáramú motor kell hozzá, vagy olyan ami tud forgásirányt váltani. A többit a léptetőrelével le tudod vezérelni. 1. gombnyomás leereszt, 2. gombnyomás megáll 3. gombnyomás felhúz 4. gomnyomás megáll. Akárcsak egy garázsajtó. Apropó egy használt láncos garázsajtó is jó lehet neked, abban még a lánc is megvan + mechanika + távirányító. Mivel optikai általában a végállásérzékelés - akkora láncot teszel rá, amekkora kell. Ha a láncos nem jó, akkor csinálhatsz egyszerű elektromágneses cuccot is. Ugyaolyan mechanikus parkőrrel, csak az alaphelyzetbe rugó húzza a vasat, amikor kioldod, akkor elektromágnes ejti le. Vagy egyszerű síktapadó elektromágnes tartja egyben, ha nyomsz egyet, akkor leesik és kész.
A hozzászólás módosítva: Márc 7, 2013
Nos, keresgéltem adó/vevö készülékeket.
Találtam is egyet: http://www.conrad.hu/conrad.php?name=Products&pid=190904 Szerintetek ezzel meg lehet oldani egy "parkoló ör" fel és le nyitását? készítettem is egy kapcsolási rajzot. Megnéznétek, hogy elviekben müködöképes-e az elképzelésem? A vevö kapcsolását a conrad oldalán található adatlapból szedtem. Véleményeket várok. Az egésznek a lényege, hogy egy vasat kellene mozgatni fel és le. Távirányító segítségével. Semmi biztonsági rendszer nem kell. A hozzászólás módosítva: Márc 8, 2013
Bocsi azt hiszem komplett rossz a rajz. Csinálok úja t és felteszem.
Elég drága...Ehhez képest..
Nem tudom ,engem üldöz a sors ,vagy mi van,Egy vezeték nélküli csengővel próbálkoztam ,amíg nem kapcsolt semmit jól ment ,mihelyt egy szivattyúmotort kötöttem rá,persze megfelelően leválasztva ,bekapcsolni szuper 20-30m ,ki már csak 5m .Ugyan ezt eljátszotta szerintem az általad belinkelthez hasonló vevő, csak egy kapu mozgató motorral .Nyit,csuk tökéletes,de mihelyt a motorok elindulnak többé nem áll velem szóba ,míg le nem állnak, csak nagyon közelről.
Hello!
Ez a rajz cseppet hiányos. Inkább az ábra szerint javasolnám a kötést-Meg lehet dióda nélkül is oldani, de így kell a legkevesebb vezeték. (Persze ha ez számít valamit.) üdv!
Ha közelérzékennyé válik, gyanús, hogy merül a távirányító eleme....
Szia
Szerintem vidd távolabb a vevőt a szivattyútól, mert rázavar (interferál). Üdv
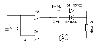
Köszi! Mivel nem vagyok annyira otthon a elektronikus rajzokban, ezért szeretném kérdeznia következöket:
Minek a szimbóluma a körben az A betü? Ny-Vk, Z-Vk?
Hello!
Nyitó végállás kapcsoló, záró végállás kapcsoló. Ezek a végállás elérésekor bontanak. Avagy "bontó érintkezők". A diódának pedig el kell viselnie a motoráramot. üdv! A hozzászólás módosítva: Márc 11, 2013
Köszi!
Ès mi a karikában az "A" betü? Minek a jele?
Az csak egy Ampermérő a szimulációban. De arra nincs szükség. Az ellenállás a a motort helyettesíti. A váltóérintkezők, a relé érintkezői. A rajzon éppen nyugalmi helyzetben vannak, vagy is mind két relé el van ejtve. Ha egyik meghúz elindul a motor és megy a végállásik (ha addig nyomod vagy mit tudom én). Ha a másik meghúz, megy a másik végállásig. Ha meg véletlenül ne adj ég mind kettő, akkor meg nem történik semmi.
üdv!
Sziasztok!
Egy nagyon "egyszerű" távvezérlésben szeretnék segítséget kérni: olyan kapcsolást keresek, ami egy gombot tartalmaz az adó oldalon. Ha ezt megnyomom, a vevő kimenete magas szintre vált egészen addig, amíg az adó oldalon a gomb aktív. 10-12m-es hatótáv elég lenne. Hogy lehetne ezt a lehető legegyszerűbben és legolcsóbban kivitelezni?
Egy olcsó vezeték nélküli csengővel. Itt nézz szét.
Vegyél inkább kici occó kínai távvezérlőt. 4 csatornás vevő 4 relékimenettel nincs 3000Ft és olyan adót kapsz ami famintás. 4ch remote Vagy itthon ilyet: taviranyitok, de ha szeretsz barkácsolni, akkor a Chipcadnél , a HEstore-ban, Deltonnál is sokfélét találsz.
|
Bejelentkezés
Hirdetés |








