Fórum témák
» Több friss téma |
Mielőtt kérdezel, a következő két dolgot ellenőrizd!
I. A helyes tápfeszültségek megléte.
II. A kimeneten van-e egyenfeszültség.
Élesztés.
Mellékelek egy rajzot a szupresszor dióda pozíciójáról, hogy egyértelmű legyen (QSC).
Adatlap szerint a Bd315, Bd316 npn , illetve Bd317 és Bd318 pnp, mind jó hozzá.
Válaszd azt épp ami kapható!. A hozzászólás módosítva: Márc 11, 2013
Szia, naggyábol meg csináltam az új nyák tervet. Légy szíves nézd már át, hogy így a föld vezetés meg felel ? Esetleg mit kellene változtatni rajta.
Sziasztok. szeretnék egy kis segítséget kérni. Adott egy Tda7388 IC. kocsiban van. most ráraktam egy lesz.emelőt hogy legyen 18v om. jovolt egy ideig de alakítottam a hűtésen és most borzasztoan melegszik a végfok. 2x már ki is kapcsolt mert annyira felfort. mi lehet a gond? miért melegszik?
nemvolt jo. sajnos túl nagy volt a borda. de nagyon hamar bemelegszik szóval nem kicsi a borda vagy ilyesmi szerintem
Mégegyszer átvizsgáltam. 18v halkan is szol. 12v meg recseg. Meghalt volna az IC?
Sziasztok! Egy barátom ajánlotta ezt az oldalt, a topicot. Az édesapámtól örököltem egy erősítőt, ami nagyon szépen működik, csak amióta áttettem egy másik dobozba, azóta valamilyen rövidhullámú adók hallatszanak rajta és néha serceg. Apukám azt mondta ilyen csak egy van az egész világon. Tényleg nagyon szépen szól, a barátaim már megpróbálták lemásolni, de nem sikerült. Köszönöm szépen ha tudnátok tippet adni, hogy mitől kezdett rádiózni. A kapcsolását megpróbálom betenni.
A hozzászólás módosítva: Márc 11, 2013
A dobozolásról tegyél képet fől illetve a belső kialakitásról .
Rádiófrekis zavart szed össze, aluminiummal kell árnyékolni az erősítőt.
Szia! Egy ilyen áramkörnél a föld akkor jó, ha a GND kitöltés határát súrolja. Azért egészen mégsem, mert például a bemeneti föld csak a hozzá tartozó IC test-pontjától indulhat!
Látom a terv központi eleme az IC-k tápvezetése. Ne azt forszírozd! A legrövidebb jel utakra kéne törekedni. Az asszimetrizálót egészen a csatlakozók tövébe tenném és szorosan mellé a másik 3 IC-t. Ennek Kokozo fórumtárs a nagymestere, minimum harmadára csökkentené a NYÁK-ot, de már a felére tömörítés is jelentősen javítaná a zavarérzékenységet. Ne maradjon el a 100µF tápszűrés minden egyes IC-nél, mert ennyi műveleti erősítő roppant könnyen oszcillátorrá válik.
Szia! Van a rajzon egy 33pF-os kondenzátor, mely egy BC639 bázisára és kollektorára kapcsolódik. Ennek a kondenzátornak az értékét növeld meg 68-100pF-ra!
Szia, értem akkor meg próbálom összébb rántani az egészet sajnos a csatlakozók helye adott mert a régi nyák helyére akarom tenni és nem szeretnék új dobozt fabrikálni. A szűrést is ki fogom javítani és ha elkészültem teszek fel egy képet jóvá hagyásra, és köszönöm a jó tanácsokat. Hali.
Ha már rám lett hivatkozva összecsaptam egy gyors skiccet... Biztos nem tökéletes még de méretileg majdnem fele a tiédnek. Hátha jó lesz kiindulásnak.
Szia, nagyon szépen köszönöm. Ez nagyon szép lett, nekem még ennyire nem megy de most már értem miről beszéltetek. Meg egyszer köszi.
Szia! Nagyon jó!
Haliapu! A 10k potenciométert akkor ajánlom, ha kívülről állítható. Az volna a szerepe, hogy a mély csatornához képest a szélessávú végfokokat egyszerre tudd finoman szabályozni, ne kelljen mindegyik bemenetét tekergetni. Különben a 4,7k ellenállással együtt hagyd el!
Nem tudtam eldönteni milyen tápról akarod majd járatni ezért én greatz hidat csináltam az elején a diódákból a te megoldásoddal szemben ami csak 2 dióda párhuzamosan kötve, de lehet hogy te is azt szerettél volna csinálni csak nem sikeredett. Azért nézzétek át mert nem volt sok időm rá, ezért lehet benne hiba.
Kiszedtem belőle, így még 2 centivel keskenyebb lett
Sziasztok ha az ic-nek a kimenetén kint a teljes tápfesz akkor vége?LM3886
2x42vDc +--al menne.Javitásra hozták
99,9%ban vége az icnek. Mielőtt kicseréled érdemes megvizsgálni a környékét is, hogy mi okozhatta.
Köszi igazából szinte semmi sincs csak pár ellenállás és kondi, meg egy előfok féle
Szia Mérj rá a bemenetre, hogy milyen jelet kap, mert ha az előfok halt meg akkor is lehet ilyen hiba.
A mély szűrő egyik 10nF visszacsatolását igazítottam. Próbálkoztam a GND kitöltéssel, sajnos ebben nincs nagy jártasságom.
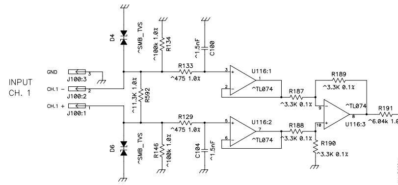
Haliapu! Rátettem a tranziens védő diódákat, és a kimeneti meghajtók helyi tápszűrését.
Sziasztok !
Van nekem egy TDA 2616q IC-m. Sztereó, 2 bemenet, 2 kimenet, 2x 12 W maximum, + / - tápról megy. Az megoldható hogyha csak az egyik felét használom, hogy akkor nem +- tápról, hanem csak sima tápról használom ? Vagy ha csak az egyik felét használom az IC-nek, akkor is be kell kötni a mínusz tápot is ? Illetve még azt kérdezném, hogy a max. 12 W teljesítményt azt a megengedett legnagyobb tápfeszültséggel kell érteni, és ha az csökken, akkor arányosan csökken a kivehető teljesítmény is ? Kösz !
Válasz 1 kérdésre:
Nem. Válasz 2 kérdésre: Igen. Válasz 3 kérdésre: Igen.
Sziasztok segítséget szeretnék tőletek kérni vagyis javaslatokat!
Tehát arról lenne szó hogy hangrendszeremhez szeretnék két végfokot építeni! Két erősítő között gondolkodom az egyik a Vf2 kd mester féle 270W-os monster változata, a másik pedig az Nmos350-es végfok lenne. Kérlek benneteket segítsetek melyiket és miért érdemesebb megépíteni! Előre is köszönöm mindenkinek a segítséget! Üdv!
Kivettem az ic-t mértem mindent de semmi rendellenes,nem sok neki a 2x42vDc?
Az adatlap szerint +-35V a max amit bír.
Leírás.
Szia!
Én a KD félét csinálnám meg, mivel 4db olyan fet van benne ami fényévekkel megelőzi a másikban lévő IRFP450, ráadásul az egyik fórumtársunk az apróban hirdet is belőle egy jó párat elég olcsón. Ez két nyomós indok. Még egy pedig javára KD mester félének, mert jelentős különbség a két komplementer közt nincs, viszont BD139-ek vannak benne ami véleményem szerint jóval stabilabb mint az MJE-k. |
Bejelentkezés
Hirdetés |



















