Fórum témák
» Több friss téma |
A nyák rendezettsége, jósága, "vonalvezetése" Alkotót dícséri, a kivitelezés esetleg az enyémet.
Élesztéskor az általad leírtakat betartottam, csak azok után akasztottam rá hangszórót, miután nem tapasztaltam nagy áramfelvételt, hogy halljam mi (nem) történik. Ekkor már láttam az asszimetrikus nyugalmi áramfelvételt. Az érdekelne, hogy hol érdemes még mérni, ha van még ilyen, vagy ez esetben már tuti hogy halottat kaptam. A hozzászólás módosítva: Márc 11, 2013
Megpróbálhatod a működő IC áramkör helyébe berakni az állítólagos rossz IC-t
Szia! A 3,4V elég kevés a némítás kikapcsolásához, ha csak egy pillanatra feljebb tudod húzni akkor onnan már szólhatna rendesen.
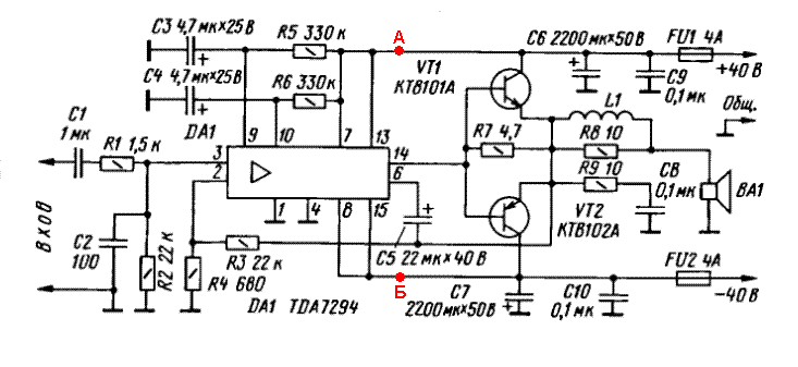
A legtöbb TDA7294 abba pusztul el, hogy építéskor kisütetlen pufferről féltápot kap. A kimeneten mekkora egyenfeszültség mérhető?
Szia! Labortápról élesztettem, ahogy a többit is. Egyetlen DC kapcsoló kapcsolja a kimenetre a +/- oldalt, tehát az se jöhet szóba, hogy az egyik oldal hamarabb vagy késöbb kapott tápot.
+/- 20V-ról élesztettem, ekkor mértem a 3,4V-ot, a többinél ez nem okozott gondot, de kipróbálom magasabb feszről (ugyebár a tápfesz növelésével nő a 9, 10 lábakra jutó feszültség is az R7, R8 alkotta feszosztónak köszönhetően). A kimeneten kb.: 0.06V az egyen komponens.
Hello! Nem vagyok az ilyen módszerek híve. Talán más lenne a helyzet, ha nem lenne az asztalomon már három teljesen ugyanolyan, működő példány. Nem szeretném szétforrasztgani a működő egység nyákját. Üdv: Metabo
Sajátos hiba, nincs mit tenni IC csere
Ettől tartottam...
Még megpróbálom magasabb tápfeszről "mostmár mindegy alapon", aztán valószínü csere fog következni. Azért köszönök mindent! Üdv: metabo123
Szép munka. Ebből 4db-ot szeretnék építeni. kb mekkora tápegységre lenne szűkségem? (4ohm-on szeretném használni. 4db (hangdobozhoz) stereo előfokkal. ) Tápfeszültség mekkora legyen? Köszönöm a választ előre is.
Köszönöm! Mekkora teljesítményt szeretnél kivenni?
Négycsatornás erősítőt egyszerűbb szimmetrikus táppal építeni: Bővebben: Link
Jelenleg van építve szimmetrikus táppal 2db tda híd.. annyi a problémám vele hogy 4ohm-on nem a legjobb.. (4ohm-os hangdobozom van..) Ezért szeretnék 4db-ot építeni ebből. 1-1 panelre menne 1-1 JBL CS1204 mélyre.. a másik 2 panel satelitre.. rms értéke a JBL-nek 250w 4ohm.
Az aszimmetrikus tápos akkor hozza a formáját, ha minden csatorna külön szekunderről megy. Elég bonyolult lenne így a kapcsolás.
Szerk.: 200W/4ohm-ra ne TDA7294-ből építs végfokot. A hozzászólás módosítva: Márc 12, 2013
sziasztok. Segítségre lenne szűkségem. Megépítettem 2db hidat ők teljesen jól működnek. Építettem egy 3.at és valamiért első indítás után 2-3mp kilőtte a biztosítékot. Azóta zárlatot mérek a +/- GND között. Ellenállások,Kondik ,diódák cserélve. (elkészítettem egy új panelt (4.)új cuccokkal felépítettem oda is 2db zsír új TDA-t(7294) tetem. ott is ugyan ez a hibajelenség. ) Linkelem a kapcsolást ami alapján megépítettem. Néhány fotót az elkészített nyákró.TDA 7294 1.
TDA 7294 2. A hozzászólás módosítva: Márc 16, 2013
Én annyit látok, hogy a nyákon a rézfólia sok helyen sérült, a levilágítás nem sikerült nagyon jól. Emiatt ha nem jut el a táp egyik ága ai IC-hez, akkor bizony tönkremegy. Ajánlott lenne végigfolyatni ónnal. Nálam egyszer egy láthatatlan vágás volt a nyákomon (szikével, vagy valamivel), ami miatt nem vezettek a sávok. A vezetősáv elején még meg volt a feszültség, 1cm-rel távolabb már nem... Alig látszott a szakadás, olyan kicsi volt. Érdemes lenne végigmérni a tápfeszültségek jelenlétét is az IC-nél, zárlatra ellenőrizni mindenhol a nyákot.
Sziasztok, ezt a kapcsolást megépítette-e már valaki és mi a véleményetek róla. Egy aktív szubb ládába kellene a táp adott és még a régi időkből maradt egy pár Bd249-250 tranyóm is.
Szia. Mint írták már a nyákon vannak hibák. Tápfesz hiány miatt nekem is ment már halálba IC.
Valakinek megvan a hidalt 7294 .lay formátumban?
Csupán csak 4hsz-el van feljebb...
Bocsi
Jó szívvel ajánlom Reloop "egytápos" híd megoldását. Annak is fenn vannak a tervei, és csak előnyei vannak szinte minden szempontból.
Terveket is készítettem hozzá, de azokat csak PDF-ben tudod elérni, szerkeszthető formában nem.
Nekem az a megoldás is tökéletes.Megköszönöm ha segítenél benne.
Sziasztok!
Mekkora hűtőborda kell ennek az ic-nek?"Tda7294" Igen méretes hűtőn csücsül nállam 2db,de eléggé melegszik.Ez normális?
Sziasztok, megnézné nekem valaki ezt az elméleti rajzot, sajnos van benne egy kondi amit nem tudtam azonosítani. Előre is köszönöm a segítséget.
Szia! A NYÁK-terv jónak néz ki. Az említett kondenzátor egy aluláteresztő szűrő része, javaslom az értékét 1nF-ra növelni.
Szia, kedves kolléga kész a mű, de csak holnap tudom felfurkálni a hűtő bordára, így a fő próba is holnap lesz.
Eeez igen. Kíváncsian várom a véleményt róla. Szép lett gratulálok.
Én is gratulálok és várom az eredményt!
Sziasztok, ma beüzemeltem +-30V-rol, a TDA-7294+BD249C-BD250C-vel épült áram körömet a védelmi lámpák nem világítottak ez után megmértem a nyugalmi áramot 50mA mértem, a föld és kimenet közt 0V-ot mértem. Ezek után jelet adtam a bemenetre és hangládát kötöttem a kimenet re óvatosságból még az izzókat bent hagytam az táp ágakban, a technika azonnal indult semmi gond nélkül. Így járattam kb. 30percet ezek után ki iktattam az izzókat és had szóljon, olyan igazi TDA - hangja van, (fülre össze hasonlítottam egy szimpla és egy hidalt TDA-val) a következőt tapasztaltam a szimplához képest, sokkal dinamikusabb, a mélyei teltebbek és ütősebbek, hangerőben is lényegesen később kezd el torzítani. A hidalt TDA-hoz képest sajnos én véleményem szerint azért egy kicsit le maradt de a TDA+BD alap zaja lényegesen alacsonyabb minta hidalté. Én véleményem az, hogy 4,Ohmos szubb ládába érdemes meg építeni de széles sávra és 8,Ohmra inkább a hidaltat ajánlom. És köszönöm az önzetlen segítséget reloop kollégának.
Szia! Köszönöm a beszámolót! Örülök, hogy sikerrel jártál. Jól jön minden tapasztalat.
Elméleti számítás alapján (szimulátor) a kiegészítő tranzisztortól némileg nő a torzítás, de szub erősítőnél aligha van jelentősége.
Szia,
A konstruktőr helyében többet bíznék a TDA-ra: az R7-et csökkenteném kb. a tizedére (0,47 Ohm-ra). ... de, mint olvasom, így is jó. |
Bejelentkezés
Hirdetés |




Még megpróbálom magasabb tápfeszről "mostmár mindegy alapon", aztán valószínü csere fog következni. Azért köszönök mindent! Üdv: metabo123 















