Fórum témák

» Több friss téma
Fórum » Csöves erősítő készítése
 
Témaindító: seedz, idő: Márc 31, 2006
Témakörök:
Ne feledd betartani a fórum viselkedési szabályait, és a topik megmaradásának feltételeit. [link]
A téma átmenetileg fagyasztva lett, hozzászólni nem tudsz!
Lapozás: OK   1517 / 2208
(#) crapgame hozzászólása Márc 23, 2013
Üdv Mindenkinek.
Korábban probléma volt a tekercselő huzal elérhetősége. Hát én találtam egy boltot, ahol kilóra adják. Bővebben: itt
Ha a mod túl offnak találja, akkor természetesen törölje.
A hozzászólás módosítva: Márc 23, 2013
(#) nszethi válasza palko0125 hozzászólására (») Márc 23, 2013
Üdv Kolléga!

Az a helyzet, hogy az AV sorozat tönkretételének legbiztosabb módja diódákra cserélni az egyenirányító csöveket!
Sajnos az összesnek elég vacak minőségű huzalból van tekerve a hálózatija, gyári állapotú erősítőnél is hajlamos lefüstölni. Diódás csúcsegyenirányítással meg záros határidőn belül meg lesz az eredmény.
Megnézve a leselejtezett, üzemképtelen AV-ket a legtöbbnél ott van a dióda a csőfoglalat alján.
Vadássz nyogodta AZ4-et, nem olyan ritka madár, vagy akár PV200/600-at. Utóbbinál kicsit mókuskodni kell a felső anódkivezetés miatt.

Amennyiben nem találsz AZ-t szólj, van itthon.
üdv.g.
(#) nszethi hozzászólása Márc 23, 2013
ja! a nagy sietségben modortalan voltam.

Szóval: ÜDV URAK!

Csöves témákat olvasgatva akadtam rátok, aztán látva diódás problémát nagyhirtelen beregisztráltam.

Röviden annyit, hogy a gyakorlati emberkék közé tartozom, igen távolról nézetgetve azt a habverést és misztikumot amit manapság a csöves gépek tárgykörében művelnek ilyen olyan guruk.
Az elmúlt 30 évben javítottam az erősítőtől a lokátorig szinte mindent ami csöves. Ennek ellenére nincs a zsebemben a bölcsek köve csöves ügyben. )
(#) palko0125 válasza nszethi hozzászólására (») Márc 23, 2013
Üdv!
Köszönöm a segítséget. Hát megpróbálok szerezni valahonnan egy AZ4-et, nem ritka darab. Ha nem sikerül, szerintem egy sima késleltető áramkör az anód körbe is megteszi ugyanazt a szolgálatot. Egyébként a hálózati trafóját már egyszer teljesen újratekertem, mert meg volt égve. (Azzal kezdtem az egész javítást)
Másik kérdésem, hogy nem tud e valaki kimenőtrafó adatot 4 vagy 8 Ohmra ehhez az erősítőhöz? (AE783/A) A saját vasmagjára lehet e ilyet csinálni?
Köszönöm az eddigi segítséget is, meg remélem tud valaki egy ilyen trafó adatot adni.
Még egyszer köszi mindenkinek.
Üdv, Palkó.
(#) Hakkee hozzászólása Márc 23, 2013
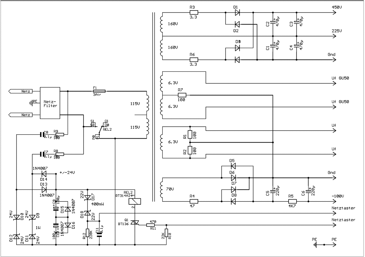
Sziasztok! Segítségre lenne szükségem! Nézegettem az erősítőm rajzát, és észre vettem, hogy az előcsövek tápjához és az ax7 első katódjához nem gnd, hanem 0 volt van írva. Én mindet a gnd-re kötöttem. Mi az a nulla volt? A földelés? Lehet hogy ettől ciripel az egész? Lehet hülye kérdés, de még nem értek úgy hozzá ahogy kellene!
A hozzászólás módosítva: Márc 23, 2013
(#) Orbán József válasza nszethi hozzászólására (») Márc 23, 2013
Szervusz!
Azért csak maradj kéznél...
Van itt mindig valami tapasztalatlan, csőben járatlan lajhár. Most nem akarok neveket mondani, de például én.
Üdv:
Orbánjózsi
(#) Orbán József válasza Hakkee hozzászólására (») Márc 23, 2013
Ezt a rajzot én is nézegettem régebben. Ha esetleg segítség, én már azt a két csövet se értem, hogy mit művel, miközben a kimenetét testre zárja a relé.
(#) Hakkee válasza Orbán József hozzászólására (») Márc 23, 2013
Szia! Azt a részt én be se építettem.
(#) Orbán József válasza Hakkee hozzászólására (») Márc 23, 2013
Úgy könnyű...
(#) mofesa válasza Hakkee hozzászólására (») Márc 23, 2013
Az nem valami kis jelű föld?Nincs rajta a teljes rajzon?
(#) Hakkee válasza mofesa hozzászólására (») Márc 23, 2013
Feldobom a tápot is, de én nem tudom.

GU50netz.gif
    
(#) nszethi válasza palko0125 hozzászólására (») Márc 23, 2013
khhmmm! Hagyd el a diódás egyenirányítást, mert megint tekerhetsz trafót! Tegyél bel AZ-t

Egyébként sem késleltet semmit a többi cső szempontjából, mert az AZ direktésű egyenirányítócső. Mivel azonnal felizzik a katódja, szinte rögtön ott a tápfesz. Ennyi idő alatt még az ECC-k sem fűtemek fel, nemhogy a végcsövek. Mindenképpen érdemes belerakni egy késleltetőt, de a 750V miatt valami rendes relével.
Egyébként bőven elég a 300V körüli segédrács feszültséget késleltetni, felesleges a 750V-ot kapcsolgatni.

Azért is AZ4, mert a hálózati trafó szekundere erre van méretezve. Azaz arra hogy a csövön esik egy csomó feszültség. Ha diódát raksz, akkor 630Vx1,41 körül lesz az anód .
Mivel erre két ellenállásosztóval sorbakapcsolt elkót használnak arra is lehet példa, hogy valamelyik kondi fog bekapcsoláskor átütni, aztán ismét tekerhetsz trafót.
Az EA080-ban már megoldották, mert ott 2x290V váltó van a trafón, külön külön egyenirányítva majd sorbakapcsolva. Itt dióda van és a kondik sincsenek veszélyben.

Még annyit, hogy EAG/BEAG-ék imádták a 200 menetekek a kimenőkön. Biztos beakadt a tekercselőgépük. Az APX-en 4x200 menet a primer. A 080-nál 8x200. A szekunder (100V kimenet) szintén 200 menet. A 745 trafója szerintem hasonló. Ha rátekersz 60 menetet szekundernek, akkor 4-8 ohmra jó lehet, főleg azért mert elég béketűrő szerkezet. Gyári adat szerint így ahogy van a terhelés 15ohm felett kell hogy legyen, az ideális 200 ohm.
(#) bta válasza nszethi hozzászólására (») Márc 23, 2013
Idézet:
„Sajnos az összesnek elég vacak minőségű huzalból van tekerve a hálózatija, gyári állapotú erősítőnél is hajlamos lefüstölni. Diódás csúcsegyenirányítással meg záros határidőn belül meg lesz az eredmény.”


Azért pusztulnak gyorsan a félvezetősített AV..-k hálótrafói, mert a a barbárok kihagyják a soros ellenállást az első szűrőkondi elől. Igaz, annyiból már új csövet is lehetne venni A Tungsram AZ4 általában jóval olcsóbb a PV200 akármelyik változatánál (van körmös is).
A hozzászólás módosítva: Márc 23, 2013
(#) bakos13gab válasza nszethi hozzászólására (») Márc 23, 2013
Volt dolgom pár BEAG/EAG cucchoz. A mérnöki leleményesség és a technika csodálata mellett sokszor az igénytelenség és ésszerűtlen marhaság (illesztések, előfeszültségek megoldása, bemeneti jel leosztása és újraerősítése stb.) jutott legtöbbször eszembe.
(#) nszethi válasza bta hozzászólására (») Márc 23, 2013
Egyszerűen annyi a titka a 807-essel dolgozó AV-knak, hogy nem kell diódákat rakni beléjük. Ha meg lekozmált trafóval kerül a házhoz, akkor a 080-as típusú tápot kell bele csinálni, és arra tekerni a trafót.

Elég nagy probléma még az puffer is mint említettem. Az AZ4 ad egyfajta minimális lágyindítást a tápnak. A dióda meg durr. Aztán ha van pici eltérés a két sorbakapcsolt kondiban (márpedig ezekben a vén 450V-os a felső határukon működő kondikban lesz) akkor nem egyformán indulnak és valamelyik egy kis időre biztos túllépi a max feszültségét. Idő kérdése mikor hasal le.
A hozzászólás módosítva: Márc 23, 2013
(#) nszethi válasza bakos13gab hozzászólására (») Márc 23, 2013
Igen, van pár érdekes megoldásuk, de ennek ellenére becsülettel szolgált az összes évtizedekig, ráadásul "ipari" alkalmazásban. Sok helyen (pl MÁV) max áramszünet esetén pihentek.
Nekem az előfeszültség megoldásával nincs gondom, leszámítva a rácsáramos meghajtással dolgozó 807-el gyártott AV-kat.

Egyébként ha megnézed abban az időben a nagy márkák hasonló célra gyártott erősítőiben ugyanezekkel a megoldásokkal találkozol.

HiFi szempontból egy csomó dolog skandallum, de ezek nem hifi berendezések voltak.
A hozzászólás módosítva: Márc 23, 2013
(#) küzmös Gergely válasza palko0125 hozzászólására (») Márc 24, 2013
Én egy Epson nyomtató hálótrafót használok egy Eag 785/A-val. 220V/18V (a 18V-os szekunderre megy a 8 ohmos hangfal) Elég kókány,de próbálni jó.. és elég jól szól. A 807-esek csatolókondijait (azt hiszem 2db 47n/400V-ot) cseréld.
(#) palko0125 válasza nszethi hozzászólására (») Márc 24, 2013
Szia!
Akkor lényegében, ha a kimenőre úgy ahogy van tekerek 60 menetet, akkor az jó 4-8 Ohm-ra!?
AZ4-et megpróbálok szerezni. Na de kérdem én: Ha AZ4-et használok, akkor ha befűtött mindenki, és megy az erősítő, akkor onnantól kezdve nem mindegy, hogy cső, vagy dióda egyenirányít? Ha késleltetem az anódot pl. 20 másodperccel, vagy 30-al, akkor rendben vagyok nem!?
A lényeg az lenne, hogy n kapjon anódot a cső, amíg fel nem fűtött rendesen, nem!?
Köszönöm a segítséget.
Üdv, Palkó.
(#) Orbán József válasza nszethi hozzászólására (») Márc 24, 2013
Szervusz! Van pár kérdésem, ha tudsz, segíthetnél. Beszereztem több darab BEAG TY-233, TK-222 100V-os trafót. Úgy rémlik, valamikor, egy internetes kínálatban az eladó valamelyikről mesélte, írta, hogy a tekercselés, bekötés miként van megvalósítva és igazából használható PP erősítőbe, mint kimenő.
Arra nem emlékszem, hogy ezek közül volt-e, de valamiért gyanús. Akkor még abszolúte nem akartam csöves erősítőt építeni, most meg több félének az előkészületeibe is benne vagyok.
Bár, szinte biztosan nem használom azokkal az adatokkal, mégis érdekelne, tényleg univerzálisnak szánták-e ezeket a trafókat, vagy kényszerből "átminősítették" a kimenőket 100V-ossá.
(#) Szpisti válasza Orbán József hozzászólására (») Márc 24, 2013
Bár nem engem kérdeztél, majd még nszethi ki fog tudni egészíteni vagy javítani ha tévednék.
Emlékeim szerint a TK222 a BEAG APT100 tranzisztoros végfok kimenője volt.
Ebből következik hogy nem kimondottan univerzálisnak készült, mert a kisimpedanciás tranzis meghajtáshoz készült primerje , illetve a 100V-os rendszermeghajtó szekundere elég speciális alkalmazásként használható csak. Van még egy 1,5V-os fejhallgató meghajtó szekunder földfüggetlen tekercse.
De ha jó áron jutottál hozzá, túl roszul nem járhattál, mert a vasakat fogod tudni használni csöves kimenőhöz sikeresen.
(#) Orbán József válasza Szpisti hozzászólására (») Márc 24, 2013
Igen, az utóbbi célját tudom, hogy a 100V-os "rencert" szolgálta, csak nagyon úgy emlékszem, hogy az az illető sorolta a betűket a kapocstáblán, melyik tekercs hova van kivezetve és a kimenőkénti, nem illesztőkénti felhasználásról is regélt.
De ez pusztán kíváncsiság részemről, megvannak már a pontos terveim, amelyek percről-percre módosulnak a megépítendő erősítők tekintetében...
Még nszethi kollégához, de bárkihez szól ismételt kérdésem, amit régebben is szerettem volna tudni. A csöves erősítő kimenőjeként mennyire alkalmasak a régi higanygőz vasak, amikből a fojtók voltak tekerve, szürke E I vasak 80-250W-ig terültek el a palettán... Valahol a HE-n is említé valaki, hogy viszonylag elfogadható minőség.
Vagyis hova helyezzük el a skálán, mert nyilván nem a hájend kategória, de mennyire hasznáható egy átlagos amatőri szinten...
A hozzászólás módosítva: Márc 24, 2013
(#) Szpisti válasza Orbán József hozzászólására (») Márc 24, 2013
Az EAG-BEAG holmikról ITT találsz adatlapokat.
Köztük a fent említett kimenőről is pár adat található a kivezetések jelölésével.
(#) Orbán József válasza Szpisti hozzászólására (») Márc 24, 2013
Remek, köszönöm!
(#) nszethi válasza Orbán József hozzászólására (») Márc 24, 2013
Szia!

Igaza van Pistinek. Ezeket a vonalillesztőket nem tudod úgy átkötni, hogy jók legyenek kimenőnek. Nincs rajtuk elég tekercs. Talán 3 primer van párhuzamosan, tehát sehogy nem adja ki. A vas+cséve viszont remekül használható.
(#) nszethi válasza palko0125 hozzászólására (») Márc 24, 2013
Tekerj rá. Nem a legideálisabb megoldás, viszont nagyságrenddel jobb, mint még egy trafót beakasztani 100V-ról 4 ohmra.

Miért akarod mindenáron megspórolni a csöves egyenirányítást?
Ismétlem nem az a gond, hogy van-e késleltetés vagy nincs. A trafó csöves egyenirányítóhoz és az azon eső feszültséghez van méretezve. Ergo a szekunder vagy 60-70V-al magasabb mint ami a diódás változathoz kellene.

Tegyél bele csövet! Végső érv, hogy legalább ott is világít valami oszt' mennyivel szebb. ))
(#) Orbán József válasza nszethi hozzászólására (») Márc 24, 2013
Köszönöm! Nincs is szándékomban átkötni, kérdésem csupán technika-történeti kíváncsiság. A higanyos fojtós kérdésemre mit tudsz mondani?
(#) granpa válasza Orbán József hozzászólására (») Márc 24, 2013
Szia Józsi!
A régi Hg (és egyéb) lámpa fojtók ugyanolyan trafólemezből készültek, mint bármely más trafók, csak fojtónak készítették el. Egy dolog nincs; vékony lemezű (0.35 v. vékonyabb), ami kimenőnek a szakirodalom szerint jobb. Használd nyugodtan, jó lesz (a legtöbb kimenő is 0.4-0.5mm-esből van). Szétbontottam már jónéhány kimenőt normál célra, tán 2-3 volt vékony-lemezes.
A hozzászólás módosítva: Márc 24, 2013
(#) Orbán József válasza granpa hozzászólására (») Márc 24, 2013
Szervusz!
Nagyon köszönöm a választ, van hátsó szándékom ezzel is kísérletezni, van pár darabom, páratlan számban, vagyis nem egyformák. Csábít a dolog, mert ott a bakelit csévetest és van rajta bármire alkalmas huzal, szóval egyébre.
Egyébként a BEAG AET253 100V-osa között is találtam viszonylag vastagabb lemezűt is, ott sem volt egyforma a felhozatal.
(#) barthaz válasza mofesa hozzászólására (») Márc 24, 2013
Annyit tudtam tegnap csinálni hogy megsodortam a fűtés vezetékeket. Nincs itthon 100Ohm-os ellenállásom így azt nem tudtam megoldani. Annyit tudtam csak kipróbálni hogy rátettem a test helyett a trimmer közepét a végcső katódjára, ami annyit eredményezett hogy egy kicsit halkabb lett a zaj. Mielőtt ezeket elvégeztem megnéztem scopeal, hogy még is mi ez a zaj. 15-20khz ez zaj van rajta ha max gain és max magas vagy max közép potit emelem. Miután a katódra tettem a föld helyet egy kicsit változik a fűtés erőssége és változik az izzása is ahogy a magas potit emelem.
(#) nszethi válasza Orbán József hozzászólására (») Márc 24, 2013
Szia! Hgl fojtót, illetve alaktrészeit nem használtam soha. Egy dolog viszont fontos lehet. Ezeknek a vasmagja gyárilag légréses kivitelű, mert ugye ha nem az lenne telítésbe menne a vas. Az együtemű erősítők kimenőjénél szükség van légrésre. A PP erősítőknél viszont nincs.
Következő: »»   1517 / 2208
Bejelentkezés

Belépés

Hirdetés
XDT.hu
Az oldalon sütiket használunk a helyes működéshez. Bővebb információt az adatvédelmi szabályzatban olvashatsz. Megértettem