Fórum témák
» Több friss téma |
Fórum » LED-es kivezérlésjelzők
Témaindító: KeserűCukor, idő: Márc 27, 2006
Témakörök:
Sziasztok.Segitene valaki a képen szereplö kivezérlésjelzö bekötésében.12 voltrol szeretném üzemeltetni TLC-200-T-HB a tipusa és TA7666P az ic tipusa ami benne van.Sajnos nem tudom mekkora lehetett a tápfeszültség amiröl müködött.Számítógépre szeretném rákötni.Elöre is köszönöm.
Hello!
Kiméregeted! Ott van minden az IC adatlapján. - 1-16 a bementek (Vezérlése a GND-hez képest) - 8 negatív táp (GND) - 9 pozitív táp, ami vélhetően 12V lesz. - A többi láb lehet, hogy a külön Led-ekhez megy valami üzemmód jelzőnek (ha látnám a homályba). üdv! proli007 A hozzászólás módosítva: Feb 4, 2013
Köszönöm válaszod.Már bogarászom kifele mit hova.Sajnos jobb képet nincs modomban késziteni(telefonos).
A hozzászólás módosítva: Feb 4, 2013
Sziasztok!
Elkészítettem a képeken látható kivezérlés jelzőt, mint ahogy mondtam összeépítem az LM1036-os hangszínszabályzóval. Tesztelés alatt van. Kérdéseim: Az természetes, hogy a ledekkel sorba kötött ellenállások eléggé melegszenek? Valamint mi enne a pontos beállítási menete.
Hello!
Ha a tápfeszültség a Led-ek nyitófeszültségéhez képest nagy, akkor az áramkorlátozó ellenállások melegednek. Ha ez nem túlzott, vagy kicsi az ellenállás teljesítménye, akkor "normális". A második kérdésedre remélhetőleg itt választ kapsz. üdv!
Jó lett. Melyik változatot építetted meg? A kijelzés átúszós, vagy pattogós jellegű?
Sajna fogalmam sincs
, még nem próbáltam, egy nyák tervet majd feltöltök
Szép napot mindenkinek!
Tudnátok segíteni abban, hogy az IR2432 led meghajtót milyen ic-vel lehetne kiváltani, hogy megmaradjon az eredeti kapcsolás? Köszönöm
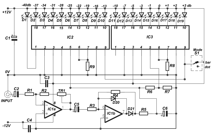
Sziasztok,terveztem egy 19 ledes kivezérlésmérőt,egy kapcsolási rajzról,az lenne a kérésem hogy valaki át e tudná nézni,hogy működőképes vagy sem,előre is köszönöm.
Sziasztok! Építettem 2db kivezérlésjelzőt A277D-vel. Mellékeltem a kapcsolási rajzot, hogy melyiket építettem meg. Tökéletesen működik de én az erősítő elé szeretném kötni a jelre de ahogy ráteszem és ha a trimeren állítok igen csak gyengén teszi a dolgát. a keverőn is jócskán fel teszem a hangot. Az lenne a kérdésem, hogy hogy lehetne érzékenyebbre meg csinálni?
Az 1,2Mohm helyébe 1,2Kohm-et tettem. A segítségeket előre is köszönöm.
Hello! Nem csoda, ez nagy jelszinthez készült.. A 277 referenciája a két dióda, ami kb. 1,4V referenciát ad. A bementi egyenirányító ebből is elveszi a maga 0,7V-ját. Próbáld ki egyenfeszültséggel a bemenetén, és látni fogod az érzékenységét. Készíts hozzá, előerősítőt. üdv!
Üdv mindenkinek, a mellékletben feltöltött kivezérlésjelző megépítését tervezem, csakhogy ezzel az LM358-cal van problémám, méghozzá, hogy a hestore.hu webshopban nem kapható (szerintem), mivel lehetne helyettesíteni? A másik dolog az lenne, hogy a 20k potméter helyett egy 22k kerülne bele, mivel azt ugyancsak nem találtam a webshopban. Lesz-e lényeges különbség a működésében emiatt? Előre is köszönöm a segítséget!
Pontosabban mi ez az LM358 ezen a terven? hogyan kell ide bekötni? A jobb oldalon miért van máshogy kötve?
A hozzászólás módosítva: Ápr 10, 2013
Az LM358-ban 2 db műveleti erősítő van. Az "eltérés" csak a lábszámokban mutatkozik meg. Ahol a rajzot találtad, azon a környéken paneltervet is kell találnod.
A 20k helyett használhatsz 22k-t.
Szóval ha jól értem, mivel dual a műveleti erősítő, elég egyet használnom a két oldalhoz?
A bekötésről ezt találtam, ez így helyes? Még eddig nem dolgoztam ilyen típussal.. Ha viszont kettővel dolgozom, a bal oldalt is be kell kötni a v- és v+ is? Csak mert így hibás a bekötés.. A hozzászólás módosítva: Ápr 10, 2013
Hello! Olyan rébuszokban beszélsz, hogy nem lehet érteni mire gondolsz. Nem lehet tudni, hogy két IC tokra, vagy két műveleti erősítőre vonatkozik amit írsz. De..
A tokban két műveleti erősít van, melynek belül közös a tápfeszültsége. Ha a tokban csak az egyik műveleti erősítőt használod fel, akkor nyilván be kel kötni a tápját. De miért szeretnél két külön műveleti erősítőt használni, mikor az áramkör sztereó. De nyugodj meg, nemhibás itt semmi. üdv! A hozzászólás módosítva: Ápr 10, 2013
Kösz a segítséget, így már értem.. Szóval a rajzon csak a jobb átláthatóság kedvéért van külön szedve a két műveleti erősítő az IC tokból. Így már teljesen világos.
Még annyi kérdésem lenne, hogy ennél a bekötésnél a ledekre maximum mekkora feszültség jut majd?
Hello! Amennyi a Led nyitófeszültsége. Ugyan is enek kimenete áramgenerátoros. Azaz nagyon helyesen nem a feszültséget állítja be a Led-eken, hanem az áramot. Ha arra vagy kiváncsi, hogy mekkora lehet a Led-ek feszültsége (mondjuk hány Led-et lehet sorba kötni) akkor a válasz annyi, hogy a kimenetnek szüksége van működéséhez feszültségre, vagy si a tápról kb. 4V-ig lehet a kimentet "leengedni". Vagy ha úgy tetszik, 2V-os nyitófeszültségű Led-ből 4db-ot elvisz sorba, ha a tápfesz 12V. üdv!
A kapcsolásnak van egy másik változata is, ami jelentősen csökkenti az IC melegedését. Ha nem akarsz több ledet sorba kötni (kimenetenként), akkor javaslom inkább ezt az irányt követni. Itt találod.
Igen, ez a terv nagyon tetszik, esetleg nincs belőle olyan ahol a ledek nem egy hanem két sorban vannak? Mondjuk felül a bal, alul a jobb oldal? Vagy esetleg megoldható, hogy a ledeket egy másik, kisebb nyáklapra tenni, és összekötni az eredeti nyákkal?
Hello! Megtervezed, és lesz! Drótozni nem érdemes, csak ha nagyon indokolt valami. A sok spagótol hogy fog kinézni? üdv!
Értem, csak reménykedtem, hátha van belőle egy ilyen változat is...
Még mindig lenne egy kis gondom, pontosabban, hogy ebben a tervben pontosan milyen potméter van? Mármint hogy fizikailag milyen megy bele.. A HEStore-n még hasonló lábkiosztásút sem találtam..
Szerk.: közben ezt találtam, jó lesz? Link A hozzászólás módosítva: Ápr 15, 2013
Ja és még egy dolog, a nyákterven fel van tüntetve egy szélesség és egy magasság.. Most ezek az értékeket honnan kell számítani? Az apró X-ektől, vagy a beljebb kezdődő négy jelzéstől?
A linkelt hlipot jó a panelba. De más fajta potira is át lehet tervezni, pl. állított helipotra.
A hozzászólás módosítva: Ápr 15, 2013
A méret a panel sarkait jelölő "sarokjelek" közti méret, tehát a tényleges panel mérete. Csak azért írtam rá, mert így nekem könnyebb kalkulálni, mikor ajánlatot adok, illetve az esetleges nyomtatási torzítások is ellenőrizhetőek.
Amiket te "apró X"-eknek nézel, azok furatközéppontokat jelölnek. Ez egy gyártási specialitás. 3mm vastagságú maróval történő körbemarás esetén, ezek a pontok jelölik a maró útvonalának sarokpontjait. A furatlistán is megjelennek, és mivel egyedi átmérőt adok hozzájuk, ezért külön csoportot alkotnak. Ugyan nem kérdezted, de a bal alsó sarokban még szokott lenni egy háromszög. Ez is fölöslegesnek tűnik (tulajdonképpen az is). De van jelentése mégis, mert ennek külső sarka a furatfájlt leíró koordináta rendszer kezdőpontja.
Értem világos.. Most egy kicsit visszaolvasva láttam, hogy 10µF-os kondi helyett 1µF-ossal működtetted, észrevehető a különbség a kijelzésben? Mindenesetre ma berendeltem az alkatrészeket, rendeltem 10-est és 1-est is..
Üdv!
Egy pwm dc motor szabályozóhoz szeretnék kivezérlés jelzőt csinálni.( A mellékelt egyszerű kapcsolást építettem meg.) Igazából nem tudom hogy kezdjek hozzá. Elkezdem átnézni a topicot de kérlek ha addig is van valakinek egy megbízható és minél egyszerűbb ötlete kérem segítsen. (Egy 4-5 ledből álló sort gondoltam amin egymás után gyulladnak ki a ledek ahogy a potit feltekerem. ) Van egy hi-fi ből bontott led es kijelzőm nem tudom azt rá lehetne e tenni... amint sikerül lerajzolni a kapcsolást azt is felteszem. |
Bejelentkezés
Hirdetés |













, még nem próbáltam, egy nyák tervet majd feltöltök 









