Fórum témák
» Több friss téma |
- Ez a felület kizárólag, az elektronikában kezdők kérdéseinek van fenntartva és nem elfelejtve, hogy hobbielektronika a fórumunk!
- Ami tehát azt jelenti, hogy a nagymama bevásárlását nem itt beszéljük meg, ill. ez nem üzenőfal! - Kerülendő az olyan kérdés, amit egy másik meglévő (több mint 17000 van), témában kellene kitárgyalni! - És végül büntetés terhe mellett kerülendő az MSN és egyéb szleng, a magyar helyesírás mellőzése, beleértve a mondateleji nagybetűket is!
Azon sajna tulvagyok de nem látok rajta semmi elváltozást, viszont megkerestem és 4500+fa igy nem szivesen probálkoznék föleg hogy nem is az enyém de ugy nem addnám vissza hogy megromlott de nem tudom miért.
Szia!
Végfok ic-t vedd ki adatlapon nézd meg melyik lába a bemenet ezt vezesd rá valami külső erősítőre, ha ott szól rendesen akkor a végfok, ha már ott sem jó akkor menni kell tovább, de ez nem zárja ki azt hogy a végfokja is halott.
Sziasztok!
Az lenne a kérdésem hogy ha egy autós fejegységet (4*45W) egy 12V/12Ah zselés akkumulátorról táplálnék akkor mennyi ideig bírná az akku. egy feltöltéssel? A fejegység max. áramfelvétele 5A, de ha jól gondolom akkor ezt maximum hangerőn és nem folyamatosan venné föl.
Sziasztok! Újabb kzedő kérdéseim lennének.
1. Most olvasok a statikus elektromosság/kisülés veszélyeiről. A könyvben azt írják, hogy egy ilyen kisülés során több ezer volt (akár 50.000V) és pár uA feszültség halad át az adott valamin. Azt is írják, hogy veszélyes nagyon az IC-re, tranzisztorokra, stb. Ugyanakkor olvasom, hogy a diodákra, kondenzátorokra, ellenállásokra nem veszélyes. Miért nem? Ha jól tudom ezeknek is van egy V határértékük, nem? 2. Hogy ne kelljen elemekkel bíbelődnöm a teljesen kezdő áramköreimmel, vásároltam egy hálozati adaptert (most már teljesen értem az AC/DC-t kifejezést ) mely 1,5V-12V tartományban állítható. Összeállítottam egy kis áramkört és egyből észrevettem, hogy a mérések során valami nem stimmel. Ekkor lemértem a táp által adott áramot és az alábbiakat tapasztaltam:1,5V beállításnál az általam mért áramerősség: 2,7V 3V beállításnál az általam mért áramerősség: 4,4V 4,5V beállításnál az általam mért áramerősség: 6V 6V beállításnál az általam mért áramerősség: 8V 7,5V beállításnál az általam mért áramerősség: 10V 9V beállításnál az általam mért áramerősség: 12V 12V beállításnál az általam mért áramerősség: 15,5V Gondolom, hogy a multimeterem sem a legpontosabb de akkor is ez nekem nagyon nagy különbségnek tűnik. Létezik, hogy ilyen rosszul állították be az adaptert? (egy olcsó: 1700 HUF darabról van szó.) Segítségeteket előre is köszönöm!
Először tisztázzuk a fogalmakat. Nem áramot mértél, hanem feszültséget. Az áram mértékegysége az Amper. A másik dolog pedig, hogy gondolom a hálózati adapter egy ilyen átkapcsolgatós kínai vacak. Bővebben: Link Vagy valami hasonló. Ezek nem stabilizált feszültségűek és ezért terhelt állapotban hozzák a rájuk írt feszültséget. Tehát ha terheletlenül mérsz feszültséget, nagyobb értékeket fogsz találni.
Szia!
Amit mértél feszültségek azért ilyen magasak mert terheletlenül mérted, és ilyenkor a kondi a maximális feszültségre töltődik, amit úgy tudsz kiszámolni, hogy 12V*gyök2-2*a benne lévő dióda nyitófeszültsége ami általában 0,6V. Tehát 12V*1,4-2*0,6, 16,8-1,2, azaz 15,6V ami 1 tizeddel tér el attól amit te is mértél.
Igen, köszönöm hogy figyelmeztetsz rá. Áram = Amper; Feszültség = Volt. Szerintem pont arról az adapterről van szó. Az áramköröm egy 1k-s ellenállásból és egy ledből állt. A feszültséget az ellenálláson mértem. Itt még nincs terhelve? Elnézést ha hülye a kérdés.
A leden a feszültség már csak 2 volt volt amit azért nem értek mert az áramerősség az ellenállás és a led között 10mA. Ha pedig megszorzom az áramerősséget az ellenállással akkor az pont 10. A 8V feszültség hol tünt el? De mivel kezdő vagyok biztos valamit rosszul mértem/csináltam, majd délután megint leülök méricskélni addig amig ki nem jön a helyes eredmény. A hozzászólás módosítva: Ápr 4, 2013
Szia!
Az 1k-s ellenállás és a LED nem minősül komoly terhelésnek. Ha például negyed, vagy fél Ampert húznál ki belőle, akkor lenne talán a névleges feszültségen, de ez mindegy is. Az áramméréses kérdésed nem igazán értem, de mivel a tápod nem szabályozott, így még az egyenirányítás utáni 100Hz-es lüktetés egy kicsit rajta lehet a kimeneti feszültségen. (Minél jobban terheled, annál inkább.) A műszer DC módban átlagot mér, amiből esetleg adódhatnak félrevezető eltérések, bár ennek nem gondoltam még utána ebben a konkrét esetben. Mindenesetre én továbbra is hanyagolnám az áramerősség műszeres mérését, hiszen van egy ellenállásod, amin mérhetsz feszültséget, és számolhatsz abból. Ha hülyeséget mutat a műszer, akkor így is pont ugyanazt a hülyeséget fogja mutatni. Ha nem, akkor így sem. Hiszen a műszer is egy ellenálláson vezeti keresztül az áramot, és a rajta eső feszültséget méri.
Hello! Nem optokapu, hanem optocsatoló. (Az optokapu is optocsatoló, csak az fizikailag nyitott.) Azzal is megoldható, hiszen pont az a dolga, hogy a ki és bemenetei más feszültség szinten lehessenek. Az optocsatoló diódájának viszont áram szükséges!
De nem szükséges ehhez opto, elég egy tranyó és némi alkatrész köré. Persze ha az átvitel nagy sebességű lenne, akkor az ellenállások értékeit csökkenteni kell. üdv!
Hello! Ha valami sztatikusan feltöltődik, akkor a feszültség lehet igen magas, de töltések száma csekély ami ezt létrehozza. Ha ez a töltés egy ellenálláson keresztül halad át, akkor akkora feszültséget "termel" amilyen nagy az ellenállás. Vagy is hiába volt eredetileg a feszültség magas, az a töltésmennyiség nemképes jelentős feszültséget létrehozni egy ellenálláson. Egy kondinál ugyan ez a helyzet. Ha azt a töltést áttöltjük egy kondiba, akkor a nagyobb kapacitáson ugyan az a töltésmennyiség sokkal kisebb feszültséget fog létrehozni.
Egy Fet tranzisztorban tud kárt okozni a kis töltés, mert annak bemeneti ellenállása több Gohm lehet. Így a rajta létrejövő feszültség is sokkal magasabb lehet. Így pld. a Gate-Sorce közé kerülve az átüthet. Az áram egy időegység alatt létrejött töltésvándorlás. Így ugyan létrejöhet 1uA áram kisütéskor, de kérdés mennyi ideig tud az folyni. Vagy is az idő is nagyon rövid ahhoz, hogy kárt tudjon okozni.. üdv!
Jo ez az adapter, de a helyedben:
Vennek egy jokora kondit, mondjuk 1000µF/25V Ezt polaritashelyesen rakotnem az adapter kimenetere, utana keritenek egy 7809-es stabic-t. Es beallitanam a tapot 12V-ra. (ha to220-as tokos, akkor veled szemben a feliratos resz, labak lefele, bal oldalon jon be a 12V, a kozepso lab a foldre, a jobb oldali lab lesz a kimenet 9V-on. A kimenet egy 100n-s keramiakondival a kozepso labra vissza. Egyesek ugyanazt javasoljak a bemeneti oldalon is. Innentol kezdve nagyjabol a 9V-os elemnek megfelelo korulmenyekkel dolgozhatsz. A te kapcsolasodban az egyes alkatreszeken eso feszultsegek osszegenek meg kell egyezni a feszultsegforras ertekevel. Fesz nem tunik el, csak esik ![]() Ha nem igy van, rosszul mersz vagy menet kozben megvaltoztak a korulmenyek.
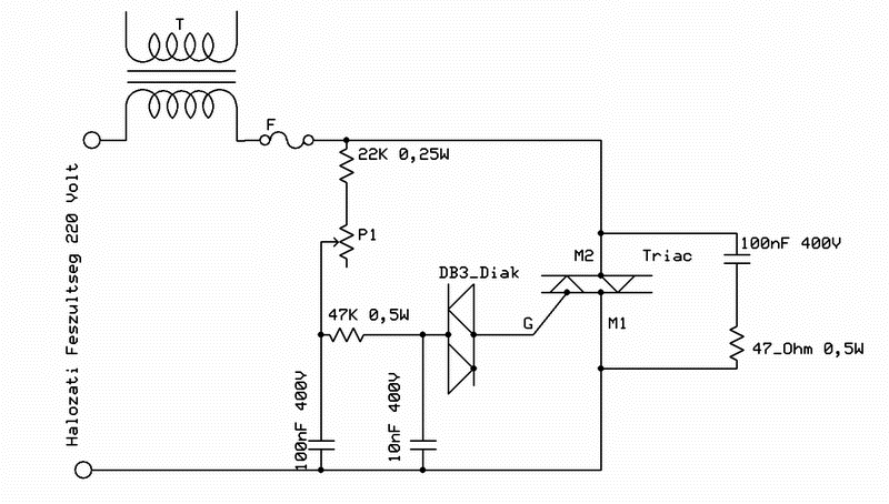
Sziasztok! Működhet ez a kapcsolás 220V-ról? Motor fordulatát szabályozná és a potméter is ellenállásra lenne cserélve tehát gyakorlatilag csak fix fordulaton tartaná. Az leginkább a kérdés hogy váltóáramról működik-e..
Rossz ötlet. Milyen motort szeretnél szabályozni?
Még nem tudom, egy ismerős állított a feladat elé, de azt hiszem hogy mosógépből származik. Lenne valami egyszerű megoldás erre?
Bővebben: Link Ez kimondottam 230Vos. Mivel írtad, hogy mosógép motor kenne.
A hozzászólás módosítva: Ápr 4, 2013
Ha soros (szénkefés) a motor akkor igen, az újabb mosógépekben van ilyen, a régi keverőtárcsás gépekben lévő és a régi automatáké az asszinkron motor, azt nem egyszerű igazából csak frekvencia váltóval lehet szabályozni, ugyan a feszültség csökkentésével egy kicsit csökken a fordulat(mivel nő a slip), de hamar elfogy a nyomaték.
Tehát először is ezt tisztázd, ha soros akkor itt egy rajz:Bővebben: Link
Sziasztok! Hogyan lehet egy 220V-os -> 12V-os rádió vevő tápból a kiszűrni a brummot??
Szevasztok!
Szeretném megkérdezni mit is jelent, ha azt mondjuk kapcsolóüzemű? (pl.: táp)
Szia!
A hálón találtam: Bővebben: Link.
Köszönöm
Sziasztok szeretném megkérdezni hogy egy 12V-os 1A-os DC hálózatra milyen ellenállású potenciométert kell kötni?
A hozzászólás módosítva: Ápr 5, 2013
Szia!
Ez így egy értelmetlen kérdés. Fűteni akarsz a potméterrel, esetleg a környezetben lévő negatív energiákat akarod vele csökkenteni vagy valamilyen áramkörbe/áramkörhöz szeretnéd beépíteni?
egy ventilátor fordulatát szeretném vezérelni vele ha ez lehetséges
Lehetséges, bár nem a legjobb megoldás. Egy PWM-es fordulatszám-szabályozás lenne célravezetőbb.(itt a HE-n is vannak rá rajzok, és gugli is a barátod
)Figyelj, a mondateleji nagybetűk és a mondatközi/végi írásjelek meglétére(olvasd el az a sárga mezőt felül).
Sziasztok!Én olyan kérdéssel fordulok hozzátok hogy:Vettem 1 12v-rol 230v-ra átalakítót,módosított szinuszos.Na most az a problémám ha rákötöm a vegyes tüzelésű kazánom keringtető szivattyújára,a szivattyú hangosabban zúg mint rendesen a hálózati áramról.Ez rongálja a szivattyút,mármint az átalakító?Köszönöm előre is!
Sziasztok!
Van egy Gigabyte GT-P5100-as TV kártyám amihez van egy távirányító, de sajnos az infravevője nincs meg :/ egy stereo micro jack kábellel csatlakozna a kártyához. Ha bekötnék egy sima infraledet működne? És Hogy kell bekötni ? Köszönöm
Helló adamisbalint!
A vevőbe nem lesz jó a LED. Az az adóban van |
Bejelentkezés
Hirdetés |











