Fórum témák
» Több friss téma |
Fórum » TV hiba, mi a megoldás?
Jó eséllyel, de azt is keresd meg, hogy mi okozta, különben rendelhetsz még 1-et, és baráti áron 6e. De szerintem van ott még kicserélni való, ha nem akarsz ujra stk-t cserélni.
A hozzászólás módosítva: Ápr 8, 2013
Vettem tranzisztort, de BU2508AW-t kaptam BU2508AX helyett (az nem volt). Utána néztem az adatlapját, és ez nem izolált, a kollektorral közös a háta. Még annyiban tér el, hogy ennek a "Total power dissipation" 125W, míg a másiknak 45W. Elvileg akkor jobban is melegszik, nem?
Cseréltessem ki a boltban inkább?
Ha nem tudod izolálni akkor igen, de másképp semmi baj vele.
Én már tekergettem minden trimert az Y panelon (:
LG 50ps8000 x-sus száma: EBR55360601 zsus kp50095ko:3015 y-sus száma:EBR55360701 YSUS KP50095J012069 Sajnos fogalmam sincs hogy hol van a szintbeállító trimer. Elektrotanya oldalon találtam nagyon jó leírást lg 50ps szériákhoz de sajna ott sem találom hol lehet.
Nem, ez azt jelenti, hogy jobban bírja a terhelést, ha rendes nagy hűtőbordát teszel rá.
Hát, most nincs csillámom itthon, szóval inkább visszaviszem holnap...
Inkább csillámot vegyél hozzá, mert erősebb ez a tranyó.
Rá megyek a kurzorral a konvergencia állításra de egyik gombbal sem tudok beljebb lépni.Azokra a helyekre ahol "OK" felirat van menüsáv végén,azokat nem tudom állítani csak amiket a nyilakkal kell.Vagy szereznem kellene inkább egy gyári távirányítót de nem találtam a neten. Esetleg tudnál segíteni ebben.A típusa TOSHIBA 43PH36P.
A hozzászólás módosítva: Ápr 8, 2013
Én egy univerzális programozható távirányítót használok, ami eredetire tudja írni a dolgot.
http://nippur.hu/remote-control.html Ha felhívod őket akkor még előre be is programozzák neked.
Vettem csillámot, be is építettem a tranzisztorral, működik is a TV, úgyhogy köszönöm a segítséget mindenkinek!
Viszont valami kontaktos lehet, mert szétszerelve bekapcsoltam, bejött a kép, örültem, összeraktam, akarom bekapcsolni, nem jó. Jelenség ugyan az, mint amikor nem volt bent a tranzisztor. Leszedtem a burkolatot, nem kapcsol be. Kihúztam pár centit az alaplapot, úgy bekapcsolt. Visszatoltam, nem kapcsol.. Megmozgattam a csatlakozásokat, eligazgattam újra a vezetékeket, visszatoltam az alaplapot, bekapcsolt. Visszaraktam a burkolatot, bekapcsolt. Visszavittem a helyére a TV-t, összedugtam mindent, nem kapcsol.... ![]() A helyén megfordítottam, burkolat le, vezetékek megigazít, sorvégtrafóra, képcsőre nagy csatlakozók rányomkod, burkolat vissza, bekapcsol. Megfordítom, hogy helyén legyen, nem kapcsol ![]() Kicsit megpaskoltam hátul, utána jó lett... ![]() De azért nem tökéletes, kicsit szét van húzva a kép, nem zavaró még, de azért néha a csatorna jele kilóg. Meg van egy zöld elszíneződés a bal sarokban, az mitől lehet?
Keresd meg mindenképp a hibás forrasztásokat,mert lehet,hogy a szép új tranzisztort megeszi.A sorkimenő körül nézzél szét.Továbbá a táp részben is.
Szia!
Ha a képméret nagyobb, lehet hogy E-W korrekciós hiba is van. " Görbék" a kép szélei, mindenképpen meg kell keresni a kontakt hiba okát. A hozzászólás módosítva: Ápr 10, 2013
Üdvözlet.Van végre távirányítóm amivel már be tudok lépni a belső menübe.csak az a baj hogy nem állít semmit.De mitől homorú a képem alul és felül?Rakok fel képet.
A hozzászólás módosítva: Ápr 10, 2013
Valami még szét van menve az STK-k körül, például a meghajtásuk.
Műszerrel megmérve nem találtam sem szakadás sem zárlatot.Tudnál valami kiindulót mondani mit és hol mérjek?Már kicseréltem a két 74HC123AP icket.
Igazából konkrét tanáccsal nem tudok szolgálni, inkább a tápfeszültségeket kellene ellenőrizni és az IC-k vezérlését oszcilloszkóppal.
A tápokat néztem,elvileg megvannak de oszcilloszkópom sajna nincs.
Szia!
Sortáp is jó ? Eltérítő tekercs csatolásait nézd át.
Szia.Tápok jók,az eltérítő tekercseknél sem találtam semmit.Már sorra veszem a diódákat,ellenállásokat is de nem találok semmi hibát.Nem tudod milyen értékeket kellene mérnem az stk és az 74hc123-as icnél?Az stk-nál be megy a 32v +- osan,a 16v az eltérítő ic felől.A másik ic-be meg bemegy az 5volt. Mit tudnék még rajta keresni?
Szia!
Így nem igazán, letöltöm a rajzát már régen javítottam ezt a típust. Egyáltalán nem mozdulnak a vonalak, vagy csak nem eleget? Az STK-k-ról az eltérítésre csatlakozó stekkert is nézted ?
Néztem és nincs semmi baja.A vonalak nem mozdulnak sehova.De még az idegesít hogy miért homorú a kép függőlegesen?
A vonalakat ki lehet egyengetni ha elindul a szabályzás. Úgy látom teljesen szét van esve. A régi ickkel is pont ilyen volt ?
A szabályzás nem megy,és a régi ic-kell is ilyen volt a kép.
Na azért ha megnézed a régebbi képeket amiket csináltál nagyon nagyot változott a kép geometriája.
A képcsöveken szerintem a statikus "pozícionállót" nem ártana most már beállítani, mert egyenlőre a vízszintes szétcsúszást kéne korrigálni. Az az a három képcső vízszintes poziciója nem baráti. De már nem ferde "trapéz" a kép mint volt. Este felé benézek majd, és ha vagy akkor megnézzük mit tehetünk. /kb 18-19 óra körűl./ /addig mig nem vagy "egypontba "vetítve addíg ne akard kiegyenesíteni, mert csak akkor fogod látni, hogy "mágneses, vagy elektrónikus" kiegyenlítési hiba van./ Érdekelne, hogy a képcsövek "nyaka körűl" matattál-e, mert akkor a fizikális korrekciót elállíthattad, és az elektronika, ennyire dúrva elcsúszást, nem biztos, hogy tud korrigálni. A hozzászólás módosítva: Ápr 11, 2013
Nem állítgattam,igaz megnéztem de még a gyári "leragasztások" rajta vannak és nincsenek elmozdítva.A lencséken próbálta állítani,de visszaállítottam ahol voltak.Akkor este felnézek.Köszi addig is.
Sziasztok!
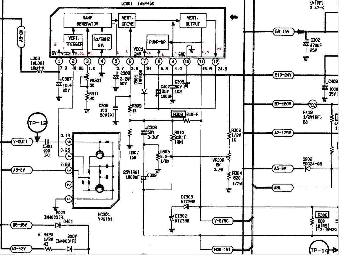
Tv-k terén nem vagyok egy zseni, ezért szeretnék segítséget kérni. Tegnap hajnalban felénk nagy vihar volt és kóbor villám járt egy barátomtól pár oszloppal arrébb. A TVben(Samsung CK-5073) elment a függőleges eltérítés. Csatoltam a tv rajzát, és amit mértem a függőleges végfokon. A VR301-el nem tudom az 1V-ot beállítani pár mV-ot változik csak. A 2,2uf kondi mintha már ki lett volna folyva, azt kicseréltem de hiába. Csak egy vízszintes csík van meg hang. a STB led is pislákol kicsit amikor be van kapcsolva a tv. Mintha mindig piros lenne és vibrál benne a zöld is. Mi lehet a baj? IC csere? köszi! A hozzászólás módosítva: Ápr 11, 2013
Sziasztok !
Az 1.8 Ohmokat is cserélni kellene, egyébként szerintem is változott a kép. A régi hibridek megnyújtották a védőellenállásokat ( 1.8 Ohm ), ezek cseréjével " közelebb " kerülnek a vonalak egymáshoz. A másik gondot a S.menüben látom, ebben az állapotában még nem szabályozható. Szerintem tovább kellene lépni a hálóábráig, onnan lehet állítani a konvergenciát. Nem tudom, hogy ez most ami a képen van a szervizmenüs beállítás, vagy a felhasználói menüs. Arra gondolok, hogy néhány Sonynál, a felhasználói menüben is van konvergencia állítási lehetőség. ( finom ) Ekkora hibánál viszont nem vehető észre a szabályzás mivel csak néhány tizedet mozdulnak a " vonalak " A hiba biztos, hogy az elektronikától jön, mechanikusan nem kellene túrni egyenlőre.
Hali!
A tápegység ellenőrzése.. -kondik cseréje. Képeltérítő IC csere. Félelem nélkül, - jön a siker! A hozzászólás módosítva: Ápr 11, 2013
|
Bejelentkezés
Hirdetés |
















