Fórum témák
» Több friss téma |
Fórum » Csöves erősítő készítése
Ne feledd betartani a fórum viselkedési szabályait, és a topik megmaradásának feltételeit. [link]
A téma átmenetileg fagyasztva lett, hozzászólni nem tudsz!
Egyrészről igen,másrészről meg biztos nyersz még 20-30V -ot.Itt inkább a trafó melegedésétől kell tartani,ahogy Márk is írta.Könnyen meg lehet "főzni".Amúgy sem tartom jó ötletnek,hogy az egyenirányító csövet ugyan arról a tekercsről fűtsd,mint az ECL82 -ket.
Sziasztok! Új vagyok még a témában. Egy ideje kerülgettem már az el. csöves erősítőket. Kezdésképp egy indikátorcső (EM84) meghajtásával próbálkozom, hogy tapasztalatot szerezzek HVDC és fűtés tápegység körében. Kísérletezni szermányoltam egy megfáradt Unitra ZK-145-öt. Ebben a készülékben az aszinkron motorral egyben van a transzformátor (saz-5-tr). A ráírt adatok 6,6V/232V. Üresjáratban mérve 8,1/270V. Gyanús nekem, hogy nem 230V-ra van tekerve. Miután Si dióda híddal egyenirányítom és pufferelem (ahogyan a készülékben is volt) kijön 392V. Nah most ez az elkónak majdnem a határát súrolja. Be kell rakjak még egyet mellé arra az esetre, ha 400V fölé menne. Áttekerésen kívül van valami ötletetek? Hogyan szokták ezt hivatalosan beállítani 270VDC anódfeszültséghez?
Az alábbi egyszerű alapkapcsolásból indultam ki: EM84 Segítségeteket előre is köszönöm!
Ha más nem,akkor építs elé egy kis sztereo SE-t.Az a trafó pont alkalmas is rá.Vagy csak egy mono-t,mert az unitrában van egy kimenő meg cső is,és mindjárt megszűnik a problémád,persze,ha jók.Tanulhatsz is belőle.Ennyi feszültséget nem tudsz ejteni.
A másik lehetőség,hogy szerzel egy másik trafót.
Köszönöm a segítséged! Ez lett volna a második lépésem. Ezek szerint csaphatok is bele. A PCL86-ból meg a kimenőjéből pont kijön. Gondolom a hangja nem egy extra. Pre-HiFi korszakról úgy hallottam, hogy a trafók 15KHz-ig mentek el átvitelben. Kezdésnek pont elég. Valami ilyesmire gondoltam: SE. A visszacsatolást nem tuti h a gyári kimenővel meg tudom oldani, mert egy szekundere van. Tippemre ez kapacitívan is megoldható még előtte.
A kimenőtrafót igazából illene megmérni, de biztos, hogy nem egy hájend jószág (ettől még nagyon is jó lehet!). Én ha nem akarsz a trafó tekercselésével foglalkozni és jól szűrt tápot szeretnél, akkor egyszerűen utánakötném ezt a kapcsolást: Bővebben: Link
A Fetet bordára kell szerelni, de tulajdonképpen akármekkora feszt kivehetsz belőle a megfelelő zenerekkel. A hozzászólás módosítva: Ápr 23, 2013
Nem, "pre HIFI", pont a HIFI előírásokban szerepel a 15 kHz -es felső határfrekvencia. Azelőtt is voltak kíváló minőségű erősítők, bár akkoriban még nem létezett az a fogalom, hogy HIFI. A jó minőséget először a mozierősítők hozták, ott merült fel először az igény a minél szélesebb átvitelre. Sem a hang visszajátszó (fény hangcsík, és fotocella), sem a hangsugárzó (nagyméretű igazi hangfal hangsugárzó rendszer) nem nagyon korlátozta a minőséget
Üdv! Ez a fény-hangcsík milyen átvitelt tudott prezentálni? Bár mozigépésszé képeztek katona koromban, de nem emlékszem, hogy átvitelről szó volt egyáltalán. Mármint minőségi paraméterekről...
A hozzászólás módosítva: Ápr 23, 2013
Ha a Kerr-cellás dologra gondoltatok, Csabai Dániel valamelyik régebbi könyve tárgyalja ha jól emlékszem.
Persze nem igazán volt nagyon érdekes, mert ennek a módszernek a frekvencia átvitele, és a dinamikája is nagyobb volt, mint amit főképp a rögzítés, és a visszajátszás egyáltalán lehetővé tett.
Ha gépészkedtél, akkor láthattad a 35 mm film szélén a fénycsíkot, a 16 mm -esnél pedig azért volt csak az egyik oldalon perforáció, mert a hangsáv nem fért volna rá.
Abban az időben nem érintett még meg különösebben a hangtechnika, a tábori vetítők meg aztán nem is rendelkeztek lenyűgöző hanggal. Egyedüli pozitív élményem Szombatelyen volt, ahol egy csöves mozigép erősítője valahogy bekevert egy osztrák adót, amin rock zenét hallottam. Fogalmam sincs, hogyan és mit csináltam, egyszer csak szólt a zene rajta - mindezt suttyomba a raktárban, hiszen ettől féltettek minket akkoriban...Fellazítás, meg diverzáncsok, kémek mindenütt...istenem...
Érdekesség, hogy a mai filmeken a perforálás lyukai között, és a szélein az analóg sáv mellett digitális jelek vannak, mely többsávos jelet tartalmaz.
Bár sajnos egyre több moziban projektorról megy a "film".
Figyelem, a gyári fesz. értékek terhelt állapotra vonatkoznak. a 220 és 230V különbsége nem lényeges.
Az még rendben is van,de még kettő EM84 -sem fogja ennyire beterhelni,nem,hogy egy.Persze ezt is jó tudni,az igaz.
Üdv. Valaki segítsen miért van az hogy telerem a hangszabályozó potmétert és megváltozik a végcsövön az anódáram? nagy mértékben?
*****
A hozzászólás módosítva: Ápr 24, 2013
Ha van kondi a bemeneten ha nincs mindig rosszalkodik.
A hozzászólás módosítva: Ápr 24, 2013
Csinálj egy skiccet csak az első cső rács-poti kmplexumról, hogy kötötted...
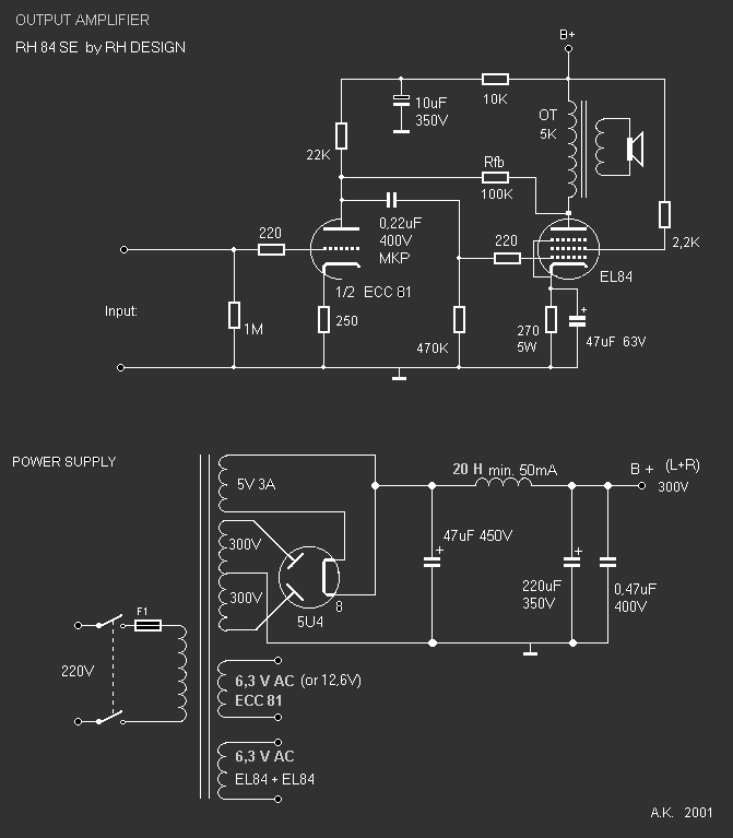
Üdv! Ezt a kapcsolást én is megépítettem és nekem működik rendesen. Ecc83 helyett 6N2P-EV csövet használtam. A 68 mikrós kondi helyett pedig 47 mikrósat tudtam bele tenni. Most egy EL84 PP erősítőt szeretnék készíteni , de még nem találtam meg a megfelelő kapcsi rajzot.
Szia! Én már ehhez megcsináltattam a kimenőket:
RT.Ék. 1969. 59.old.3.31 ábra.
Én pedig Pacsírta rádió trafóit használtam fel. Sajnos mást már nem tudtam megmenteni belőlük. Teljesen szét voltak ...
Én vettem "gyárit" az SE-hez, kb. 100VA-es vason vannak...Nem volt vészes ára, etalonnak is szánom - INDEL (lengyel)
Már megoldottam a rács egyből megy a poti csúszkájára de a hiba a visszacsatolásban volt meg a végcső segédrácsában. A cső jó mivel 3 csővel is próbáltam és ugyan azt csinálta.
Csak attól tartok hogy a rácsról a csatoló kondi hiányában nehogy egyenfesz jusson vissza a jelforrásba ami a laptopom mert akkor a hangkártya bánná. Ez megtörténhet szerinted?
Akkor azt még belerakom biztos ami biztos.
Tegnap mikor elkészült a jelenleg még "légszerelt" SE és beüzemeltem le is esett ez a tény. Mikor beindul az emisszió lerántja a tápfeszt 350Voltra, majd kicsit terhelve már 250-300 között mozog. Amit nem értettem: 2x eljátszotta, hogy visza ugrott üresjáratiba a fesz. Akkor mintha gerjedt volna a kimenet olyan rövid időre, hogy mérni sem tudtam. Lehet a hanyagul (10%-nál nagyobb eltéréssel) választott öreg alkatrészek okozták. Összességében a mélyek nagyon szépek. Részletes. Egy kicsit torzít a magas meg oszcillál a zaj a háttérben periodikusan változó frekvenciával.
Gondolom, hogy amikor a tápfesz. megemelkedett, akkor éppen nem is szólt-ennek oka lehetett a terhelés pillanatnyi megszakadása(veszélyes a kimenőtrafóra, és végcsőre!), vagy a táplánc kontaktibája. Gerjedés lehetséges(pl.földhurok miatt), de azt inkább torz hang jellemzi, de ilyenkor méginkább tehelt a táp. Az alkatrészek szórása miatti esetleges hibák állandóan hallhatók, ill. mérhetők.
A hozzászólás módosítva: Ápr 25, 2013
Az öreg alkatrészekkel szerintem semmi probléma. Jók azok..
Személy szerint legutolsó esetben sem gondolnék "rájuk".. Más lesz ott a probléma. jól nézd át még egyszer az egész kapcsolást,meg amit gkari említett. Jó építgetést,és hibavadászatot!
Fogja is csinálni. Ezt a munkapont beállítást már nem nagyon alkalmazzák (első cső). Csak hibátlan, új csővel működik. Itt részben az 1M-ás ellenálláson az igen kicsiny rácsáram által kialakuló előfesz állítja be a munkapontot, ami csőállapot függő. A direkt csatol bemeneti poti meg csak ront a dolgon. A DC visszacsatolás csak hab a tortán. A bemeneti poti meg a rács közé mindenképpen kell kondenzátor, de leginkább másik kapcsolást javaslok. Ugyanennyi csővel, alkatrésszel, JÓL méretezve.
Köszi a választ akkor kuldj légyszi valami jo kapcsit.
Esetleg a djhans-féle "klasszikus". Mondhatom hogy nagyon jól,és szépen szól,épp azt hallgatom.
Megépítettem az általad linkeltet is,és ahhoz képest tudok viszonyítani. Nem nagyon méregettem bele a feszültségviszonyokba.. csak hallgatóztam, de a Jani féle kapcsolás "többet tud". A csöveim pedig amivel próbáltam azok több évtizedes használt csövek. |
Bejelentkezés
Hirdetés |




Személy szerint legutolsó esetben sem gondolnék "rájuk".. Más lesz ott a probléma. jól nézd át még egyszer az egész kapcsolást,meg amit gkari említett. Jó építgetést,és hibavadászatot! 
