Fórum témák
» Több friss téma |
Hali!
Valaki tudja hogy SIMSON-on hogy működik, tapasztalatokra lennék kíváncsi és arra hogy egyáltalán működik-e hanem akkor mik a módosítások .
Sziasztok. A Simsonba bevált ez a szabályzó. De most szeretnék ezzel a kapcsolással egy auto akkumulátorát tölteni. 55Ah az aksi, a simsoné jóval kissebb. Kérdésem az lenne hogy kell e valamit módosítani a kapcsoláson?
Üdv
Az elba szabályozóhoz ha a kellő alkatrészeket beszerzem és kellően hűteném őket elviselnének 5-7 A töltő áramot?Esetleg ha nem akkor valaki tudna nekem segíteni egy átalakításban, nem kell bele index rész csak a töltés de annak 7 A-t bírnia kellene, a villogó rész az luxuscikk lenne benne .Előre is köszönöm minden segítséget ! ipi
Ki az eredeti tulaj , mert nekem is szükségem lenne rá .előre is köszi
Sziasztok!
Valaki megépítette már ennek az EWR részét? Megcsináltam, de nem műxik, pedig minden alkatrész jó.
Megoldva! Egy forrasztás rossz helyen (műhiba)
Sziasztok!
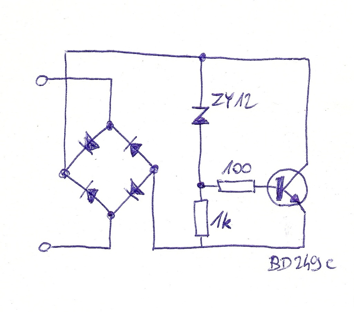
Ha jól veszem ki a rajzokból, akkor a fesszabályzó rész ha a bemeneti feszültség 14,4V feletti akarna lenni, akkor rövidre zárja a tekercset, söntöli. Na most ezt ki lehetne-e váltani egy(vagy több) megfelelő teljesítményű Zener diódával? 15Von söntöli a tekercset és kész. Van 5V 50Wos Zenerem (több darab), az sokkal egyszerűbb sorba kötni, mint csinálni egy komplett szabályzót. Nem? Üdv Kiborg
szia!
Megbízhatóan müködik az EWR? üdv: Tiva
Szia!
Működik igen, de hűtés kell neki. Esetleg ha megépítenéd a másikat akkor arról is lenne információnk. Annak állítólag nem kell hűtés, így kisebb helyen is elfér, főleg ha SMD komponensekből épül. A hozzászólás módosítva: Nov 21, 2013
Üdv!Simson 12 v os töltőtekercs mennyi feszültséget ad le terheletlenül? (max gázon üresben)
Bekötöttem sikeresen egy fesszabályzót a simsonba. Volt hátsó világítás és asszem töltést is mértem. Most már nem tudom mérni mert nem indul a motor.
Kezembe vettem a kapcsolási rajzot, és nézegetni kezdtem. A gyújtáskapcsolót nem értettem, mert szerintem kurva nehéz dolog volt hogy egy kapcsolóra megy 20 vezeték. először is abból indultam ki, hogy a rajzon a gyújtáskapcsolón van egy hely ahova három vezeték megy. Ez a gyújtáskapcslolón egyértelmű, mert a kapcsolón egy hely van, ahova három vezeték megy. Ebből a háromhelyes gyújtáskapcsoló részből egy vezeték megy a féklámpára, egy vezeték a fesszabályzó szürke fekete vezetéke, és egy a 21Wos tekercs szürke piros vezetéke. A három helyes gyújtáskapcsoló rész már meg is van. Szerintem egyszerűbb, ha tovább a féklámpával haladunk. ha a féklámpát nézzük, a vezeték tovább a féklámpa kapcsolóhoz vezet, ami a kerékdobban van. Kívülről van egy apa része, arra kell rádugni a vezetéket. Ha szétszeded a kereket lehet látni, hogy kapcsolódik a kapcsoló. Szerintem először csak úgy állítsd be, hogy mindenképp kapcsoljon. A másik franc baj hogy hogyan lesz így áramkör? Hát gondolatilag így: test-tekercs-háromlábas gyújtáskapcsolórész- féklámpa-féklámpa kapcsoló-test. És világítania kell nekem is világított. Először leírtam a féklámpát, mert ebből indul ki a hátsó lámpa. De azt majd máskor leírom
Üdv engem csupán egy töltés visszajelző lámpa érdekelne, olyan mint az autókban van, relé alaphangon áramot ad egy lednek majd induláskor a relé átkapcsol bontva ezt a kört, a kérdésem az hogy milyen relé működne helyesen, a töltést a feszültségszabályzó után gondoltam, nem akkuőrt akarok csak tudni hogy van töltésem vagy nincs és, ha jól sejtem a relé és az akku közé kellene egy dióda is hogy ne tudja bekapcsolni a relét az akku.
Minden segítséget örömmel várok.
Ez olyan, hogy 13V alá megy a feszültség akkor világítani kezd a led.
Köszönöm
Ha esetleg, 12V körül világít , szórás miatt, nekem 12,2V nál világított, rakj be sorosan a dioda elé még egy diódát, akkor így eltolódik, 0,6V-al, így 13Vnál világít majdnem.
Erre az alkalmazásra TL 431 szoktunk használni , mert az ellenállás osztóval pontosabban be lehet állítani és kicsi a hiszterézise. Nem hiába használják kapcsolóüzemű tápegységekben feszültség beállításra.
Itt a LED magas feszültségnél jelez. Ez az első ábra a fordított működésű, A második ami neked kell, csak az ellenállás osztót be kell állítani a megfelelő feszültségre .
Köszönöm
Üdv a második rajzon az R3 ellenállást lehet potival is megoldani, és ha igen hogyan kéne bekötni?Őszintén szólva még nem tudom a töltésem alapjáraton mekkora feszültséget fog képviselni, ezért inkább beállíthatóvá tenném és elsőre multival ellenőrizném, legfeljebb később tennék fix ellenállást
Örök hálám
Üdv újabb kérdésem merült fel, de már csak index persze ELBA használatával, nekem 2*10W indexem van így viszont stroboszkópot játszik az indexem lehet ezen állítani? esetleg csak az új index relé segít?
Az smd ellenállások cseréje nem megoldott nincs hozzá felszerelésem.Előre is köszönet a válaszokért
Üdv mindenkinek!
A mai napon megépítettem a csatolt, eredetileg mex fórumtárs által publikált töltő áramkört. A problémám a következő: bekötöttem a SIMSON típusú motorkerékpáromba, az akkumulátor helyett egy 10000µF-os kondenzátort bekötve annak feszültsége kb 14.3-14.4V (ez tökéletes érték, tehát a feszszabályzó jó?), viszont egy (korántsem gyári) 12V 12Ah akkumulátort bekötve a töltőtekercs feszültsége kb. 3-4V körül van (multiméterrel mérve), az akku feszültsége viszont max 13.1-13.3V körül van. A töltőáram csutkagázon max 180 mA. A kérdésem az lenne: jó ez így, vagy esetleg bedöglött már az akkum? (az akkut előtte feltöltöttem automata töltővel). Segítségeteket előre is köszönöm! Üdvözlettel: Hurka A hozzászólás módosítva: Aug 15, 2014
Ha a feszültséget alapjáraton méred az nem gond nagy gázon éri el a maximum feszültséget, az akkunak ez a feszültség bőven jó ha terhelve is megmarad akkor minden rendben van, ha terhelve például indexelve lemegy nagyon a feszültség akkor van gond de alapjáraton ne várj erős töltést, a töltőáram akkor fog megnőni ha merül az akku mert úgy vesz fel több áramot.Ha pörög szépen a motor és napokig nem merül le az akku akkor önmagát igazolja
A hozzászólás módosítva: Aug 15, 2014
Sziasztok!Én egy feszültségszabályzót szeretnék építeni 12V-os Simson-ba.De mivel még soha nem csináltam ilyet így ehhez egy kis segítséget szeretnék kérni.Itt az oldalon találtam egy nekem való egyszerű megoldást,pár alkatrésszel meg lehetne oldani .Mivel hogy teljesen zöldfülű vagyok ezért abba kellene segítség legfőképp hogy valaki megrajzolná a beültetési sémát.
Üdv
Segítségetek kérném, ugyanis sokadik ilyen esetem volt már javarészt ingyen kapott ELBA ürügyén és nem is egyformán, hanem változó időközönként de leég folyton az egyik fele pedig szabvány szerint kötöm be, tekercs graetz-ewr híján-feszszabályzó-akku, mégis legutóbbi darab is alapjáraton remekül végezte dolgát töltötte az akkut villogtatta az indexeket, de egy 14 km próba út után füst szag és halál a jussa.Mégis mi az amit ennyire nem jól csinálok a mágnesem gyenge a túl nagy áramot nem nagyon merem megkockáztatni emiatt. A hozzászólás módosítva: Nov 20, 2014
Szia!
Egyenirányító (Graetz) azért mégis kellene oda.
Idézet: „tekercs "graetz-ewr híján"-feszszabályzó-akku” ![]() Magyarán a graetz van ewr helyett egymaga A hozzászólás módosítva: Nov 20, 2014
Jó, akkor közelítsük meg más irányból. A kapcsolási rajzon mutasd meg, hogy melyik alkatrész ég szét.
|
Bejelentkezés
Hirdetés |





.




Az smd ellenállások cseréje nem megoldott nincs hozzá felszerelésem.







