Fórum témák
» Több friss téma |
Fórum » Kapcsolási rajzot keresek
Témaindító: Kallai Csaba, idő: Márc 11, 2006
Témakörök:
Az elkészítésében nem hiszem hogy tudnék segíteni, de ha tudok válaszolok.
Egyébként itt egy másik telefon rajz TP5710-el, ezt valószínű előbb megtalálod valamelyik kuka telefonban vagy esetleg jobban beszerezhető. Mi lenne a kérdés?
ezen hova kell dugni a telefont?? és megoldató hogy 6,3
-sa jack be és kimenet lenne
Látom nem egészen érted.
Ez a kapcsolás maga a telefon. A rajzot csak ötletadónak szántam, mert itt látszik a hybrid jellege a megoldásnak. Tehát egy ilyen áramkör egyszer megy a telefon vonalra(L1-L2), és egy másik hasonló áramkör (egy másik telefon ) kissé átalakítva az előbbivel párhuzamosan a vonalra. Utóbbi annyiban különbözik, hogy az SP200 és az Ecm (vagyis a kagyló hallgatója és az electret mikrofon ) helyére egy-egy illesztő áramkör kell. A hangszóró helyére egy kis leválasztó trafó , ami megy a keverőpult csatorna bemenetére. A mikrofon helyére szintén valami pici illesztő/leválasztó trafó, ami a keverő egy csatornájáról kerül meghajtásra. Mutatok még két rajzot, aztán ha összeáll a kép akkor megoldod, ha meg ilyen 6,3-as jack kérdéseid merülnek fel csak, akkor jobb ha beruháztok egy gyárira. Itt van a hagyományos és elektronikus hybrid áramkör rajza. Itt pedig egy gyári passzív hybridtrafós megoldás rajza. Ennél többet sajna nem tudok segíteni.
helló. tudna nekem küldeni valaki 125-ös pitbike-hoz bekötési rajzot?
Minden igaz amit Szpisti írt.
Radiótechnikában is volt pár éve egy cikk, pont ott is stúdiót emlegettek... Annó csináltunk ilyet, igaz nem rádióhoz, hanem elsősorban telefonbeszélgetések rögzítésére. PC kártya méretű, hangkártyára lehet rákötni és soros porton keresztül lehet vezérelni. A szoftver fejlesztéshez használt deszkamodellbe a múltkor botlottam bele. Ha érdekel, akkor szívesen neked ajándékozom...
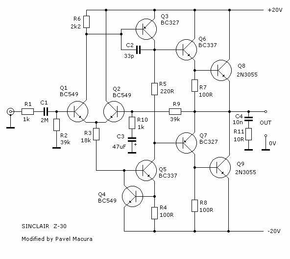
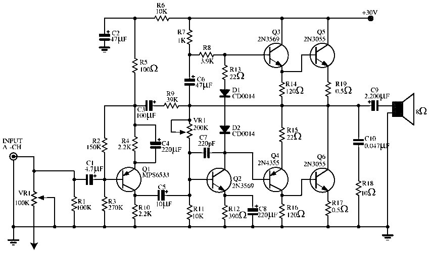
Sziasztok! Valaki feltenne egy egyszeru erosito kapcsolasi rajzot, ami mukodik +/-30V-es 2 NPN vegtranzisztorja van.[2n3055]
Üdv. Van egy STK5343 alkatrészem , azt olvastam ebből lehet építeni egy kisebb végfokot. Tényleg lehet , és tudtok küldeni kapcsolási rajzot?
Hogyha mindkét végtranzi NPN, akkor nem kell +/-30V, az a komplementer végű erősítőknek kell. A két darab 2n3055 után viszont kell egy kicsatoló elkó, és így elmegy egy szimpla 30V tápról. Pl. egy ilyen:
De van olyan is hogy +/- és két NPN A hozzászólás módosítva: Ápr 29, 2013
Szia!
Ezt a megoldást úgy hívják, hogy Kvázi-komplementer kapcsolás. Idézet: „Hogyha mindkét végtranzi NPN, akkor nem kell +/-30V, az a komplementer végű erősítőknek kell.” Komplementer végű erősítöknek sem kell feltétlenül +/- táp, egy tápról is működnek, kicsatoló kondival. Fordítva is igaz, csak NPN végtranzisztorokkal is lehet +/- táplálású az erősítő.
Tisztelettel üdvözlöm a kolegákat azzal a kéréssel fordulok önökhöz hogy van nekem egy Px1193-657 auvisió Scart DVB-T vevő és mini média center csak sajnos nincs hozzá IR infra egér most szereztem már egy Digi beltéri infra egeret csak bekötési rajz kellene hozzá mert ezen az egeren telefon csatlakozó bekötés van a mini DVB-t -én meg 3.5 4 polusu jack dugó és ehez kelene egy bekötési rajz hogy egy vezetéket megcsináljak hozzá aki tudna segiteni elöre is nagyon szépen köszönöm üdvözlettel Galgoczi Sandor.
Ha a masodik kapcsolast hasznalhatom +/- 30 rol akkor tokeletes. De valami emite/colletor ellenallas neme kell?
A hozzászólás módosítva: Ápr 29, 2013
Használhatod +/-35-ről is, és az eredeti Z30-ban az emitter ellenállások helyén egy-egy 6,3-as biztosíték volt. Ez egy közel 45 éves kapcsolás, nyugodtan kipróbálhatod. Nekem anno az egyik első végfokom ilyen volt.
Van egy kicsi gyari erositom, abban van a tap is ~90w, es megvan a gyari hutes, a 4db 2n3055-el, es mondom ne menjen karba, megepitek neki valami kapcsolasi rajzot. Kulonben amplificator stereo as3220 asrol van szo.
Azt nagyon megköszönném nagyon jól jönne
Heló!
Van egy kis vezeték nélküli kamerám, a vevő része sajnos nincs meg. Össze szeretném kötni TV-vel RCA csatlakozón keresztül. A kamerában két nyák található. A nagyobbikon van a képérzékelő IC, a mikrofon és a feszstab IC. A kisebbik nyákon pedig a rádióchip és az antenna. A két nyákot 4 vezeték köti össze. A piros és a fekete vezetéken kap tápot (5V-ot) a rádióchip. A sárga vezeték esetében én a képre, a fehér vezeték esetében a hangra gondolok. Az a kérdésem, hogy közvetlenül rá merjem kötni a kamerát a TV RCA bemenetére, vagy valami egyszerűbb áramkörre még szükség van?
Rákötheted. A videokimenet az, ami egy kis elkóval van leválasztva (nem mindig a sárga, de bajt akkor sem okoz, ha a hangra kötnéd). Egyébként a legtöbb ilyen - amit én láttam - TV csatornára sugároz, leginkább valahol UHF 30...40-es csatornák közt. Társasház kaputelefonhoz nagyszerű bővítés, mindenki láthatja...
Próbáltam már ráhangolni a TV-t, de nem talált semmit.
A hozzászólás módosítva: Máj 1, 2013
Sziasztok.
Deawoo Kalos Sedam 1,4 es kábel rajzot keresek. A ködlámpa gyári bekötése érdekelne. Köszi
http://www.mpeg4-players.info/players/lg%20dr7500/lg_dr7500_chipset.jpg
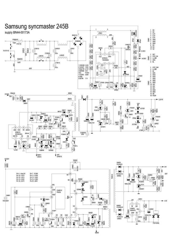
Ehhez a panelhoz keresek rajzot!
Kapcsolási rajzot keresek BN44-00173A tápegység panelhez samsung syncmaster 245B monitor javításához.
Szia! Tessék itt a kért kapcsolási rajz a monitor tápról.
Sziasztok.Valaki tudna segíteni ,erősítő rajzot keresek? AKAI AM-u7 tipus. dj.suti@freemail.hu , ra szeretném ha írnátok.Megköszönném. Jó munkát mindenkinek.
Hali , hitron hvi50a-12 ennek az inverternek keresem a kapcsolási rajzát. Feltétlen kell. Előre is köszönöm. /Fujitsu x180f LCD monitorba van/
Üdv, Egy Orion HT580 -as 5.1 kapcsolási rajzát keresném. Köszi
Kedves endrusz. Tudnál egy nyomtatható változatot küldeni, akár privátban is?
Hello újra én vagyok Galfy elküldte a cuccot meg is érkezett köszönöm neki nagyon már csak 1 probléma lenne hogy a képeken látható cuccok közül melyik mi lehet és hogyan kell bekötni hány volt kell neki ha valaki tudna segíteni nagyon megköszönném.
A hozzászólás módosítva: Máj 8, 2013
|
Bejelentkezés
Hirdetés |















