Fórum témák
» Több friss téma |
Értem. Holnap majd gondolkozok ezen, biztosan lesz rá megoldás. Mára köszönöm mindenkinek a közreműködést.
A hozzászólás módosítva: Ápr 28, 2013
Elsiklottam a rajz felett, tedd vissza a bikázó tranyókat, kell az oda. ( 1 kHz-re nem kellene, de úgysem annyi lesz a freki. )
Ok, akkor mindent egybevetve, az eddigiek alapján egy duplafetes bikázós kondis verzió. A gate ellenállásokról levettem a soros diódákat, illetve a gate - test közötti 17v-os zenert, gondolom ezek nem kellenek oda.
A hozzászólás módosítva: Ápr 29, 2013
Elvileg nem kellenek, ha a gate körben nem lesznek túl nagyok a szórt induktivitások. Ehhez a nyákot úgy kell megtervezni, hogy a gate-meghajtó kis tranyók, a 100uF, a 100nF, a 10 ohmok, meg a FET-ek gate-jei a legkisebb területet foglalják el. Különben esetleg túl nagy lehet a szerelési induktivitás és a gyors gateáram változások túlfeszt eredményeznek a gate-eken. Ezért szoktuk betenni a zenereket, de inkább csak transzformátoros meghajtás esetén, meg akkor, ha a 10 ohmok kisebbek, vagy át vannak hidalva diódával, stb. Így a 10 ohmok becsillapítják annyira a kialakuló rezgőkört, hogy nem valószínű, hogy komolyabb túlfeszek lennének a gate-eken.
Szia!
Egy kicsit bele vau-vau, ha nem baj. Én azt a 2 FET-et erősen meggondolnám! Nekem egy is elég lenne bele, mondjuk ez: http://www.tme.eu/hu/katalog/#search=IRFP4468&s_field=accuracy&...r=DESC Igaz drágább, de ha használni akarod és nem attól rettegni, hogy mikor száll el a FET, akkor menj a biztonságra. Általában amikor elszáll egy FET, akkor rövidzárba megy és teljes fordulaton fog menni a motorod pillanatok alatt. A vakolat simítás jókora változó teljesítménnyel jár. Én a fordulatszám stabilizálást valahogy megoldanám, bármennyire is PWM*el hajtod, az indító nyomaték ugyan nagy, azzal nincs is gond, de a terhelés következtében a fordulatszámot biztos nem tartja majd a motor. Ez a motorteljesítmény egy elektromos kerékpárba is elmegy, a korszerűbbek ott is 48V körüli feszültséggel mennek. Emelkedőn azoknak is jócsán lecsökken a sebessége, persze, ha van benne tempomat és bírja a motor szuflával, akkor nem. A meghajtáshoz a 12V-ot nem kell feltétlen külön tápról adni, amit jómúltkor belinkeltem kapcsolást, annak az emitterkövető stabilizátorát elég lenne beépíteni, sokkal olcsóbb és megbízható.
Kondit kötve a motorra nem fütyül.
Szia!
Csak elveszted vele pont azt amiért nem sima DC tápot használsz! Annyira nem fütyülhet egy motor, főleg, ha ilyen célra használják, hogy zavaró lenne. Legalább hallani, hogy megy a PWM!
Kondit? Szerinted, mekkora áramok fognak a kondiba folyni, ha bekapcsolnak a FET-ek?
Lehet, de akkor egy fojtót is kell elé kötni. Akkor pont olyan lesz, mint egy kapcsitáp. Akkor tényleg nem fog fütyülni a motor, helyette a fojtó fog... nem beszélve arról, hogy szép nagy fojtó kell a fütyülési frekvenciatartományban. Egy ilyen elrendezésnek pont az a lényege, hogy nagyon egyszerű lehet, hiszen a motor saját induktivitása kisimítja magának az áramot. Nyilván, minnél alacsonyabb a frekvencia, ezt annál kevésbé tudja megtenni, tehát, több kevesebb fütyülés előfordulhat. Egyébként, engem sem zavarna, hagy fütyüljön, legalább a szomszéd helyiségből is tudnám, hogy megy a pwm...
Sziasztok! Elgondolkodtam egy egyszerű autós szimulátor építésén. Az alábbi kapcsolást mivel lehetne megvalósítani? (Sajnos mikrovezérlő programozásban nem vagyok otthon) Az ülést egy motor mozgatná előre és hátra. A pedálokon és motoron szintén lenne egy-egy poti. Amikor az ülés középen van, a motor potija is közép állásban lenne.
Tehát a gondolatmenetem: -amikor rálépek a gázpedálra, akkor a pedálon lévő poti feszültsége 2,5V-ról 0V-ra esik. Ekkor az ülés hátra dől és a motoron lévő poti feszültsége is 0Vra esne. Ha elengedem a gázt, akkor visszaáll 2,5V-ra, amire az elektronika is vissza irányítaná a motort közép állásra. -amikor rálépek a fékpedálra, akkor a pedálon lévő poti feszültsége 2,5V-ról 5V-ra nő, ekkor ha az ülés előre dől, és a motoron lévő poti feszültsége is 5V-ra nő. Ha elengedem a féket, akkor visszaáll 2,5V-ra, amire az elektronika is vissza irányítaná a motort közép állásra. Először komparátor kapcsolásra gondoltam, viszont a motort oda-vissza kell mozgatni, ráadásul célszerű PWM-el.
Idézet: „Csak elveszted vele pont azt amiért nem sima DC tápot használsz!” Használhatnék DC tápot is akár, de az nem szabályozható finoman, bakkecskézne a gép, és gyilkolná az akkukat, erőátvitelt a nagy áram.
Szedj szét egy szervot meg épits hozzá egy szervovezérlöt (conrad.hu) ez a 2 dolog pontosan ezt csinalja.
A hozzászólás módosítva: Máj 8, 2013
Idézet: „Kondit? Szerinted, mekkora áramok fognak a kondiba folyni, ha bekapcsolnak a FET-ek? ” A tápfeszültség és a motor által termelt feszültség különbözetének és az ellenállásnak megfelelőek. Idézet: „Egy ilyen elrendezésnek pont az a lényege, hogy nagyon egyszerű lehet, hiszen a motor saját induktivitása kisimítja magának az áramot.” Nagyon egyszerű, de 0,6A-t felvett, és a motor el sem indult. Kondival 0,4A, és a motor fordulatszáma nem volt kicsi. Idézet: „Egyébként, engem sem zavarna, hagy fütyüljön, legalább a szomszéd helyiségből is tudnám, hogy megy a pwm...” Egy autóban nem élvezet egész nap a fütyülést hallgatni.
Csak az a baj, hogyha folyamatos az áramvezetés, vagyis a motoron nem csökken az áram nulláig, akkor a motor melletti dióda vezet azokban az időpillanatokba, amikor a FET ki van kapcsolva. Tehát, a kondi kb. -1 V-ra van feltöltve. Ezt az kondit kapcsolja rá a FET a tápra...
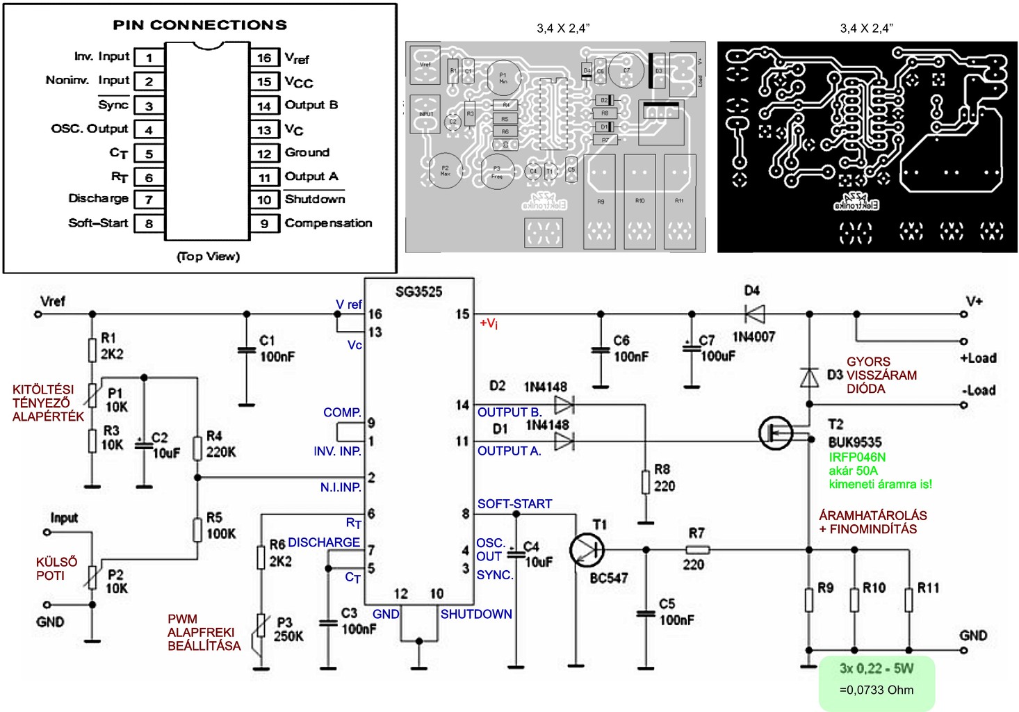
Sziasztok szeretném megépíteni ezt a kapcsolást, csak van két dolog ami nem tiszta.
1.mi célt szolgál az Vref bemenet, 2.a potméteren mi az a bemenet, oda mit kell kötni? Köszönöm előre is a válaszokat. Üdv! Lajos
Szia! Szerintem a fordulatszám szabályzó potméter három lábát kell a Vref, Input, GND pontokra rákötni. A Vref és a GND között van a tápláló feszültség (5V), az inputra jutna a potenciométer leosztott jele. A rajzon lévő trimerekkel a szabályozási tartományt tudod beállítani.
Köszönöm a hozzászólásodat, én is így gondoltam, csak azt vártam hogy megerősítsenek.
Egy kis segítséget kérnék. Tervezek egy PWM-es (PIC-es) szabályzót egy CNC főmotorjához. DC100V-on megy a motor. Nem tudom mennyi lehet az áramfelvétele, de FET-el szeretném megoldani a vezérlést. Arra gondoltam, hogy a PIC kimenete meghajtana 2 bipoláris tranyót (NPN-PNP pár) és az vezérelné 2 párhuzamosan kötött FETet. Így megspórolnám a logic level FETet és magasabb frekin is mehetne a vezérlés (~20kHz). Milyen FET-et válasszak a HEStore-ból? Jó az elgondolásom? Előre is köszi a jótanácsokat!
Hello! Csak azt nem írtad, hogy milyen kapcsolásban lesz a két tranyó. Mert ha a szokásos közös-kollektoros, az nem jó, mert az nem erősít feszültséget. Egy fet meghajtó (TC4420) IC szerintem alkalmasabb.. De egy mezei 555-öt is fel lehet biztatni, hogy hajtsa meg, ha az 5-ös 1-es láb közé ellenállást teszel.. üdv!
Én is sokat játszottam mostanában FET meghajtókkal. Ami nagyon stabilan és jól bevált nekem azok a MIC5014-esek. És az ADUM szériák. (pl ADUM5230) IR széria volt hogy csak úgy magától megpurcant. (Nem volt túlhajtva és a méretezés is jó volt.) Amúgy miért kell 2 db párh. kötött FET? 100V-on nem hiszem hogy olyan nagy áramokat venne fel. Mondjuk itt már lehet érdemes lenne elgondolkozni inkább egy IGBT-n.
Én is a FET meghajtókra szavazok. MCP1415/16, TC4426/27/28A, ezekből mindig szokott raktáron lenni valami a Chipcadnél, és nem is drágák. De van egy halom combosabb cucca is a Microchipnek.
FET meghajtó nélkül az a gond, hogy ha invertáló (közös kollektoros) kapcsolást használsz, akkor gondok lesznek a deadtime belövésével (ezért ezt nem is szokás használni), ha meg nem, hanem közös emitteres módban használod őket, akkor meg a tranzisztorokat vezérlő áramkör tápja mínusz ~0.7V-ig tudod csak kivezérelni a FET-eket, ami nyilvánvalóan csak az L-eseknek lehetne elég, ha a PIC lábáról levehető max. 5V-ból indulunk ki. Szóval minimum kéne oda valami buffer, amit 10-12V-tal kell megtáplálni, és valami szintillesztő, hogy a PIC tudja őt vezérelni a 5V-os kimenetével. Sok küzdés a semmiért: a FET meghajtóban ugyanis pont ez van összerakva. 100V-os FET-ek: Bővebben: Link Bővebben: Link Bővebben: Link A motor névleges teljesítményét nyugodtan szorozd fel 10-15-tel, és minimum akkora FET-eket rakjál oda (de az sem baj, ha még annál is nagyobb).
Idézet: „Mondjuk itt már lehet érdemes lenne elgondolkozni inkább egy IGBT-n.” Szerintem ennek nincs túl sok realitása. Emberi áron 10-20mohm körüli FET-eket simán lehet kapni, ami kisebb veszteséget jelent 50-100A-ig, mint egy Vcesat = 1V-os IGBT (amilyen nem is nagyon létezik talán). Kötve hiszem, hogy gazdaságosan tudnád IGBT-re cserélni.
A 100V az IGBT-használathoz kis feszültség. 300V felett kezd értelmet nyerni ez az eszköz, mert ezen a feszültségen a MOSFET-ek előnyei elvesznek.
Valami ilyesmire gondoltam: Bővebben: Link
Talán kisebb helyet foglal 2 tranya, mint egy IC. _vl_ Nem 100V-os FET kell, hanem a tápfesz mozog 100V környékén. Emiatt a linkelt 100V-os FET-ek, szerintem elég karcsúak lennének ide... Jól gondolom?
Mennyi árammal lehet terhelni az 5 V-os Enable-t?
Mivel az a PIC kimenetéra menne...(PWM jel) gondolom a 20mA-t nem kéne meghaladnia.
Már 10-is elég, azt lehetne csinálni, hogy teszel egy baker clamp-el ellátott NPN tranyót a FET helyett. Az a baj a FET-tel, hogy annak logikai szintűnek kell lennie, mert csak 5 V van, ami esetleg még kevesebb, így nem tudja meghajtani a normál FET-et. Ha ez a fesz 6 V lenne, akkor jó ilyen kis áramokra a BS 170, de 5 V-ra már nem biztos, ki kell próbálni. Ha meg NPN tranyó a baker clamp-pel, akkor majdnem olyan gyors lehet, mint egy FET. A kollektorában legyen 1...2 K körüli ellenállás, utánna meg jöhetnek a dupla emmitterkövetők. Ha túl nagy a totál gate töltése a fő FET-nek, akkor egymás után tehetsz két dupla emmitterkövetőt is. Ez így több helyet foglal el, mint egy idevaló meghajtó ic, de én is ilyeneket használok, nem szeretem a meghajtó ic-ket... drágák, ha elszáll valamilyért a főkör, akkor viszi magával a meghajtó ic-t is, szóval, nekem nem jön be.
Hello! Na ez az, ami nem jó. Nincs feszültségerősítése. Ez elé még egy fokozat kell. Annak meg már 9 lába van, az IC-nek meg 8. De a Fet hűtése mellett, mit számít, hogy mekkora a meghajtó? Kivétel, ha egy kazallal lenne benne. üdv!
Dehogynem... ez még akkor is drága, ha benne lenne a FET is...
Én ezt még régebben kaptam egy ismerősömtől a mellékelt rajzot. Nekem bevált már vagy tíz példányban üzemel. Igaz eredetileg alacsonyabb feszültségre tervezték, de szerintem más félvezetőkkel jó lehet a célodra, legalább is az elve használható!
|
Bejelentkezés
Hirdetés |














