Fórum témák
» Több friss téma |
Köszi a válaszokat.
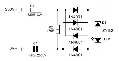
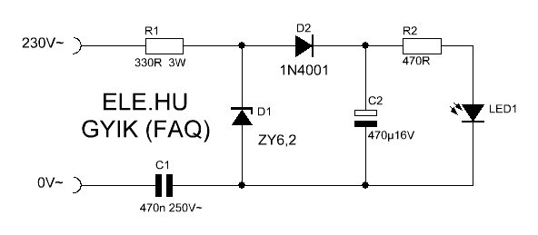
Közben csináltam egy elektronikát de valahogy nem stimmel a dolog. Kihagytam a C2 es kondit, de bedugva a hálózatba és a lemezjátszó eredeti lámpáját is működtetve tökre nem stimmel a frekije. villogni villog tehát jó a kapcsolás de mégse. A taya rajzán trafóra van kötve a glimm és egy 8K ellenállás van előtte. Ha lesz időm szétszedem és megnézem hány V van a glimm lámpánál. és akkor már nem is bizto, hogy ez az elektronika kell hozzá.
Hello!
- Mi az, hogy "tökre nem stimmel a frekije"? A hálózat 50Hz, abból nem tud mást csinálni. De írtam, hogy a Glimm másodpercenként 100-szor villan. Nem olvastad el? Jelenleg Te egyutas jelet használsz, tehát 50Hz-el villog. Kétutas egyenirányítás kell, akkor majd 50Hz-el fog villogni. - A Glimm begyújtásához 60..100V körüli feszültség kell, legkézenfekvőbb, ha a 230V-ról gyújtják egy előtét ellenálláson keresztül. Nem hinném hogy ezért a trafóra külön tekercset raknának.. üdv!
Hello
Olvastam de nekem az elektronikai tudosom elég korlátolt meg tudom forrasztani a dolgokat de hogy ki találjam mi nem stimmel az már nem megy. Esetleg ha segitenél egy müködö ledes strobi kapcs rajzának megrajzolásával azért hálás lennék. Nem tudom hogy kéne nekiállni a 2 utas egyenirányitásnak ![]() Elóre küszünüm a segitséget márha segitesz. Üdv
" ... akkor majd 50Hz-el fog villogni... "
Ez biztos?
Hello! Bocs, 100-at akartam írni.. Köszi!
Remélem így már jó lesz, még három dióda kell.
Sziasztok.
Van egy Iskra típusú lemezjátszóm. 20év után elővetem, kitakarítottam, azonban nem akar működni. A lemezt forgassa azonban a hangszóróból nem jön hang, csak amit a tű kiad. Az erősítő működik a lejátszóban biztosan. Mi lehet a gondja?
Üdv!
A piezo lapok a hangszedőben szétporladtak. Ha kiszeded a karból a hangszedőt, akkor látszik a hiba. Ilyen régi készülékbe csak nehézkesen lehet egy másik hangszedőt beszerelni, vagy éppen a piezo lapokat átműteni egy másik hangszedőből, de nem lehetetlen. Üdv!
Nah köszönöm meglett építve de 106 volt van a trafó kimeneten úgyhogy kapott még egy 470m es kondit.
Tökéletesen működik.Szép kék ledet kapott. Köszönöm mégegyszer a segítséget.
Hello!
Oké, de gondolom a trafón van kisebb feszültség is, arra is rá lehetett volna kötni a kondi helyet használt ellenállással is. Nem kellene "küzdeni" a 106 V-al. üdv!
este csináltam fél 1 körül nem nagyon volt lelki erőm keresgélni kisebb feszt.
De mivel tervezek egy tő megvilágító lámpát is úgyis szét kell megint szednem tehet lessz időm még méricskélni. Meg csak próba volt hogy beválik e. Új ötlet az uv festék uv leddel
Sziasztok!
Van valakinek ilyen feje, ill. belevaló tűje? Ez egy TERTA 529 MG zeneszekrény EAG lemezjátszójának az alkatrésze. Kellene még görgő készlet is. Egyébként teljesen szétszedtem és kitakarítottam a lemezjátszót, és most tökéletesen működik. Lásd az utolsó képeket....
Üdv!
Sajnos nehezen beszerezhetőek ezek az alkatrészek, ha a hangszedőben a piezo lapok szétporladtak, akkor egy újabb piezo hangszedőből érdemes óvatosan kibontani, és átépíteni (én így hoztam rendbe tesla vk 4302 hangszedőket), ha a tű beszerezhetetlen, akkor ott is hasonló a helyzet, de leginkább ez az, ami hasonlít az eredeti tűre Bővebben: Link Ha nem annyira fontos, hogy az eredeti hangszedő legyen bene, akkor egy újabbat is bele lehet építeni, és egy kis mechanikai munkával kialakítható az új hagszedőhöz megfelelő felfogatás. A görgőket leginkább itt érdemes megnézni Bővebben: Link , de ha nem sikerülne beszerezni, akkor az eredeti görgőkből érdemes leesztergálni, ha nincs annyira kirepedezve, és még kisebb átmérővel is "hozzáér" a tányérhoz. Üdv! A hozzászólás módosítva: Márc 17, 2013
Sziasztok!
Olyan problémám akadt, hogy egy olcsón megszerzett Omnitronic BD-1030-as lemezjátszó karja nem akarja normálisan magába szippantani a hangszedőt. Belekap a menetbe, elkezdi behúzni, és megszorul. Viszont ha hozzáérek serceg/pattog/lötyög/nem hozza ki a teljes basszust, tehát nem érintkezik jól. Megnéztem, nem találtam semmi rendellenest a kar végén, mélysége ugyan akkora mint a másik lejátszómé. Elméletileg tökéletesen kellene működnie. Tudtok erre mondani nekem valamit? Másik shellel is próbáltam, ugyan ezt csinálta. Köszönöm előre is!
Sziasztok!
Van egy Akai AP Q-310-es lemezjátszóm. Az a probléma, (de lehet, hogy normális) hogy egy kicsit nyávog, főleg a lemez vége felé. (Lehet, hogy csak túl jó a fülem, mert más a családban nem hallja.) Arra gondoltam, hogy a kvarc frekvenciája nem elég pontos, bár ez szerintem lehetetlen. A tűnyomás, és az antiskating is rendesen be van állítva. Mi okozhatja a nyávogást? (persze sokkal kisebb mértékű, mint a szíjhajtásos típusoknál. ) Minden esetre nem akarok hozzá nyúlni, max elkókat cserélni. Még sohase hallottam olyat, hogy direkt meghajtású készülék nyávogna. Eddig más kvarcos készüléket nem hallottam, bár a rádióadások egyáltalán nem nyávognak, ezért gondolok valamilyen apró hibára. Az is igaz, hogy a rádióadó nem lemezről megy, hanem valamilyen digitális jelhordozóról. A hozzászólás módosítva: Máj 1, 2013
Hello! Már pedig szerintem a direkt hajtások nyávognak. A fáziszárt hurok (PLL) szabályzó miatt, ami állandóan korrigálja a sebességet. Maximum a hurokerősítést lehetne csökkenteni, ha egyáltalán mód van rá. üdv!
Az lehet, hogy valami elromlott a hurokban. Egyébként, sokat használtam PLL-t, az ic típusától is függ a dolog, de a fázishiba -1 és +1 us között szokott lenni 800 Hz-en. Kicsit mászkál a két érték között. Ez az S/H típusú fázisdiszkriminátorral van. Az integrátoros ennél sokkal rosszabb. ( Vagy nem tudtam jobbra megcsinálni? )
Hello! Én minden esetre a PL6-nál hallottam. (Mérőlemezzel meg pláne.) Minden esetre talán ez még jobban viselhető, mint egy "gyorsan romló" szíjhajtás. Egy PLL-nél az ember nem tudja melyik ujját harapja meg. Ha növeled a tányér tömegét, akkor a tehetetlenség nagy ezért húzogatja a szabályzó, ha kicsi, akkor meg todja "rángatni". Szóval szerintem egy adott tömeget egyenletes állandó sebességgel mozgatni vagy nagy szabályozási hibával lehet, vagy "nyávogva". Cseppet sem érzem könnyűnek egy ilyen szabályzókör behangolását. A fűl meg az egyik legprecízebb műszer. Két hang között 6% frekvencia eltérés van. Ha felet nyávogna, kiugranál az ablakon.
De talán ha eddig nem volt hallható, akkor nyilván hiba van. Pld. a hurokszűrő kondijait érdemes volna megnézni. üdv!
Üdv!
A készüléknek gyárilag nem lenne szabad ennyire nyávognia. Első körben szerintem cseréld ki a C2,C5-ös, és C11-es kondenzátort (ezek közvetlenül beleszólnak a vezérlés stabilitásába), utána a service manual 14. oldalán leírtak alapján állítsad be a készüléket (csak akkor kezdj hozzá, ha van minimum egy multimétered,szkópod, mérőlemezed, jelgenerátorod,de ha van sebességingadozás mérőd az mégjobb). A sebességingadozás beállításnál kell egy etalon 3kHz-es jelgenerátor (nagy stabilitású-ha nincs sebességingadozás mérőd), ezt kapcsolod a szkóp x bemenetére, a lemezjátszó jelét az y bemenetre Lissajous mérésnél, és addig kell játszani a beállító szervekkel, amíg nem áll meg az ábra. Úgy tűnik nekem, hogy a motornak nincs elég nyomatéka (de nem elképzelhetetlen, hogy a csapágy a bűnös) és ezért "rángat" a vezérlés. Ha a sebességingadozás periodikus, akkor a VR1-el kell kiegyenlíteni a két tekercsnek a nyomatékát. A biztonság kedvéért a potik gyári állását jelöld be. Ajánlott még a tápelkok cseréje is, nem kizárt, hogy ez is közrejátszik a rendszer instabilitásában (az elkokat a beállítások előtt cserélt, nem kizárt, hogy ez megoldja a problémát). Az SM-et innen tudod letölteniBővebben: Link Üdv!
Először kidobálom az elkókat, aztán meglátom, hogy megoldódik-e.
Van egy szkópom, viszonylag nem is régi, 1991-es orosz készülék. Minden esetre azt is kalibrálni kellene. Mérőlemezem sajnos nincs. Ritka dolog, vagy könnyen beszerezhető? Számít a kora és az, hogy milyen gyártmány? A lemezjátszót pár éve vettem használtan. 1983-as. 3kHz-es jelgenerátornak megfelel egy digitális kijelzős EMG hanggenerátor? (Olyan van az iskolában, csak azt nem tudom, hogy mennyire pontos, elég régi lehet, mert csöves a kijelzője.) A hozzászólás módosítva: Máj 2, 2013
Üdv!
A mérőlemez,és főleg a jó állapotu mérőlemez ritka, mint a fehér holló. Akkor máshonnan megközelítve a dolgot: A kondicserék után kellene kiegyeníteni a két tekercs nyomatékát (ha a kondicsere nem segített volna), és egy stroboszkóp tárcsával ellenőrizni a sebességet. Az lenne a legjobb, ha ismernénk a tekercs adatokat, mert akkor feszültség mérésre visszavezethető lenne a nyomaték beállítása. Üdv!
Ha a kondicsere nem segít, (bár remélem fog) akkor mégis jobb, ha szerzek egy mérőlemezt. Állítólag Budapesten van olyan bolt, ahol lehet kapni Hungaroton mérőlemezt. Szkópom is van. A 3kHz-es jelet előállíthatom számítógéppel hanggenerátor szoftverrel, vagy jobb erre a célra az analóg hanggenerátor?
A hozzászólás módosítva: Máj 4, 2013
Üdv!
A PC-s jelgenerátor is megfelelő, ha kellően stabil az előállított jel frekvenciája. Üdv!
Sziasztok!
Új vagyok itt, nem volt eddig otthon hifim, kaptam nemrég egy erősítőt meg van egy régi tesla nc440-es lemezjátszóm. A problémám az, hogy az erősítő phono bemenete erősen zúg már akkor is ha csak az üres rca kábelt rádugom és a másik vége be sincs dugva a lemezjátszóba. Ha a lemezjátszóba is bedugom egy kicsit halkul a zúgás de még mindig jóval erősebb mint a hasznos jel. Szereztem kölcsönbe egy másik erősítőt az is ugyanígy zúg phono bemeneten. Mivel lehet a baj? Földeléssel? Egy elosztóról megy tv, műhold beltéri számítógép és ez a hifi is.
Szia!
Idézet: „„erősen zúg már akkor is ha csak az üres rca kábelt rádugom és a másik vége be sincs dugva a lemezjátszóba.”” Ezt természetes, kábel mint antenna összeszedi a zavarokat, mivel nincs lezárva, szabadon van a vége. Lemezjátszó csatlakoztatásával jónak kellene lennie. NC440 DIN csatival volt szerelve, ha RCA kábellel kötöd össze, akkor a lemezjátszó fém vázát össze kell kötni az erősítő PHONO bemenete közelében lévő GND ponttal (erősítő doboza). Lemezjátszó elhelyezése is okozhat problémát. Ne legyen alatta, közelében nagyobb teljesítményű trafót tartalmazó készülék.
Köszi a választ, holnap kipróbálom. A lemezjátszón nem láttam külön föld csavart, akkor gondolom valamelyik alapcsavarját kell felhasználnom az összekötésre.
Amúgy igen din csatis, egy bolti din-rca kábelt kellett vadászni hozzá. Remélem annak jó a bekötése.
Sajnos DIN csatlakozóval szerelt lemezjátszókon nem szokták különválasztani a jelföldet a készülék házától, ami szerintem hiba. Tengeren túli készülékeken RCA csati mellett vezetik a ház GND-t. Fém házon található csavar alkalmas lehet.
Kedves hozzáértők!
Kis segítségre lenne szükségem. 1. Van egy AKAI AP-D 210-es lemezjátszóm. nagyon szépen szól. Mikor megvettem, volt egy kis hibája, a fordulatokat kellett beállítani, mert a 45 nem 45 volt, stb. Azt hittem ezzel letudtam. De igen ritkán előfordul, hogy lejátszás közben 1-2 másodpercre nyávog. Elmegy a fordulat. Még a LED is kialszik ilyenkor egy pillanatra, ami a helyes fordulaton világít. Van, hogy hónapokig nem csinálja, van, hogy egy lemezen kétszer is. Ez javítható? 2. Időközben szert tettem egy hasonló lejátszóra egy AKAI AP-Q 310-esre. Ez teljesen automata, szervo motoros. Gondolom ennek a fordulatával nem lehet gond. De! Ennek a hangja nem olyan. Nem olyan mély a mély, nem olyan telt a hangzás és olyan "rizsás" a hangja. Gondoltam egy merészet és kivettem a régiből a hangszedőt és betettem ebbe. Az eredmény: kicsit mélyebb lett a mély, de nem olyan, mint a másiknak volt, a teltség ( pontosabban nem teltség) nem változott és a hangja is "rizsás" maradt. Majdnem ugyanolyan rosszul szól mind két tűvel. pedig a másik gyönyörűen szólt a most átcserélt tűvel. Mi lehet a gond? Nézzétek el, ha hülyeség a kérdésem, nem vagyok szaki. Köszönöm. |
Bejelentkezés
Hirdetés |












