Fórum témák
» Több friss téma |
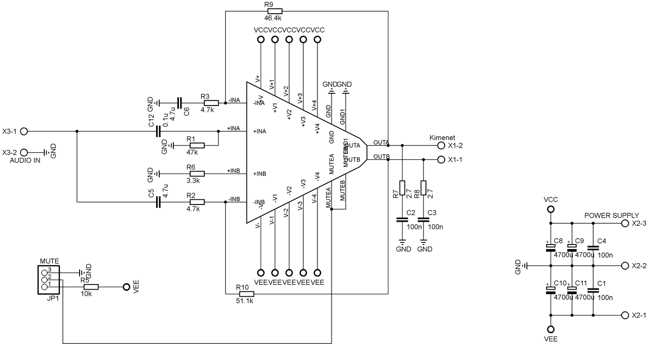
Észrevettem én, is az eltérést (most hogy linkeltem), őszintén szólva nem tudom, mert épp melózok, a nyák meg otthon van, lehet ott kavarodtam el, mert az eredeti nyákon smd ellenállás van.
Ebből is látszik, hogy több szem többet lát. Lehet simán csak ezt néztem el, illetve akkor a 470k helyett is 47k kell.
A kép alapján jónak látom, azért nem árt rámérni. Az R3/R4 adja az erősítés mértékét.
Áram alatt meg kéne nézni a mute [8] láb feszültségét is.
Átnézem, köszönöm!
Egyébként az LM4780 120wattos változatával is ez a probléma, szól, szól, de csak 5-10watt ami kijön belőle.
Ennek kapcsán felmerül a kérdés, a jelforrásod elég nagy jelet tud kiadni? Mindkét erősítő teljesítménye abban fullad ki, hogy már torzít a végerősítő?
Sony asztali cd lejàtszó, vagy pioneer cdj100, reloop rmx 40dsp-a jelforrásom, szerintem ezek elég nagy jelet adnak ki.
Nem torzit amikor maxon van, egyszerűen nem szól elég hangosan. A hozzászólás módosítva: Máj 27, 2013
A jelforrással nem lehet gond, esetleg rossz kábel okozhat egyetemleges hibát a két erősítőnél.
Hát én már nem tudom mi lehet a gond, többnyire ugyanazokat a kábeleket használom, van egy nagy bútorlap amire fel van csavarozva pár alkotóelem, +/- 35 voltos táp, 4x4700µF puffer, bemenetnek rca ajzat, rajta a hangerő poti, hűtőborda, csokicsatlakozó a tesztelendő erősítő ki és bemeneteihez. Az LM1875 és 3875 szépen működik erről az összeállításról, (1875-nél azért a tápot lentebb vettem) Érdekes egyikben sincs mute funkció, ezért gyanakodok arra, viszont a 4780, és 3886-ban van.
Átnézem az eddig feltárt hibákat, hátha valamelyik megoldja a gondjaimat. Köszönöm az eddigi támogatást! A hozzászólás módosítva: Máj 27, 2013
Üdv!
Elkészítettem azt a verziót amit linkeltél, holnap körbecsiszolom a paneleket, aztán jöhet a próba, bár már szólt mind a kettő, de csak rövid ideig. Remélem nem lesz vele gondom.
Nekem hiba nélkül szól ez a verzió, de én fólia kondit használtam C6-nál. A kapcsolási rajzon az szerepel. Nem tudom, hogy az elkó menyi befolyásolással lesz rá.
Sajnos olyat már nem kaptam, 4,7µF lett volna csak, nem tudom ez mennyit befolyásolna rajta.
Amugy bipoláris az is amit beletettem. Neked mennyire melegszik? Én azt vettem észre a rövid próba alatt, hogy jobban fűt mint a 3875-öm.
Hát melegedni nekem elhanyagolhatóan. Egy kis borda van rajta, közepes ventivel, szinte hideg a borda.
A 3875el nincs tapasztalatom, ezek az ic-k csak javításból maradtak meg, azt gondoltam ne hánykolódjon itt, készítettem hozzá nyákot meg tápot. Hány voltról megy?
+/- 35voltól hajtom őket, majd kiderül ha összerakom normális bordára kiderül minden, nekem kicsit soknak tűnt a melegedése, kb 6x8x3cm-es procihűtő bordán volt, venti nélkül, bőven állta még a kezem, de a tok meleg volt. Mp3 lejátszó volt a jel, és 4ohmos hang(fal)sugárzó volt rajta. 2-3 percig ment.
Ilyen kondira gondoltál? A hozzászólás módosítva: Máj 29, 2013
Igen ilyesmire, csak nem 400Vos. Nekem 63Vos van benne.
Hangerőpotinak milyen értékűt használsz?
Valami régi erősítőből kiszedett sztereo potit. Vagy 2x 100k vagy 2x200k.
Sziasztok ! Néhány éve én is készítettem végfokot az LM3875-el (kétfélét) és az a tapasztalatom, hogy mindennél jobban szól, amit valaha is hallottam. Mindenkinek ajánlom a kapcsolást. Az LM3886 koránsem szól úgy, inkább házimozi vagy más alkalmazásban használtam, persze vannak ennél sokkal gyengébb erőrősítők is.
Kettető kép az érdekesség kedvéért az utolsó változatról.:
Üdv!
Nagyon érdekes szerkezet, többet is megtudhatunk róla?
Üdv!
A kapcsolásban semmi extra nincs. Az IC csekély kimenő áramát 3-3db 10A es sanken tranzisztor növeli meg ,"veszi át", azaz x áram felett bekapcsol. Lásd TDA2030, csak itt korretűl müködik... Amiben még eltér, hogy az ic invertáló üzemben müködik, mivel így van igazán jó hangja. 8db dióda csatornánként és 2200µF szűrés, no meg a 0,5 W -os szénréteg ellenállások (válogatva) és ennyi.
Az enyém is készülget, csak megint át kell alakítanom a kasznit, (szélesíteni) mert a traffencsek nem fértek el benne, az újak meg nagyobbak lesznek.
Mekkora így a teljesítmény? Esetleg a rajz publikus?
Ígéretes lesz
nekem is hozzá kellene már fognom asztaloskodni egy kicsit, volna már pár dolog amit be kellene dobozolni, csak hát anyag és idő hiányában nem haladok velül.
A teljesítmény felőli megközelítés érdekes dolog, de ezeknél az ic-s kapcsolásoknál nem ezért használják a párhuzamos kapcsolást, legalábbis a hifi guruk. Az csak másodrendű dolog, valójában a nagy kimeneti áram hehetősége a cél, ami 1-2 watt-nál is hallható könbséget hoz a hangzásban. A kimeneti áram megoszlása a több félvezetőn többszörösen is nyerő dolog, pl. kisebb a termikus torzítás, stb.
Nekem egyébként 320VA -es trafóról megy és még nem tudtam kihajtani (nincs hol ) a 90dB érzékenységű dobozaimat, e szobában bőven elég... Az eredeti doksik (rajz és nyákterv) 2002 és 2005-ben készültek még dos alatt Tango-ban, már nincsek meg. Időm ha engedi lerajzolom egy másik programban és közzé teszem, legalábbis a vázát. Megtaláltam az első változatot is közben , abban 1-1db bd911-912 volt és kemény 1000µF szűrés, annak is győnyörű hangja van .
Értem, legalábbis próbálom megérteni. Érdekelnek az ilyen nem hétköznapi kapcsolások, és szívesen is építgetem őket. Ezt is kipróbálnám, eddig csak tda ból csináltam tranzisztorral kiegészítettet, de annak nem voltam elégedett a hangjával.
Szóval vissza rajzoltam a kapcsolást a régebbi változatról értékekkel , mindennel együtt és szívesen megosztom bárkivel, csak dobjon egy pü-t.
Ez az erősítő persze nem csak egy kapcsolásról szól -sokan lehet nem is tudják- hanem a megoldások együttessége eredményezi a kiváló hangzást (nyákterv! alkatrészek,stb ). A nyákot nem áll módomban megosztani (idő hiányában) , de egyébkén még van belőle 1-1 mono darab. Lénye viszont ami a képekből is kiderül, a tápot nem szabad elkülöníteni a végfokpanelről mivel így nem lehet optimálisan behuzalozni a kapcsolást! Kompromisszumok nélkül még néha a kettő réteg is kevés. Csak érdekesség képen említem meg, a TDA-k között is van egy ic (1541A) ami kiemelkedően jól képes megszólalni, a teljesítménye viszont elég csekély.
Nekem 4x4700µF van.
A hozzászólás módosítva: Jún 30, 2013
Melyik verziót építetted meg? Belinkelnéd a rajzot vagy a tervet?
Amit neked is linkeltem annó
Ja
azóta szereztem bele remix kondit, szép hangja van szerintem, ráadásul nekem csak kétszer egyutas egyenirányításom van, sima 1x24 voltos trafóról, viszont nekem igényli a hűtést rendesen, jobban melegszik a 3875-öm. Viszont teljesen zajtalan.
Na majd lefotózom milyen borda van rajta, aktív hűtéssel nálam hideg marad. Lényegébe csak a levegőt mozgatja a bordán a venti. Csak én is 4700as kondit tettem rá, de szkóppal nézve azé rángatja a tápot, és erősebb mélynél, mintha elfogyna az ereje. Holnap kicsit tuningolok, és teszek rá erősebb kondit.
Igaz nekem rendes 2x24es trafóm van. |
Bejelentkezés
Hirdetés |












nekem is hozzá kellene már fognom asztaloskodni egy kicsit, volna már pár dolog amit be kellene dobozolni, csak hát anyag és idő hiányában nem haladok velül.





