Fórum témák
» Több friss téma |
Szerbusz deguss!
látom te legalább tudod mi az a PWM, /ezzel a többiek sem kevesebbek, csak nem elég jól informáltak.../namármost feladom a leckét!: adott egy 12000/12Kw/-os /jól olvastátok!/ 60v-os egyenáramú motor./targonca/ tehát csúcsteljesítménynél az áramfelvétele elvileg 200A. namármost ki tud nekem tirisztoros,semmiképpen sem FET-es sebességszabályzó kapcsrajzot, akár gyárit is? Azért nem FET-eset mert azok a 200A-es áram megszaggatásánál fellépő feszültségimpulzusokra indián füstjelekkel válaszolnának...Egyébként PWM-es sebességszabályzó/valójában feszültségszabályzó/ kapcsrajzom van jónéhány, ha kell szóljatok...csomen@freemail.hu
szabi83, ha úgyis belekakkantasz a garanciába, akkor első lenne megállapítanod, hogy milyen motor van benne, síma egyenáramú, vagy valamien léptetőmotor, vagy impulzusvezérelt állandómágneses forgórészű motor...ezeket általában külső kinézetből, esetleg a rá csatlakoztatott vezetékek számából tudod megállapítani, de ha lefényképeznéd talán tudnék segíteni. Az első lépés úgyis az lesz, hogy ki kell próbálnod a motor fordulatszámát direktbe kötve az akksikról, feltéve, hogy nem léptetőmotor, mert akkor nem hagyhatod ki a K. vezérlést, max megmókolhatod, ha lehet...esetleg a motor paramétereit ismerve feszültségnövelés hajthatsz végre/+1akksi/de csak ha bírja a motor. volt a kezem ügyében egy ilyen robogó alakú vellanybicaj, 36v-os volt/feltöltve40/ annak a vezérlése volt sz..r és az PWM -s sebességszabályzású volt mezei 200w-os egyenáramú motorral. azt kipróbáltuk egyből akksiról csurig töltve... ment volna egy 60kg-os utassal vagy 50km/h-t.de az is garis volt...úgyhogy amíg le nem jár addig max
30km/h.
aham min 1 hónap mire meg lesz sajna, lehet hogy tudok szerezni hozzá leírást addig még nem lesz + lehet h abba is van vmi infó.
pwm -s kapcsolásokat vagy ide felrakod, vagy e-mail címmemre lécci küld el! köszi
Szia!
Ha már megosztasz kapcsolást, had kérjelek meg, ide rakd fel, hogy mindenki számára elérhető legyen. A 200A teljesen reális 12kW-nál, de kár számokkal dobálózni, amíg nem tudunk biztosat a motor teljesítményéről. Lehet hogy csak pár száz Wattos. De jó, hogy más is törődik vele, szerintem egy jó kis téma... Üdv. deguss
Nyitottam is erről egy fórumot, amúgy a moci tényleg akkora, mert csak a villaemelő motorja 75v/6,8kw-os. /átmérő:25cm, hossz40cm, csaknem pár száz...hihihi
nem teljes a kép
egy-két kép a mopedről itt , bár ez csak hassonló amilyen nekem lesz(a magyar gyártmány az jobb, formássabb, 5letesebb...., a hátránya h csak bordóba van ![]() )
Bordó színen némi festékréteg-felhordása könnyedén segít!
A képek alapján úgy vélem, ez "messze nem targonca-motor", de azért jó lehet! (Még mindig tartom magam az előzőkhöz, hogy nyomaték-váltós megoldás nem lenne utolsó!) Idézet: „messze nem targonca-motor” ki mondta, hogy az lenne... Idézet: „nyomaték-váltós megoldás” annyira nem akkarok bele piszkálni, mivel a motorban van mágneses fék is, más fék nincs benne, se rajta..
itt a magyar el-go moped elődje első kerék hajtású, ez cseresznyétlen tipus volt, a hátsó kerekes a kuul!
Keresek egy kapcsoló üzemű fordulatszám szabályzóról kapcsolási rajtot. 12V-os egyenáramú motorhoz, ami kb 20A-es.
Köszönöm!
Akkor ez nullától tud szabályozni a max fordulatig?
Hy all!
Ez az elgo-mopedes dolog engem is érdekelne.Én azt hallotam h. vmit tudnak rajta csinálni h gyorsab legyen méghozzá sztem vmi mikrovezérlővel van megoldva a sebességszabályzás mivel én azt hallotam h a szervizes ürge laptopról csinált vmit vele h gyorsabban menjen.(ne fikázzatok nagyon ha mégsem igy van csak ezt hallottam...)
Szia!
Hát igen azóta eltel egy kis idő és már többet értek hozzá axem ![]() Majd neki esek addig is kép a vezérlésről. az első kettő kép a "kormányon van" a harmadik a mocihoz közel, de ebben van a tőltő elektronika is(a képen jobb felső 'sarokban' gumi van rajta) amugy egy 'alu' tömb van a gumi alatt, csavarok stb..
Syasztok
Jó Étvágyat mindenkinek a Reggelijéhez ![]() Nekem egy 1,5-26V DC szabályozható max 3A-es labortápom van kipróbálva! Csak próbanyákon raktam őssze,és müködött! Egy potival tudtam szabályozni a kettö közötti értéket,igy a szabályozható fesszel,a motor fordulatszám szabályzása is meglenne oldva Szerintem... UI:a bementi-kimeneti fesz polaritása el lett "hagyva"de a kondik bekötésénél kiderül az is!
Ez egy akkumulátoros rendszerben rengeteg teljesítményt disszipál el, ami nagyon fog hiányozni az akkumulátorból .....
Gondolkozz kapcsolóüzemű PWM szabályozásban.
Üdv!
Megkértek engem, hogy keressek egy fordulatszám szabályzót, de elég nehézkes az ügy, ugyanis egy nagy motorhoz kellene! A motorról annyit, hogy: 230V és azt mondták hogy több kW -os (amit mondtak: 50kW -os). Egyáltalán lehetséges ez?
de ezt hogyan lehetne egyáltalán? vagy milyen eszközökkel?
Milyen motor? Kommutátoros, aszinkron, stb... ?
Természetesen lehetséges.
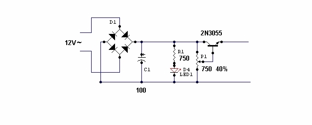
sziasztok! Megépítettem a következő fordulatszám szabályzót. Csak másik tranzisztorral (bd245c) de a poti elfüstölt
Hány wattos poti kéne vagy abszolút nem jó a rajz? A motor egy 12v 8A tápegységről van hajtva.És graetz híd sincs mert egyenirányított áram megy bele.
Sziasztok "pákászok"
Elektromos hajómotor-vezérlést szeretnék alkotni tavaszig - mégpedig egy igen energiatakarékos fajtát - mert a hajón ez komoly tétel ám. Néhány paraméter: Motor: 12V -os, kefés, permanens-mágnesű. Teljesítmény: max. 200W (cca. 16A) Szabályzás-igény: 15...100% - fokozatmentes [i]Ha van valami "[i]konyhakész" ötletetek - azt nagyon szívesen venném.[/i][/i] Gyárilag - (bizonyos hajómotoroknál) létezik ugyan ilyesmi - de csak az adott motorral egybeépített verzióban láttam - külön vásárolható dobozban: nem. Csak halkan jegyzem meg, hogy az ilyesmivel ellátott hajómotorok ára lazán a duplája a fokozatkapcsolós-verziónak - magyarul: aranyárban mérik hozzá az elektronikus fordulatszabályzót. :eek2: Ez annál is furcsább, mert egy csomó kivezetést és erősáramú kapcsolótechnikát megspórolnak vele.
Hello, egy 555-tel felépített változtatható kitöltési tényezőjű oszcillátorral meghajtott FET-ben látom a megoldást. Hát ez nem konyhakész, de tudnál ilyet csinálni?
Szevasz Medve Koma ! Veled mást akartam megtárgyalni - csak nem tudom hová illik a téma - mert azért nem nyitnék topikot minden szirre-szóra. Najó, arról később. Az 555-ös nekem is a szívem csücske - rengeteg holmit építettem belőle...és azzal büszkélkedhetek, hogy a szomszédos és baráti országban én voltam az első felhasználója. A forgalombahozás reggelén mentem ugyanis a gyárba (más alkatrészekért persze) - és az értékesítő azt mondta, hogy vigyek ebből is (555-ből) - mert ugyan fingja sincs, hogy mire jó, de az éjjel jött le a szalagról az első darab...biztos jó lesz valamire Én meg vittem (mert az egyetem - ahol dolgoztam - az fizette) - de csak ámultam később, hogy milyen ügyes kis tok ez. Teljesítmény FET-el viszont soha nem dolgoztam. Nem is ismerem a bevált típusokat...ilyen 20-30 amperes tartományban meg pláne nem. Mennyit diszipál ez ennél az áramnál (16 A, induktív, 0-100% os kitöltési tartományban), mennyire macerás és érzékeny, stb. ? Ha erről a FET-es részről írnál pár szót...hálás lennék - de gondolom van itt még kollega, aki szívesen olvasná. .
Te ilyen híres ember vagy?
A FETokról más, teljesítményelektronikában jártasabb emberek bővebbet tudnának mondani, de a gogle sem szűkszavú ebben a témában. Válassz egy alacsony ellenállású típust (Rds on) Ma már ez pár mOhm csupán. Ha a meghajtó négyszögjel elég meredek, alig fog melegedni
Najó - utánanézek ennek a FET-témának...bár valami konkrét kapcsolásból kellene egy kis "reverse engineering"-et csinálni
![]() (úri helyeken, így hívják szalonképesen az ötlet-lopást). Hát a négyszög él-szögét ugye az 555-ös fogja meghatározni...majd kiválogatunk egy "fürgébb" darabot. Bár itt is elgondolkodtató, hogy milyen frekvencián rezegjen a dolog...hogy ne is rángasson...de ne is melegedjen a "vas" odabenn, a motorban. Vagy te egy kemény integrálás utáni - valójában DC meghajtásra gondoltál? Nem lesznek akkor nyomaték-gondok...vagy moci-hatásfok csökkennések - az "alacsonyított" tápfesz miatt? Kis mociknál ezek nem kérdések...de már többszáz W-nál... Pláne, hogy a méret-problémák miatt, ezek képesek akár egy 4-500 W-ot is bepréselni egy akkora motorba - mint egy cső kukorica. Az enyém se nagyobb méretre - víz nélkül nem is menne 3 percet se. Képzeld, még a hideg (11°C -os) Balaton-vízben üzemelve - és onnan kiemelve - jó kézlangyos még úgy is. . |
Bejelentkezés
Hirdetés |




30km/h.


)









