Fórum témák

» Több friss téma
Fórum » Csöves erősítő készítése
 
Témaindító: seedz, idő: Márc 31, 2006
Témakörök:
Ne feledd betartani a fórum viselkedési szabályait, és a topik megmaradásának feltételeit. [link]
A téma átmenetileg fagyasztva lett, hozzászólni nem tudsz!
Lapozás: OK   1537 / 2208
(#) mofesa válasza djhans hozzászólására (») Jún 5, 2013
Szép darab, kívül és belül is!
(#) mc-4 hozzászólása Jún 6, 2013
Sziasztok!

Az elektroncső.hu-n honnan lehet megtudni a megnyitni kívánt pdf dokumentum kódját?
Köszi!
(#) sfx232 válasza mc-4 hozzászólására (») Jún 6, 2013
elektroncso.hu
(#) mc-4 válasza sfx232 hozzászólására (») Jún 6, 2013
Ez a kód?
(#) sfx232 válasza mc-4 hozzászólására (») Jún 6, 2013
Igen.
A hozzászólás módosítva: Jún 6, 2013
(#) mc-4 válasza sfx232 hozzászólására (») Jún 6, 2013
Köszönöm szépen!
(#) sfx232 válasza mc-4 hozzászólására (») Jún 6, 2013
Szívesen
A hozzászólás módosítva: Jún 6, 2013
(#) mofesa válasza (Felhasználó 13571) hozzászólására (») Jún 6, 2013
Érdekes kialakítás, nekem tetszik, egyedi. A "ketreclakóról" nem készült kép?
(#) djhans válasza (Felhasználó 13571) hozzászólására (») Jún 7, 2013
Csak nem Orion tv kapcsi táp doboz?
(#) lorant hozzászólása Jún 9, 2013
Sziasztok!
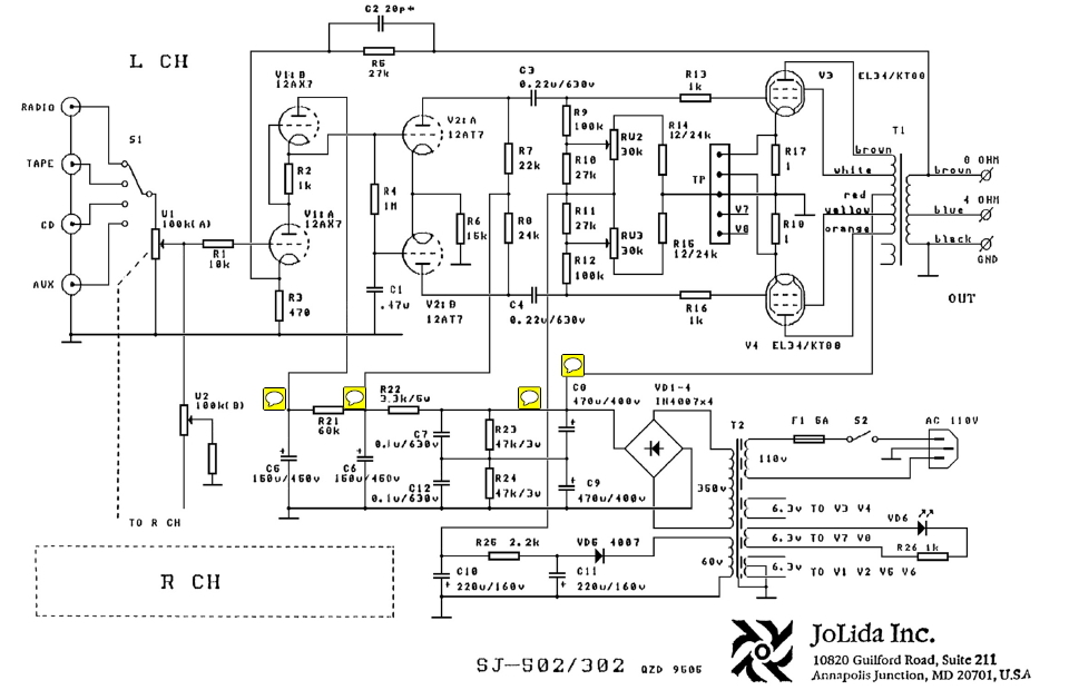
Remélem emlékeztek rám. Pár hónapja nekifogtam megépiteni egy Jolida 302B erősitőt KT88 al. Mostanra sikerült elkészítenem az egyik felét. Szépen szól tényleg, nem számitottam rá, hogy elsőre sikerül. Viszont van egy problémám nem tudom, hogy a BIAS t menyire állitsam be. Találtam egy web odlalat: Bővebben: Link .Ez szerint, hogy ha mindent végig csinálok akkor nem a legjobb.. Mivel a kimenő trafó primér felének ellenállása nem pont egyforma (89,7 illetve 109,8 ohm) ezért különböző feszültség jön ki. Próbáltam egyformára állitani 2,V, 2,5V, 3V, 3,5V, 4V ot próbáltam szépen szól mindig csak az a baj hogy egy 15W os tesla hangszóróval próbálom és hát szerintem nem ad le 50W ot. A válaszokat előre is köszönöm
(#) pucuka válasza lorant hozzászólására (») Jún 9, 2013
Egy erősítő méréseit, kimeneti teljesítményét megfelelő teljesítményű műterhelésen szokás mérni, mert különben megőrülnek a családtagok, meg a szomszédok. Ha a 15 W -os tesla hangszóróra ráküldöd az 50 W -ot, abból rezsó lesz, és csak le fog égni a hangszóród. Az erősítő kimenetére tedd rá a műterhelést, és arra a hangszórót egy soros 10 - 15 ohmos ellenállással.
A kimenő trafó egyenáramú ellenállása nem sokat számít, a hangfrekvenciás impedanciája (ellenállása) meg csak a menetszámtól függ, ezt egyébként sem lehet egyszerű módon megmérni.
Teljesen felesleges tizedesre méregetni, a csövek szórása ennél sokkal nagyobb, és a a 250 -300 V -os anódfesz mellet a 2 - 3 V mindössze 1 % hibát jelent, aminél az alkatrészek szórása is nagyobb.
(#) lorant válasza pucuka hozzászólására (») Jún 9, 2013
Hát igen elkéne neki égetni. De nem, alig leng ki tőle a membrán.
A hozzászólás módosítva: Jún 9, 2013
(#) mayky válasza lorant hozzászólására (») Jún 9, 2013
Milyen kimenőtrafód van? Milyen illesztéssel? Mutass egy pár fotót, hogy hol tartasz.
A hozzászólás módosítva: Jún 9, 2013
(#) lorant válasza mayky hozzászólására (») Jún 9, 2013
Sajnos képet készíteni nem tudok jelenleg. A kimenőt Pávó Ferenc készítette. Raa = 3.400 Ohm, Zh = 4 / 8 Ohm, UL megcsapolás 43% primer tekercsen, magméret : EI 120 x 100 x 41 mm. A csövek JJ KT88.

Össze van teljesen rakva az egyik fele. Élesztés is megtörtént szól nincs brumm semmi.., szépen is szól csak az a probléma, hogy egy Tesla ARN 5604 el próbálgatom és hát maximum hangerőn is alig leng ki a hangszóró és hát 15W, az erősítőnek viszont 50W ot kéne leadnia. Szóval valami nem stimmel minden alkatrészt átnéztem, Bias feszültség 74mV, Anódfeszültség 460V segédrács feszültsége 480 V, a vezérlőrács feszültsége -51V , minden a földhöz képest mérve.
A hozzászólás módosítva: Jún 9, 2013
(#) Orbán József válasza lorant hozzászólására (») Jún 9, 2013
Mesélj erről a hangszóróról, milyen dobozba van jelenleg építve?
(#) lorant válasza Orbán József hozzászólására (») Jún 9, 2013
Hát a hangszóró ugye 4 ohm os a dobozban van hozzá való gyári szűrő még apukám csinálta az egészet jó 20 évvel ezelőtt. A doboz azt hiszem 8 literes, zárt, fa.
A hozzászólás módosítva: Jún 9, 2013
(#) Orbán József válasza lorant hozzászólására (») Jún 9, 2013
Tehát egy egyéb erősítőről van teljesítménye? Nehogy a láda miatt tévelyegj, ha az a rossz.
(#) bakos13gab válasza lorant hozzászólására (») Jún 9, 2013
Mérted már az erősítő kimenetét? Szerintem is egy műterhelést kellene összerakni hozzá és megnézni voltmérővel minimum. A kimenő biztos jó, biztos jól kötötted be? Tehetsz váltót a hangszóró tekercsére és visszamérheted a többi kivezetést (csak óvatosan).
(#) lorant válasza bakos13gab hozzászólására (») Jún 9, 2013
Igen más erősítőről szépen szól nagyon. Azt még elfelejtetem hogy van még benne egy tesla magas sugárzó is. De ez azt hiszem nem igazán számít. Szépen szól a jolida-val is csak maximum hangerőn és hát na ahogy előbb irtam alig leng ki a membrán .. A tekercset átmértem ellenálásait is megmértem illetve többször is leellenőriztem a bekötését az anódra megy z egyik cső primer tekercsének eleje a másik csőre a primér vége es melelte ami van az meg a segédrácsra. Hát jelenleg nem áll módomban összerakni szóval először talán arról szeretnék megbizonyosodni hogy minden jól van de biztos vagyok benne hogy nincs akkora teljesitménye mint amekkora kellene hogy legyen.
(#) bakos13gab válasza lorant hozzászólására (») Jún 9, 2013
Szkóppal meg kellene esetleg nézni a kimenetet. A negatív visszacsatolásban lévő alkatrészek értéke megfelelő? Mennyi a teljes erősítése az egész erősítőnek? Mekkora jelet kap a végfokozat? Lehet, hogy nem a végcsöveknél van a gond.
(#) silent15 válasza bakos13gab hozzászólására (») Jún 10, 2013
Szia, eggyetértek Gáborral, lehet vagy az előfoknál van a hiba, vagy csak simán nem kap elegendő jelet a teljes kivezérléshez. A szekunderre, rakjál műterhelést, és mérj rá multiméterrel (vagy Voltot, vagy Áramot mész) , és akkor P = U2/R vagy R*I2. És így akkor megkapod, mennyi jut a hangszórókra.

ÜdV!
(#) mayky válasza lorant hozzászólására (») Jún 10, 2013
Szerintem egy 4-4,5 k-s illesztés szerencsésebb lett volna.
(#) lorant válasza mayky hozzászólására (») Jún 10, 2013
Átnézem este még, meg megpróbálom műterheléssel aztán meglátom. Miért lett volna jobba 4-4,5k s illesztés?
(#) mayky válasza lorant hozzászólására (») Jún 10, 2013
Ha az adatlapot megnézed abban van néhány ajánlás:

Bővebben: Link - Bővebben: Link - Bővebben: Link
A hozzászólás módosítva: Jún 10, 2013
(#) bakos13gab válasza mayky hozzászólására (») Jún 10, 2013
Ennyit nem kellene számítson pár száz ohm.
(#) bakos13gab válasza silent15 hozzászólására (») Jún 11, 2013
Szóval itt a probéma felderítésére szerintem célszerű végigmérni mérőjellel az erősítőt. Szkóp nélkül sem lehetetlen, de legalább egy csővoltmérő vagy valami hangfrekin jól működő feszültségmérő szükséges. végig kellene mérni a jelutat, kezdve az SRPP bementtel a fázisfordítón át. A long-tailed valószínűleg jó, nagyon gond nem lehet vele. Esetleg ellenállás vn elnézve. Lehet ám akár egy cső is rossz, bár erre kicsi az esély.
(#) lorant válasza bakos13gab hozzászólására (») Jún 11, 2013
Ma "mofesa" segitségével megmértem a teljesítményét a műterhelésen és hát 0,5W körül volt. Az egyik hibám megtalálta rossz helyre volt kötve a kimenő szekunder tekercsének földje. Így most 1,5 W ott ad le viszont már a hangszóró lényegesen hangosabban szól.
(#) mayky válasza bakos13gab hozzászólására (») Jún 11, 2013
Persze hogy nem ez miatt szól halkan. Én csak megjegyeztem, hogy jobb választás lett volna. Ezzel az illesztéssel annyi lehet hogy nem lehet kivenni ugyan azt a torzítatlan teljesítményt mint egy 4,5 k-s trafóval. mondjuk 60 W helyet csak 40-et.
A hozzászólás módosítva: Jún 11, 2013
(#) mayky válasza lorant hozzászólására (») Jún 11, 2013
Egy rajzot tudsz feltenni úgy hogy feszültségadatokat odaírod. Pl a csövek kivezetésein milyen feszültségeket mérsz?
A hozzászólás módosítva: Jún 11, 2013
(#) tyraw hozzászólása Jún 11, 2013
Milyen jelenleg is kapható, jóhangú, jó árú, új kondenzátorokat ajánlotok erősitőkbe? WIMA MKP és FKP-n kivül.
/Illetve hol lehet kapni olyanokat?/
Következő: »»   1537 / 2208
Bejelentkezés

Belépés

Hirdetés
XDT.hu
Az oldalon sütiket használunk a helyes működéshez. Bővebb információt az adatvédelmi szabályzatban olvashatsz. Megértettem