Fórum témák
» Több friss téma |
Bővebben: Link
Kimentem a folyópartra, megvártam hogy előjöjjenek, bekapcsoltam és tovább csipkedtek... Majd holnap még megejtek egy próbát.
Hát sajnos a conrádos piezó nem jó, nálam se vált be (csináltam 555-el 50% körüli kitöltéssel potméteres szabályzással arra se reagáltak a szunyik). A kemo-ba én is beszállnák 2db kellene.
A conrados piezo lehet letudja adni a frekit, de ekkora frekin gyenge a hangereje szerintem, az ellenállást (ami párhuzamba van vele) csökkenteni kéne. Vagy 200-300nF kondit sorba kötni vele, vagy ilyesmi. Csak egy ötlet.
Idézet: „az ellenállást (ami párhuzamba van vele) csökkenteni kéne” Nem növelni?
Melyik kapcsolásban levő ellenállásról van szó?
Szerintem ebben a kapcsolásban az R3 ellenállásról van szó.
Én első körben hagytam a rendelésemet, meghajtással variálva próbálok majd valamit kihozni belőle. Sokat nem bukok vele, ha mégsem jönne össze. Sajnos a KEMO L010 még épeszüen továbbra sem elérhető. (1xEuro szállítási költség nekem egy kicsit sok..)
Azzal csak a tranzisztoron átfolyó áramot állítod be.
Idézet: „(#) levaitamas válasza ludus hozzászólására (») Válasz • Hé, 10:37 / Szerintem, ha a BS170 500mA-t bír, akkor 12V-ról 33Ohm-al biztonságosan hajtható.” Whalaky kapcsolásában 50 ohm -os ellenállás van. Legalábbis a honlapja szerint. A hozzászólás módosítva: Jún 12, 2013
Ezt én is tökéletesen tudom, de szvsz. PiperR kolléga akkor is erre gondolt. Vagy a 556-4017-es rajzon szereplő R24-es szintén párhuzamos ellenállásra. Ott az érték teljesen más, de hát a piezó típusa is különbözik.
Akkor az 50R bevált Whalaky mester által alkalmazott piezóhoz. Lehet, hogy mint a L010-hez, mint a PCT-G5100-hoz más érték és vagy más meghajtás kell. Örülnék, ha lehetne beszerezni ugyanolyan már bevált piezót, de úgy néz ki, hogy nem olyan egyszerű a dolog. kocsgab002! Ment egy üzenet. A hozzászólás módosítva: Jún 12, 2013
Igen tudom, én 47Ohm-al próbáltam, (mert csak ilyen volt kéznél) és szépen stabilan sípol. Nekem is csak a piezo a hiányzó elem és amennyiben be lehet szállni még a Kemo-s rendelésbe, akkor igényt tartanék 3 darabra.
Igen, arra az R24-es ellenállásra gondoltam, a 556-4017-es kapcsolásban.
Okés, megértettem, tehát akinek szüksége van Ultraschall Piezo Lautsprecher Kemo L010 Piezóra jöjjön át IDE!!!
Szerintem ott azért más az ellenállás értéke mert a tranzisztor is más típusú.
A hozzászólás módosítva: Jún 12, 2013
Sziasztok!
Akkor most a Kemo-s piezó jó nekünk? Mert Johny999 szerint neki nem mûködik. Valakinek van még tapasztalata errõl a piezóról? Akinek mûködik már a riasztó , õ mivel használja? A hozzászólás módosítva: Jún 12, 2013
Whalaky válaszára várok de 3 napja nem volt online.
Ha jól látom neki is Kemo-s van.
Itt az első kép: http://www.hobbielektronika.hu/cikkek/szunyogriaszto_pic-el.html?pg=4
Írtam whalaky kollégának, remélem hamar válaszol, és akkor megrendelem.
Türelmeteket kérném addig.
Oké, köszönjük szépen, várunk addig.
Nos szóval a Kemo L010 az eredeti 2x4017-es IC-s verzióval NEM működik.
Kb. 1 órát volt bekapcsolva vízparton, a szúnyogok ugyanúgy ott repkedtek. Odavittem direkt nagy szúnyograjokhoz és le se fütyültek.
Ajajj, hát ez baj.
Akkor lehet, hogy csak a PIC-es verziótól rémülnek meg? Amúgy van jelentős különbség a kettő között?
Most akkor a PIC-es verzióhoz melyik hangszóró jó?
Különbség talán annyi hogy a D/A-s kapcsolás 40-60kHz-es, Whalaky programja pedig 20-60kHz-es jelet állít elő.
Perpill kipróbálnám még AVR-el, de nem vágom milyen tranzisztor kéne + a hozzá tartozó bázis, kollektor ellenállás értékek hiányoznak. Valaki esetleg ért hozzá?
Hát ez a programtól is függ. Hány %-os kitöltésű négyszögjellel hajtod?
De szerintem oda is FET kellene nem? Úgy mint Whalaky kapcsolásában is van. De javítsatok ki ha nem így van, én inkább PIC-es vagyok, AVR-el még nem volt dolgom...
50%.
A PIC kimenetén mekkora feszültség/áram folyhat? A hozzászólás módosítva: Jún 12, 2013
Megérdeklődtem annál a cégnél de sajnos nem szállítanak külföldre.
Éppen ma próbálgattam, hogy milyen ellenállásokkal kap a piezo a lehető legjobb négyszögjelet és a tesztelés közben véletlen rövidrezártam a PWM kimenetet. Kb. négy-öt másodpercet volt ebben az állapotban de túlélte. Igaz, érezhetően fel is melegedett.
Sziasztok.
Evvel próbáltátok már? Bővebben: Link A hétvégén szétszedem, lehet hogy van benne valami elektronika ami csak 40kHz-re korlátozza a működést, ezt akkor kiveszem és akkor ez a piezo szerűség tuti tudja a 40K-s hangokat vagy felette és alatta. Mit gondoltok? Kipróbálni meg valamikor később tudom, már megvan a PIC, égetőm is van, a többi nem gond, csak idő . Ahogy látom ez a része a probléma mindenkinél.
Sziasztok!
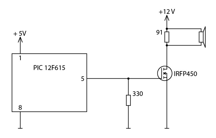
Ma végre volt időm méregetni is kicsit behatóbban. Az előzmények: itt. Az első képen látható kapcsolást építettem meg, a mérsek időtartamára csak próbapanelen. NYÁK-ot majd csinálok hozzá, remélhetőleg még ma. Tudom, az IRFP450 alkalmazása enyhén szólva is túlzás, de perpillanat csak ez van itthon. A második és harmadik képen a PIC lábán lévő jelalak látható a 330 Ohm-os ellenállás nélkül és azzal. A negyedik és ötödik képen a piezon lévő jelalak a már említett ellenállással és anélkül. A hatodik képen szintén a piezon mérhető jelalak az egyik legnagyobb frekvencián. A hetedik és nyolcadik képen maga a piezohangszóró. Az ellenállás nélkül sokkal több a hallható zaj a piezo környékén. A trükk az egész kapcsolásban a FET bemenete és maga a piezo. Mindkettő alapvető tulajdonsága, hogy többek közt kondenzátorként viselkedik. A FET Gate lábát ki kell sütni ahhoz, hogy le is zárjon, nem elég csak elvenni róla a feszültséget, nem úgy, mint egy normál tranzisztornál. A PWM kimenetre kötött ellenállás ezt segíti elő, plusz valamennyire megterheli a PWM kimenetet, kicsit simít rajta. Előnye viszont a FET-nek, hogy a Drain - Source ellenállás nagyon kicsi, a Gate pedig nagyon nagy. Ha a piezo-val párhuzamosan kötött ellenállás nagy, az általa leadott teljesítmény kicsi. Ez a frekvencia növelésével hatványozódik, lévén a hangsugárzónak nincs ideje feltöltődni. Ha a párhuzamos ellenállás kicsi, az egész túl sokat fogyaszt. Ebben a kiépítésben kb. 90 mA-t. Továbbá az sem mindegy, milyen a párhuzamos ellenállás. A huzalellenállás ekkora frekvencián történő használatánál már figyelembe kell venni annak induktivitását is. Első lépésként egy ilyet raktam a kapcsolásba, de nem kis problémát okozott, minden frekvencia mellett nagyon lehetett hallani egyéb zavaró hangokat is. Lecseréltem négy régi ellenállásra (kép), egy túlságosan melegedett. Még így is sok frekvencián lehet hallani zavaró sípolást és mindegyik frekvenciaváltásnál a kattanást is, de messze nem annyira, mint a huzalellenállásnál. Ha a piezo párhuzamos ellenállását növelem, akkor a zavaró hangok eltűnnek, de a leadott teljesítmény is csökken. Egy dolog van még hátra: tesztelés a vérszívókon. Amennyiben megtörténik, közreadom.
Akkor nézve a képeidet és olvasva a leírásodat a meghajtás módosításával komoly változásokat lehet végrehajtani a piezóra jutó jelben. Ha megjön a rendelt piezo meg a pic is, azt hiszem nekiállok én is kísérletezni. Elgondolkodtam, hogy a használt Fet típusa is befolyásolhatja a jelalakot. Lehet hogy próbálkozom valami kis RDS(ON)-al rendelkező Logikai FET-el, hátha...
Összeraktam Whalaky riasztóját és hangszóróként egy somogyi KHS105-ös piezot használtam. Este tíz órakor bekapcsoltam egy elektromos rovarcsapdát, amiben van kettő fénycső. Percekig vártam, a szúnyogok és más repülő rovarok csak úgy csattogtak rajta. Ezután bekapcsoltam a riasztót és meglepődve tapasztaltam, hogy a csattogások száma drasztikusan lecsökkent.
Tudom, hogy a piezo nem épp ilyen célra készült, de gondoltam kipróbálom tapasztalat gyanánt.
Rendes hangszórót kötöttél rá piezo helyett? Az adatlapja szerint max. 20kHz-et bír. Ha működik akkor érdekes.
A hozzászólás módosítva: Jún 14, 2013
Ez piezo hangsugárzó. Csak hangfalakba való.
|
Bejelentkezés
Hirdetés |



















