Fórum témák

» Több friss téma
Fórum » NYÁK terv ellenőrzése
 
Témaindító: Paso, idő: Okt 4, 2005
Lapozás: OK   108 / 202
(#) martin96 válasza reloop hozzászólására (») Júl 5, 2013 /
 
Ami van a fetek sourcán és a 100n-es kondinál az a csatlakozás oda menne a tekercs. C12-R15-öt meg kijavítottam.
(#) reloop válasza martin96 hozzászólására (») Júl 5, 2013 /
 
Rendben! A táp csillagpontjáról hozott testet a C10,11,12 közötti vezetősávra kösd rá.
(#) elodke hozzászólása Júl 5, 2013 /
 
Ez egy fordulatszámmérő lenne két soros kivitelben

Érdekelne hogy jól-e csináltam

Válaszokat előre is köszönöm
A hozzászólás módosítva: Júl 5, 2013
(#) elodke hozzászólása Júl 5, 2013 /
 
Ez egy fordulatszámmérő lenne két soros kivitelben

Érdekelne hogy jól-e csináltam

Válaszokat előre is köszönöm
A hozzászólás módosítva: Júl 5, 2013
(#) kokozo válasza martin96 hozzászólására (») Júl 5, 2013 /
 
Szia!
Mivel te legalább próbálod rendesen megcsinálni a paneledet, ezért szántam rá fél órát, hogy kicsit megmodoljam amiből ötleteket nyerhetsz.

150W.JPG
    
(#) kokozo válasza elodke hozzászólására (») Júl 5, 2013 /
 
Szia!
A testvonal vezetését nézd át kicsit mert szerintem érdekes lett
(#) elodke válasza kokozo hozzászólására (») Júl 5, 2013 /
 
így jó?

proba2.JPG
    
(#) kokozo válasza elodke hozzászólására (») Júl 5, 2013 /
 
Szerintem sokkal jobb.. Ha az alsó ic-t elforgatnád úgy mint a felsőt sok helyet megspórolnál.
(#) martin96 válasza kokozo hozzászólására (») Júl 5, 2013 /
 
Köszönöm, de már felrajzoltam a nyákra. Remélem fog is működni. Mivel kézzel rajzoltam fel nem szeretném előröl kezdeni, ha ez is működik (remélhetőleg).
A hozzászólás módosítva: Júl 5, 2013
(#) Alkotó válasza elodke hozzászólására (») Júl 5, 2013 /
 
"kétsoros kivitel"? Ezt hogy gondolod? Az egyik skálán elindul, aztán folytatódik a másikon? Ezt nehéz lenne értelmezni, javaslom felejtsd el.
Vagy egyetlen sorban, vagy egyetlen íven kell a ledeket elhelyezni.
(#) voodoo hozzászólása Júl 8, 2013 /
 
Üdv!

Egyik kedves kollégával _vl_ átnéztük közösen amit terveztem tápot, de kíváncsi vagyok a többség véleményére is, ha van kedvetek kérlek nézzetek rá. Köszönöm.
(#) SKY hozzászólása Júl 10, 2013 /
 
Üdv!
Nekem az a kérdésem, hogy a képen látható nyákterv jobb oldali része a huzalozást illetően alkalmas e a ~10MHz-es működésre?
Válaszokat előre is köszönöm.

idomero.jpg
    
(#) _vl_ válasza SKY hozzászólására (») Júl 10, 2013 /
 
10MHz-re szinte bármi alkalmas. A kérdés az, hogy a választott gyártóüzemben tudnak-e ilyen vékony szigetelőtávolsággal gyártani, mint ami az SMD alkatrész közepén átvitt vezeték mellett marad.
(#) SKY válasza _vl_ hozzászólására (») Júl 10, 2013 /
 
Ez jó hír. A nyákot laminálással szeretném megcsinálni. Olyan jelenség nem léphet fel, hogy a nagyfrekvenciás jel "ráül" kapacitív csatolással egy másik vezetősávra pl. ott, ahol egymás felett haladnak kétoldalasnál?
(#) _vl_ válasza SKY hozzászólására (») Júl 10, 2013 /
 
Szerintem nagyobb problémák vannak ott, mint ami miatt aggódsz.
Ha van két oldalad, akkor esetleg kicsit combosabb tápvonalakat (-mezőket) is lehetne alkalmazni, meg persze az IC-k mellől a tápszűrő kondikat sem kéne lespórolni.
Házilagos gyártásban arra is oda kéne figyelni, hogy pl. furatgalván nélkül hogyan fogod az alkatrészeket mindkét oldalon beforrasztani... Illetve az a szigetelőtávolság szerintem még egy gyárban is gondot okozna, nemhogy házilagos körülmények között. Persze vannak itt a fórumon, akik lemennek 0.2mm alá is, de azért ez szerintem már kihívás, aminek akkor lenne létjogosultsága, ha máshogy nem lehetne megoldani - itt pedig nem ez a helyzet.
(#) Davidd hozzászólása Júl 11, 2013 /
 
Sziasztok! Elkeszitettem egy kicsi crossover-szeruseget. Az icben kihasznaltam mind a 4 op-ampot. A ket also az egy highpass reszt kepez, a felso bal muv.erosito az a sub[amit csak szimplan kulon megepitettem ua741-el, csak az a baj vele hogy visszaesik a jelszint] jobb felso muv.erosito pedig egy szintemelo. Kerlek titeket nezzetek at. Ha ez igy mukodne szamomra ez teljesen megfelelne.[Attol felek nehogy kellesen meg ket szintemelo a highpass resznel.] Legyszives nezzetek at, hatha valamit elhibaztam es nem vettem eszre.
A hozzászólás módosítva: Júl 11, 2013
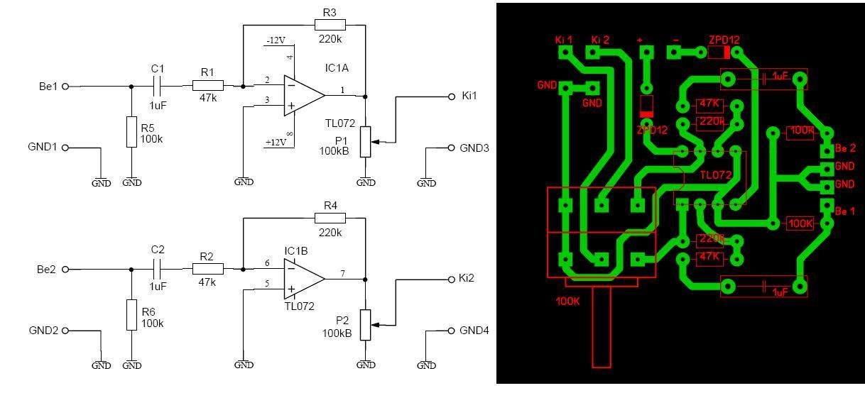
(#) fongab válasza Davidd hozzászólására (») Júl 11, 2013 /
 
Szia
Csak a harmadik rajzot néztem. Amit nem értek, hogy a ZPD12 minek van? Vagy hogy van. Ahogy látom, soros a körbe. Tehát ebben az állapotba a tápfeszültségből levon 12V ot, és táplálja a ICt. Azzal nem foglalkoznák hogy a pozítív csak 0,6...0,8V von le. Vagy rosszül, tetted be a rajzba, de ez beépítésnél, még korrigálható. Más kérdés, hogy a tápnál, kellene még a ZPD után, egy pár mikros kondenzátor. Esetleg, a test et kőrbe tehetnéd, a panelen. A pótmétert vagy a panel széléhez közelebb vinném vagy a vele egy sikba lévő kondenzátort vinném odébb. Ha felcsavarod a pótmétert a kondezátor nem fog elférni.
Én ezt látom.
Üdv.
(#) Davidd válasza fongab hozzászólására (») Júl 11, 2013 /
 
Udv! A harmadik kepen ami van nyak es rajz, onnan csak a rajzot hasznaltam fel a sajat paneltervemhez. Igy talaltam meg a forumon, es elkeszitettem a sajatomat. Az en tervemben zener egyaltalan nincs.
(#) fongab válasza Davidd hozzászólására (») Júl 11, 2013 /
 
Szia
Akkor a lay t nem igazán tudom megnyitni. ( én hibám, nincs programom hozzá )
Esetleg jpg -be lehetne?
üdv.
A hozzászólás módosítva: Júl 11, 2013
(#) Davidd válasza fongab hozzászólására (») Júl 11, 2013 /
 
Mellekeltem a jpg formatumban. Csak igy nem latszanak az ertekek, mert az ertekeket az alkatresz nevehez irtam, es ha ravitetted az egeret irta, hogy minek milyen erteke van.
A hozzászólás módosítva: Júl 11, 2013
(#) Davidd válasza Davidd hozzászólására (») Júl 11, 2013 /
 
Holnap kinyomtatom elkeszitem es meglatom hogy fog mukodni, remelem nem hibaztam el semmit. Meg azert atnezem meg parszor, remelem meg paran vetettek ra nehany pillantast.
(#) fongab válasza Davidd hozzászólására (») Júl 11, 2013 /
 
Szia
Ha jól értelmezem a rajzot, akkor az első rajzból, kettő van, az egyes és a hetes lábnál kimegy valahova. A bemenet még egy közösítésen keresztül, megy a második rajzhoz, majd a kimenetet, egy erősítés után, megy a kimeneti feszültség állítóra.
Elvileg a rajzolat, ha ez van rajta, akkor müködőképes. Továbbra is javaslom a föld körbe vezetését, a panel szélén. Még arra is gondolj hogy, hogy, fogatod fel. Igaz, van egy két, üresnek látszó hely. (csak ne vágd pontos méretre a panelt.)
üdv.
(#) Davidd válasza fongab hozzászólására (») Júl 12, 2013 /
 
Igen koszonom szepen, ahogyan leirtad az van elkeszitve. Meg akkor alakitok korbe a foldon. Nem nemszoktam sosem pontosra vagni a panelt, valahogy fel is kell fogatni ez jogos. Megegyszer koszonom hogy atnezted.
(#) Szabi1 hozzászólása Júl 15, 2013 /
 
Sziasztok!
Az oldalon lévő 3 utas változtatható frekvenciájú hangváltót szeretném megépíteni, csak van 1 olyan része a panelnak amiben nem vagyok biztos, hogy úgy kellene legyen? Kapcsolás
Nyákrajz
Jobbról balra lévő 2. IC alsó lábjainál az egyik nincs vezetve sehova, az hova menne?
(#) reloop válasza Szabi1 hozzászólására (») Júl 15, 2013 /
 
Szia! Lehet, hogy csak folytatódni kéne lefelé a vezetősávnak, beültetési rajzon nézd meg mit mivel kéne összekötni!
(#) game4812 hozzászólása Júl 16, 2013 /
 
Sziasztok, ez egy aktív váltós biamping rendszer lenne. Az első NE5532 egyik fele 40 hz alatt vág 12dB/oktávval, a másik fele, és a második műv. erősítő egyik része 24db/oktávval vág 1800 Hz-nél, a nem jelölt ellenállások párhuzamban 2K3-ra fognak adódni. (ez van itthon, kondenzátoroknál is hasonlóan ezért van soros kapcsolás). Ezután van még egy kivonó rész, és a jelek rávezetve a 2 végfok IC-re. Jó-e így az elképzelés? A vonalak még finomítva lesznek, ez amolyan alpha verzió.
(#) reloop válasza game4812 hozzászólására (») Júl 16, 2013 /
 
Elég keserves nyomtatott áramkörből visszaolvasni a rajzot. Azt már látom, hogy a kivonód nem tudja mennyit kell erősítenie.
Erős nyomozásban vagyok hová tettem az idevágó kapcsolást. Minden esetre a melléklet mutatja milyen körítés kell a kivonáshoz.
(#) game4812 válasza reloop hozzászólására (») Júl 16, 2013 /
 
Nagyon köszönöm, hogy segítesz. Ennyi rajzom van hozzá, az elején a 12 db-s szűrő nilván csak a fele. Oldalt a relés dolog annyit jelent, hogy ha a 7es láb "V-"-ra van húzva, akkor "Output disabled", ha szakadás, (vagy "V-"+2,4V felett akármi) akkor "Enabled". Ezt fogom még egy kis kapcsolással külön nyákon megoldani. Kivonónál az 5532 jobb alsó sarkánál van egy kör, meg a jobb oldalán középtájt, oda gondoltam egy R-t, csak nem volt akkora méretű a programban.
Amúgy ráér a dolog, legközelebb hétfőn lesz lehetőségem fizikailag foglalkozni vele.
A hozzászólás módosítva: Júl 16, 2013
(#) locked hozzászólása Júl 26, 2013 /
 
Sziasztok!Megépítettem egy u2008b fordulatszám-szabályzó ic-vel az adatlapján szereplő lágyindítós kapcsolást,de nem szabályoz csak max fordulaton hajtja a motort.Ránézne valaki a nyákrajzra,hogy hol rontottam el?Lehet,hogy a 2 elkot fordítva kötöttem be,vagy van más is?
(#) proli007 válasza locked hozzászólására (») Júl 27, 2013 /
 
Hello! Mind két elkó fordítva van az áramkörben. Itt a tápfesz nem plusz, hanem mínusz. üdv!
Következő: »»   108 / 202
Bejelentkezés

Belépés

Hirdetés
XDT.hu
Az oldalon sütiket használunk a helyes működéshez. Bővebb információt az adatvédelmi szabályzatban olvashatsz. Megértettem