Fórum témák
» Több friss téma |
Fórum » TV hiba, mi a megoldás?
a villogás folyamatos 2 perce nézem és semmi olyan hogy 2 vill és szünet kb, csak folyamatos be-ki-be-ki villan a led. 1 mp=1 villanás
még egy észrevétel mikor sikerül elindítani akkor a képernyőhöz közelitek kézzel vonnzza a szőrt és közben pattog (kisül gondolom)
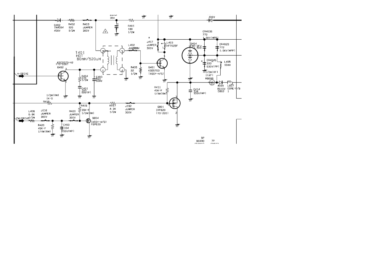
Tápban keresendő a hiba olyannyira , hogy még a készenléti táp sincs meg stabilan.
Már szét néztem, de nem találtam semmit, azért gondoltam, hogy valamelyik kondi rosszalkodik, de kondihoz nincs műszerem.Igazából az érdekelne, hogy melyiknek a fáradása okozhat ilyen hibát.
semmi hiba nem lácodik a tápnál szabad szemel
Ezt a kört nézd át amit feltettem-Feltételezem , hogy a feszültség értékek rendben vannak.Ebben a körben a kondik , illetve ellenállás megnyúlások okozhatnak olyan jelenséget mint , amit feltettél képet.Tehát ha egy mért ellenállás 6,8 kohm helyett 8 - 10 kohm , akkor az csere stb.
A hozzászólás módosítva: Júl 16, 2013
Gondolod megmutatja magát , hogy én vagyok a hibás alkatrész?Ne viccelj már.
Rajzot előveszed ,és ki kell mérni ennek csak ez a mikéntje.mert addig csak tippelgetni lehet , hogy mégis mi a baj , amíg nincs konkrét adat ahonnan el lehet indulni.
Nagyfesztrafó okozhat olyat hogy nem mindig kapcsol be a tv? mikor bekapcsol a tv és csatornát váltok akk a trafó fele cicergés hallatszódik
Oké, köszi.Este tudok foglalkozni vele, mindenképpen írok, hogy mit találtam.Az is a baj, hogy nekem még nem sikerült látnom a hibajelenséget, csak képen és attól félek, hogy hidegen mérve jók lesznek az értékek.Közben szereztem kapacitás mérőt is, azzal is végigfutok rajta.
a neten csak távirányítót találni a tvhez rajzom meg sajna nincs
Hm hm , ezt ha jól veszem ki , akkor az a tv LCD ugye ?
Sziasztok
Az R422 találtam hogy nem jó, kicseréltem de ahogz bekapcsoltam azonal elfüstölt, és nem találom hogy miért? A segitséget elöre is köszönöm.
Meg annyi hozza tartozik, hogy nem mindig csinalja, es sokszor ki-be kapcsolas utan megszunik a jelenseg. Esetleg valakinek van valami otlete? Nem olyan latvanyos hiba, de azert eszi a lelkem...
Szevasz!
Ez számomra azt jelenti, hogy az IC túlterheli azt az ellenállást. Cseréld ki az IC-t!
D403 ha zárlatos attól is tud füstölni .Illetve D405 , és R415 alkatrészeket is nézd meg.
A hozzászólás módosítva: Júl 16, 2013
Sziasztok ujra itt.
Megtortent az IC csere kondikal egyutt , de nincs valtozas, talan csak anyi hogy egyes pontokon estek a feszultsegek , peldaul a 9-es laban mar nincs 30-on felul hanem inkabb 28.9 es 29 kozott oszcilal.
Ja és még egy az I402 7812 stabot is.Mert ha az zárlatos , akkor a +25v , és test közzé kerülő R422 mindig füstőlni is fog.
Átmértem azon a részen az összes ellenállást és 15 kondit, mindegyiknek megfelelő az értéke
Ha az R411 állítgatod van némi reakció , vagy semmi .
Az I402 nincs rákötve a +25V-ra. A függő IC a zárlatos és ezt cserélni kell!
És ez a sorirányú méretcsökkenés hirtelen következik be vagy fokozatosan? Mert ez lehet valamilyen melegedő és értékváltoztató alkatrész hibája is.
Nem latok be pontosan melyik a 411-es a 2 potmeter kozul, de hatulnezetbol a jobkezfeloli nem reagal semit, a masik 2 vegalasban erosodik a csik fenye es szines lesz.
Kadaristnak igaza van mivel az ic zárlatban van , azért az 422 keresztül kapná a 25v feszültséget , de annyira beterhel , hogy égeti az R422 öt.
Ha ki szippantod az ic 2 , és 4 es lábát , akkor az ic nem kap test pontot , ha így nem fog füstölni , vagy melegedni az R422 , akkor egyértelmű ic csere.
Én még nem láttam, de azt mondják, hogy lassan kb 2-3 óra elteltével egyre jobban megy befelé.A szomszédé a tv és mióta nálam van azóta nem jött elő a hiba.
A hozzászólás módosítva: Júl 16, 2013
Értem a C412 es 1000uf/35v os kondenzátort cseréld ki , és mérd meg az R412 es ellenállást .Ennek az értéke 1,5ohm kell hogy legyen
|
Bejelentkezés
Hirdetés |






