Fórum témák

» Több friss téma
Fórum » TV hiba, mi a megoldás?
Lapozás: OK   835 / 1282
(#) Patrikova válasza kadarist hozzászólására (») Júl 17, 2013 /
 
Ha kijelző lenne akkor már az elején is csinálná
(#) laszlo raduj válasza laszlo raduj hozzászólására (») Júl 17, 2013 /
 
Elszalt a tap 32Voltos resze , miutan mindent atneztem es az IC-et becineztem, vagyis a TDA3653 tapja, cinezesbol bisztosan nem testelt le, mindig nagyitoval gondosan atnezem es lekapargatom a maradek gyantat, majd kiskefevel lekefelem, esetleg ha nem volt baj hogy az atkotes meg nem volt viszateve.
(#) Patrikova válasza stevepapa hozzászólására (») Júl 17, 2013 /
 
Csak nemtudm hogyan kéne :-\
(#) stevepapa válasza Patrikova hozzászólására (») Júl 17, 2013 /
 
A második kép, az a hibát mutatja? Mert akkor egész máshol keresendő a hiba.
(#) Patrikova válasza stevepapa hozzászólására (») Júl 17, 2013 /
 
Mind a kettő a hibát mutatja
A hozzászólás módosítva: Júl 17, 2013
(#) stevepapa válasza Patrikova hozzászólására (») Júl 17, 2013 /
 
Tehát a középen látható elmosódott, képről beszélünk. Ami változik, néha jó, néha nem.
(#) Patrikova válasza stevepapa hozzászólására (») Júl 17, 2013 /
 
Az egészkép olyan nem csaka közepe de nagyvonalakban kb igen
A hozzászólás módosítva: Júl 17, 2013
(#) Patrikova válasza stevepapa hozzászólására (») Júl 17, 2013 /
 
Valami ötlet esetleg?
(#) stevepapa válasza Patrikova hozzászólására (») Júl 17, 2013 /
 
A hiba nagy valószínűséggel a kijelzőben, illetve a meghajtójában van.
(#) Patrikova válasza stevepapa hozzászólására (») Júl 17, 2013 /
 
De akkor az hogylehet hogy csak olyan 1 perc után kezd el ugrálni ha a kijelző a rossz akkor egyből ugrálnia kéne nem?
(#) stevepapa válasza Patrikova hozzászólására (») Júl 17, 2013 /
 
Nem konkrétan maga a fizikai kijelzőre gondolok. Vannak azon meghajtó elemek, ic-k amik bemelegedés után produkálják a jelenséget.
(#) Patrikova válasza stevepapa hozzászólására (») Júl 17, 2013 /
 
Értem és hol találhatóak ezek az ic-k?
(#) kadarist válasza Patrikova hozzászólására (») Júl 17, 2013 /
 
Le kell bontani a vaslemezt és alatta lesznek.
(#) eyess válasza laszlo raduj hozzászólására (») Júl 17, 2013 /
 
Az nem hisz előtte is mérted , akkor nem szált el.
Tedd rendbe a tápot vagyis , vagy a zener , vagy a dióda ment tönkre m, addig be nem kapcsold.
Ha minden jó , és kimérted vissza forraszthatod az átkötést , és bekapcsolhatod.De bármit is látsz először mérj , +2,7 volt stb , és ha nincs annyi csak addig állítani amíg annyi lesz.stb.
(#) eyess válasza Patrikova hozzászólására (») Júl 17, 2013 /
 
Sajnos én csőhibára gondolok .Nem tudom most így hirtelen , hogy yan e külső monitor csatlakoztatási lehetőség a hátulján.Ha van tedd rá és ha azon jó lesz a kép , akkor egyértelmű lesz , cső , vagy LCD.
(#) laszlo raduj válasza eyess hozzászólására (») Júl 17, 2013 /
 
A BR197 helyen volt 1 3.5ohm ellenalas , az szalt el ,azert nem volt feszultsegem, probaltam az egos dolgot es jo a tap.
Bisztonsagbol betetem en is egyet de nekem csak 6ohm-om volt , nagyon fu"tt az ellenalas es kapcsol le a TV most csak csik sem jon ele.
Nem tud ott megfutni a fesz mert nem megy fel 10v-ra sem , erdekes hogy nem eg el a nyak pedig amit betetem ellenalas vagy 2w-os van , gyanakszom az uj kondira neme lett rovidzaras es azert futt . az 1000mF gondolok ott a dioda utan, erdekes a dioda sem pukan el , menyit bir meg?
(#) frend válasza frend hozzászólására (») Júl 17, 2013 /
 
Sziasztok
R422 be forasztva, inditás után nem füstöl el de a kép csak nem nyilik meg, vagyis egy viszintes csik van a képernyö közepén.
(#) kadarist válasza frend hozzászólására (») Júl 17, 2013 /
 
Tápfeszültséget kap az IC?
(#) eyess válasza frend hozzászólására (») Júl 17, 2013 /
 
Minő véletlen a másik topikban pont ugyan ezzel a hibával szenved egy másik valaki.
Neki már meg is nyílt a kép ahogy írta csak túlzásba vitte .
(#) frend válasza kadarist hozzászólására (») Júl 17, 2013 /
 
A test és a D403 as 24,3V mértem
(#) eyess válasza frend hozzászólására (») Júl 17, 2013 /
 
Az jó.
A C311 es 1000uf/35v os kondenzátort cserélted ?
A hozzászólás módosítva: Júl 17, 2013
(#) frend válasza eyess hozzászólására (») Júl 17, 2013 /
 
igen cseréltem.
(#) kadarist válasza frend hozzászólására (») Júl 17, 2013 /
 
Az IC lábain is ott vannak a tápfeszültségek? Forrasztási, csatlakozási hibák ki vannak zárva?
(#) frend válasza kadarist hozzászólására (») Júl 17, 2013 /
 
Forrasztási, csatlakozási hibák ki vannak zárva.
A test és a 9 es láb 24,5V
A test és a 6 os láb 23,5V mértem.
kell még máshol is mérni?
A hozzászólás módosítva: Júl 17, 2013
(#) eyess válasza laszlo raduj hozzászólására (») Júl 17, 2013 /
 
Az nem , de a 6ohm os ellenállás miatt meg kevés lehet a táp .
(#) eyess válasza frend hozzászólására (») Júl 17, 2013 /
 
az 5 ös lábán mennyit mérsz ?
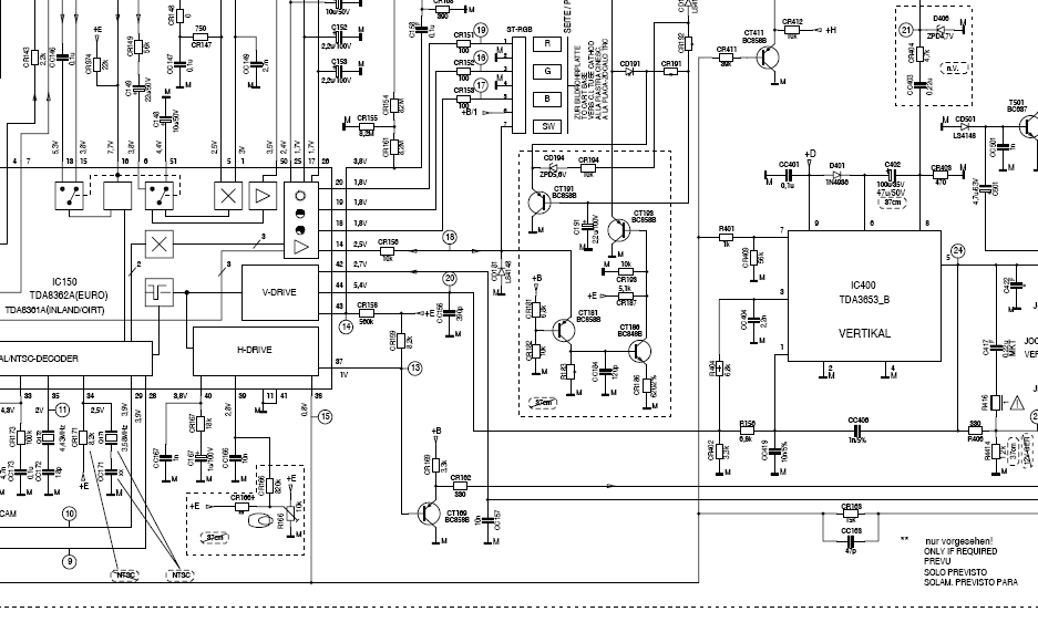
A szabályzókör amivel állítani tudod a kép tulajdonságait az a TDA 8362 es ic 41 bemenetére kb +2,7 volt ot kellene szabályoznia meg van ez ? VR301 trimer.
A hozzászólás módosítva: Júl 17, 2013
(#) frend válasza eyess hozzászólására (») Júl 17, 2013 /
 
Az 5ös láb 19,6V.
(#) laszlo raduj válasza eyess hozzászólására (») Júl 17, 2013 /
 
vegyem ki es ugy probaljam meg?
A dioda meresere alkalmas alasban letapogatam az egesz aramkort ahol ma matatam de csak tenylegesen a test sipotl tehat nincs rovidzar, esetleg nagy az IC-nek az aramfelvetele igy hogy most talan jo az aramkor? De akor eveken keresztul hogy birta az a szaros ellenalas , a tapon?
Mi a velemenyed?
(#) laszlo raduj válasza eyess hozzászólására (») Júl 17, 2013 /
 
Mas tipusu integrat vagy tevedtel , mert nalam a 42-es labon kell legyen a 2.7Volt.
(#) eyess válasza laszlo raduj hozzászólására (») Júl 17, 2013 /
 
Nem tévedtem a te tévéd ott kapja az ővé nem.

Nézd csak

Egyébként ugyan azzal a hibával küszködtök mind a ketten ugy hogy akár itt is folytathatjátok
legalább nem kell két helyre kétszer írni.
És elmondhatod Frendnek , hogy neked már majdnem sikerült igaz ?
A hozzászólás módosítva: Júl 17, 2013
Következő: »»   835 / 1282
Bejelentkezés

Belépés

Hirdetés
XDT.hu
Az oldalon sütiket használunk a helyes működéshez. Bővebb információt az adatvédelmi szabályzatban olvashatsz. Megértettem