Fórum témák
» Több friss téma |
Fórum » FM rádióvevő TDA7000-rel
Ferrit antennát a KH sávban, de max. az RH sáv elején lehet használni a ferrit anyag nagyfrekvenciás tulajdonságai miatt. Egy tekercset lehet öntartóra tekercselni, ilyenkor nincs csévetestre rögzítve, tehát vasmagot is csak buherálni lehet bele. Az ilyen tekercsek néhány menetesek, viszonylag vastag drótból tekerve. Hangolása a menetek nyomorgatásával, a tekercshossz változtatásával lehetséges. Ha vasmaggal hangolni is szükséges csévetestre kell tekerni, aminek a belsejében menetes rész gondoskodik a vasmag megvezetéséről.
56 nH az igen kis induktivitás, ha körülnézel az interneten, vagy akár ebben a topikban is, lehet találni számoló progikat egysoros, légmagos, rövid tekercs adatainak kiszámolásához. 5 mm fúrószárra ha tekersz 5 - 6 menetet, az saccra kb. kiadja az 56 nH -s tekercset. A hozzászólás módosítva: Márc 24, 2013
Pucuka,nincs olyan elektrós,frekis kérdésem amire ne tudnád a választ
2-3 hét múlva megvalósúl nyákon a kis rédió
Biztos van, de olyankor ki se nyitom a számat.
Örülök, hogy segíteni tudok, de az áramkört neked kell megépíteni, és úgy gondolom, nem árt ha tudod, hogy mi miért van.
8 Hónapja járok elktroműszerész tanfolyamra,nagyjából tudom mi-mi
, bár az élesztéssel sokan panaszkodnak,ez kihívás lesz
Jó drága az ic,de nem bánom. Alig várom már hogy marassak. Esetleg később kap 1 hf erősítőt is.
Arra is szükséged lesz, nem árt ha betervezel egy LM386 -ost, és fejhallgatóhoz máris jó.
Ilyenek a gyári kis ajándék vevők is.
Ahogy terveztem a nyákot akkor vettem észre,hogy van forgókondi a kapcsolásba, vagy jó bele trimmer kondi is?
Attól függ. Ha csak egy frekvencia vételét tervezed, akkor elég a trimmer kondi, de ha keresgélni is akarsz az adók között, akkor szükséged lesz forgó kondira.
A hozzászólás módosítva: Márc 31, 2013
Láttam a neten,hogy többször körbeforgós trimmer kondival lehet sok adót finoman fogni,amúgy kerámia fix kondik kell ebbe is?
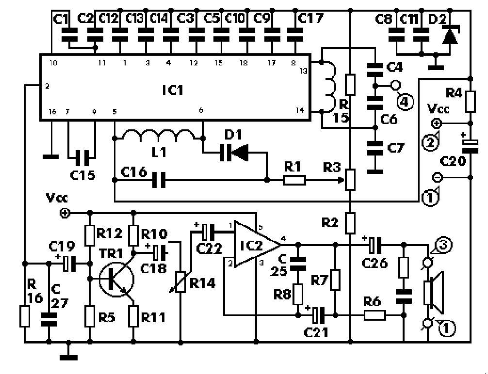
Az adók vételéhez az szükséges, hogy a modulátor, és az oszcillátor rezgőköreit meghatározott határok között hangolni lehessen, ráadásul úgy, hogy a két rezgőkör együtt futása biztosított legyen. Ez azt jelenti, hogy a bemeneti rezgőkör (modulátor kör) a hangoló forgókondenzátor minden állásánál ugyanarra a frekvenciára legyen hangolva, mint amit az oszcillátor rezgőköre biztosít. A probléma az, hogy az oszcillátor mindíg a KF frekvenciával magasabb frekvencián rezeg. Ezért az együtt futás lehető legpontosabb biztosítására a rezgőköröket szűk határok között állíthatónak kell lenniük. Ezt a hangolhatóságot biztosítják a trimmer kondenzátorok, valamint a határok beállítását az egyéb soros, és párhuzamos kondenzátorok. Az, hogy milyen anyagból készülteket használunk, azt a tervezés során dől el. Lehet levegő, kerámia, csillám, fólia kondenzátorokat használni, attól függően, hogy épp mire van szükség. A rezgőköröknél alapvető fontosságú a kis veszteség, valamint a hófok tényező, ezért nem sok szigetelő anyag jöhet számításba. A kerámia kondenzátorok közül vannak amelyek negatív hőfok tényezővel rendelkeznek, ezért ezek használatával lehet kompenzálni a tekercsek pozitív hőfok tényezőjét, így megakadályozható a rezgőkörök hőmérsékletre való elhangolódása. Ezért szoktak különféle típusú kondenzátorokkal operálni a rezgőköröknél.
A TDA7000 IC nél erre is figyeltek, úgyhogy oda nem kell túl sok kondit használnod. Hogy körbeforgós, vagy nem, az közömbös.
16 kondi nekem már sok
köszi a rezgőkörös infót megintcsak!!!
Ic hiányzik már csak,utána remélem hogy megszólal,teszek fel holnap 'nappali' képet
Kész az fm rádió a 7000-el,de nem vagyok vele megelégedve,mászkál a freki,meg 1 adót fog,a detektorossal többet fogok.
Siralmas az ic hangminősége, a szelektivitásról nem is beszélve
A szelektivitás és az AFC minősége nagyban függ az alkatrészek minőségétől és a panel árnyékolásától.
Nálam a helyi adókat is jobban elválasztja egymástól mint a gyári "kommersz" rádiók. Nem csúszkál az AFC sem. Persze amíg "pucér" panellal kísérleteztem addig a zavarok nálam is kilökték az AFC-t. A minőség határát jelzi a mono kivitel. Nem High-high HIFI-re tervezett áramkör ez tény.
Ja,mindenesetre nagy csalódás volt,a detektorosom több adót fog be
Szerintem ne add fel egy csalódás miatt. Én kb. 15 éve hallgatom az enyémet a műhelyemben, varikapos hangolásúra építettem. Nincs gond sem a hangolással sem a szelektivitással. Tény, hogy mono és nem hifi, LM386-al jó háttérrádiózást biztosít. Szegényke máig nem kapott dobozt. Egyszer egy kertipartin működés közben nyakon öntötték vízzel. Kitettem a napra száradni. Megszáradt, a mai napig működik.
Az komoly
A varicapos kapcsolásod be tudnád linkelni?
Itt is van 2 variáció.
Szia,
mellékelem az általam megépített rajzot (kézzel rajzolva) és egy neten találtat, melyhez NYÁK is van tervezve: http://asterion.almadark.com/2010/01/29/receptor-de-radio-fm-con-tda-7000/ [/url] Megjegyzéseim a kézzel rajzolt, általam megépített melléklethez: 1.: Az LM-ből többet is ki lehet hozni, ld. LM386 Data Sheet (DS). 2.: A potméterrel nagyon jól hangolható, leszámítva, hogy kis elfordítással "nagyot" hangol, vagyis nehéz ráállítani a kívánt adóra. Ezért rajzoltam oda még két 10kohmos ellenállást és egy három állású, kétpólusú kapcsolót. A kapcsolóval az egész hangolható sáv 3 részre osztható. Így a potmétered olyan, mintha "három fordulatú" lenne. Persze ideális a "sokforulatú" (pl. 10) potméter lenne, de az lényegesen drágább. Én ezt a részt csak részben építettem meg: betettem az egyik ellenállást kapcsoló nélkül. Ekkor az eddig hangolható sávnak csak egyrésze lett hangolható, de mivel ebben vannak az általam hallgatott adók, ezért már nem tettem be a másik 10k-s ellenállást és a háromállású kapcsolót sem. 3.: Élesztéshez ajánlom a 9 voltnyi ceruzaelemet, mert az tökéletesen sima és zavarmentes. Itt jegyzem meg, hogy nekem elsőre ment és nem kellett "éleszteni semmit sem. Dehát az ördög nem alszik..... 4: NYÁK tervezésnél ügyelj a következőkre (ugyanis NYÁKrajzom nincs): a rezgőkörök NYÁkvonalai a lehető legrövidebbek legyenek. A hangoló áramkörnél egészen a 22k-s ellenállás varikap felőli lábáig. Ha működik a rádiód, lehet tovább kísérletezni: 5.: A TDA DSben a 10 lábon van egy kondenzátor, gondolom a gyártó tudja miért, tedd be azt is, 6.: A TDA (ld. DS) 10 voltig megy. Ha 9 volttal táplálod és kiveszed a zener diódát nagyobb lesz a hangoható sáv és "érzékenyebb" a hangoló potméter. Fontos: Ez a 9 volt nagyon stabil és nagyon sima legyen!!! Sok sikert! (Számolj be az eredményeidről) A hozzászólás módosítva: Jún 4, 2013
Köszi,ment a pont.A kézzel rajzold rezgőköröd többet ér bármely netes kapcsolásnál
Sziasztok! nekem van néhány Kínában készült mini rádióm ezzel a TDA7088, vagy CD9088-al. Ezek a rádiók elképesztően jó érzékenységűek, még a szerb adókat is hozzák szinte semmi antennával, és hangminőségben is felülmúlják a legtöbb hagyományos elven működő zsebrádiót. Kérdésem a következő lenne: Ezek a rádiók milyen elven működnek? Én valami PLL elven működő szinkrodin készülékre gondolok, ahol az oszcillátorfrekvencia egyenesen a hangfrekit keveri ki a vivőből. Vagy nagyot tévednék? Én építettem rádiót 100 kHz-es KF-el de az egészen másképpen viselkedett, például kétszer jöttek az adók egymás mellett, szerintem kizárt, hogy valami ilyen alacsony frekvenciás KF-ű készülék legyen. A helyi oszcillátorral eőállított vivőből egyenesen kikeverik a hangfrekvenciát?
A hozzászólás módosítva: Júl 18, 2013
Ha nem haragszotok, tennék fel linkeket, amiket találtam. Ezeknek lényegesen egyszerűbb kapcsolásuk van, mint a TDA7000-esek voltak.scan radio CD9088
A hozzászólás módosítva: Júl 18, 2013
Az adatlapban az van, hogy:
"The circuit contains a frequency-locked-loop (FLL) system with an Intermediate Frequency (IF) of about 70 kHz. Selectivity is achieved by active RC-filters. De-tuning related to the IF and too weak input signals is suppressed by the mute circuit." Tehát nem jártál messze az igazságtól.
Ezek közül azt, amit a Sokol-ba építettem, megpróbálom manuális hangolásúra alakítani. Amilyen olcsón lehetett hozzájutni a kínaiaktól, ezzel éri meg legjobban a retró rádiókba FM sávot beépíteni. (Mivel az AM-en már gyakorlatilag a Kossuth is csak este 9-ig van.)
Azért nem szinkrodin, mert van KF frekvencia. 70 kHz. A vevő demodulátora korrelátor. Azért van szükség az ilyen alacsony középfrekvenciára. A korrelátor úgy működik, hogy a KF jelét fázistoljuk, és összeadjuk az eredeti jellel. A kapott összegzett jelből a modulációt pedig aluláteresztő szűrőn keresztül kapjuk. Ezzel a módszerrel lehet akár még a zajból is kiszedni a modulációt. Ezért olyan érzékeny az áramkör, ráadásul még könnyebben integrálható, külső elemek szűrők nélkül.
A hozzászólás módosítva: Júl 18, 2013
Rém érzékenyek. egyetlen hibájuk a gerjedékenység. Javítani is hozzak hozzám ilyet, mondanom sem kell, hogy gerjedt, mint az állat, az volt a hibája. Vasmagot tettem bele, és leárnyékoltam az oszcillátor tekercset. És kisebb kondi az antennára. Esetleg elkó a telepre. Ezek segítenek valamit. Amit házilag építenek TDA7000-rel, azután sokan panaszkodnak, hogy nem jó, mert az is gerjed, mert rossz a tervezés. A legjobb a teljesen SMD kivitel. Kipróbáltam a manuális hangolást. Működik, de a Sokol-ba nem tudom hová tenni a hangoló potenciométert. Próbálkoztam már tolópotenciométerrel a skála mutató alá, az se sikerült. Zsebrádió potira meg valami kerék kellene a skálazsinórnak, és valahová rögzíteni is kellene. Hely meg nagyon kevés van. Marad csak nyomkodós változat, csak a szép nagy skála miatt gondoltam, de nem megy. A linken, amit feltettem, a cikk végén az a német szerző is bemutat néhány így átalakított retró rádiót.
A hozzászólás módosítva: Júl 19, 2013
Elkó a telepre mindíg kell. Nem is tudom, miért kell lespórolni, ahogy merül a telep, nő a belső ellenállása, és egyből az összes fokozat munkaellenállása lesz. Persze hogy gerjed. Ráadásul iszonyat nagy erősítés van, mivel mindjárt keverővel kezdődik, úgyhogy mind a 100 - 110 dB -t 70 kHz -en kell erősíteni. Ez még az álmoskönyv szerint sem túl jó.
Sikerült a másvilágra küldenem először a Sokol AM oszcillátortekercsét, ugyanis a mellett fúrtam lyukat a hangoló potenciométernek, mert a forgókondi mellé akartam összehúrozni egy másik, majdnem akkora tárcsával a skálát, de amikor már 10-essel fúrtam, az kiszakította.
A kis szkennelős rádió is meghalt, amikor próbálgattam a potenciométeres hangolást, pedig eleinte tudta. Tönkre lehet ezeket vágni a hangolófeszültségen keresztül? Ahogy hangolászom a tekercset, egyedül valami TV hangot vesz valahol, de már nem scannel, és nem hangol potenciométerrel sem. Varicapot jónak mérem, úgy tűnik, a CD9088 szállt el. (Úgy látszik, ez most nem az én napom volt.)
Amint a rajzokon is látszik, csak a 22 ohm után tesznek, és az se valami nagy értékű. (47u) A telepre közvetlenül nem szoktak, pedig nem árt, pláne, ha merül, előbb gerjed.
A hozzászólás módosítva: Júl 20, 2013
|
Bejelentkezés
Hirdetés |




2-3 hét múlva megvalósúl nyákon a kis rédió
köszi a rezgőkörös infót megintcsak!!!








