Fórum témák
» Több friss téma |
A szkóp képek.
C_1: BD135 bázisa. C_2: dióda, tekercs, piezo közös. Itt már nincs meg az 50%-os kitöltés. Annyit változtattam, hogy beraktam egy soros 2,2k ellenállást, mert a BD szét akart durrani. A kapcsolás itt van.
Ja. Nem akarok elpártolni az itt megépített szúnyogriasztótól,(most is be van kapcsolva),csak mutattam hogy mit találtam.
Üdv!
Ez valós mérés vagy valamilyen szimuláció? Gyanusan szépek a jelalakok.
Sziasztok!
Most akadt a kezembe egy riasztó, amiben egy piezó van és égveszejtően visít. 3db kis gombelemről megy, agyvelő süketítően visít, igaz a hallható tartományban. Egy IC amely kimenetén van egy FET, a fet Drain körében viszont van egy kimenőtrafó! A piezó kb akkora mint a conradosban található. Sajnos nem tudtam kipóbálni, de véleményem szerint ezzel lehetne valamit kezdeni! Pláne ha lenne olyan vas amely 40-60KHz-en is elmenne. Ötlet?! Rumcájsz A hozzászólás módosítva: Júl 25, 2013
Ferrit fazékmag, légréssel. 1 a 2-höz vagy 3-hoz áttétellel.
Valami olyan induktivitásúra megtekerni, hogy a primer körben a kívánt frekvencián már egy kellemes munkaellenállást impedanciát adjon, de még ne legyen a piezóval rezonanciában azon a tájékon.
Üdv a szúnyogelhárító kommandónak
![]() Magam részéről is prezentálok egy csodafegyvert, ha nem bánjátok. Én nem tudok piccelni (csak bliccelni), úgyhogy analóg módon közelítettem meg a témát. Azonfelül piszkálta a csőrömet, hogy azt a szerencsétlen piezót mindenféle ellenállással házasították és ezt kellett a FET-nek kergetnie. A hatásfok meg az ablakban... Azért igyekeztem nem alkatrésztemetőt építeni, mint a többször belinkelt régi cikkben volt, de azért valami szolgáltatást nyújtson, ha már van. Sikerült is, mindazt tudja, amit a pices megoldások, csak nem kell újraprogramoz(tat)ni, égetni, vagy égettetni... Na jó, egy szkóp azért célszerű ![]() És ami fő: rendes FET meghajtás van benne! Akár két piezót is lazán elvisz, ellenütemben. Lássuk: Van egy önrezgő FET-meghajtó, IR2155 a neve. Lehet a frekvenciáját trükkösen vezérelni feszültséggel - mindehhez kell egy plusz tranzisztor, egy dióda és egy kis kerámiakondi, mármint a kötelező alkatrészeken kívül. Aztán meg csak egy remek, 555-össel kialakított háromszögjel generátor kell és a kettőt összehozni. A generátor szép formájú jelet ad, erről a két LM334-es "adjustable current source"-szel felépített áramgenerátor gondoskodik, a szimmetriát a sztereo potméteres beállítás és az 1N4148-as graetz-híd biztosítja. Ezekkel az értékekkel 0,76 Hz és 12,6 Hz között lehet hangolni, 1µF-os időzítő kondenzátor mellett. Aki netán ezen spórolna és megelégszik egy háromszögjel-frekivel, mondjuk a legkisebbel, az kihagyja a potmétert és 2 db 10k-s ellenállással helyettesítheti a soros ellenállás-potméter tagokat, aztán betesz egy szívének tetsző időzítő kondit és örvendezik. Az 555-ös kimenete se heverjen parlagon, rákötöttem egy kis zöld LED-et, az szépen pislogva mutatja, hogy az áramkör működik és éppen mennyire sűrűn rángatja a frekvenciát a piezón ![]() Az így előálló háromszögjel még nem "tálalható" a FET-meghajtónak, mert egyfelől az időzítő kondenzátort terhelni nem lehet, mert oda a jelalak. Azonfelül 0 - 2,5V közti jelet kérne, a kondin meg 4 és 8 Volt között szaladgál (12 Voltos tápfeszültséget feltételezve). De mindenképpen több, mint ami kéne. Ennek megoldásáról egy műveleti erősítő gondoskodik, név szerint egy TLC272CP dual CMOS darab. Ennek egyik fele egy egyszeres erősítésű leválasztó fokozatot alkot, 100% negatív visszacsatolással megvalósítva. Így a C8-on képződő feszültség egy az egyben továbbmegy, de a CMOS bemenet miatt, terhelés nélkül. Az "op-amp" másik fele egy szinteltoló kapcsolást valósít meg. A jel szintje a földhöz képest az R13-as trimmerrel állítható, ezzel lehet a háromszögjel "alját" leközelíteni a földponthoz. Ha szükséges a erősítésen is állítani (a kimenőjel nagyságának állításához), akkor az R8-as, 820k-s ellenállást célszerű egy 1Mohmos potméterrel helyettesíteni, lehetőleg helikálissal, így finoman lehet szabályozni, a visszacsatoláson keresztül. Természetesen az elhúzódó kimenőjelet az R13-mal vissza lehet húzni földközelbe (emiatt ezt nem igazán lehet kispórolni fix ellenállásos osztóval). A megadott értékű fix R8 ellenállással kb. 1,5 Volt kimenő jelet állítottam be, ez mintegy 15kHz frekvencialöketet biztosít. Tudom, nem kéne ennyi, de a finnyásabb, süketebb, vájtfülűbb vérszívókra is gondoltam. Aki akarja, potméterekkel hangolászhatja. Vagy ha valaki nem akarja a visszacsatolást babrálni, a kimenő 1k-s ellenállást potméterrel helyettesítheti és azzal is lehet állítani, ilyenkor a jel mérete változik csak, a helye nem. Az R13 ekkor is kell, de csak egyszer kell belőni, élesztéskor. A FET-meghajtó alapfrekvenciáját az R5 - C5 páros állítja be. A kiszámoló képlet az IC adatlapján szerepel. A BS170-es FET-ek a mellékelt tápfeszültséggel már eléggé melegednek, szerintem célszerűbb erősebb darabokat használni. Az áramkörömet egy 12v 1000mA terhelhetőségű dugasztápról járatom. Az U2-es stabkocka azért kell, mert ez a dugasztáp üresjáratban majdnem 24V-ot ad le... Elsősorban ezt az áramkört hálózati táplálásra javaslom (megfelelő dugasztáp), de mivel az áramfelvétele nem túl nagy (átlagosan 80-85 mA), szerintem lehet akkuról is nyomatni, ilyen 3,5 Ah-s darab egy jó ideig ellátja. Arra figyelni kell, hogy más tápfeszültség alkalmazása megváltoztatja a frekvenciákat, jelszinteket! Utána kell számolni illetve újrahangolni. A lemerülő akkumulátor is változtat pl. a kimeneti ultrahang frekvenciáján, erre érdemes figyelni: a csökkenő tápfeszültség növeli frekvenciát. Az áramkör egyelőre csak "fékpadon" üzemelt, rendes nyákra még nem épült meg, csak proto-board-on dugtam össze. Élesztési javaslataim sincsenek még, de majd talán lesznek. Szúnyogot még nem látott, de ha beválik, nem is fog, mert elzavarja őket...
Sziasztok!
Tudtam szerezni egy másik Kemo L10-et. És most ezzel tesztelem a Whalaky féle kapcsolást. Nagy meglepetésemre ezzel a piezóval működik. Bár van egy-két hallássérült szúnyog. Azt viszont észrevettem, hogy csak stabil tápról működik. Próbáltam 12 v os szutyok adapterrel, esélye se volt a szúnyogok ellen. Mikor labortápról vagy stabil pufferelt tápról járattam simán elűzte a dögöket. Úgyhogy,akinek eddig nem működött a riasztó a Kemo-val annak vagy selejtes a piezo-ja vagy nem zavarmentes a tápja
Hello! Ha nem haragszol, kicsit beledumálok. A Fet meghajtó alkalmazása szellemes, de a háromszög generátort kissé eltúlzottnak tartom. Nem kívánok beleszólni a tervezői szabadságba, de egy TLC-vel, meg egy 555-el egyszerűbben is el lehet "intézni" a dolgot, és az OPA1 kimenetén egyből ott van a terhelhető háromszög jel. Mivel még nincs "kész", hátha szimpatikusnak találod. (Egyébiránt egy LM358, vagy egy LM324 is bőven megteszi.) üdv!
A hozzászólás módosítva: Júl 26, 2013
Köszi, tetszetős, csak egy gond van vele: a szinteltolás, mivel 0V és max 2,5V közötti jelet kéne előállítani, nem 4 és 8 Volt köztit. Ezzel a, mondjuk legyen 0 és 1V közti jellel vezérlem az IR2155-öt. Vagy a konkrét példámban kb. 0V lent és 1,5V csúcs. Lehetne mondjuk 1V és 2V között is a háromszög, de akkor magasabb lesz a kezdőfrekvencia.
A 4 és 8V közti már nem jó.
Jóember! Nálad is 4..8V között van, abból formálod. Itt is megteheted.
"legyen 0 és 1V " " 0V lent és 1,5V" "Lehetne mondjuk 1V és 2V között is" Kicsit határozottabban nem lehet? De egy fehér Led-el v. zénerrel, pld eltolhatod a szintet. üdv!
Persze, hogy 4 és 8 Volt között van, de csak két IC (ha az áramgenerátorokat nem tekintjük annak, bár azok, de csak tranzisztor méretűek...) meg pár ellenállás-potméter és előáll a kívánt jelszint. A te megoldásodban kell egy 555, egy 272-es és még mindig nagy a jelszint, ehhez kéne még egy szinteltoló. Mondom, nem szerettem volna alkatrészhalmozást, ha lehetséges
Idézet: „Kicsit határozottabban nem lehet?” Nem határozatlanság, csak variációk egy témára: a háromszögjel pillanatnyi nagysága határozza meg a FET-meghajtó frekvenciáját, azt szerettem volna érzékeltetni, hogy az alapszint eltologatásával és a csúcsfeszültség megválasztásával is be lehet állítani az alapfrekvenciát és a maximálisat. Ki mit szeretne és hogyan. Gondolatébresztő, szerintem. Nem azt mondtam, hogy az enyém a végső megoldás, nem kötelező megépíteni. De aki összehoz egy PC-szkópot (vagy szerez egy olcsó, nem túl nagyfrekvenciás szkópot), tud forrasztani és össze tud huzalozni-építeni egy forrpontos nyákot, annak már lesz egy működő áramköre, amit úgy variál, állítgat, ahogy neki tetszik, mindamellett jó tanulási lehetőség. Nem kell neki PicKit2 és egyebek, emellett ha nem megy a programozás, akkor rászorul mások (akiket én a magam részéről nagyra becsülök, mert tudnak és adnak!) munkájára, ha valamit módosítani kell. De ha valaki úgy gondolja, lehet az IR2155-öt PIC-kel is vezérelni, a tranzisztor nem nézi, mi állítja be a bázisán a feszültséget... A hozzászólás módosítva: Júl 27, 2013
Tegnap barátom mutatta az 1Hz-60MHz szinuszgenerátorát. Rákötöttünk egy piezót. Legyek, lepkék, muslincák, szúnyogok őrült repülésbe kezdtek(bár engem is kihajtott volna a szobából fültakarás nélkül
).
Sziasztok! Na ilyenre sikeredett a sz.riasztóm. Az este kipróbáltam, kint ültem egy olyan helyen ahol szoktak szúnyogok lenni, és nem csípett egy sem,pedig volt. Ez még nem jelenti azt hogy kimerem jelenteni 100%-ra hogy ettől. Ma este is,meg holnap este is próbálom,viszont majd szerda este tó parton véradás remélem nem lesz.,bízom benne de majd megírom.
Üdv.
Sziasztok!
Építettem egy szúnyog riasztót, amin Hp41C programja fut. A problémám vele, hogy a hangja még hallható tartományba esik. Elképzelhető, hogy csak az én fiatal hallásomon múlik, de számomra zavaró. Nem keverem a tesztmóddal, mert abban sokkal kisebb frekvenciájú a hang. Mivel 35-40 kHz-et biztosan nem hallok meg, íyg feltételezem, hogy a programban vagy a hardverben van a hiba. Előfordult már másnál is ilyen? Módosítás: Frekvenciamérővel rámérve 8-13kHz-et mérek. A hozzászólás módosítva: Júl 29, 2013
Szia! Én is hallottam Hp41C programjával a hangokat. Nekem a legutolsó Hilo féle vált be legjobban.
Bővebben: Link
Ezt programoztad bele?
Ezzel megoldódott. Véletlenül az egyel régebbi változatot programoztam bele, mert le volt töltve mind a kettő.
Elnézést kérek a szarvashibáért. Tökéletesen működik!
Sziasztok! Ti a Jumper-eket Jumper hogy állítottátok be?
Üdv! UI: Ma reggel próbáltam legyekre (annyi volt mint a sár) bárhogy állítottam ezeket nem zavarta,viszont ha hallható tartományba raktam a kutya visított egyébként öt sem zavarta. Szúnyog még nem volt,de holnap holnapután éjszakai horgászatnál remélem beválik.
Sziasztok.
Szeretnék készíteni magamnak egy szúnyogriasztót, de mivel amatőr vagyok az elektronikában, segítséget szeretnék kérni. Olyan segítségre gondoltam, hogy megoldható lenne-e hogy valaki feltenne egy működő riasztó nyáktervét, alkatrészlistát, és hogy melyik alkatrészt hová kell forrasztani (beültetési rajz ). Az az igazság, hogy nem tudok eligazodni a kapcsolási rajzokon. Ebben segítene -e valaki ? Üdv.
Sziasztok!
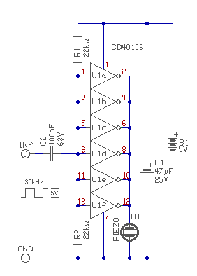
Mekkora ellenállást érdemes a Whalaky-féle tervben használni az R3 jelölés alatt? Sajnos nekem nem bír ki egy éjszakát egy 9V-os aksival.
Hello! Arra nem gondoltatok, hogy megpróbáljatok egy mezei CMOS IC-t használni a piezo meghajtására? Az energia akkor legalább nem az ellenállás fűtésére fordítódna. üdv!
És elegendő áramot ad le a hat kapu? Ez az IC mindössze 700mW-ot tud max. A piezo töltéskezdetkor tulajdonképpen rövidzár (és azért szép kapacitása van, olyan 130-150nF). Mindezt másodpercenként 60-80 ezerszer...
Hello! Nem egy erőművet gondoltam meghajtani, csak egy 9V-os elemről a piezot, a BS/ellenállás helyett.. De miért nem próbálod ki? üdv!
Mert építem a saját verziómat, ami rendes FET-meghajtós
Azért azt a piezót meg kell ordíttatni, hogy használjon...Sőt, a frekvencia-változtatást áttervezem, úgyhogy nem 555-tel lesz, ha minden jól megy, de marad analóg ![]() (Én meg azt nem értem, hogy miért nem egy IR2155 vagy IR2153-at hajtanak meg a pic-kel, az a tranzisztoros trükközés azzal is működne, de nem kéne a "fűtőellenállás", ahogy te is jól érzed.) Upd: ráadásul az a FET-meghajtó önrezgő, nem kéne megahertzekkel bíbelődni a pic-ekben, csak egy DA-átalakítású háromszögjelet kell generálni és a tranzisztorra adni. A hozzászólás módosítva: Júl 31, 2013
Szia
Csatlakoznék, nekem is tökéletesen müködik a cucc de nem biztos hogy megfelelő a teljesitményem. Neked milyen fet van benne illetve mekkora az ellenállás? Jelenleg 2N7002-es fet volt itthon illetve 100ohm-os ellenállás.
Én BS170-et használok 1 Kilohmos R3-al.
Mostanában elég sokat használom, és azt kell mondjam, hogy a szobába ahol csak pár szúnyog van ott jó, de a tóparton több tízezer szúnyog ellen nemigazán tud mit csinálni.
A topart szerintem nem mérvadó, mert oda csak a süket szunyogok mennek
. Az R3 1kiló nem tul sok, nem tudom mert ez a számolgatás nem az én asztalom de szerintem soknak tünik.
Az nem túl sok. Én hálózatról használom, de telepes meghajtásnál simán elfér a 2-3 KOhm is.
Csak az a baj, hogy én nekem pont a tópartra kellene. |
Bejelentkezés
Hirdetés |











De egy fehér Led-el v. zénerrel, pld eltolhatod a szintet. üdv!




. Az R3 1kiló nem tul sok, nem tudom mert ez a számolgatás nem az én asztalom de szerintem soknak tünik. 




