Fórum témák
» Több friss téma |
Fórum » TV hiba, mi a megoldás?
Miért nem csinálod meg a tunerjét ? Sose lehet tudni , hogy nem e kerül egy olyan készülék az utadba aminek csak RF modu8látoros kimenete lesz.De te tudod egyébként.
A hozzászólás módosítva: Júl 27, 2013
Scartról is világosabb igen. Kicserélem a kondenzátorokat, hátha segít.
(#) eyess: Lehet arra is sor kerül, egyelőre örülnék ha szép képet adna scartról. A tápegysége is rossz volt, szerencsére ahhoz valamennyire értek, és már sikerült megcsinálni. De ezek a képhibák nekem magasak.
Ehhez nem ártana tudni valamit a tv előéletéről .Csak nálad volt , illetve kéztől , vagy használtan vetted , volt e javítva , és ha igen milyen hibákkal stb.
Csak azért kérdezem a txt-t meg az RGB-t, mert a kompozit bemeneten lévő csatolókondi hibája okozhat hasonló hibát.
Telitalálat, mert RGB módra kapcsolva meg szép képet ad. Viszont arra nem tudok rájönni milyen kondi okozhatja a bajt, a kompozit bemeneten egy 100nFos kis kondenzátor van amit kicseréltem, de nem javult meg. Csatoltam egy képet, bár nem túl jó minőségű de talán a lényeg látszik rajta.
Vannak ott ext. video, int. video vonalak. Az ezekbe tett kis elektrolitkondenzátorokat kellene átnézni. A teljes rajz megvan valahol?
Üdv mindenkinek.
Egy gyors és nagy segítségre lenne szükségem. Képcsöves Philips Tv-ről van szó. Mi a különbség a dagi öntött szerintem fólia kondi (ilyen barnás vöröses kerekített alul felül) 474k 200 gondolom 470nF 200V-os, és egy sima műanyag tokos fóliakondi között, mert cserélném egy Tv-ben igaz csak ilyen kínai gagyi 474 (470nF) 630V-os ra. Ha valaki tudna segíteni előre is köszönöm.
Szia!
Nagyobb feszültségtűrésűre cserélheted a kondenzátort.
Nálad itt lesz a bibi, ezt a kört nézd át .Bekereteztem neked.
Sziasztok van egy Philips Lcd tv ami kb 3 percenként kikapcsol majd vissza mi lehet a hiba oka? Várom mielőbbi válaszotokat .Üdv István.
Közben megnéztem a tápot semmi rendellenességet nem látok rajta itt egy kép róla.
Ezt a kikapcsolást , hogy kell érteni teljesen még készenléti sincs , vagy csak a háttérvilágítás kapcsol ki be .Közbe lehet , hogy megy a tv kép az lenne csak nem látod mivel nincs háttérvilágítás .Szóval ?
Szia ezt úgy értem hogy egyszerűen kikapcsol a készülék és azonnal vissza mint amikor távirányítóval ki-és be kapcsolod .
És még azt hozzáteszem hogy a csatornák letárolása megmarad! viszont az időzítő beállítások mind elmennek gyakorlatilag mintha áram szünet lenne egy másodpercre.
Sziasztok van nekem 1 Beko tv ami multkor bekapcsoláskor azt produkálta, hogy nem fogott semmi adást én a tunere gondoltam, hogy az a baja, de tuner csere után se fogott be semmit. Szerintetek mi lehet a baja hol keressem a hibát.
Idézet: „gyakorlatilag mintha áram szünet lenne egy másodpercre.” Szia! A táp lesz az, hiába nem láttál rajta semmit. Első körben menet közben kéne nézni a tápot hogy melyik része "kapcsolgat" vagy automatikusan a puffer elkókat cseréld ki. Attól hogy nem púpos lehet az rossz!
Üdv mindenkinek.
Tegnap kérdezgettem a kondis dolgot. Adott egy Philips régi képcsöves tv amiben kicseréltem jó pár elkót meg egy 2000V-os 8,2nF-os fóliát is, de az a bibi, hogy bekapcsolom utána egy picivel megjön a hangyaháború zúgása aztán eltelik vagy 2mp és megjelenik felül a képernyőn 2 csík egymás alatt (vagy 2-vel felérő fehér csík) és utána még kell neki egy kis idő mire bejön a hangyaháború. A kérdésem, hogy mit cseréljek még, mert kondira gondolok még, hogy az miatt jön meg nagyon későn a kép, de megfigyeltem, hogy van olyan, hogy megjött a kép és utána egy piros és egy zöld csík van egymás alatt ugyanúgy fennt. A válaszokat előre is köszönöm.
Ez esetben azt kellene megfigyelned , hogy ha a primer köri puffer elkót cserélted , és még mindig csinálja , hogy teljes sötétségben figyelni a hátulját persze a hátulja leszedve.Na vagyis , hogy nincs e valami féle áthúzás vagy , fény jelenség ami miatt a tápot letiltja.
Ez még hagyján is volna , de az az érdekes , hogy írod , hogy vissza is kapcsol magától. Nem ártana megnézni a táv irányítót , és még lehetséges , hogy a TV infra vevő részénél lesz a hiba .Kaphat valami jelet amitől ezt csinálhatja.De sajnos benne lehet még a processzor is. Szóval van mit megnézni.
Sajnos , vagy nem sajnos , de mostanában elég sokszor megfogjuk kérdezni azt , hogy ahol te tartózkodol fogható e még az analóg adás.Mert ha már nem , akkor nem is figsz tudni befogni semmit.Set top box kell hozzá.
Hali mindenkinek!
Ma volt időm és szét néztem a telefunken bs540k belsejében: icc5 chassis 618A1 leltem doksit is hozzá mondjuk azt írták lehetnek eltérések benne elkezdtem kersegélni azt a Cl58(10uf 250 v)(a dosiban erre hivatkoznak ha nincs meg a szín egyensúly) csak CL56ot leltem de miközben néztem észrevettem hogy a mellékelt képen fel van robbanva valami, sajnos azt nem tudom hogy ez micsoda de remélem ti megmondjátok ![]() továbbá mellékeltem képeket a hibajelenségről is ,a piros szín árnyékról és a kép torzulásáról (nem a hangszóró mágnes okozza probáltam) Nincs meg a gyári távirányítója szóval nem tudok belépni a service menübe. mert már volt szerelőnél ezelőtt .(kikötötte a bekapcsgombot meg az előlapi gombokat is , olyan mintha hiányozna egy panel) ez a tv nálam van szóval ezt tudom mérni is ha úgy van)
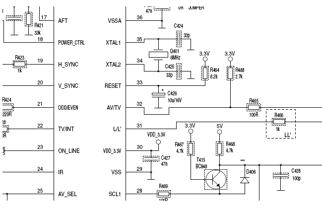
Ok , akkor a mellékelt rajz alapján meg kellene mérni a tuner re menő feszültségeket , hogy meg vannak e ok ?
Mindenek előtt takarítsd meg a tv , mert neked is jobb , ha bnem leszel nyakig poros mindig , ha mérni kell benne.
Amit mutatsz az egy tekercs valószínű ki van melegedve pill utána nézek , mert rég csináltam már icc5 lapot.
Ok a tuner résznél lévő alkatrészek mérése is rendben van ?
Akkor az SDA processzor ezt a részét , és körülötte lévő alkatrészeit kellene átnézn , mert a tuner innen kap vezérlést.
A hozzászólás módosítva: Júl 28, 2013
|
Bejelentkezés
Hirdetés |














