Fórum témák
» Több friss téma |
Fórum » Stroboszkóp gyújtáshoz
Szia!
Átgondoltam a dolgot, igazából az elemes megoldás a szomszédomnak kellett volna. De kb félévente 3-szor fogja használni, akkor meg kb minden gyújtás ellenörzés elött elemcsere. Visszaalakítom 12V-osra. Azonban most a próbapanelen rádugtam a 12V-os adaptert, a Ledek előtétellenását felvittem 340 ohmra, de a 47 k-s potival nem lehet szépen beállítani, hogy ne legyen elmosódott. Növeljem a Led előtétellenállását, vagy a 47 k-s potit cseréljem kisebbre? (mert ha kisebb az ellenállás, akkor kezd pontosodni)
Hello! Az elmosódásnak nincs köze a fényerőhöz. Ugyan is az a kérdés, hogy a felvillanás ideje alatt, a tengely mennyire mozdul el. Ez a monostabil késleltetési idejétől, és a fordulatszámtól függ. Vagy is a monostabil időzítésidejét csökkentve csökken az idő alatti elmozdulás. De a szem ezt fényerőváltozásnak fogja érzékelni a szem, a tehetetlensége miatt. Ezért kell növelni a felvillanás alatti fényerőt. Egyébként én sorba kötném a három Led-et, és egy 47ohm-ot használnék előtét ellenállás gyanánt. üdv!
A hozzászólás módosítva: Jún 8, 2013
Ha jól vettem ki az írásodból, akkor a felvillanás alatti fényerőt az előtétellenállással állítom, a felvillanás idejét pedig a potival. A felvillanás idejét a poti 'lefelé csavarásával' tudom rövidebbre állítani (magyarul, ha minnél kisebb az ellenállás--kisebb a felvillanás ideje?) Egyébként próbaképp kipróbáltam egy 4700µF-os kondit a tápra, de nem történt semmi változás, úgyhogy marad a 12V táp.
Hello! Jól vetted ki. A felvillanás idejét a poti és a kondi határozza meg. Mondjuk a poti középállásában legyen 22kohm. 15nF-al, ez T=R*C alapján 22k*15nF=0,33ms felvillanási időt ad.
3000fordulat/perc, az 20ms körülfordulási időt ad. (t=1/(n/60) Vagy is 20ms időhöz 360fok tartozik. Így 0,33ms idő alatt (0,33ms/20ms)*360=5,94fok Vagy is a felvillanás alatt ennyit fordul el a tengely. 800fordulatos alapjáraton ez 1,58fok. Ha változtatni szeretnél az időzítésen, akkor 15nF-ot célszerű változtatni, nem a potit. Mert ha nagyon letekered, nem tudja a kis ellenállást meghajtani az IC. üdv!
Sziasztok!
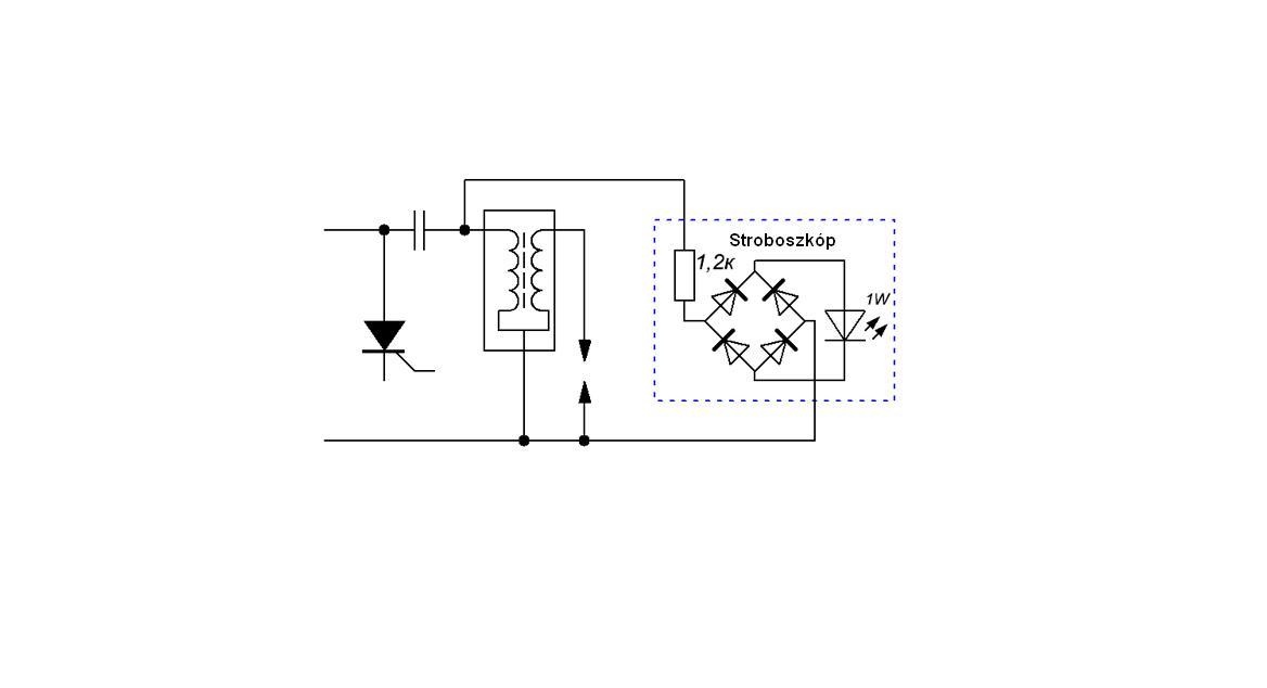
Új vagyok még itt, lehet hogy buta kérdéseket fogok feltenni, előre is bocsánat Szóval az lenne a kérdésem, hogy én megépítettem az alábbi kapcsolást. Az a bajom, hogy nem tudom, hogyan lehetne a jelet levenni a gyújtókábelről. A rajz azt írja, hogy egy vasmagos, 100 menetes tekercs elég a megbízható billegtetéshez. Nem tekercseltem még soha életemben, nincs hozzá se anyagom, se tehetségem A kérdésem az lenne, hogy ilyen, vagy ehhez hasonló tekercset vasmaggal együtt (szétszedhetőnek kellene lennie.. :/ ) hol tudnák találni. Ami még jobb lenne, ha valaki tudna módosítani a rajzon, hogy esetleg elég legyen csak 6-7 menetet tekerni a gyújtókábelre, mert nem akarnám kidobni a már megépített panelt. Előre is köszönöm a segítségeteket.Üdv: Balázs
Hello! Esetleg kihagyod a tranyókat, és a panelen kialakítod a "Watt-féle kapcsolás" bementi részét. De azt tudnod kell, hogy a kapacitíven levett gyújtásjel sokkal kritikusabb, mint induktívan érzékelt gyújtásjel. üdv!
A hozzászólás módosítva: Aug 3, 2013
Mi az, hogy kritikusabb? Pontatlan? Meg azt is megköszönném ha meg tudnád mondani, mekkora feszültség kell az induktív billegtetéshez, mert még sejtésem sincs, hogy mekkora fesz.-nek kell indukálódni
Röstellem, de nem tudtam kiszámolni... köszönöm az eddigi segítséget is
- A kritikusabb az, hogy vagy érzéketlen, vagy mindenféle zavarjelet szedhet össze, amire villoghat. Egyszerű strobinál nem nagy gond, mert másik henger gyújtása (általában 180 fokkal) máshol van. De pld. zárásszöget mérni műszeresen ilyen módszerrel nem lehetne. Vagy is próbálgatni kell hogy/hol jó a vezeték.
- Mivel a Q1 tranyó kb. 600mV feszültségnél nyit ki, a bementi 1kohm-os lezáráson minimum ennek a feszültségnek kell meglenni, vagy is ezt kel hogy szolgáltassa a tekercs..
Gyújtásvizsgáló stroboszkóp lámpám egyik csipeszében (amelyik a gyertyakábelre csíptetendő) lévő induktív jeladó ferrit magját elpattintottam. Sikerült ugyan méret alapján beazonosítanom, U25/16/6 viszont anyagát tekintve többfélét találtam, pl 3c81, 3c90, stb. A különbségeket AL (nH) és ue értékekben látom leginkább, melyiket tehetném bele?
Minden segítséget előre is köszönök!
Nem tudom, hogy elég infót adtam-e, ha valami konkrétabb kéne a segítséghez, akkor írjátok meg, hogy mi, és válaszolok!
Szerintem a fene sem tudja. Próbálkozni kell.
Helló! Van egy Flash 1500 DMX strobim. vezérlése jó. viszont nem villog. cső az új benne! viszont lehet h az ment ki. nincs másik strobim amibe tudnám próbálni a csövet. Miként tudom kipróbálni?
Hali mindenki!
Én is építettem egy ledes gyújtásvizsgálót, igaz 555-tel, mert az volt otthon, illetve kapott némi kiegészítést hogy lámpának is használható legyen. Működik is, csakhogy a CDI gyujtás miatt többször is villan mint amennyiszer kellene, ezt kapacitív érzékelővel nem tudom kiküszöbölni. Ezért akarok csinálni egy induktívat, viszont elgondolásom sincs a mechanikus kivitelezés egyszerű mikéntjéről (ilyen is ritkán fordul elő velem), ehhez kérnék ötleteket!
Hello! A gyáriakban egy "lakatfogó" van. Vagy is egy ferrit U-ra zárul a I járom. Az U-ra megy a tekercselés, alul-felül árnyékoló rézlemezzel (nem rövidzár). Itt a mechanikát vagy is a csipeszt magát nehéz kialakítani. A tekercs két vége kéteres árnyékolttal csatlakozik a strobihoz, az árnyékolás meg a két árnyékoló lemezhez. A gyújtás kapacitív csatolását elég nehéz kiküszöbölni. Ha csak "villogsz" akkor nem nagy gond egy-két idegen villanás, ha mérsz akkor nem lehet fals jel.
Gyűrűmagból is lehet induktív érzékelőt készíteni. Csak hátránya, hogy a gyújtás vezetéket át kel fűzni rajta, ami nem minden esetben kivitelezhető. Árnyékolni ott is kell, ahol kis trükkel meg lehet oldani, hogy ne legyen a trafó körül rövidzár. (Valahol lerajzoltam itt már, de fogalmam sincs hol van.) üdv!
Ja az az én legnagyobb bajom hogy míg ruhacsipeszből könnyen csinálok kapacitív érzit, de az induktívhoz meg valószínűleg azt is gyártanom kell. Illetve valami formás kis vasat is kell szerválnom, mivel a gyűrű szerintem sem megoldás.
És igen mérnék, minimum fordulatszámot.
És ez szerinted működik? Kipróbáltad??
Persze. De az ellenállást a Led-hez kell kalibrálni.
Amúgy meg gondolj bele, hogy az öngyújtókban levő LED-et is 4,5Voltról járatják , áram korlátozózó ellenállás nélkül és se a fényerővel és a tartóssággal nincs gond. Az ötlet meg amúgy nem az enyém :Íme egy videó a működésről.
Akkor megsúgom neked, hogy azt a hibát, amit az enyém is művel, nagyon nagy valószínűleg ez az áramkör is csinálja. De az sosem derül ki a videóból, mert csak egy keskeny helyen világítják meg a forgórészt ! Telibe kellene világítani, és rögtön megjelenne máshol is a vonás, ha halványan is!
Persze csak akkor, ha CDI-t használsz normális, üzemi körülmények közt. Ezért kérdeztem, hogy valóban KIPRÓBÁLTAD !?
Tökéletesen működik , igen kipróbáltam sőt a többszikrás rendszeremet is evvel tesztelem mostanában mert határozottabban mutatja a szikrák közti időt (távolságot).
Szóval nyugodtan alkalmazhatod, meglepően jó kis kapcsolás ez az egyszerűségéhez mérten. A te fals villanásaidnak meg valami más oka van, láthatnám az 555-tel megépített kapcsolásodat. Hátha kitalálunk rá valamit.
Alkalmazhatnám, csak ez nem ad fordulatszám jelet, tehát nekem önmagában vajmi keveset ér!
Láthatnád a kapcsolást ha tudsz gondolatatot olvasni, ugyanis csak a fejembe létezik, egyenlőre. Az enyémmel az a baj, hogy villan akkor is ha töltődik a CDI kondija mivel az enyém a gyertyakábelről veszi a jelet, és onnan is fogja!
Sziasztok!
Amatőr kérdéesem lenne: van valaki, aki el tudná ezt nekem készíteni? Mennyiből jönne ki? Sajnos az én kezem nem efajta munkához való, lakatos vagyok: )Forrasztani tudok, de áramkört nem biztos, hogy sikeresen építenék, valószinüleg poháralátét lenne belőle: (
Sziaszto!
Először is köszönöm mindenkinek aki hozzátette aa tapasztalatait a témához ! megépítettem a watt féle stroboszkópot és sajnos én is beugrottam a 7,14 láb csapdájába ![]() Köszi
Üdvözlök mindenkit!
Valaki el tudná nekem mondani, hogy EZ a fajta stroboszkóp hogyan villan, az addig okés, hogy rá kell csiptetni a gyújtókábelra, de az hogyan ad jelet a triaknak, hogy begyújtson? Előre is köszönöm!
Hello! A csipeszben egy trafó van, melynek járomvasa (mágnesköre) bontható a rácsíptetés idejére. Primer tekercse, maga a gyújtókábel, a szekunder (ami gyújtja a tirisztort) a vasmagra van tekerve.
Áá értem, köszönöm a gyors választ!
Na most olyan problémám akadt vele, hogy nem mindig villan fel helyesen, csak akkor ha odanyomom a gyújtáskábelt az egyik sarkába, ha már kicsit is átlóba van már nem rendesen villan, de ezt is csak az első henger gyújtáskábelén csinálja a többin meg sem villan. Arra gondoltam, ha a szekunder tekercsre még tekernék valamennyit, az segítene?
A csipeszen lenni kéne egy nyílnak meg egy "plug" felíratnak, a nyílnak a gyertya felé kell mutatnia. Úgy kell felcsíptetni, akkor jól fog működni.
Hmm, valóban nem próbáltam fordítgatni, na majd holnap ki is próbálom, köszönöm a segítséget!
Megnézem azt a nyilat, csak le kell vegyem a zöld-sárga sziketelő szalagot , mert én ezt kaptam, csak eltörték a csatiját!
Enyém is el van törve A befőttes gumit nálam tökéletesen szuperál.
|
Bejelentkezés
Hirdetés |




Szóval az lenne a kérdésem, hogy én megépítettem az alábbi kapcsolást. Az a bajom, hogy nem tudom, hogyan lehetne a jelet levenni a gyújtókábelről. A rajz azt írja, hogy egy vasmagos, 100 menetes tekercs elég a megbízható billegtetéshez. Nem tekercseltem még soha életemben, nincs hozzá se anyagom, se tehetségem 

(
, mert én ezt kaptam, csak eltörték a csatiját! 




